Fórum témák
» Több friss téma |
Mielőtt kérdezel, a következő két dolgot ellenőrizd!
I. A helyes tápfeszültségek megléte.
II. A kimeneten van-e egyenfeszültség.
Élesztés.
Akkor nem adom fel és tovább keresem a hibát...
köszi
Hello mindenkinek!
Azt szeretném kérdezni hogy megépítette-e valaki valaha ezt az erősítőt amit csatoltam?
Hali!úgy látom vannak itt ismerős nick-ek...
az lenne a kérdésem,nem épített-e valaki már a TDA 7495-ös IC-vel.ez stereo tok,egy sony trinitron tv-ben is alkalmazzák,feltűnően nagy hűtés van rajta.kapcs-rajz kellene elsősőrban hozzá,semmit nem tudok róla.ha van vkinek,előre is köszi!
Itt van az adatlapja, van benne kapcsolási rajz és nyákterv is.
Hát sajnos nem 1Hz-1Ghz a sávszélessége...
Ne 1Mhz-1Ghz es sávban nézd, Hanem mondjuk 10Hz-100Khz-ig. És ne használj multisim-et analóg szimulációra. Főleg a 9-et ne! A multisim7, az még használható (márha csak diszkrét alkatrészeket tartalmaz a kapcsolás).
Köszönet!ez már segíteni fog.és mi a véleményetek erről a rajzról.emailban kaptam,olyan nagyszerűen egyszerű,bár a cső és IC párosítása kissé...bizarr.megtekintés előtt kapaszkodni ajánlatos...
HE....HE
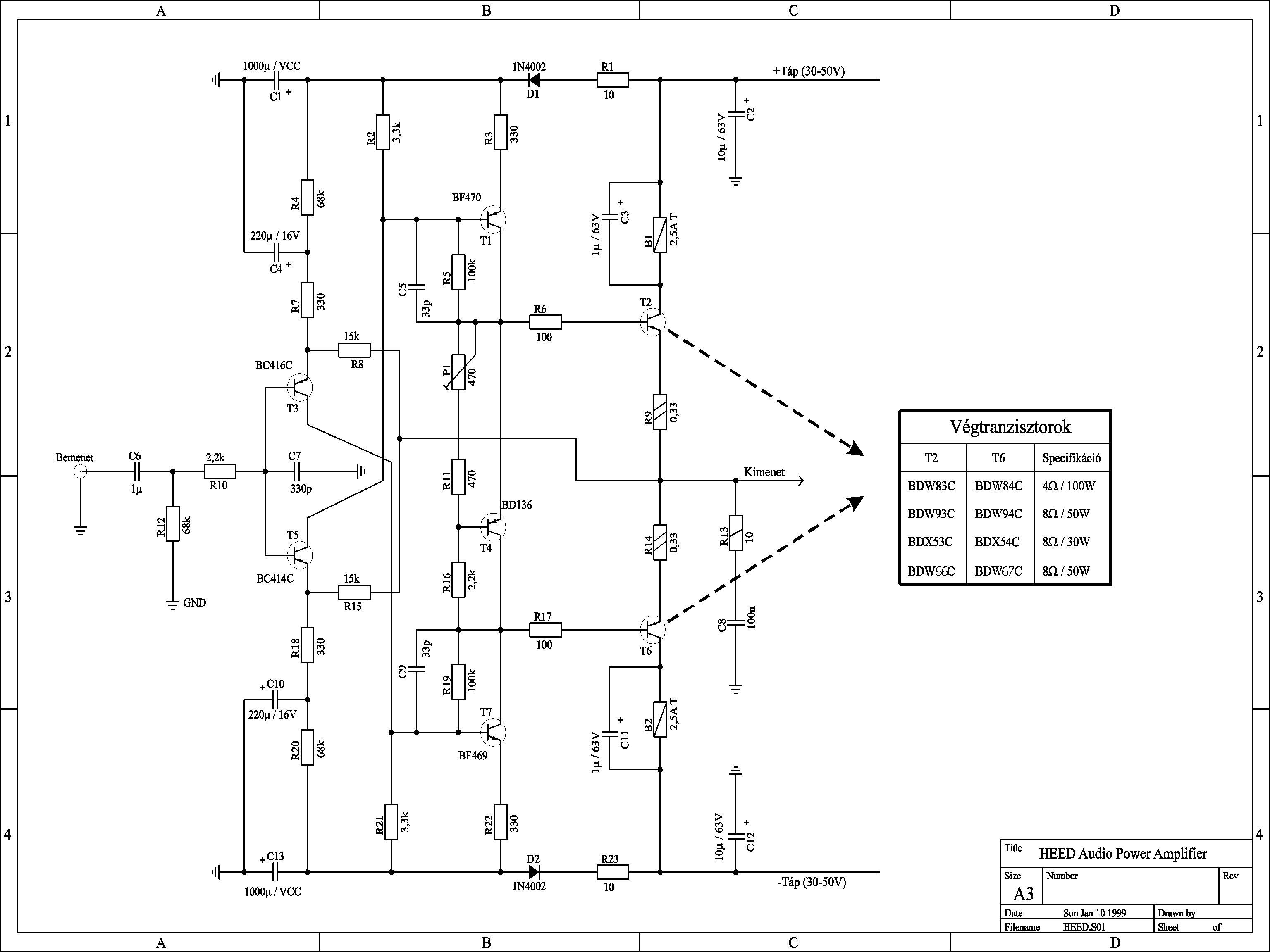
Gondolom a Heed audio Obelisk lehet az, amiről most szó van. Hát akkor hagy áruljak el én is valamit. Kb olyan kapcsolása van, mint egy Orion "Orister"-nek, csak komplementer végtranyók vannak benne. Az Orionról annyit, hogy ha valaki kiszedi belőle a végfokot, akkor az high-endhez jut. Borzasztó jó a hangja, főleg a benne levő eredeti texas BD245A végtranyóktól, meg a sima kvázikomplementer végfoktól. Amit most leírok az "eretnekség" lessz, de leírom. A jó hang feltétele pedig nem a kimeneti jel alakhűsége, hanem az hogy az átviteli rendszer "megfelelő jellegű torzítást" okozzon ami megszépíti a hangzást. Bizony a torzítások pozitív hatásúak is lehetnek a hangképre. Ezért szólnak az egyszerű erősítők jól, vagy gondolok itt az elektroncsöves-transzformátoros erősítőkre. Ja és ezért van, hogy a nagyon kiélezett, már-már tökéletes paraméterekkel rendelkező áramkörök szubjektív hangzása, sokszor "felejthető", semmilyen.
Lamalas!
Csak egyet árulj el. Ez volt az? (Vagy Heed volt e, mert mindenbe ugyanezt a végfokot rakják, csak a BDW-ket cserélik le TIP142-147-re nagyobb teljesítménynél). Ha ez volt, akkor az jó, mert nem csak te rajzoltad ki. Több helyen is fennt van a neten, így megúszhatod a bűntudatot. Egy igen/nem-el csak nem teszel tönkre egy céget...
Sziasztok! mia kapcsolat az áramfelvétel és az Ah kifejezés között?
Atyavilág...hiszen ez egy Obelisk!ezt a végfokot én is hallgattam,és csak megerősíteni tudom;egy B&W dm 302-essel olyat szólt,hogy s*ggre ültem tőle..!amilyen jelentéktelen külsőre,annyira jó a hangja.yes
Ki kell próbálni mivel egyszerű , hidalás és a csöves fázisfordítás szimpatikus , nem invertáló bemenet közvetlen földelése miatt kíváncsi lennék a kimeneti ofszet alakulására és talán LM3875 -tel kéne meghallgatni.
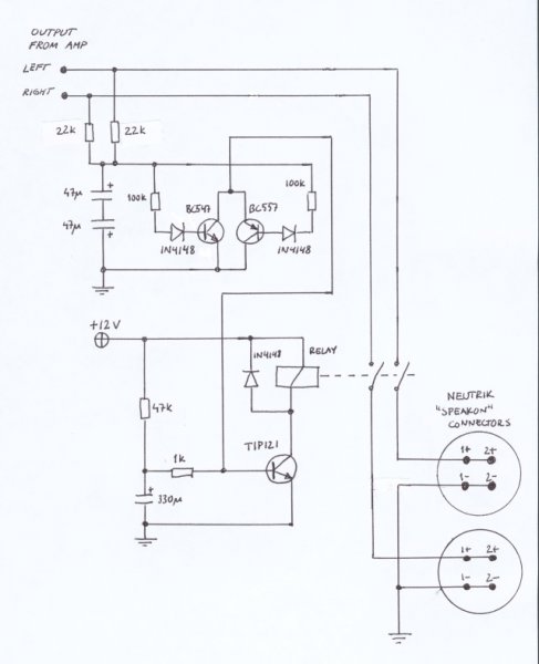
Hali valakinek van ehez a hangfal védőhöz nyák rajza,de más kapcsolásokat is várok lehetőleg egyszerűt...
Itt van egy pár.
Szia!
igényt tarthatok az obelisk kapcsolási rajzára? köszi Idézet: „Csak egyet árulj el. Ez volt az?” Nem, nem ez az.
helló mindnekinek! ez nem biztos ide tartozó kérdés de azért felteszem. volna egy tesla nzc 130 lemezjátszó + erősítő és az lenne vele a bajom hogy az egyik oldalon nincsen mély a másik oldal viszon tökéletesn működik.hangszórók 100% hogy jók mert ha felcserélem a ketőt akkor a másik is jól szól de viszont mély sehogy se akar kijönni az egyik oldalon. előre is köszi a segítséget
Multisim 10.xx-et használtam, de már az agyamra megy, hogy nem képes egy kicsit is bonyolultabb áramkört kiszámolni (bonyolult: 1 ME meg vagy 3 tranyó).
Most próbálkozok más progikkal is, de ha van valami általánosan elfogadott, normálisan működő szimulátor, akkor ne tartsátok magatokban. OFF: szegény Kimi...
Hello!
Valamelyik csatoló, vagy emitter hidegítő kondi (elkó) kapacitás vesztes lehet. Tegyél rájuk párhuzamosan egy-egy azonos kapacitásút, és észre fogod venni, melyik rossz. üdv! proli007
A kért rajzot jelenleg nem tudom feltenni,csak papíron van meg.egyébként szívesen átadom.
Ilyenem van ha erre gondoltok!
Nekem ez a rajzom van, de hogy ez van-e az Obeliskbe azt nem tudom.
Valaki csak megmondja, aki tudja pontosan!
Állitólag abban 11 tranyó van, rövidzárvédelemmel.
Úgyhogy ez nem az lesz.
Így igaz,nekem is ez a két dolog a nyerő benne,na meg az egyszerűsége.az általad említett végfok-IC monolit avagy hybrid? nagyon nem ismerem ezeket az alkatrészeket.és vajon működne-e mással is.mármint más típusú IC-vel.
Ezek monolitok.3875
Az elv alapján valószínűleg igen, működnek mással is.
köszi szépen a tippet.bár már 30 éves körüli a játszó.szal valószínű az lesz a baja
majd a hétvégén megnézem mert nincsne időm széjjel szedni hétköznap és próbálgatni. még egyszer köszi
Igen ez is monolit , kistestvére az LM3886-nak ,csak kicsit jobb hanggal , más IC -vel is működne ez a megoldás , de az LM 3875 nem lenne rossz választás .
|
Bejelentkezés
Hirdetés |




az lenne a kérdésem,nem épített-e valaki már a TDA 7495-ös IC-vel.ez stereo tok,egy sony trinitron tv-ben is alkalmazzák,feltűnően nagy hűtés van rajta.kapcs-rajz kellene elsősőrban hozzá,semmit nem tudok róla.ha van vkinek,előre is köszi!










