Fórum témák

» Több friss téma
Fórum » AVR - Miértek hogyanok
 
Témaindító: pakibec, idő: Márc 11, 2006
Témakörök:
WinAVR / GCC alapszabályok:
1. Ha ISR-ben használsz globális változót, az legyen "volatile"
2. Soha ne érjen véget a main() függvény
3. UART/USART hibák 99,9% a rossz órajel miatt van
4. Kerüld el a -O0 optimalizációs beállítást minden áron
5. Ha nem jó a _delay időzítése, akkor túllépted a 65ms-et, vagy rossz az optimalizációs beállítás
6. Ha a PORTC-n nem működik valami, kapcsold ki a JTAG-et
Bővebben: AVR-libc FAQ
Lapozás: OK   74 / 841
(#) huba válasza huba hozzászólására (») Okt 14, 2008 /
 
Az SS viccelt meg nem is kicsit.
(#) Topi válasza huba hozzászólására (») Okt 15, 2008 /
 
Mondtam! Kegyetlenül meg tudja szivatni az embert.
(#) pako válasza Topi hozzászólására (») Okt 15, 2008 /
 
Hali!
A LED-ek polaritás függősége lesz a megoldás
le is rajzoltam

4PIN12LED.PNG
    
(#) tpeter válasza pako hozzászólására (») Okt 15, 2008 /
 
Akkor sem értem hogy ezek miért függetlenek.
Topi! Részemről szabad a gazda!
(#) huba válasza pako hozzászólására (») Okt 15, 2008 /
 
Logikus megoldás. A kimenetet le lehet huzni, fel és lebegtetni is. Végül is ez is egy fajta multiplexelés...
(#) Dudus válasza pako hozzászólására (») Okt 15, 2008 /
 
És mind a 12 LED így hogyan világít ha azt akarom? AZ én értelmezésemben bármely kombinációnak elő kell tudnia állni , azaz egy tetszőleges 12 bites számot kell tudni ábrázolni a LED-ekkel.
(#) tpeter válasza Dudus hozzászólására (») Okt 15, 2008 /
 
Igen, nekem is ilyesmi elképzelésem van.
Itt valami átverést sejtek...
(#) szilva válasza Dudus hozzászólására (») Okt 15, 2008 /
 
Ha mindig csak 1 LED-re koncentrálsz és annak a vezérlését valósítod meg (csak a LED két lábára kerül megfelelő polaritású jel, a többi láb lebeg), akkor 12 lépésben minden LED-et végigjárva egyfajta multiplexelést valósíthatsz meg.

Ha ezt elég gyorsan csinálod újra és újra, folyamatosan, akkor a szem tehetetlensége miatt észre sem fogod venni, hogy egy adott LED nem folyamatosan világít, hanem "villog".
(#) Dudus válasza szilva hozzászólására (») Okt 15, 2008 /
 
Ez mondjuk igaz!
(#) Psych0 hozzászólása Okt 15, 2008 /
 
sziasztok!

Eléggé láma vagyok a témában, még csak most kezdem.
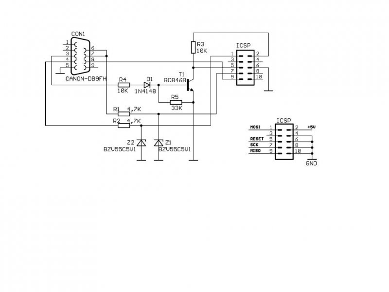
Szeretnék csinálni egy stk200-as programozót.
Ezzel a kapcsolással. Azon vacillálok, hogy miért van ott az a dióda, és elhagyhatom-e? A válaszokat előre is köszönöm.
(#) wg_kezdo hozzászólása Okt 15, 2008 /
 
Segítséget szeretnék kérni programozóhoz.
Van egy STK200-as programozóm amit valahogy össze akarok kötni egy ATTiny45-össel.
A probléma azzal van, hogy a programozóból jön ugye egy kábel 10 lyukkal (két ötös sor).
A kérdés pedig, hogy melyik lyukat melyik lábhoz kell kötni...
Az AVR USB-ről kap tápfeszt. (ezt rá kell valahova kötni a programozóra is?

Íme a programozó.

Eme villogót szeretném megépíteni
( a próbapanelen egyszerűen a lábakhoz kötöttem a programozóról kijövő vezetékeket)

Próbáltam értelmezni na meg dugdosni a zsinórokat, de semmi jó nem sült ki belőle.
(félreértések elkerülése végett: Nem szeretném megérteni csak használni. Ahogy a programozó sem ismeri a számítógép komplett működését).

Előre is köszönöm.
(#) gtk válasza Psych0 hozzászólására (») Okt 15, 2008 /
 
A dioda elhagyhato, csak vedelmi okokbol van ott. de ha felcsereled a tap polaritasat annyi a programozodnak.
(#) tpeter válasza szilva hozzászólására (») Okt 15, 2008 /
 
igen, ilyesmire gondoltam "átverés" alatt.
(#) gtk válasza wg_kezdo hozzászólására (») Okt 15, 2008 /
 
Hat rendre osszekotod a MOSI labat ->avr MOSI, SCK->avr SCK, MISO-> avr MISO.
A GNDket osszekotod es tapot adsz az avr-nek is meg a programozonak is. (remelem az ICsre gondolsz?)
(#) mammut hozzászólása Okt 15, 2008 /
 
Itt Van a 12-es mátrixbillentyű bekötése....
--------------
(#) wg_kezdo válasza gtk hozzászólására (») Okt 15, 2008 /
 
Igen az IC-sre és én is rájöttem, hogy a megfelelelőket kell a megfelelővel összekötni, de sajnos, ha ránézek a vezetékre nem tudom megmondani, hogy melyik-melyik. Ha tudnám természetesen nem kérdezném.

Az összes támpontom, hogy az egyik vezeték a szalagkábelen piros.
(#) mammut válasza wg_kezdo hozzászólására (») Okt 15, 2008 /
 
Ha az égetőd 74xx244-es 8 bites buszmeghajtóval van építve, akkor a tüskék kiosztása a kép alapján a következők:
1- MOSI
2- VCC ( a programozandó áramkör + tápfesze)
3- LED
4-6-8-10 GND
5- Reset
7- SCK
9-MISO
A programozandó áramköröd tüskéit pedig elvileg az ic adatlapja alapján ki lehet bogarászni!
Ha nem menne esetleg küldj képet és segítek...
(#) Dudus válasza wg_kezdo hozzászólására (») Okt 15, 2008 /
 
Azt a piros vezetéket szokás az 1-es pinre rakni a csatlakozóban. Ha megnézed az aljzatot látod a számozást, amit az 1-es vezetőtől le tudsz számolni.
(#) bozsvarigabor hozzászólása Okt 15, 2008 /
 
Hello.
megépítettem a nyolc lábbal... első kapcsolását és ezzel kapcsolatban lenne kérdésem:
a mintaprogrammal nálam a két led egyszerre villog. a két ledet tudom külön-külön kapcsolni:
portb=0x08 és portb=0x10.
mi lehet a hiba?
előre is köszi.
üdv.
(#) Psych0 hozzászólása Okt 16, 2008 /
 
Mi a különbség a 74lc244 és a 74hc244 között? Mindegy melyiket rakom a programozóba?
(#) wg_kezdo válasza Dudus hozzászólására (») Okt 16, 2008 /
 
Sikerült, de ne kérdezzétek hogyan.
Lefényképezem és felteszem hátha más is elakad.
Gyorsan csinálok egy kis áramkört a programozásra
(#) bozsvarigabor válasza bozsvarigabor hozzászólására (») Okt 16, 2008 /
 
Hello.
Így lett jó:

if(PORTB & (1'lshft'PINB3)) ....

m_delay_10ms(100);

if(PORTB & (1'lshift'PINB4)) ...

Üdv.
(#) gtk válasza Psych0 hozzászólására (») Okt 16, 2008 /
 
Nem LS es HC?
A HC MOSFET, a nem hasznalt bemeneteket GNDre kell kotni. Az LS Low Schottky, nem hasznalt bemenetek maradhatnak uresen.
(#) Psych0 válasza gtk hozzászólására (») Okt 17, 2008 /
 
de. elírtam tényleg ls. köszi a választ.
(#) Yshteee hozzászólása Okt 17, 2008 /
 
Sziasztok.

Tudom, triviális, vagy bárgyú a kérdés, de a pic12F6xx és az ATTiny45 mennnyire hasonló jószágok? Nem csak arra gondoltam, hogy mind kettő DIL8-as tokozású, hanem, elméletileg helyettesítheti egyik a másikat, még akkor is ha a két kofigurációja más? Köszi a válaszokat
(#) Topi válasza Yshteee hozzászólására (») Okt 17, 2008 /
 
Elméletileg helyettesíthetik egymást.
Pl. egy tiny45 helyettesíthet egy 12F6xx-et. Fordítva nem.
tiny45-nek 4x nagyobb a memóriája mint egy pl. 629-nek.
Aztán van belső RC-je is, aztán van USI, van SPI, több timer van.

Gyakorlatilag persze nem, mert lábkiosztásuktól kezdve, felépítésük, programozásuk, és áruk is más.
(#) trudnai válasza Topi hozzászólására (») Okt 17, 2008 /
 
Mondjuk ha az AVR-bol is a legujabbakat nezzuk akkor illene a PIC-bol is 12F629 helyett manapsag mar jobban megeri a 12F683-ra fejleszteni. A 683-asnak gyakorlatilag ugyanakkora a program memoriaja mint a Tiny45-nek (ugye az AVR byte-ban szamol mig a PIC word-ben...). A 683-nak igaz fele akkora a RAM terulete mint a T45 de azt is figyelembe kell venni, hogy gyakorlatilag az egesz memoriahoz sokkal olcsobban fer a PIC mint az AVR (nem kell betolteni majd kimenteni). EEPROM memoria ugyanakkora mindket joszagban.

A 12F683-asnak 3 timere van, ket 8 bites es egy 16 bites, ezek kozul az egyik tud PWM-et, a 16 bites pedig tamogatja az "ora kvartz-ot" (32768Hz). Sajnos a serial modul teljesen hianyzik a 683-asbol.

Osszessegeben ha a nyers parametereket nezzuk az AVR kicsivel jobbnak tunik, bar a kulonbseg nem sok es ugy erzem azert mindket kontrollernek megvan a helye a piacon.
(#) levi18 hozzászólása Okt 17, 2008 /
 
Sziasztok!
Én építettem egy egyszerű programozót soros portra, de nem akar működni, mindig "device missing or unknown device (-24)"-et ír ki. AT tiny2313-mal próbálkozok és a fuses biteket akarom elsőlépésben kiolvasni, de sajnos nem sikerül. Van valakinek tapasztalata ezzel a kapcsolással? Esetleg tudtok segíteni, hogy hol keressem a hibát? Előre is köszönöm.
Üdv!
levi18.

avr-pg1b.JPG
    
(#) tibi0531 hozzászólása Okt 17, 2008 /
 
Milyen programot használsz? Ha PonyProg-ot , akkor olyan verzió, ahol kitudod választani a tiny2313-at? Nálam a 206f verzióval megy, igaz a nem ezzel a programozóval, hanem a bővített változattal (SI-PROG).
(#) levi18 válasza tibi0531 hozzászólására (») Okt 17, 2008 /
 
Szia!
Ponyprogot használok és ebben ki lehet választani a 2313-at. Megpróbáljam esetleg másik verzióval?
Következő: »»   74 / 841
Bejelentkezés

Belépés

Hirdetés
XDT.hu
Az oldalon sütiket használunk a helyes működéshez. Bővebb információt az adatvédelmi szabályzatban olvashatsz. Megértettem