Fórum témák
» Több friss téma |
- Ez a felület kizárólag, az elektronikában kezdők kérdéseinek van fenntartva és nem elfelejtve, hogy hobbielektronika a fórumunk!
- Ami tehát azt jelenti, hogy a nagymama bevásárlását nem itt beszéljük meg, ill. ez nem üzenőfal! - Kerülendő az olyan kérdés, amit egy másik meglévő (több mint 17000 van), témában kellene kitárgyalni! - És végül büntetés terhe mellett kerülendő az MSN és egyéb szleng, a magyar helyesírás mellőzése, beleértve a mondateleji nagybetűket is!
akkor ez nálam nem működne
![]() valami más ötlet?
Ja igen kihagytam egy lényeges momentumot
.Szóval ami kijön az egyen 3V-12V viszont az AVR nem nagyon megy vele. Ezért gondoltam, hogy nem valami stabil dolog és kéne neki valami ami stabillá teszi. Fogtam egy könyvet és felcsaptam a "hogyan csináljunk 5V egyenfesz-t" fejezetnél. Nos ott volt a rajz és úgy gondoltam, hogy nekem akkor elég a "jobb" oldala ahol a vezetékben már csak 12V egyenfesz megy. (ezt a rajzon jelölték). A többi már nem olyan vészes pár kondi meg ilyenek. Viszont, ha jól értem akkor jól gondolkodtam.
Hát stabilizáld valamilyen stabkock
ával.
Hello!
Természetesen megoldható, ha nem a CDS ellenállás áramát használod, hanem a rajta eső feszültséget. Persze értelme nem sok van a dolognak, - mert tegyük fel nappal kikapcsolja (pici fogyasztása akkor is lesz), de este, ki fogja kikapcsolni? - Ha estefelé nő a fényerő, akkor egyre vakítóbb lehet. (A kocsik műszerfalánál, pont fordított a helyzet.) Amikor meg kis fényerővel világít, ki fogja azt látni a "szürkületben"? Szóval ezt azért még át kellene gondolni. De hogy ne csak kötözködjek, egy példa. (persze fogalmam sincs milyen feszültségek, áramok, fényerő mellett szeretnéd üzemeltetni) üdv! proli007
Ha +12v stabil fesz kell 7812 es stab ic szerintem jó
Az nem lenne elég hogy sötétben bekapcsol világosba pedig ki?Egy ellenálással sorbakötve osztót csinálni és egy komparátorral kapcsolgatni a ledeket...
Szia!
Akkor úgy mondanám, hogy az elektronikában még ennyire sem vagyok járatos... -mármint, hogy érdemben el tudjak gondolkodni a kapcsolásodról. Amiket "meg is tudok csinálni" -azok olyanok voltak, hogy 1-2 tranzisztor, dióda, ellenállás, -amit led-meghajtóra találtam a neten, -de akkor sem tudom, mi -mit -miért, -csak megépítettem a rajz alapján... (ezek eddig nem tűntek megfelelőnek, mert a Led-nek nem is maradt elég feszültség, -ill. a kb. 20 mA-rel, amit adtak, csak 1db-ot tudtam működtetni 4XAA-val) Amúgy fehér Led-ekről lenne szó, -tehát a nyitófeszültségük úgy 3,2-3,6 V körüli és van 20 mA-es normál, meg 80 mA-es SMD is, -ezekből használnék és egyelőre 4 X AA Ni-MH akkus táplálásban gondolkozom, mivel a lámpák, amelyeket átalakítanék, ilyet fogadnak. 5 db Led nekem elég is lenne, a viszonylag kis tápfeszültség miatt párhuzamosan kötve, -bár láttam olyan elektronikát, ami akár 1 X AA-ról működtet akár 5 db. sorbakötött Led-et, -nem tudom, akár valami ilyen is jó lehetne, mert még arra is jó lenne egyúttal ügyelni, hogy a végén ne szaladjanak mélykisülésbe az akkuk és ezt meg amúgy se lehet biztosan megoldani, ha akkucsomagot használok, az akkuk különbözősége miatt, -de, ha 1 db akkuról menne, -akár még ezt is, -gondolom. Nem tudom, a Te kapcsolásod mennyire illeszkedhet az egyrészt laikus, másrészt még amúgy sem tisztázott elképzeléseimhez...? Köszönöm, Zsolt
Ez igy jó lehet jubilleumnak ha csak kapcsolgatja a ledeket?
Hello!
Hát ezzel a problémával, át kellett volna menni egy Led-es topikkba. Mert hogy olyan is van, és esetleg ott nézz körül. A kapcsolást csak azért rajzoltam, hogy lásd, megoldható a probléma a CDS ellenállással is. Hát ez a rajz sem több, mint néhány alkatrész! Viszont, a feszültségnek szükségszerűen többnek kell lenni, mint a Led feszültsége, plusz a tranyó vesztesége. (kapcsolóüzemű SetUp konvertert nem számítva, ami talán még nem Neked való) Ha a Led 20mA melletti nyitófeszültsége 3,2V és a tranyó bázis-emitter feszültsége 1,2V, akkor a minimális tápfeszültség igény, 4,4V. Persze még ott van az áramkörben az áramkorlátozó 22ohm-os ellenállás is. Ha 4db AA aksit használsz, annak névleges feszültsége 4*1,2V lesz, azaz 4,8V. Tehát az ellenállásra marad 0,2..0,4V. Így 0,2..0,4V/20mA=10..20ohm-os ellenállást kell sorbakötni minden Led-el és azokat így párhuzamosan kötni. (A kapcsolásban még két Led sorba van kötve, de a Led-eket nem nagyon illik simán párhuzamosan kötni. Legalább is az én izlésem szerint) Az 5db led már 100mA áramot jelent, a tranyónak, és az aksinak. ezt figyelembe kell venned. Nem beszélve a 80mA-os Led esetében. De próba cseresznye, ki kell próbálni. Ezt a kis kapcsolást az asztal sarkán, a levegőben is össze lehet rakni. üdv! proli007
Hello!
A végét gondold át! Fejjel lefelé szebb az élet? ![]() üdv! proli007
A forditva berakott tranzisztorra gondolsz
Ah! -csakis a kapcsolóüzemű SetUp konverter (nem számítva), ami való nekem!!!
De tényleg, árulnak is pár száz forintért ilyen 1 db ceruzáról menő 5 Led-es kis lámpákat, lehet, hogy venni kéne egy olyat és ha lehet, kimenteni belőle azt, ...-amit írtunk, -az én erősebb fényű Led-jeimhez... De az is lehet, hogy marad a sima előtét-ellenállás, amit "bbalázs" is javasolt, -ma nézegettem és nem is olyan rossz, mint emlékeztem... Meg akkor átnézek a Led-es fórumrészbe is... -köszönöm a tanácsokat!
sziasztok!
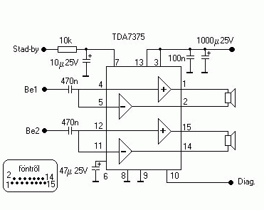
lenne 1 problémám! csináltam 1 erőködőt tda7375ös icvel és az a bajom van vele hogy nem szól! 12volt van rákötve, üzemjelző led is rajta van és világit de nem szól! mikor a kapcsoló szállat kötöm a 12+ra akkor a hangszóró pukkan picit,a led világít, mikor szétkapcsolom akkor is picit pukkan és a led halványan alszik el!(ebből azt tapasztalom hogy jó de még sem szól!)ellenőriztem a kötéseket és mindenhol jó az érintkezés! mi lehet a hiba? előre is köszönöm! Idézet: „kapcsolóüzemű SetUp konverter”
Hali!
Válasz a másik topikban. ...miért kell két helyre...
Sziasztok!
Kicsit bátortalanul írom ezt a hozzászólást ugyanis akadt egy kis problémám.Szeretném megmérni 3 db 12 Vos ventillátor által felvett áramot.Digitális multiméterem van.A ventillátorok párhuuzamosan vannak kötve. Egy db ventin kipróbáltam hogy bekötöm a körbe sorba a műszert de nem mutat semmit sem.Méréshatárváltásnál sem.Van 2 csatlakozója ugye,egyiken 200mA max.másikon meg dc 10A max...a 200mAesen nem mutat semmit,a dc 10A-esen pedig mész rövidre is zárja a tápot... csak tudnám miért...Hol rontom el a mérést? Köszi szépen
Valamit nem jól csinálsz. Nem zárhatja sehogy sem rövidre a tápot, hisz a ventilátorok mindig benne maradnak a körben.
A mérés elve a következő: A 10A-os mérőhüvelybe dugott vezeték megy a táp + pontjához. A műszer - bekapcsolva - a DC 10A-os állásban. A COM feliratú hüvelyből a ventilátor(ok) + (piros) vezetékére kell kötni. A ventik - (fekete) vezetéke megy a táp - pontjára. Ha az áram túl kicsi (azért itt is látszanak a 10 mA-ek), vagyis 0,2A alatt van, akkor a következő az összeállítás: Táp + pontja az A hüvelyben lévő zsinórra csatlakozik, a COM feliratú pont a ventik + pontjára, a ventik - pontja pedig a táp pontjára. Megjegyzendő, hogy az A hüvelyt általában olvadóbiztosító védi, a 10A-ost viszont semmi! Ha 10A-es állásban zárlatot "kreáltál", lehet, hogy 200mA-es állásban is megtetted, és "kiüttetted" a biztit, és azért nem mutat.
Sziasztok!
A kérdésem a következő: Van egy nagyteljesítményű lámpám, amihez trafó kell. Össze is kötöttem a trafót, ahogy a leírásban szerepel, viszont azt nem írták le, hogy a földelő (sárga-zöld) vezetéket hová kössem. Így nem kötöttem sehova, csak szigetelőszallaggal körbetekertem a végét. Ennek az lett az eredménye, hogy a meghajtandó lámpa szikrákat vert össze vissza. Azonnal kihúztam a hálózatból. Megpróbáltam azt is, hogy a földvezetéket közvetlenül továbbkötöttem a lámpa földeléséhez, de akkor is szikrázott. Az lenne a kérdésem, hogy hová kössem a föld-vezetéket, hogy jó legyen. Vagy más lehet a hiba? lefényképeztem, hogy miről van szó.
helló!
tudom hogy kell bekötni! meg van kép is a szövegem alatt!
Nem tudom mit rontottam el de most sikerült a mérés. Köszönöm szépen a segítséget!
(egy ventinél 0.14et mutat a műszer,3nál pedig 0.37) Üdv
Milyen lámpa ez? Fémhalogén, vagy nátrium? Azok beindulásához nagyfesz gyújtóimpulzus kell (2-3kV). A bekötés általában fel van vázolva a trafóra, vagy a gyújtóra. Az viszont biztos, hogy a fojtó két pontját kell felhasználni, a 3. vezeték gond lehet. A sárga-zöld vezeték a földelés, az nem szükséges a működéshez, viszont be kell !!!! kötni a megfelelő pontokra, mert a kapcsolás még úgy is életveszélyes, jobb lenne, - ha kérhetem - inkább fordulj egy közeli szakemberhez, mintsem baleset történjék.
Szia Imi!
Ez egy magasfeszültségű nátriumgőz lámpa 600W-os. Ha közvetlenül továbbkötöm a földelést a lámpatestig, akkor is szikrázik. Ez mondjuk szerintem azért van mert a lámpatest két lánccal van felfüggesztve a plafonon ugyanarra a pontra (ez okozhatja a zárlatot?!). Arra gondoltam, hogy a trafó testére kötöm a földelést. Az segítene szerintetek?
A Nátrium lámpát az ábra szerint kell bekötni. A szikrázást a lámpatest zárlata okozhatja. Nézz alaposan körül, tekintetbe véve azt is, hogy a gyújtóimpulzusoknak is ellenálló-e a vezetékezés. Csak kikapcsolt lámpatestet érints meg, a gyújtóimpulzusok balesetet okozhatnak.
Sziasztok lenne egy kérdésem.Katotsugaras monitoron fehér fátyol és balrol jobbra átlos csíkok.Kb az oldalához képest 100-fokban,3cm-ként.Néha egy pofon megoldja a problémát,de szeretném megtalálni a hibás alkatrészt.Mi lehet a baj?(megvan a teljes kapcsolási rajz,beültetési rajz is.)segitsetek!!!!!
Ha a mosógép mágneszeleepe és az ajtónyitó retesz vátóáramról megy hogy tudja behúzni a mágnesrudat?Nem csak 50hz n kéne rezgetnie?Vagy itt be van épitve az egyenirányitás?
Miért kéne egyenirányítás? Nem mágnest húz be, hanem vasrudat. Erre az erő egyirányú, legfeljebb változó erősségű. De erre van megoldás, az a bizonyos rézgyűrű. Itt fázisban eltolt mező van, és míg a főmező áthalad a 0-n, addig ez a rész tartja meg a vasat.
Ha egyenirányítanád, kondi nélkül rosszabb lenne a helyzet.
Nézd át figyelmesen a panelokat, forrasztási hibára koncentrálva. Gyanítom, hogy ez lehet a hiba okozója.
|
Bejelentkezés
Hirdetés |





.











