Fórum témák

» Több friss téma
Fórum » Philips PM 3214 oszcilloszkóp
 
Témaindító: lczandris, idő: Aug 23, 2006
Témakörök:
Lapozás: OK   1 / 5
(#) lczandris hozzászólása Aug 23, 2006 /
 
Sziasztok! Egy Philips PM3214 típusú oszcilloszkóp javításán fáradozok, de nincs hozzá semmi leírásom. A hibajelenségek, az intenzitás (fényerő) poti nem reagál,teljes fényerőn üzemel és a sugár visszafutása is látszik a képernyőn. Valószínüleg a CRT vezérlőrácsa nem kap vezérlést. Viszont az áramkör olyan összett hogy nem tudom visszakeresni hol lehet a hiba és hogy mégis milyen feszültségeket kéne keresnem . A szkópban D14125GH/8 típusú CRT van. Ha ennek a lábkiosztását vagy a fent említett szkóp kapcsolási rajzár valaki el tudná küldeni nagyon megköszöném.
Üdv Banday
(#) Sebi válasza lczandris hozzászólására (») Aug 23, 2006 /
 
Egy másik hasonló típusút találtam egy régi katalógusomban.

Tube.gif
    
(#) lczandris válasza Sebi hozzászólására (») Aug 23, 2006 /
 
Köszönöm a képet de sajnos csak a fűtés bekötései egyeznek a szkópban lévővel.
Ennek a csőnek az oldalán is van 5 kivezetés a nagyfeszültségű tappancson kívül.
(#) Sebi válasza lczandris hozzászólására (») Aug 24, 2006 / 4
 
Sebaj,most örülök, hogy nem hülyültem sokat . Vagy 20éve volt egy 3215-ösöm, (és megtaláltam a doksiját a 3m magas paksamétámban!) a cső ua, de lehet hogy még a táprész,v. sok más is.
(#) lczandris válasza Sebi hozzászólására (») Aug 24, 2006 /
 
Hü köszi szépen. valóban vannak hasonlóságok, és ezalapján már el tudok indulni.
Eddig annyi hibát találtam h a G1 re vezető ellenállás meg volt szakadva (a rajzon R1535) ezt kicseréltem, és már nagyon kis mértékben reagál az intenzitás potira, de a visszafutás még mindg látszik. Mégegyszer köszi a rajzokat!
(#) AMD hozzászólása Szept 7, 2008 /
 
Hello!
Valami nincs rendben a Philips PM 3220 tipusú szkópommal. (video) Furcsa hangot ad, mint a berekedt tücsök. Nem tudja valaki hogy mi baja lehet? Meg birom-e csinálni vagy inkább neki se álljak szétszedni?
A válaszokat előre is köszönöm!
Üdv!

P9070380.avi
    
(#) Sebi válasza AMD hozzászólására (») Szept 7, 2008 /
 
Erről a konkrét típusról megintcsak nincs rajzom, de van itt egy közeli számúról. A benne lévő nagyfrekis tápnál kell nézelődni, különös tekintettel a száraz (kapacitásszegény) elkókra.

PM3200.GIF
    
(#) AMD válasza Sebi hozzászólására (») Szept 7, 2008 /
 
Itt van hozzá adatlap.
(#) AMD válasza Sebi hozzászólására (») Szept 7, 2008 /
 
Ezekre gondolsz?

táp.JPG
    
(#) AMD hozzászólása Szept 24, 2008 /
 
Nekem valahogy hiányérzetem van.

oszc.JPG
    
(#) AMD válasza Sebi hozzászólására (») Szept 26, 2008 /
 
Az elkokat kirforrasztottam és megmértem a kapacitásukat. Az egyik 64µF-os csak 50µF-os volt azt cseréltem. Két 1250µF-osat nem tudtam megmérni (200µF-ig mér a multim) úgy hogy azokat is cseréltem. A többi rendbe volt. De sajna még mindíg nem jó a szkóp. :no: Hol keressem a hibát?
(#) AMD válasza AMD hozzászólására (») Szept 28, 2008 /
 
Nincs valakinek ötlete?
(#) lapose válasza AMD hozzászólására (») Szept 28, 2008 /
 
Mi a baja?
Azon kívül, hogy ciripel mérni lehet vele?
A tápfeszek megvannak?
(#) AMD válasza lapose hozzászólására (») Szept 28, 2008 /
 
Ezt csinálja. Így nem lehet mérni vele. Meg akartam mérni a feszkókat és találtam egy púpos elkot. Eddíg meg se láttam. Jól sejtem hogy 2,5µF-os? Mert az adatlapban nem találtam ilyen értékűt és feszültségűt.
(#) lapose válasza AMD hozzászólására (») Szept 28, 2008 /
 
Szia!
Az y bemenetre ha jelet/brummot raksz kitér?
Innen nézve lehet táphiba is: úgy tűnik minta a vízszintes eltérítés mindig máshonnan indulna.
Ellenőrizd le a tápfeszültségeket! Ha egy kicsit jobb műszered van megtudod nézni, hogy a tápkimeneteken van-e váltakozóáramú komponens.
Ha jó a táp, akkor én azt csinálnám, hogy az X bemenetre egy pár voltos trafón és egy potméteren keresztül 50Hz-t adnék neki. Így kiderül az x erősítőd rossz, vagy a fűrészgenerátorod!
(#) AMD válasza lapose hozzászólására (») Szept 28, 2008 /
 
Ráadtam 12v 50Hz-et az x bemenetre és a pontból vízszintes csík lett. Ez mit jelent?
(#) lapose válasza AMD hozzászólására (») Szept 28, 2008 /
 
Potin keresztül adtad rá?
Ha a potival szépen szét tudtad húzni a pontot csíkká, akkor az azt jelenti, hogy az x erősítő jó, a hibát valószínű a fürészjel generátorban kell keresni!
Én kidobálnám belőle a régi elkókat(a füzeszjel generátorból)!
(#) Sebi válasza AMD hozzászólására (») Szept 28, 2008 /
 
Hmm, kissé lemaradtam, elfelejtettem figyelőbe tenni...
Érdekes, hogy egy számmal van odébb, mint a rajzom, és ez sokkal ősibb darab.
Én az elkókat mind kicserélném, mert abban az időben azért a minőségük nem olyan volt, mint a maiaké.
A ciripelést ezek szerint a nagyfesz táp trafója produkálja, mert döglődik a fűrészgenerátor, ezzel periodikusan terheli, szinte min-max között.
Persze lehet még az időalap kapcsoló is KH-s, de ha minden állásban ilyen, akkor ez nem valószínű.
És a panel fényképén az elfüstölt részek? Azt is át kéne vizsgálni melyik áramköré.
(#) AMD válasza lapose hozzászólására (») Szept 29, 2008 /
 
A fűrészjel generátort hol keressem?
(#) lapose válasza AMD hozzászólására (») Szept 29, 2008 /
 
Szia!
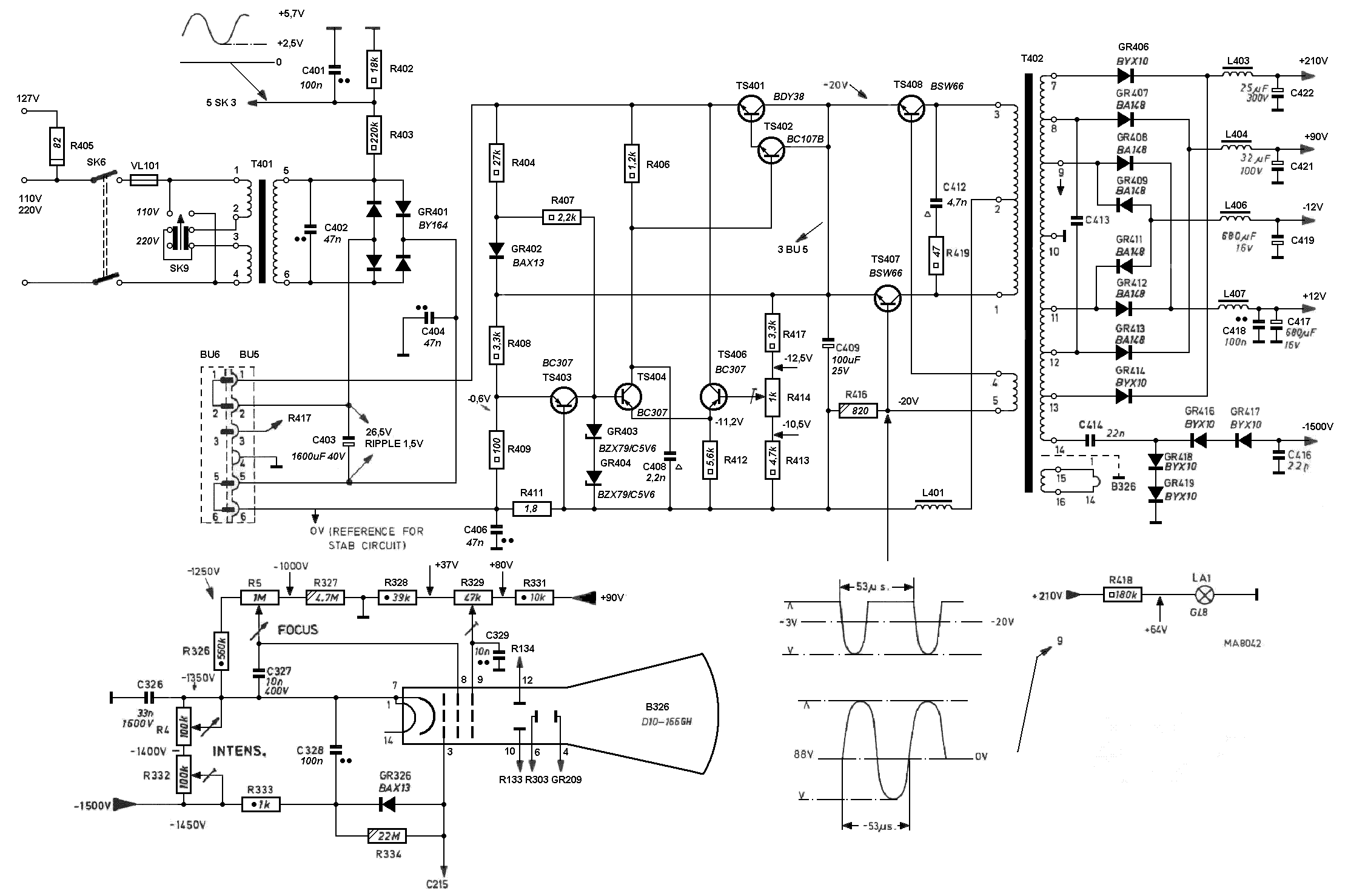
Amit belinkeltél doksit, annak a 71-74-ik oldalán van a kapcsolása és a panelrajza. Az x erősítő a fűrészgenerátor és a szinronfokozat van rajta. A panelrajzon nagyon jól fel vannak tüntetve a feszültségértékek, ezeket tudod ellenőrizni!
A kép jobb felső sarkában van a fűrészjel generátor.
Az elkókat cseréld a panelon.
Sajnos viszont van egy rossz hírem is: elég sok germánium tranzisztor van benne, ezek hibája is előfordulhat, viszont ezeket nem olyan egyszerű kimérni!
Szerintem kezd el a TS503-TS513 tranzisztorok feszültségeinek ellenőrzését először, hátha valami durva hibát találsz.
(#) TyeDa hozzászólása Okt 24, 2008 /
 
Segítséget szeretnék kérni egy PM3231-es szkóppal kapcsolatban. (csak 3230asról van doksim, de az még csöves, ez már tranzisztoros teljesen)
A képcső sötét, nincs nagyfesz.
Úgy kezdődött, hogy mérés közben elkezdett sivítani a nagyfesztrafó, elfüstölt egy ellenállás, és egy "glim lámpa"(ZZ1000?) vörösen izzott (normál esetben narancsosan pislákolt). Ekkor kikapcsoltam.
Ellenállást kicseréltem, a B csatorna fókusz-intenzitás potijai azt hiszem megszakadtak, kicseréltem ideiglenesen 4ellenállásra. egy 2N3055ös tranzisztor tönkremennt (nagyfeszpanel oldalán), kicseréltem.
Mostanra az a helyzet, hogy a "glimm lámpa" nem világít egyáltalán. A trafó sivít.
A fenti alkatrészeket bekarikáztam a képeken.

Arra gondoltam, hogy ezt a nagyfeszpanelt kiforrasztom, és külön élesztem, hátha egy külső áramkör beterheli.
A kézzel rajzolt kapcsrajzom lehet hibás.

Kérem, aki ért a szkópokhoz segítsen!
(#) Sebi válasza TyeDa hozzászólására (») Okt 25, 2008 /
 
Az egy pár(tíz) ohmos ellenállás, ha leégett arra utal, hogy az elmenő oldalon zárlat van. Először erről a kimenetről vedd le a terhelést és próbáld úgy éleszteni. Ezek a tápok nem szeretnek üresen járni, úgy hogy inkább ne vedd ki, hanem a helyén próbálkozz.
(#) AMD válasza lapose hozzászólására (») Okt 28, 2008 /
 
Szia!
Mi van ha nem szenvedek a tranyókkal hanem alapból kicserélem szilíciumra tranzisztorra?
(#) AMD válasza AMD hozzászólására (») Okt 28, 2008 /
 
Vagy germániumnak kell lennie?
(#) Sebi válasza AMD hozzászólására (») Okt 28, 2008 /
 
A Ge-tranyók nyitófeszültsége 120...150mV, a Si 620...700mV, ezért a munkaponti beállítások módosítására van szükség. Persze vannak olyan kapcsolások, ahol majdnem mind1, de ritka.
(#) AMD válasza Sebi hozzászólására (») Okt 28, 2008 /
 
Hogy tudom kimérni a tranyókat? Diódavizsgálóval ugyan úgy mint a si tranzisztorokat?
(#) Sebi válasza AMD hozzászólására (») Okt 28, 2008 /
 
Igen, és a fent említett értékeket kell kapnod. Ami más - és nehézkessé teszi a döntést - hogy a kollektor-emitter közt mindig van egy kisebb-nagyobb "szivárgó" áram (bázisáram nélkül is).
(#) lapose válasza AMD hozzászólására (») Okt 29, 2008 /
 
Szia!
Hát egy műszerben nem tudod kicserélni szilíciumra a paraméterek drasztikus változása nélkül!
Sima digi multiméterrel nem kehet korrektül tranzisztorokat ellenőrizni!
Én így szoktam ellenőrizni őket:
Van egy olyan analóg műszerem ami 4,5V-al mér ellenállást. 1Kohmos méréshatárban kimérem vele a diódákat és a C-E-t értelem szerűen. Persze germánium félvezetőknél előfordul bizonyos értékű visszáram, de ez jellemző rájuk!
Ezután NPN tranzisztornál a pozitív mérőzsinórt a collektorra a negatívat az emmiterre rakom, megnyálazom az ujjam, és ráteszem a collektor-bázis kivezetésekre!
Ha így vezérelhető a tranzisztor 99%, hogy jó!
Arra oda kell figyelni, hogy van olyan műszer ami ellenállásméréskor fordított polaritással adja ki a feszültséget!
(#) AMD válasza Sebi hozzászólására (») Nov 2, 2008 /
 
Megpróbáltam kimérni az AF118-as tranyókat. A multit diódavizsgálóra álítottam majd a negatív mérózsinórt a bázisra a pozitívat meg az emiterre raktam, 0,046-ot jelzett de akkor is ha +mérőzsinórt raktam a bázisra a - at meg az emiterre. Mind a 8 AF118-on ugyan ezt mértem. Akkor most mind rossz vagy ilyen értéket kell kapnom? Visszoforrasztottam de még rosszabb lett(szerintem azért mert nem jelöltem meg hogy melyiket honnan szedtem ki így találomra raktam vissza).
Innen lehet rendelni?
(#) lapose válasza AMD hozzászólására (») Nov 2, 2008 /
 
Szia!

Hol van benne AF118? Én csak a tápban találtam 2db-ot.
Remélem hülyeséget írok, de ilyen érzékeny tranzisztorok BE átmenetét diódavizsgálattal mérni felér egy kivégzéssel!
Szerintem ne rendelj hozzá tranzisztort, hanem próbáld helyettesíteni! Ha olyan helyen van, ahol a tápfeszültség nem nagyobb 20V-nál, megpróbálhatod helyettesíteni AF200-al, ami elméletileg kapható.
A tápban lévőket, mivel nem kritikus helyen van, AC126 vagy akár szilícium félvezetőkkel is lehet helyettesíteni!
Következő: »»   1 / 5
Bejelentkezés

Belépés

Hirdetés
XDT.hu
Az oldalon sütiket használunk a helyes működéshez. Bővebb információt az adatvédelmi szabályzatban olvashatsz. Megértettem