Fórum témák
» Több friss téma |
Fórum » Fordulatszámmérő kétütemű motorra
Nem vasalok,de az miért tükröződik? A fotózásnál is a nyomtatott oldalat kell a fólia felé tenni,és a vasalásnál is ez a helyzet.
Csak akkor kellene tükrözni,ha a furatszerelt alkatrészeket is a felületszerelt technika szerint forrasztod be. Ugye nem ez a helyzet?
Neem normál technika. Nem kell tükrözni. Biztos értetlenül írtam, arra tértem ki hogy nem kell tükrözni mert magától megfordul úgy mint a világításos technikánál. Semi extra. Bocs gondolom félreérthetően írtam
Ha még megvan a "próbapaneled" akkor két dióda segitségével működőképessé teheted a mérőkét,nem fog összevissza mérni.
Maga az ic könnyen reteszelődik induktiv terhelés rákötésekor,márpedig a műszer éppen ilyennek számit. Egyszerű módon védekezhetsz ellene a két dióda bekötésével. A reteszelődés biztos jele,ha a kijelzett érték nem változik,még a jel elvétele után sem. Ebből az állapotból kiléptetni a tápfesz megszakitásával lehet.
Egy kicsit eltér az alaptémától,de itt is kérdés lehet:
Hogyan lehetne egy un. elváltásjelzőt készíteni,ami a beállított ford.szám elérésekor jelez egy led segítségével? (nekem kocsiba kéne)
A kérdésed nem igazán értem...
A váltás 3000-3500körül esedékes(néha 4000) Sajna a kocsiban nincs még ford.szám mérő...
Nem csodálom, ha nem érted!
Az elváltást, elalvásnak olvastam.
Köszi! Valószínűleg ez lessz a megoldás.
Erre honnan jöttél rá? szenvedhettem volna vele egy jó időt az biztos. Holnap lesz időm megcsinálni! Utána majd mondom hogy műkszik!
Ilyen reteszelődéses jelenséggel már találkoztam,csak későn ugrott be,hogy Te is az ismérveit irtad néhány hozzászólásodban.
Nem tudom, hogy milyen kocsiról van szó.
Általánosságban. A gyújtótrfóról kell impulzusokat nyerni. Azokat, uniformizálni kell. Állandó kitöltési tényezőjű és amplitúdójú négyszögjelek formájában. Azokkal, egy kondenzátort kell töltögetni és egy komparátorral, figyeltetni. A komparátor egy előre beállított szinten átbillen és „kigyújtja” a zöld ledet. Gondolom, így valahogy. Egyébként, aki nem hallja meg, hogy mikor kell váltani, hát … Mondjuk, van egy veseny. Menetközben állandóan a ledeket figyeled?
Daewoo Lanos...
A trafó jele meg van csapolva,onnan kapta a jelet egy utólagos ford.mérő. A gyújtásrendszer egyszerre 2 impulzust ad le. A kocsi nagyon "egyhangúan szól"... Néha járok ilyen-olyan rendezvényekre(pl vezetéstechnikai tréning) ahol egyszerűen nem lehet a motor rezgéseire figyelni. Viszont egy,a látómezőben elhelyezett led tudna támpontot adni a magas fordulatszámról. Meg egyébként érdekelnek az ilyen jellegű dolgok
Nem segítene többet egy 2 digites számlálós ford.mérő? Én még megszakítós Simsonra csináltam magamnak LED sorosat és digitálisat is, az utóbbi sokkal értelmesebb volt.
Robogónál amúgy a jelet a hall jeladóról kéne venni, ha még nem írták ezren (nem volt energiám 10 oldalt végignézni) Arról meg lehet hajtani egy számlálót, amit bekötsz egy tároló kijelzőmeghajtó/dekóderbe és megfelelő időközönként reseteled, és már kész is.
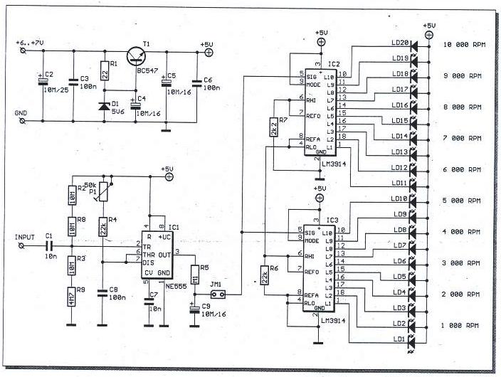
Szerintem a legeszgyerűbb lenne ha készítenél egy egyszerű kis 555 ös és lm3914 es Ic vel felépített Egyszerű fordulatszámmérőt, Úgy hangolnád be, hogy az a led amelyik neked szimpatikus Fordulathoz tartozik egy jóvel erősebb extrafényű led, ahol váltassz A többi meg csak egyszerű nagyon mattfényű. Vagy "BAR" módba állítod és akkor mikor kigyullad a nagyfényyerejű másszínű, váltassz!
Ez jó ötlet lenne,de egy apró dolog nehézségekbe ütközne:
Az állíthatóság problémája...(max lesz 3 panel és kapcsoló )De ez a kapcsolás hol lelhető fel? Az LM 3914-el lesz kivitelezve a lambda-monitor is...
Hello Gabesz! Nekem is ez a gondom! 16.000 es fordulatszámmérőt szeretnék építeni, de ledeset. Mindenhol csak 10.000 ig mérő rajzokat találok és senki sem tud segíteni. Ha gondolod működjünk együtt és lehet gyorsabban fog összejönni!
ÜDV!
Google amugy ideteszem .de sztem elég neki annyi hogy 1ic-t teszel be a kettő helyett fölösleges 20 led.
Műkszik!!
majd 1 hét agyalás után ![]() Egyébként CDI gyujtás kimenetére akarom kötni, ugye oda jó essz ha lekorlátozom a feszt?
Ezekszerint a diódás dolog bevált. Rákötheted a kimenetére,de mindenféleképp korlátozni kell ,ellenállás+zener.
Az 1k lehet,hogy kevés,inkább nagyobb értéket rakj be,és azt is legalább két darabból összeállitva,mert könnyen átütnek a kisméretű ellenállások,és annyi a mérőkének.
Sziasztok!
Haverral mi is megépítettük a szocimotoros kapcsolást. Csak egy IC-vel és 10 db LED-del csináltuk. Mikor kész lett adtnuk neki tápot és egy LEd sem világított, mint ahogy vártuk. Azután az újjammal érintgettem a jelbemenetet és a LED-ek szépen sorban gyulladtak ki attól függően hogy milyen hosszan nyomtam az ujjammal. Örültünk is hogy működik. De most jönnek a problémák. Bevittük laborba bekalibrálni. Adtunk rá AUDIO generátorból 50Hz es jelet. Az összes LED világított sajna pedig csak 3000 ig kellett volna kigyulladni. Aztán levettük 20Hz-re próbaképp még mindig világított mind. Aztán hagytuk az egészet és eljöttünk. Az lenne a kérdésem (aminre nem rég jöttem rá) hogy az amplitúdó maximunra volt tekerve (mert egy csoport mért a laborba előttünk), hogy lehet-e ez a gond? A másik kérdés hogy az AUDIO generátor megfelel-e a kalibráláshoz? Mert én sima szinusz jelgenerátorral akartam először kalibrálni de az nem volt a laborba. Előre is kösz a válaszokat. Üdv: Dempsey.
Ötlet éppen lenne... Csak nem tudom melyik kapcsolásról van szó. Amúgy leghelyesebb négyszöggenerátor,vagy impulzusgenerátor segitségével hajtani,ha a megszakitóról jövő jelet utánzod.
Szia itt a link. Ha van ötleted segíts köszi.
Sziasztok!
Kész lett a fordulatszámmérő haver felszerelte a motorra és működik. Igaz hogy még nincs bekalibrálva de nem ez a lényeg most. Azt szeretném kérdezni hogy hány menetet tekerjen a 0.02mm-es rézdrótból a pipa vezetékére?
Üdv!
Ennél a kapcsolásnál az amplitudótól is függ a kijelzett érték, nem csak a frekvenciától. Mint ahogy Mex mondta, négyszöggenetároral lenne érdemes kalibrálni, egy egyszerűbbet akár össze is rakhatsz, astabil NE555 felhasználásával. Az utóbbi kérdésedre: a jelet nem pipára tekert tekerccsel kell levenni, hanem a trafó primer, kisfeszes részére kell rákötni a fordulatszámmérő bemenetét (ami jön a gyújtókalapács felől). Üdv, Arpy
Szia!
Kösz az infót! Csináltam az 555 ös IC-vel 50Hz-et de teljesen ki van akadva a fordulatszámmérő ami 5000 ig mér!Amikor 1Hz es a bemenő jel akkor megy fel 3000 ig!Nem értem mi van vele! hiába tekergetem a potmétert semmit sem csinál max a felfutási sebesség változik! Mi lehet a gond? Üdv: Dempsey!
Biztosan 50Hz a generátorfrekvenciád? Mivel mérted?
Ha nem vagy benne biztos,akkor 50Hz-t legegyszerűbben egy trafó szekunderéről tudsz levenni. Valamelyik kivezetésével köss sorba egy diódát,katód menjen a fordulatmérő felé. Szerintem már 6V-os szekunderfesz is megfelel.
Hát nem mértem csak itt az oldalon lévő progival számoltam ki hogy két db 10K-s ellenállás és egy 1µF os kondi kell az 48Hz-et ad az 555-ös IC kimenetén! De próbáltam csengő trafóval is de annál is kiakadt teljesen! Igaz a diódát nem tettem rá úgy próbáltam! Akkor majd kipróbálom diódával is ahogy irtad jövőhéten!Hátha csinál vmit!
|
Bejelentkezés
Hirdetés |




Erre honnan jöttél rá? szenvedhettem volna vele egy jó időt az biztos. Holnap lesz időm megcsinálni! Utána majd mondom hogy műkszik!
)






