Fórum témák
» Több friss téma |
Fórum » Orosz éjjeli lámpa javítása
Témaindító: Marty McFly, idő: Nov 9, 2008
Témakörök:
Amikor a villásdugót mérted, be volt kapcsolva a lámpa?
Tegyél rá izzót, max. világítani fog!
Asszem akkor még rajta volt a 12V os izzó! Most kivettem a fehér kondit, és 160kOhm az ellenállás és stabil!
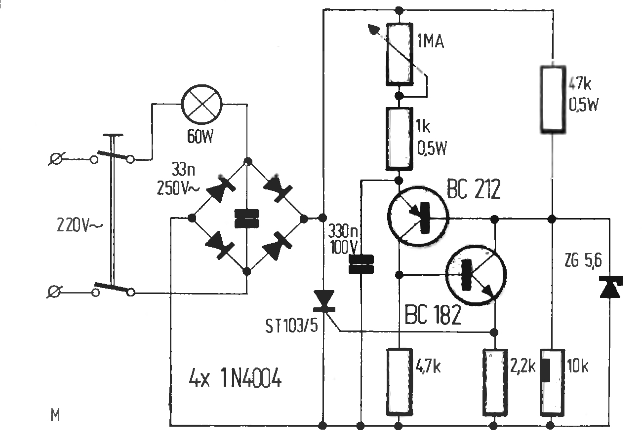
Egy dolgot nem értek! Elméletem szerint a graetz híd a bemeneten van! De akkor miután kimértem miért tűnik úgy a gtaetz rajza alapján hogy a kimeneten van a graetz? Talán azért mert úgy is van? Kb fél éve ment tönkre, és nem tudom hogy volt bekötve :no: Ilyen fényerőszabályzós kapcsolásokat még nem bütykölgettem eddig! Valaki elmagyarázná a működési elvét?
A tirisztor miatt egyenáramú körben van. Azt gondolom, hogy az izzó felöli oldalt veszed kimenetnek.
Igen az izzó felöli oldalt veszem kimenetnek! De akkor tulajdonképp hova kössem az izzót?
Ha nem csal az emlékezetem az izzó sorba van kötve az elektronikával. Az izzó egyik oldala 230V. A másik fele az elektronika. Az elektronika szabad kimenete meg 230V-ra. Ha jól emlékszem...
Egyébként ha ez segít valamit! Ez a lámpa állásába ment tönkre, tehát valószínű olyan alkatrész ment tönkre benne ami akkor is áram alatt van, ha ki van kapcsolva! De mi lehet az?
Még mindig nem írtad, hogy a fehér kondikat, különösen amelyik a poti mellet van ellenőrizted- e!!
Ellenőriztem, de a kapacitásmérő kisebb kapacitást mér mint a valós! Sokkal kisebbet!
Akkor kuka!
Azért gondold át az áramkör működését mielőtt össze-vissza próbálkozol! Ha megnézed a kapcsolást, amit küldtem, rájöhetsz hogy ha az izzó után van bármi zárlat, nem lehet gond, maximum világít az izzó! Az izzó előtt van a kapcsoló, egy zavarszűrő kondi meg a foglalat vezetékkel! Csak ezekben lehet a hiba! Szedd ki a zavarszűrőkondit, hagyd ki a kapcsolót, ellenőrizd a vezetéket a foglalathoz és a foglalat bekötését! Más gond nem lehet!
Felvettem a kapcsi rajz egy részét! Rajta van a 4 pont ahova vezetéket lehet kötni a panelen! Megjelöltem filcel de anyi eszem nem volt hogy ráírjam a bekötést!
Csatoltam a rajzot! Ha valaki meg tudja mondani a bekötést annak nagyon hálás lennék!UI: Hogy hogyan működik a kapcsoló a potin, arra még nem sikerült rájönni!
Jah most látom hogy 2 csomópontot kihagyatam a rajzból! Elnézést kérek!
Na visszarajzoltam a lámpádat!
Remélem nem néztem el semmit! Alapban a hibalehetőség nem változott semmit: a két fehér kondit kiveheted a próba idejére! Ezután csak a kapcsoló, a diódahíd, vagy a foglalat okozhat zárlatot! Ez már senkinek sem okozhat gondot!
Köszi a segítséget! Így már simán be tudtam kötni! Viszont van egy kis gixer! Először levettem a két kondit úgy próbáltam! Kismegszakító lekapcsolt! Vissza fel! Kikötöttem a kapcsolóból az egyik vezetéket, mivel úgy volt megoldva hogy egyik oldal csak rövidre zárva a másik meg kapcsolva ha jól láttam! Kikötöttem a közösített részt! Újra próba! Ekkor már nem ment el az áram, de a 2 tekercs az szó szerint felrobbant! Tulajdonképp fontos hogy benne legyen az áramkörbe ez a 2 tekercs? És mi okozhatta hogy szó szerint felrobbantak? A foglalat jó! Az izzó pedig 25W amit ennek az áramkörnek tuti birnia kéne!
Szia!
Ha megnézed a rajzot, ha jól kötötted be, csak az okozhat ilyesmit, ami az izzó előtt van(feltételezem jó izzót raktál bele! Az a két tekercs a két kondival egy zavarszűrőt képez, a végén érdemes lesz bele rakni valamit! DE most szerintem dobd ki belőle a diódahidat, tegyél bele újat, vagy akár 4 db 1N4007-ból is felépítheted! A kapcsolót is hagyd ki!
A diódahíd az jó! Tegnap mértem ki! A lámpa is jó! Egy konnektort raktam a kimenetre, és a ámpát előtte direkt kipróbáltam! Most akkor vegyem ki a tekercseket is és kössem direktbe az egészet? Miért fontos ez a szűrő?
Egyébként még a nyákon a fólia is szétszállt! Csatolok egy képet! A 2 piros vezetéken kapja a tápot, a másik kettő pedig megy az izzóhoz! Vagy azt akarod mondani hogy a diódahíd most ment tönkre? Végülis van 1n4007-em!
Az a diódahídhoz megy a bemenettől!
Vedd ki a diódahidat, es ha úgy nem csapja le az automatát, nem ég el, tegyél bele 4db 1N4007-et!
hogy én erre nem jöttem rá! Telljesen logikus! A diódahíd kivételével leválasztom az elektronika azon részét, amit bizonyosan jónak sejtünk, így ha a potin a kapcsoló a hibás, már ki is van szűrve! Bár szerintem már most 99,99% Mert szétszedtem a potit, és agyonra be van feketedve a belseje! Ilyen potmétert lehet szerezni még valahol? 10k ig szabályoz azt kimértem!
Ha a szabályzó része jó, egyenlőre a kapcsoló részét hagyd ki! Utólag akár egy billenőkapcsolóval is helyettesítheted!
A kapcsoló a diódahíd zárlata miatt is szétéghetett!
Milyen izzó volt rákapcsolva a kimenetre a tesztelés alatt? :miaz:
Hagyományos? Vagy kompaktfénycső!? :felkialtas: Azért a kisérletek alatt egy 100-200W-os izzót jó lett volna sorosan kapcsolni az egész áramkörrel. (Lehetőleg a fázisoldalon. ) De ez még most sem késő... :felkialtas:
Szia!
Sajnos odáig még el sem jutottunk! :no:
Egy hagyományos 25W-os izzó volt rákapcsolva!
Szia!
Haladtál már valamit vele?
Még nem mert ma még nem volt rá időm, de nemsoká neki látok!
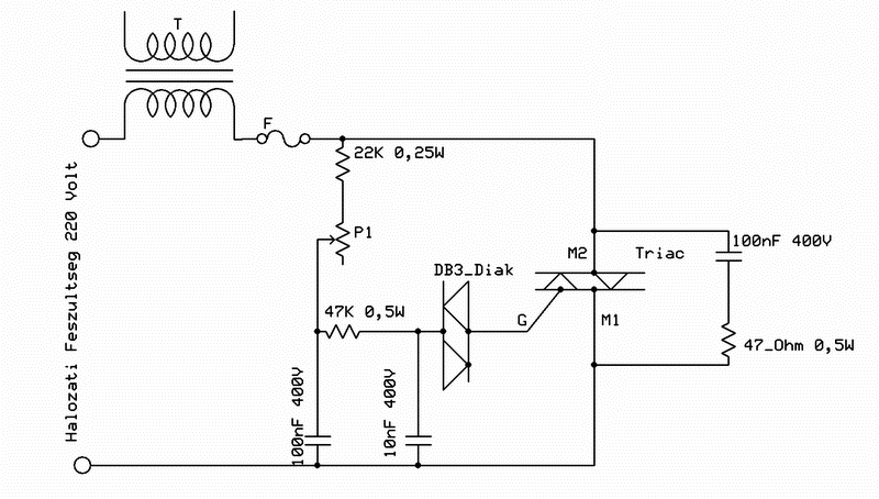
Ennek a kapcsolásnak kampó! Valaki tudna adni egy rajzot amivel korszerű ma is kapható ismertebb cuccokból felépíthető lenne egy ilyen kapcsolás?
Szia!
Hát nem vagy semmi! Na próbálj választani ezek közül!
Az első az teccik! Mintha egyszerűbb volna egy kicsit mint az orosz kapcsolás
C-nek gondolom 250V osnak kell lennie. P1 hány wattos ellenállás legyen? |
Bejelentkezés
Hirdetés |





Csatoltam a rajzot! Ha valaki meg tudja mondani a bekötést annak nagyon hálás lennék!









