Fórum témák
» Több friss téma |
Fórum » Propeller Clock
Oké, köszi. Hétvégén helyrepofozom a motort, szépen felújítom, majd gondolkodok még mire használjam.
Szia Krisz!
Találtam a neten egy Propeller_Clock-ot, de nem tudtam eldönteni, hogy hová van bekötve az a kicsi elem (5.5V), a propelleren. Nekem kellene ilyen "saját fesz", mert elég gyakran kikapcsolom az órát, áramtalanitok, de elfeletem hogy az is megy. Légyszi, nézd át Te is, hátha ki lehet találni hová kötötötte be... Szia.
Szia
Az nem elem, hanem egy 1F-os (?) kondi. Szerintem a pic tápfeszére megy mint az overkill óra tápjánál.
Szia Vicsys!
Hmmm. Pont úgy néz ki, mint a videókban beforrasztott elemek. Szia.
Hali!
Arra a lapos dologra gondolsz a PIC 1-es lábánál? Szerintem azt közvetlen a PIC táplábaira kötötte. Persze nem tudom, hogy ezt a +0.5V-ot elviseli-e? Meg így kikapcsolás után a stabIC kimenetén ottmarad a fesz, amit azok nem szoktak kedvelni. Igaz egy dióda megoldja a problémát. Ez egyébként valami back-up akku lehet, valakinek a cikkében láttam ilyet ugyancsak PIC-hez használva. Szerk: Lehet, hogy mégis inkább kondi, mint ahogy Vicsys mondja... Nagyon ügyes megoldás, ahogy összeépítette a készítő a bázisáramkört a propellerrel. Jól látom, hogy az állótekercs körül az infra LED-nek van kialakítva az a sok furat? Akárhogy szereli fel az órát, csak azzal kell foglalkoznia, hogy 4-óra környékére kell tenni az infrát, és akkor nem kell már sokat forgatni a távirányítóval a kijelzést. Meg tudnád adni az oldal címét, ahol ezt a képet találtad?
Szia Vicsys!
Megnéztem közelröl, hogyan is néz ki ez a bizonyos alkatrész. Igazad van, ez bizony nem elem, sajna! Az adatai: GC5.5V 0.10F Köszi!
Szia Krisz!
Természetesen, itt az elérési útvonal: http://free-os.t-com.hr/dominovic/prop_clock.htm#PROGRAM(I)
Szia Krisz!
Te, ez leszedte a ventimotorról az összes müanyagot, és új csévét készitett a forgórészre. Nagyon "egyedi" ez is. Szia.
Éppen ez tűnt fel nekem is. Talán egyszerűbb lett volna, ha alá és fölé ragaszt 1-1 "karikát", ami a csévetest széleiként szolgálna, nem tudna leszaladni róla a huzal.
De az is lehet, hogy nem talált megfelelő csévét a primer tekercs számára, ami illett volna a forgórészhez. Én is a konyhától a fürdőszobáig, a műhelytől a padlásig kerestem a megfelelő csévetestet...
Hi mindenki!
Tudna valaki segíteni, hogy hol bírom megtalálni szükséges nyákterveket???
Az elektrocsib oldalon található propeller- beültetés hibás!
Igen, tényleg. Azt hiszem, hogy fordítva áll a zener, meg talán valami átkötés (?), de hát ezért kell átnézni/olvasni a topikot, mert nem csak rajzokat lehet találni, hanem sok hasznos infót, ami az építés során nagyon jól jöhet.
kawa!
A jó Isten áldjon már meg téged! ad1.: Használd a válasz gombot! ad2.: Ovass vissza! ad3: Használd a keresőt a lap tetején! Légyszi, légyszi.
Igen, a zener fordítva van berajzolva. Átkötés hibára nem emlékszem. Amikor tony994-nek segítettem, akkor derült ki a beültetési hiba!
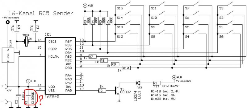
100 nF kerámia.
Kérdőjelből legközelebb pedig elég lesz max. 2 db.
Hali!
Nem akarlak oltogatni Téged, de így nagyon nehezen fog elkészülni az az óra. Szerintem előbb olvasd el a fórumot, előtte akár még Kaninjo fórumát is, mert az az itteniek előzménye, és ha még ezek után is van kérdésed, akkor azt szedd össze, és egyszerre tedd fel. A trimmer kondi értéke egyébként leolvasható Vicsys kapcsolási rajzáról. A PIC-től jobbra fel található egy kis magyarázat, miszerint a trimmer kondinak 6..30pF értékűnek kell lennie (ezen értékek között változtathatónak).
Sziasztok!
Műkszik az órám! Meggyűlt a bajom az univerzális távirányítóval(Somogyi URC-1), de egy PIC-égető és egy infravevő segítségével kiolvastam az egyes gombokhoz tartozó kódokat és azzal módosítottam a keys.asm-et, így már működött a dolog...szóval most nagy az öröm. Köszönet Vicsys-nek és Krisznek a jó tanácsokért! üdv.: edison555
Hali!
Örülök, hogy működik az óra! Képeket kérünk! :yes:
Szia Krisz!
Nem akarnál átjönni a Wand Clock topikra? Csak szétnézni, megnézni, most készült el egy Propeller Clock-ból, (ventis), az első stabilan működő órám. Távírányitós lett, (maradt), teljesen véletlenül. Szia.
Jó napot
Légyszi el tudnád küldeni a nyákrajzokat .LAY formátumban??, Nagyon szépen kössz
Hello!
Akinek már sikerült megcsinálnia az órát az elélhetővé tenné a rajzokat, a pontos méreteket és adatokat? Mert láttam már többféle javítást (programban nyáktervben) és jó lenne ha egyben amatőröknek is "szájbarágósan" , pontos adatokkal, érthetően le lenne írva (sok képpel). Előre is köszönöm!!
helló!
Énis neki láttam a propeller clock elkészítésehez de véletlen elnéztem a tekercsek menet számát így az álló tekercs is 150 menet 0,5 zománcolt rezet kapott Fog ez nekem a későbbiekben gondot jelenteni?
Akkor a szekunderre tekerj 200-210 menetet.
kössz!!
szerinted rá is fér? akk inkább letekerek 50et
Miért ne férre rá?? Elsősorban a primer átmérővel van a gond, hogy megfelelő szekunder cséve kerüljön köréje. Aztán erre kívülre bármennyi elfér...
Bocsánat, közben rájöttem, hogy hülyeséget beszélek, mert benéztem amit írtál... :bummafejbe: |
Bejelentkezés
Hirdetés |






