Fórum témák

» Több friss téma
Fórum » Philips PM 3214 oszcilloszkóp
 
Témaindító: lczandris, idő: Aug 23, 2006
Témakörök:
Lapozás: OK   3 / 5
(#) lapose válasza AMD hozzászólására (») Dec 12, 2008 /
 
Szia!

Szívesen!
(#) Sebi válasza AMD hozzászólására (») Dec 12, 2008 /
 
Gratulálok! Szép munka volt!
(#) AMD válasza Sebi hozzászólására (») Dec 13, 2008 /
 
Még nem százas. Az előlapra ki van vezetve a nagyfesztrafó négyszögjele. Rámértem és szépen kirajzolta a négyszögjelet de 5v-nak kéne a kimeneten lennie. Tegnap 1 v/cm álásban egy raszterig tért ki ma meg már csak 0,1-ig. Valami még mindíg nem oké.
(#) AMD válasza AMD hozzászólására (») Dec 13, 2008 /
 
A feszültségosztót (ha jól tudom így hívják) kiszedtem és kontaktsprével kitakarítottam de semmit nem változott. Tönkrement volna a tranyó a 95v-tól?
(#) lapose válasza AMD hozzászólására (») Dec 13, 2008 /
 
Szia!

Ha az ujjaddal a fet gate-jére brummot raksz látszik a képernyőn?
A vízszintes csík elmászik?
Milyenek a feszültségek a FET-eken?
A zéneren mekkora a feszültség?

Bocsi a sok kérdésért!
(#) lapose válasza AMD hozzászólására (») Dec 13, 2008 /
 
Szia!

Még valami!
Van-e valami védelem a fet bemenetén túlvezérlés ellen?
Nem lehet, hogy valami nagyobb feszültséget próbáltál vele mérni?
(#) AMD válasza lapose hozzászólására (») Dec 13, 2008 /
 
Négyszögjelet adtam a gate-ra akkor torz jelalak látszik. A csík elmászkál és a Y shift potméter is olyan mintha kontakthibás lenne de már kétszer szétszedtem, kitakarítottam. Holnap megmérem a feszültségeket. Milyen védelemre gondolsz?
Idézet:
„Nem lehet, hogy valami nagyobb feszültséget próbáltál vele mérni?”


A lábkiosztás alul vagy felülnézből van? Beleraktam a két BF245-öt de azzal nem csinált semmit, lehet hogy elnéztem a lábkiosztását. Most a BFW10 van benne.
(#) lapose válasza AMD hozzászólására (») Dec 13, 2008 /
 
Szia!

Idézet:
„Milyen védelemre gondolsz?”

Például egy antiparalel diódapár.
Szerintem alulról van a lábkiosztás!
(#) AMD válasza lapose hozzászólására (») Dec 13, 2008 /
 
Nem hiszem hogy lenne. Talán a két dióda?
(#) lapose válasza AMD hozzászólására (») Dec 13, 2008 /
 
Valami hasonlóra gondoltam!
A te kapcsolásodban mi a két dióda típusa?
(#) AMD válasza lapose hozzászólására (») Dec 13, 2008 /
 
Nem tudom. Szerintem nincs is ráírva. Kép van róla.

dióda.JPG
    
(#) lapose válasza AMD hozzászólására (») Dec 13, 2008 /
 
Sajnos így semmit sem mond! Ha úgy van bekötve mint a rajzodon, a negatív félperiódusban nincs védelem a bemeneten!
(#) AMD válasza lapose hozzászólására (») Dec 14, 2008 /
 
Szia!
A zéneren 9V van. A D-n 9V, az S-en 1,76V van. Mindkét feten ugyan akkora a fesz.
(#) lapose válasza AMD hozzászólására (») Dec 14, 2008 /
 
Szia! Az a zener, amit BZY63-nak írtál az nem BZY6.3? Mindenesetre én ellenőrizném!
Bár a feszültségértékek jónak tünnek! Az, hogy szimmetrikus, szintén jó! A vízszintes vonal középen van, és mozgatható?
róbáld elkezdeni végigmérni az Y erősítőt a fetektől, nézve a szembenlévő tranzisztorok szimmetriáját!
(#) AMD válasza lapose hozzászólására (») Dec 14, 2008 /
 
Be lehet állítani középre de elmászik. A potméter olyan mitha KH lenne de 100% hogy nem az a rossz.
(#) lapose válasza AMD hozzászólására (») Dec 14, 2008 /
 
Lehet, hogy valamelyik tranzisztor paraméterei változnak drasztikusan! Fokozatonként mérni kellene, hogy honnan változik a feszültség!
Ha a két fet kimenetén egyenlő a feszültség és nem változik, akkor szerintem jók!
(#) AMD válasza lapose hozzászólására (») Dec 15, 2008 /
 
Szia!
A zénerre BZY 63 van írva. Ha tekergetem az Y-shift et akkor a fetek kimenetén egyformán változik a feszültség. Megmértem a tranzisztorokon a feszütségeket:
TS1: C: -1,2V; B: +1,71V; E: +2V
TS2: C: -0,73V; B: +1,73V, E: +2,02V
TS3: C: -0,83V; B: -1,2V; E: -0,93V
TS4: C: -7,05V; B: -0,73V; E: -0,93V
A TS1 és TS2 collektorán -4v nak kéne lenni a rajz szerint.
(#) lapose válasza AMD hozzászólására (») Dec 15, 2008 /
 
Szia!

Pillanat, keresem a rajzot!
(#) lapose válasza AMD hozzászólására (») Dec 15, 2008 /
 
Ha abból indulun ki, hogy a tranzisztorok jók, úgy néz ki mintha teljesen ki lennének nyitva!
Ellenőrizni kellene a C46-on és a C42-őn a feszültséget!
Szintén ellenőrizném az R51-52-őt!
Első körben úzy nézem a TS1-TS3 van leülve, esetleg megér egy próbát, ha kivitelezhető, hogy a TS1-TS3-at felcserélni a TS2-TS4-el!
(#) AMD válasza lapose hozzászólására (») Dec 15, 2008 /
 
Felcseréltem a tranzisztorokat és semmi változás. C46 nincs a panelon. C42 és C51 van. A C51 re 2,5 van írva (gondolom uF) azt kicseréltem 3,3µF-osra. A rajzon meg 25µF van, az alkatrészlistában meg nincs is ilyen.
(#) lapose válasza AMD hozzászólására (») Dec 15, 2008 /
 
Ha ugyanúgy a TS3 kollektorán -0,83V, TS4 kollektorán -7,05V van, akkor szerintem a tranzisztor hibát kizárhatjuk! Ez a két fokozat a C42-ről kapja a feszültséget! Itt lehet valamelyik ellenállás szakadt a TS3 oldalán(R51, 52 illetve az Y shift ellenállásai!).
Illetve a TS6 is elhúzhatja az áramkört!
A C42 szerintem -16V körül kell lenni!

Esetleg forraszd ki a TS6-7-et, és úgy mérj feszültséget!
(#) AMD válasza lapose hozzászólására (») Dec 15, 2008 /
 
A TS3 kollektorán -5,83V, a TS4 kollektorán -6,45V van. Az R51, R52, R56, R57-et megnéztem és eggyik se szakadt. Megmértem a C42-n a feszültséget és az Y-shift két végálása közt végigtekerve
-1,5v - -14v van. Kivettem a TS6-7-et és a TS1-2 kollektorán ugyan akkora feszültség van. Holnap mégegyszer megmérem hátha valamit élnéztem.
(#) AMD válasza AMD hozzászólására (») Dec 16, 2008 /
 
Kiszedtem a C42 elkot (persze fordított polaritással volt beforrasztva) kicseréltem de azon is ugyan akkora feszültséget mérek. Az R33-at megmértem az jó.
(#) lapose válasza AMD hozzászólására (») Dec 16, 2008 /
 
Szia!

Idézet:
„A TS3 kollektorán -5,83V, a TS4 kollektorán -6,45V van.”

Megjavult? Ezek a feszek nagyjából jók!
Ebben a hozzászólásodban más feszültségeket írtál:
Bővebben: Link

R33 mekkora? C42-tőn nem nagyon kellene változnia a feszültségnek!
Ha nagyjából egyforma a TS3 és TS4 collektorán a feszültség, a csík a képernyőn van? A további tranzisztorokon mértél feszültséget?
(#) AMD válasza lapose hozzászólására (») Dec 16, 2008 /
 
:no: Megcseréltem a TS1-3-at a TS2-4-el. Azután megmértem a TS3-4 kollektorán a feszültséget akkor ennyit kaptam. Az R33 a rajz szerint 82 ohm-os én 80-at mértem. Igen, akkor a képernyőn van. A többin még nem mértem feszültséget.
Akkor ezt most nem értem. A TS3-at a TS4-el cseréltem meg és most meg egyforma rajta a feszültség.
(#) lapose válasza AMD hozzászólására (») Dec 16, 2008 /
 
Szia!

A C42 egy kis tápszűrő kondi. csak egy két közepes értékű ellenállás van rákötve, ettől nem szabadna rajta változni a feszültségnek!
De ide van kötve az Y shift potija is, ráadásul változik rajta a feszültség mikor tekergeted! Én ott jobban körülnéznék egy kicsit!
Persze ha a rajz egyezik a szkóppal!

Illetve oda csatlakozik az SK5 is, az is lehet hibás!
(#) AMD válasza lapose hozzászólására (») Jan 7, 2009 /
 
Meg van a hiba oka. Az Y shift egyik kivezetése hozzáért a fém házához így letestelte. Kivettem, megjavítottam így most már nem változik a fesz a C42-n. -14V van rajta. Kezd már alakulni de még mindíg nem tökéletes. 10V egyenáramot rákötök és csak 3V-ot mérek vele. A nagyfesztrafó 5V-os kimenetén multival és a szkóppal is 1V-ot mérek. Érdekes.
(#) lapose válasza AMD hozzászólására (») Jan 12, 2009 /
 
Szia!

Idézet:
„A nagyfesztrafó 5V-os kimenetén multival és a szkóppal is 1V-ot mérek.”


Az hol van?
(#) AMD válasza lapose hozzászólására (») Jan 12, 2009 /
 
Szia!
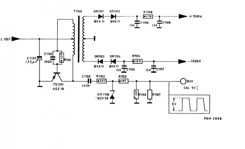
Az előlapra van kivezetve a nagyfesztrafó négyszögjele. Kalibráló jel ha minden igaz. Viszont van ennél nagyobb hibája is. Bekapcsolom, megjelenik a csík majd elindul lefele és eltűnik. Tekerem a potit, megtalálom a csíkot de meg se áll hanem elmászik, elugrál, megint eltűnik. Egyszer nagy nehezen megállt akkor sikerült vele mérni. Akkor 1V/cm állásban a kalibráló jel fél periódusa 1 raszterig tért ki. A kimeneten most akkor egyen vagy váltófesz van? Mert én AC állásban mérek rajta. Visszatérve az elmászásra ha kiveszem az Y shift potit akkor is elmászik majd eltűnik. Ha kiveszem a TS1-2-t akkor is de ha a TS3-4 bázisát kiforrasztom akkor meg se mozdul a csík.

nagyfesz.JPG
    
(#) Norberto válasza AMD hozzászólására (») Jan 12, 2009 /
 
Szerintem az a négyszögjel az semmiféle nagyfesztrafóról nincs kivezetve (pláne nem arról, amire itt gondolni lehet). Csúnya is lenne, ha véletlen beterhelné valami, és emiatt eltűnne a kép a képcsőről.

Szerintem a kalibrálójelet minden esetben egy, a szkóp belsejétől teljesen függetlenül működő, oszcillátor nevezetű áramkör állítja elő. Annyi a közös az egészben, hogy az oszcillátor a működéséhez (rezgéséhez) szükséges tápfeszültséget a hálózati transzformátorból nyeri, illetve közös dobozba van szerelve az oszcilloszkóppal. Más közös nincs a kalibrálójelet előállító áramkörben, illetve az oszcilloszkóp lelkét adó áramkörökben.
Következő: »»   3 / 5
Bejelentkezés

Belépés

Hirdetés
XDT.hu
Az oldalon sütiket használunk a helyes működéshez. Bővebb információt az adatvédelmi szabályzatban olvashatsz. Megértettem