Fórum témák
» Több friss téma |
Fórum » Sokszorozó építés, paraméterek, stb
Témaindító: Thomas10100, idő: Máj 29, 2008
Témakörök:
Sziasztok!
Sokszorozó építésben kérnék segítséget. Hogyan kell méreteznem a kondenzátorokat és a diódákat, ha 1500V a bemenet és 12kV-ot szeretnék kapni a kimeneten. Melyik alkatrészen mekkora fesz esik. És milyen típusú alkatrészek kellenek. Diódának UF4007-et ajánlották, kondikról nem tudok semmit, sima kerámia vagy pedig Y kondenzátor legyen(az a kék)? És hány lépés kell ehhez a feszültség szinthez.(Rajz esetleg). Köszönöm szépen a segítséget! Oszcilloszkóphoz kell!
Ha 12kV-ot akarsz a kimeneten és 1500V a bemenet, akkor egyszerű osztással kijön, hogy egy 8x-ozó kell!
A kondenzátoroknak olyan feszültségűnek kell lennie, mint a bemeneten lévő feszültség csúcsértéke (merthogy sokszorozni ezen az elven csak váltakozó feszültséget lehet). A kondi értékét nem tudom pontosan mi alapján lehet kiválasztani, de én is építettem egy sokszorozót oszcilloszkópcsőhöz, ott 100nF-os kondi volt. A diódának sebessége csak nagyfrekis tápban szükséges (UF4007), de ha sima hálózati trafóról üzemelteted, akkor jó a sima 1N4007 is. De mivel ez csak 1000V-ot bír, köss sorba kettőt! Mivel így már számottevő feszültségesés jön létre a diódák és a kapacitások miatt, lehet hogy 9x-ni kell majd a bemenetet... A sokszorozóra pedig itt találsz példát. Ezt neked még 4 taggal kell megtoldani ugyanebben a kialakításban!
itt egy rajz remélem segít
Szia!
Tv sorkimenő trafója miért nem jó? Szerintem egyszerűbben megoldható vele a feladat, az alkatrészigénye is kisebb, és nem hiszem hogy sokkal nagyobb helyet foglalna; viszont a nagyfesz szigetelése már gyárilag megoldott, azzal sem kell vacakolni, és még biztonságos is lesz. Esetleg nézz be ebbe a topikba, itt jól kitárgyalták anno a sorkimenős témát. szerk.: A belinkelt topik legelső képén található rajz tuti működik, ugyanis kipróbáltam.
Mert már ott van egy impulzus trafó ami az 1500V-ot előállítja, minek legyen mégegy,a freki is más, és az eredeti megoldást akarom utánépiteni.
Ez a kondi jó lesz?Bővebben: Link Diódából gyors lesz, mert nem 50Hz van a bemeneten. Köszönöm az eddigi hozzászólásokat!
Idézet: „Mert már ott van egy impulzus trafó ami az 1500V-ot előállítja, minek legyen mégegy,a freki is más, és az eredeti megoldást akarom utánépiteni.” Jaaaa értem, akkor nem szóltam! (A kondiról meg majd a nálam okosabbak nyilatkoznak... )
Ilyet kapcsitápokban szoktam látni nagyfrekis zavarszűrésre. Mekkora a kimeneti frekvencia? Illetve mekkora lesz a kimenet terhelése?
Semmit sem tudok. Elég ritka egy oszcilloszkóp. Nincs rajzom sem hozzá, csőről sincs adatom, terhelésileg.
A cső típusát sem tudod megnézni? Másik oszcilloszkópod nincs a frekvenia megmérésére? Ezekből ki lehetne számítani a szükséges kondikat!
Én a helyedben szétaprítanám finoman a rossz sokszorozót, talán valami látszik - hány nF-os kondik vannak benne, hány fokozat, egyáltalán mi halt meg. Első lépésben hátha meg lehetne menteni pl. egy 4-5x részt, aztán ki lehetne próbálni max fényerővel , van-e sugár.
Türelemmel sok mindent fel lehet deríteni, komolyabb beöntött áramköröket is.... Heccből meg csak csinálnék egy kétszerezőt addig is, valahonnan összeszedett-rakott 3kV-nyi kondikkal, 2x UF4007-tel vagy jobbal... kíváncsiságból.
Rendben, meglesz. Jövő héten lesz rendelésem. Szétszedem a sokszorozót, megnézem a kondikat. Talán meglehet látni.
Köszi!
Hello!
Mintha egy héttel ezelőtt is ezt javasoltam neked. Idézet: „Ha úgy is mindegy neki, esetlsg vágd szét, és nézd meg belül, Ha óvatosvagy felfedezhetők benne a diódák és a kapacitások. Mindenki biztos nem rossz benne. ” Kicsit ehezen állsz kötélnek. üdv! proli007
Helló
Most rá is értem. 6db kondit találtam, kimérve 1nF-osak a kínai multim szerint. De nagyon kemény volt a kiöntő anyag, és törött minden felé, csak amerre nem kellett volna arra nem.
Megcsináltam a NYÁK tervet, azt kérdezném hogy szemre jók-e a távolságok átütés szempontjából?
Köszönöm!
Én inkább cikk-cakkban csinálnám ( háromszög...), ahogy kapcsrajzokban is van és minden alkatrész alatt kifúrnám a panelt pl. 6-os fúróval.
Hello!
Én meg csak a levegőben simán, úgy is csak egy próba lesz. Meg akkor nem is üt át a nyák. A diódák soros kapcsolása nem túl szerencsés. A zárófeszültség nem fog megoszlani rajtuk. Ellenállásos vagy kondis feszültségosztás meg necces. Egyébként a koniknak, (az elsőt kivéve) a kétszeres csúcsot kell elviselni. üdv! proli007
Kondim még van 15kV-os is, de az csak 1pF.
Akkor hogy oldajam meg a diódát? Köszi!
Helló!
Én építettem már pár sokszorozót főleg nagyobb feszre! A nagyobb fesz alatt 100-200 kV-ot kell érteni. A sokszorozóknál érdemes nagyobb frekit alkalmazni, én személy szerint 1-30 kHz-re esküszön, de alacsonyabban is menni fog, csak akkor érdemes nagyobb kondikat használni, mert különben a terhelhetőség elég korlátolt lesz. Én meg szoktam elégedni 2-4 nF kapacitással ekkora frekin, bár én közel 400 W-ot sokszoroztam 30 kV-ról fel. Röntgencsőnek kellett a teljesítmény ![]() A diódálnak általában sorbakapcsolt BA159-et szoktam használni vagy ameddig még lehetett kapni 23 kV-os gyors diódát / a típusát már nem tudom.../. A fesz eloszlásával sosem volt probléma, bőven ki szokták bírni a rákapcsolt feszültséget, még ha 100 db volt is sorbakötve. A kondikat pedig 2x-es feszre kell méretezni. Üdv, Ákos
A szétszedett sokszorozóban 1nF-os Y kondik voltak, de nem tudom hány kV. Akkor 4000V nem lesz elég ide, 2db 4000V-os 2.2nF-os sorbakapcsolva? Vagy honnét szerezzek erősebbet?
A dióda fényképét csatolom, hátha valaki felismeri, bár elég mosott a kép.Dióda Várom a végleges alkatrészeket, mert hétfőn rendelek a RET-től. Köszönöm! Főleg fercinek és Prolinak
Van a RET-nél nagyobb feszültségű dióda is, de szerintem azok meg lassúak. Adatlapjában 50Hz-en irnak.
Valaki megnézné őket, melyik lenne jó? Cikkcsoportnál kell kiválasztani a diódát, és keresésre kattintani. Köszönöm!
Szerintem 4 kV-os kondi elég és 1 nF, mert kb. az volt benne a műszered szerint. Ha nincs a boltban 1 nanós, akkor jó 2x 2n2 is sorban, de az megdrágítja kicsit a témát.
Dióda ügyben jól körül kell nézned... a két ellenállásos dolog azért meredek itt, mert a záróirányú áram ( 10-150 uA Ur max-nál..) miatt akármekkorát nem tehetsz be, ill. azokat is több darabból, ahogy beszéltünk róla ( áthúzás). Végső esetben kompromisszum lesz... Provizore érdekes lenne régi miniTV-k egyenirányítóiból pár db...
Na ezt megszivtam, mert a RETnél nincs nagyobb csak 1600V-os. HQ-ban volt, de onnét pénteken rendeltem
Szia! Gondolom ez a téma többek között azért nyílt, hogy az apróhirdetések között lévő sokszorozód helyére valami megoldást találjunk! Legalábbis remélem, mert találtam adatlapot PM3207-es szkóphoz. Remélem a két típus közötti különbség nem nagy! Szóval a következökre jutottam a sokszorozó ügyében: a tápegysége 12V-ból először 750V-ot állít elő, majd ez kétszerezi. A frekvencia 30kHz. A kétszerezőben alkalmazott diódák BY409-A típusúak. A két kondenzátor 10nF értékű, mindkettő poliészter dielektrikumú. Az első feszültsége 1000V, a második (ami közvetlenül a kimeneten van) 1600V. Ezeket találtam, lehet hogy fellelhető PM3209-es szkóphoz is doksi...
Ezt megszívtam, most olvasom az első hozzászólásnál, hogy 1.5kV-ból kell 12kV
Helló!
Most ott vagyok, hogy vettem egy 3x-ozoót és egy 5x-özőt, olyat amit szét lehet szedni, valami régi TV-ből. Elöször majd a 3x-ozóval kezdem. Az oszcilloszkóp nem egyezik felépitésileg. Impulzustrafó állitja elő az 1500V-ot, és ezt sokszorozza. A sokszorozóban 100%-ra 6db kondi volt, 1nF-osak, de feszt nem tudok. Remélem ezek a TV sokszorozók jók lesznek, elég kicsi a méretük. De köszi hogy kerestél! üdv.
Hello!
Epitettem egy full wave CW feszultseg sokszorozot 2.2nF-os 2kV-os kondenzatorokbol es 2n4007-es diodakbol. (Ezen az oldalon talalhato) Gondoltam mukodnie kellene neki half wave uzemmodban is, de valamiert nem megy rendesen. Ha halozati 220V-ot kapcsolok ra akkor az elso par fazison a simito kondenzatorok es a bejovo egyik ag kozott midig kb. 230V-ot merek. Kiprobaltam 5V-al is de az megannyira sem ment. Negyszogjellel hajtottam megkozelitoleg 1KHz-en de ilyenkor mar az elso fazison is 0V-ot merek es a tobbi utan is hasonlo a helyzet. Egyenlore full wave uzemmodban nem tudom kiprobalni mert nincs megfelelo transzformatorom. Valami ottlet, hogy miert nem mukodik?
Sziasztok!
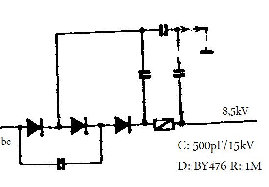
Egy EMG1567 szkópban található a csatolt sokszorozó. Miért van benne 5 kondenzátor, és csak 3 dióda? Ilyen elrendezést még nem láttam. Illetve ez hányszorozó? Köszönöm!
Hello!
Szerintem ez egy villárd, vagyis kaszkád egyenirányító, ami vagy 4szerez, vagy háromszoroz kicsatolás szerint. De ez az ábra hiányos, mert nem látható, hova kapcsolódik a tekercs. Csak úgy a "levegőben" nem működhet a kapcsolás. A kaszkád, meg egy kondival kezdődik, ami egyszeres csúcsra töltődik, de ez lehet akár a trafó alatt, a test felé is. Kaszkád üdv! proli007
Helló!
Csatlom az eredeti képet. Ez nem kondival kezdődik, azért volt furcsa.
Hello!
Elég vicces! Mert ha a C916 melletti nyilas valami egy csatlakozópont a földre, akkor kaszkád és háromszoroz szerintem, de ha egy szikraköz, akkor csak egy egyutas egyenirányító. (Annak meg sok értelme nem lenne.) Szerintem próbáld ki 50Hz-el és nagy kondikkal,sima diódákkal egy 24V-os trafóról és meglátod, mi az igazság. üdv! proli007 |
Bejelentkezés
Hirdetés |





)







