Fórum témák
» Több friss téma |
Sztem a cim magaert beszel.
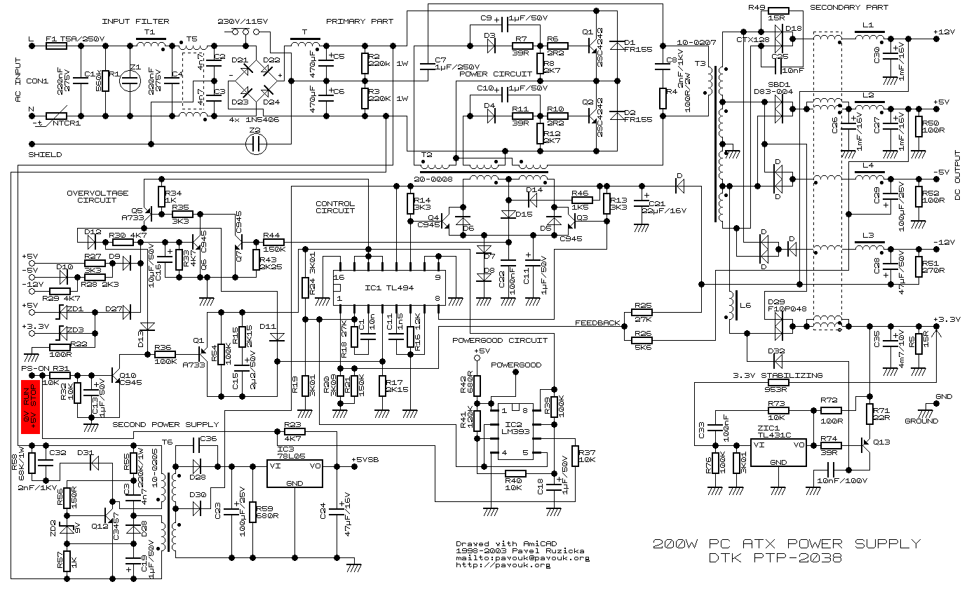
A tenyek: 300W-os atx tap, aramtulterheles (legalabbis azt hiszem) miatt elszallt benne egy 47mF / 400V os kondi... Szanaszet ment... mast viszont nem lattam meg elszinezodve sem... namost: tettem bele egy uolyat, csak 1000V-ra (mer" csak ijen vout), ![]() de nem szeretnem hazavagni az egy szal alaplapom.. ami at/atx-es, es vizsgaidoszak van... ![]() ![]() ![]() ![]() szoval, megvan a pin kiosztas a dugon, de hogy mondjam meg a tapnak, hogy "ocsi, most be vagy kapcsolva!!!" otlet? (bocsi ha naggyon lama a kerdes...) ![]()
Helló!
A zöld színű kábelt össze kell kötni a GND-vel. És bekapcsol! Bár lehet hogy a lilával kell. Nem tudom hogy azt a bemenetet földre kell húzni azaz valamelyik feketére, vagy a standby feszre azaz a lilára amin +5V van. De tönkremenni nem tud, max nem kapcsol be!! Szóval zöld drótot összekötni vagy az egyik feketével vagy a lilával és várni a hangot! Addig lesz bekapcsolva míg össze van zárva! Bár. Nem igazán szabad terhelés nélkül az ATX tápot bekapcsolni!! Szerk: Utánnanéztem.. Feketével kell összekötni tuti!
Van egy lába a csatlakozón, amit elvileg le kell kötni nullára. Ettől elvileg be kellene indulnia. Lásd: melléklet
Danke sehr az infoert....
![]() habar nem ertem el sikert... ![]() helyzetjelentes 2.: ![]() zold-fekete--> venti felporog.... minden pinen (kb) helyes fesz. alaplapra rakot. gep bekapcs. namost: ![]() videokartya nem indul be(pci, ha van vmi, sopha nem kapcsol be) billentyuzet ledjei villognak, utemesen, mintha logika lenne benne, mint a hiba-beep-ek... (tuggyatok: hosszu-rovid-rovid-hosszu) szoval, gep kikapcsol. AT tap vissza, es szerencsere megyen rendesen. Na igy vagyunk. hagyjam a f$%&ba az egesszet, v van vmi remeny... ja es meg vmi. ha magaban kapcsolom be a tapot, olyan halk, hogy csak latom, hogy megy(a ventin van hoszabalyzo) hanem ha bekotom a maderbordra, akkor NEM a venti sziszeg folyamatosan egyenletesen, mintha egy trafobol jonne... ![]() na megin beleszoltam ![]() koszi ha esetleg megin tuttok vmit... ![]()
Gondolom a táp már nem garis...
Én most vittem vissza előző héten egy 420-as Chieftech tápot ciripelés miatt...
A fütyülés (csipogás) amit kiad azt úgy hívjál, hogy post kód. Jelentése van a ritmusnak!Ha tudod az alaplap típusát elvileg a neten meglehet keresni a füttysorozat jelentését...
![]() (ha leírod titi-tával megnézem könyvben neked) Javaslatom: vegyél egy új tápot kb 4000.-
Ha a feszültségek megvannak (+5v, +12V, -5V, -12V) a javított tápon mennie kellene. Tápodnál a tönkremenés pillanatában valamelyik feszültség megszaladt és tönkretett mást is - ilyenkor a memória, és a grafikai kártya van legnagyobb veszélyben....
Hali!
Meg tudná nekem mondani valaki, hogy egy 300w-os mercury táp az mit jelent? Szal ha én egy kivezetésre kötök 300w-ot, akkor is megy? A 4 vezeték kozul melyik a 2 12v-os? A többi mi? Azon a hosszun mi micsoda? Bekapcsolás hogy megy? Akkor maximum mennyit kothetek melyikre? Kössz! ![]()
Hali!
Bekapcsolni fennt van hogy kell. (alaplapi socketre menő kábelen) Vannak a 4-es csatlakozók. Fekete drót: 0 pont = közös = gnd = földpont Sárga drót: +12V Piros drót: +5V Aztán van az alaplapra menő csati, annak a kiosztása a hardware book oldalán van A táp oldalára pedig rá van írva, hogy hány ampert tud leadni az egyes ágakon. Általában a +5V a legnagyobb terhelhetőségű...
Az igaz, hogy az egyes kimenetekre felírt áramot ki lehet venni, de a +5V-on MINDIG kell terhelés, mert innen van a visszacsatolás. Minél nagyobb áramot akarsz kivenni +12-ről, annál jobban kell terhelni a +5V-ot is. Némely típusban van járulékos vcs. a 12V-ról is, ezek kicsivel jobban viselkednek. Egyébként nem megy tönkre, csak leállítja az aszimmetriát figyelő komparátor.
Felreertes ne essek, nem a alaplap sipol, hanem a tapban vmi...
![]() nah,m szoval aszongyatok, hagyjam a csudaba...??? ![]() ![]() ![]() c"est la vie... Najo, azer" koszi mindenkinek... ![]()
khm, engedelmetekkel...
-azt, hogy sok a love? ![]() -Igen, megy. (csak nem sokaig.) ![]() -a sarga. (vagy a piros?) ![]() - a tobbi csak mese... ![]() - Lasd fennebb... (zold + GND) Bocsi, jokedvembe" vagyok... ![]() Bye ![]()
Hali!
Nem nyitok feleslegesen új témát, belefér ez ide is. Na szóval adott egy 300W-os, ATX-es JNC táp, amit netes leírások alapján szeretnék (szerettem volna) átalakítani egy "labortáppá". Minden működött (be tudtam kapcsolni alaplap nélkül, feszültségek rendben megvoltak), amíg a félig leszedett burkolat alá be nem csúszott a forrasztóón (lába nőtt a rohadéknak ![]() ![]() ![]() Tetát abban szeretném a segítségeteket kérni, hogy ez az alkatrész ugyan miféle lehetett? Annyit tudok róla mondani, hogy asszem üvegburkolatban volt, ami le is robbant róla (valószínűleg ehhez az alkatrészhez és a fém burkolathoz ért hozzá a cin). Talán valami dióda lehetett, mert azok szoktak üvegtokozásban lenni... Nagyon hálás lennék, ha tudnátok segíteni, mert már úgy beleéltem magam, hogy végre lesz egy olyan tápom, amit pár 100mA-nél jobban is lehet terhelni. ![]() Előre is köszi szépen! Krisz
Ez amolyan 1n4148 dióda féle üveg tokozás volt?
Olyanra emlékszem, de nem vagyok benne 100%-ig biztos, mert a burkolat leszedése után nem igazán memorizáltam az alkatrészeket.
De nagy valószínűséggel olyasmi volt, más nem tudott volna így lerobbanni szerintem... Nem is találtam más törmeléket, csak üveget.
Érdekes. Ha jól láttam akkor ott úgy néz ki a töreténet, hogy 230V => greatz => valami ami felrobbant => elkok.
Én nem tom, hogy az mi lehetett.
Igen-igen, valahogy így van. Az a gond, hogy itt az oldalon a Gyűjteményben lévő rajz sem segít semmit sem.:no:
Szerintem az valami védelem szerüség volt. Zárd rövidre és a táp bizti helyére kőss egy 60W-s izzót és úgy indisd be. Ha világít akkor nem jó a dolog.
Ha nem érkezik más ötlet akkor szerintem így kéne kipróbálni...
Hm, ezt majd kipróbálom...
De várj csak! Itt ez az alkatrész helyén a T tekercset mutatja a rajz. Ugye jól látom? Vagy az nem ilyen miniatűr tokba lenne zsúfolva? ![]()
Jó látod, de nem híszem, hogy az az lenne....
Pill. Megnézem egy Coodegen táp lelki világát. Megnéztem. Ebben nincs arra felé semmi.
Szia!
Na mondom szétszedem én is a tápomat. 300W -os Acorp gyártotta, megy 115/230 voltról. Ahogy elnézttem a belseje tök egyforma a tiéddel. És láss csodát: az enyémben nincs ott semmi.
Tényleg szinte tök ugyan az.
De de van ott, de csak egy sima átkötés. Lehet, hogy ez is az volt, csak ilyen érdekesre égett meg. Akkor az üvegszilánkok meg csak a biztosítékból jöttek... Köszi szépen! Ez már nagyon nagy segítség volt. ![]() Azért még várok, hátha valaki még tud infóval szolgálni.
pechedre van egy codegen tápom
![]() ![]() de sztem ott induktivitás volt...:nezze:
Érdekes... Codegen, Acorp, JNC... Szinte mindegyik úgyan az...
De ilyen csatlakozó nincs rajta...
Nem elképzelhetőbb, hogy csak átkötés volt? ![]()
Milyen érdekes, három külöböző gyártójú táp, közel azonos belsővel. Ez a tömegtermelés művészete.
Látom írtál Krisz! Nekem úgy van simán ahogyan láttad. Szerintem hagyjad, és próbáld ki a Tomee féle tesztet. Próba-cseresznye.
Hogy érted, hogy nincs ott semmi? Átkötés sincs?
bocs ez a táp JNC, de codegen alkalmazza/használja
![]() ![]()
Nálam átkötés van, csati, induktivitás nincs.
Tehát kössem át, bizti helyére 60-as égő, majd izzítsam be a szerkezetet?
Mikor nem szabad világítani? Ha csak egyszerűen bedugom a konnektorba? Mert ha már be is indítanám a tápot, akkor ott már folyna áram, de szerintem anélkül is folyik. Most akkor hogy is? ![]() |
Bejelentkezés
Hirdetés |