Fórum témák
» Több friss téma |
Fórum » Transzformátor készítés, méretezés
Ha kérdésed van, az alábbiak segítenek a hatékony választ megadni:
Mag típusa: M, EI, UU/LL esetleg I-kből összerakott, tekercselt, toroid. Lehetőség szerint képpel.
Méretek: magkeresztmetszet a*b (amit a tekercs körbeölel) ablakméret, lánc és toroidnál, belső-külső méretek.
Primer-szekunder feszültség(ek), teljesítmény igény.
Bocs, a "róka" is másfelé figyelt.
A Idézet: nem megoldás, rossz 5let. „2db greatz.”
Hali hali
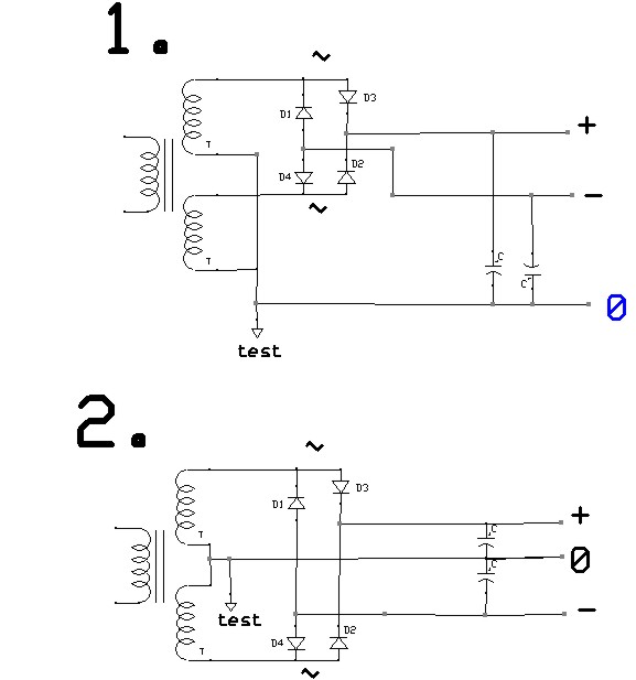
Köszike az okítást! Na majd akkor a következő trafót már úgy csinálom ahogy a kollega átfirkálta a rajzomat... NA itt van a bekötés is. Én így csináltam... u.i.: De értem én a dupla egyenirányítót is !!!! csak az bonyibb meg ktg-esebb! Idézet: :yes: „Az azért nagy cumi lesz, ha a trf. tekercselés kezdetén csak 1, az-az 1db kivezetést hozott ki!” Ezért kell független kivezetéseket alkalmazni minden tekercsnél! :dumcsi: Sosem lehet tudni azt, hogy később mibe lesz beépítve a trafó.
No.
Te az 1sz. rajzot készítetted el. Mivel a tekercseid teljessen azonosak, egy irányba vannak tekerve, a greatz váltó oldala akár össze is köthető (ekvipotenciális pontok). Tehát az egyenrángatód egyutas lett. A trf-1 egysz rajz szerint. Ha 2 különböző feszültségű tekercset készítettél volna, akkor a kimenő feszültséged a nagyobbik tekercs feszültségét veszi fel mindkét polaritásnál ( a szembekapcsolt kissebb feszre kötött dióda lezár). A poz ill. neg. pont között nem is tudsz feszültséget mérni, ha nincsenek bekötve a kondik, csak a 0 ponthoz viszonyítva! És a tápfeszek "hullámossága" is sokkal rosszabb, brummosabb az erölködőd. A jó bekötés a 2 sz rajz szerinti! A tekercsek kezdetét a "T" jelöli! Én szétbontanám a tekercsek kezdetét, akkor is, ha szét kell szedni a trf.-t! Valószínüleg azért melegszik a mag, mert az egyik, állt. a poz. tápon nagyobb a terhelés. Ha átkötöd, a mag, ill. primer tekercs mindkét félperiódusban azonosan terhelődik!:yes:
Fhúúúúú vazze! Télleg!
Mekkora hülye vok... értrelmetlen is lenne Igen vili! A trf-1 egysz.rajzot elmertem! Az duplázza a feszültséget. Akkor én az csináltam meg?!.... Aha Sima ügy csak sz*r madzagokat közöttem össze! Tehát most olyan mintha egy sima 12 V-os trafóm lenne, egyetlen -egy szekunder tekercsel, nem pedig kettővel! Hát már minden Tiszta! Így már számomra is érthető, hogy melegszika az a szerenycsétlen, elrőlködik! Na oksa! Köszi HA trafó-problémám lesz ide fogok írni megint... Itt aztán van segítség, meg okítás... (jah és ne aggódjatok lesz még kérdés...) ![]() Peti.
Neked is abszolút igazad van... bár a kivezetéseket még tudnám változtatni, csak a már elkészített és "műkökőképes" nyákot már nem tudom átjavítani
...Tehát főleg ott adódnak a gondok.. Peti.
Miért nem lehet?
Mindent lehet, csak akarni kell! ![]() Ahova nem kell átkötés, ott elvágod a fóliát. Ahova meg kell, oda teszel egy vezetéket. Nem? Legfeljebb kicsit csúnyácska lesz, de tökéletes. :yes: A szép selejt jobb?
Jó hát ... Te is tudod hogy barmolás lesz a vége, de semmi gond! Meglesz!
Egyébként most jutott eszembe, hogy az én "tekercselésemell" is meg lehetne oldani a dolgokat... Dupla egyenirányítással... Csak azzal végkép nem akarok szarakodni! Itt van a kép (nézzétek el hogy nem tudok rajzolni...
Jó amit rajzoltál, de a baj az, hogy jelenleg a trf. két szekunder tekercsének a kezdete össze van kötve!
Neked ezt kell megszüntetni! Ha nem lehet megbontani, akkor újra kell tekerni!! ![]() Kezdetet véggel összekötni, ez lesz a 0 pontod, a többi adott (greatz váltó). És lőn világosság, minden OK. Ne bonyolítsd feleslegesen!
nem fogom bonyolítani! Csak most én is okoskodtam egy picit...
Egyébként azért dörzsölt csávó vagyok én! Nincs összekötve a két tekercs, csak a trafón kívül Tehát nem kell bontani - ezt már régen tudtam... (a trf-nek 4 azaz négy kivezetése van: a két tekercs két vége... ) Tehát úgy közöm össze ahogy akarom...Peti. Idézet: „Tehát úgy közöm össze ahogy akarom... Peti.” Ebben teljesen :yes: igazad van!? De ha az egyik tekercs kezdetét a másik tekercs végével összekötöd, sokkal jobb és egyszerűbb lesz...
Na most vagyok ám kurva nagy gondban... mert átkötöttem ugyan ahogy Ti mondtátok , de most melegszik csak igazán!!!!!!!!!!!!!
És most a tekercs... azt nem hinném hogy a primer, de már olyan meleg lett pár másodperc után,h ogy már büdi is volt ja és közben meg nem is működött csak vagy 2 másodpercig!!!! NA erre varjatok gombot!!! Peti.
Az erősítő működik kb. 10 sec-ig aztán elhalkul és akkor már a trf is nagggyon meleg...
de nem hal meg mert utánna megint műkszik de nagyon meleg És úgy kötöttem ahogy a rajzon volt! A kezdetet a véggel össze - ez lett a föld - aztán a másik kettő kivezetés lettek a másik kettő kivezetések!!!
Akkor meg ne kínozd!
Most akkor mi van a bekötéssel? Mi a végleges?
hát az a végleges amit Te rajzoltál be! én úgy kötöttem be. Akkor meg nem értem miért szórakozik velünk...
Peti.
Mérd ki az egyenirányítót!
Vedd le az erölködőt, először a tápod működjön tökéletesen. Mérj kimenő feszt, terhelő áramot, áramfelvételt. Ezekből kiderülhet mit sikerült összehoznod.
Tom jól beszél..uff!
Biztosan sorosan van kötve a tekercsek? Nem párhuzamosan? (olyan mintha egymásra dolgozna a 2)
Figyelj!!! holnap rászánom az időt és lefényképezek mndent, minden lépést! hogy hogyan csináltam és aztán okoskodtadtok, de már lehet Titeket idegesít jobban mint engem!
Főleg Tom_Lordot agyalom már ki teljesen... Ne hari! Csak úgy lesz okosabb az ember ah kérdez, Ti meg gondolom ráértek... ha már itt vagytok! Akkor majd holnap! Na hali Peti.
Na itt van egy pár kép hogy én hogyan csináltam.
1. kép: Így néz ki a csévetestem (persze ez egy másik, már szétbarmolt szar!) 2. kép: így kezdtem a tekercselést egymás mellett a két vezetővel, 3. kép: és már ez lett a vége - persze nem 1 menettel! NA de látjátok 4 kivezetést hagytam meg! A két középsőt összekötve csináltam ÉN a "0"-át, a két széle lett pedig a két-két AC ami megy a diódákhoz. Vicsys szerint kötöttem össze az egyik kezdetet a véggel (az lett a "0") és a maradék két vezeték meg a diódákhoz! Ez nincs a képen, de mint írtam is ez már aztán tényleg füstölt! NA írjatok!!!!! Peti.
szerintem..bár, PONTOSAN kell tudni-melyik tekercsnek melyik a vége (ki kell mérni)
Azt a betyár életbe!!!!!
Hát én is valahogy így akartem összekötni, de akkor már biztos hogy csak az lehet a hiba, hogy én látatlanban rossz vezetékeket cserélgettem és így csak az lehet hogy rövidre zártam az egyik tekercset!!!! Hát nem csoda hogy be akart sülni szegényke!!!!! Akkor majd bemérem legközelebb nem leszek figyelmetlen, de most nincs nálam a cucc... Na jól van! Köszi vicsys!!! Peti.
Pontossan!!!
Ezért melegedik, és ha kínozod le is ég! Több figyelmet, N x leírtuk, kezdetet a véggel, de ne a saját kezdetet a saját végével!, akkor ZÁRLATOT csinálsz! Csak dicsérni tudlak. ![]() Mindent mérni kell, beazonosítani, mert a munkádat hamar tönkreteheted!!
Legközelebb a tekercsek kivezetését így készítsd:
1 - 1sz. tekercs kezdet 2 - 1sz. tekercs vég 3 - üres 4 - 2sz. tekercs kezdet 5 - 2sz. tekercs vég Ha párhuzamosan akarod kötni: Párost párossal, páratlant páratlannal kötsz. 1-3, 2-4 Mielőtt a másodikat összekötöd, feltétlenül ellenőrizd, hogy biztos azonos potenciál legyen! Ha sorosan: Párost páratlannal kötsz (de ne a sajátjával!), ez lesz a test. 2-3, vagy 1-4 És itt is ellenőrizd le méréssel, mit követtél el!!! Ennél egyszerűbben, és részletesebben leírni nem lehet!
Sziasztok!
Egy olyan problémám lenne, hogy van egy trafóm, de nem tudok róla semmit (nincs feltüntetve rajta semmi adat), csak egy csomó vezeték lóg ki belőle. Hogyan tudom azt megállapítani, hogy melyik a primer oldal (hová kössem a 230-at)? És mondjuk a teljesítményét is meg kéne határoznom... Légyszi segítsetek! Előre is köszönöm!
Na jól van ez most már értem... és szentírásként tekintek az utóbbi pár oldalra!!!
Más! Van még vagy egy raklap ilyen 54 W-os trafóm (illetve tudok szerezni)! És azon agyaltam hogy korrekt e úgy egy trafó teljesítményének a növelése, ha én a sok-sok EI lemezt tovább rakosgatom egymás mellé... Mondjuk például 2 trafóból tudok e egy 108 W-os trf-et építeni (pesze hosszúkás lesz, de mégis kisebb mint egy "kocka" trafó, ami ugyanannyit tudna) NA?! Szerintem nem lenne akadálya! HA Te/Ti is rábolitotok, akkor lehet összeügyködnék egyet! Csak itt az új, pontosan méretezett csévetest elkészítése lenne a probléma! NA írjatok! Peti.
A teljesítményt a súlyából is megítélheted
, de pontosabb, ha a magkeresztmetszetet méred meg és kiszámolod.Én úgy szoktam eljárni, hogy megnézem, melyik tekercsvégek jönnek a vashoz legközelebb ki a csévetestből (ha látható), ezek egymáshoz ohmmérővel kimérhetők, megmutaván hány kivezetésű a primer. Ezeket elkülönítem, majd a szekundereket vizsgálva megkeresem az összetartozó végeket, így már tudom, hány db szekunder van. Találomra kiválasztok egyet a vastagok közül és megtáplálom egy 6V-os kistrafóról, közben megmérem a primer oldal által adott feszültségeket, ami valószínűleg inkább kevesebb, mint az igazi, hiszen csak 6V-ot kap egy ismeretlen szekunder, ami feltételezhetően ennél nagyobb feszre készült. Mindegy, az arányokból ki szokott derülni, hogy mire készült a primer: szokásos a régebbieknél a 0-110-127-220-240 kivezetéssor. Azért legelőször meg kell róla bizonyosodni, hogy váltott lemezelésű a cucc, nehogy csöves A oszt. kimenőtrafó legyen!
össze rakhatod sztem,
én attól tartok, h még 1 trafód volt vissza tudtad rakni ami össze fogja így nincs hallható mechanikai zajod, de fél-ő, ha 2-őt raksz össze akkor nem tudod össze rakni úgy mármint 1 trafó összefogó vassal 2-t remélem érted üdv |
Bejelentkezés
Hirdetés |









Tehát nem kell bontani - ezt már régen tudtam... (a trf-nek 4 azaz négy kivezetése van: a két tekercs két vége...
) Tehát úgy közöm össze ahogy akarom...






