Fórum témák
» Több friss téma |
Hi all!
Modellezéssel foglalkozom ebből kifolyólag sok relére van szükségem. A problémám a hangjukkal van és avval ,h drága is. Lehetséges lenne ezeket valamilyen analóg áramkörrel helyettesíteni? pl. tranzisztorokkal? Aki nem tudja: ikertekercses reléket használunk általában ,ami 16v váltóáramról működik. Ezek olyanok mint egy 6 kivezetésű kapcsoló ,amit kettő darab elektromágnes vezérel, egyik oda, másik vissza. Lehetséges lenne ezeket zajmentes, olcsó analóg áramkörrel helyettesíteni? Előre is köszi!
Elvileg lehet.
Egy gyakorlati kapcsolast szurjal be , hogy lassuk mirol van szo. Biztosan akad valaki aki hozza tud szolni.
Ha a kattanás zavar, próbálj egy kis szivacsdarabot tenni az elektromágnesek és a kis "nyelvecske" közé. Én így oldottam meg.
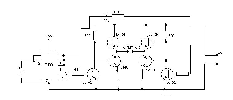
Szia!
ha vasútmodelben gondolkodunk . A vezérlési feladatokat lehet--DE AZ ÁLLITÁSIakat NEM. de ird le mire gondolsz....akkor talán többet...
Mit szólnál egy helyes ki impulzus üzemű polaritás váltóra? Rajzoltam Neked, hogy ne csak a szám járjon. Ha van a bemeneten egy "magas jel" akkor a KI / MOTOR póluspárnál az egyik kivezetés + a másik - , ha pedig nincs jel a BE-meneten, akkor éppen az ellenkező polaritás van a két kivezetésen.
Nem mellesleg 10A-el terhelhető... Szerk.: A jobb oldali, érték nélküli ellenállás nem kell a kapcsolásba!
Szia! Elvileg szilárdestrelékkel is tudnád helyettesíteni, bár azok más jellemzőkkel bírnak, mint a köznapi értelemben vett relék. Nyilván a gyakorlat mást mutatna, igaz tudok ellenpéldákat írni. Mellesleg mit értesz analóg relén? Yoe
Biztosan lehet,csak igencsak kialakítás függő .
Milyen tápod van,mit akarsz vele vezérelni.... Ha ezen gondolkodsz akkor már a vezérlést is célszerű mikroprocesszorosra cserélni... Egyébként a jelfogók kiváltása nem biztos hogy egyszerű feladat .Ezek a kapcsoláson kívül szerintem egyéb logikai feladatokat is ellátnak.(legalábbis ha én csinálnám néhány alapvető kizárást megoldanának.) Ahol csak kapcsol és a vezérléstől nem független tápot (közös test esetleg tápfeszültség ) nem tárol ,és csak egy áramkört (esetleg többet de ugyan az a közös -kapcsolandó- pontjuk ,oda talán a tranzisztor jó lehet ,de ha valamelyik feltétel nem teljesül akkor már szaporodnak az alkatrészek rendesen. |
Bejelentkezés
Hirdetés |





) 