Fórum témák
» Több friss téma |
Sziasztok!
Olyan áramkört szeretnék készíteni, amely egy ceruzaelemről, azaz 1,2- 1,5V-ról működtethető, és ez az áramkör, mint egy sorosan beiktatható tag szaggatja meg a teljes áramkört. Ilyen kapcsolás UJT-vel könnyen megépíthető, de sajnos a csúcsfeszültség és a könyökfeszültség értékei ennél a tranzisztornál túl nagyok. A csúcsfeszültségnek értelemszerűen 1,5V alatt kell lennie, a könyökfeszültség bármekkora, ennél kisebb érték lehet. Ilyen megoldás 3V-os tápra biztosan létezik, mivel a villogó piros LED is ilyen módon működik, de nem tudom, hogy ezt hogyan csinálja. Látott már valaki valamilyen megoldást erre nézve, vagy van saját megoldási ötlete?
Bocsánat, hogy kétszer Írok, de még ezt legépelem: MegszakÍtónak használhatsz 555-ös csippet, vagy akár 2 tranzisztoros villogót is, vagy bármilyen más áramkört ami 5V-ról üzemel.
Szia!
Szerintem nem értetted meg a problémámat. Nem "villogót" szeretnék építeni, multivibrátort ismerek vagy egy tucatot, hanem egy önmagát periódikusan szaggató áramkört. Az UJT azért alkalmas erre a feladatra, mert két stabil állapota van, és az egyikre, hogy úgy mondjam, holtában is emlékezik. Vagyis amikor megszakítja saját tápáramkörét, olyan állapotba kerül, ami az áramkör újbóli bekapcsolásához vezet. Ez egyfajta hiszterezis-probléma. Kis feszültségű hiszterezist is tudok csinálni, de ezek az áramköri megoldások feltételezik az állandó tápáramot. Szóval emlékező, hiszterezises áramköri megoldás érdekelne. Ha van erre ötleted, azt szívesen fogadom.
Sajnos erre nem tudok megoldást, de ne add fel a reményt! Biztos tud itt a fórumon valaki megoldást.
Szia köbzoli!
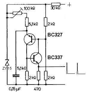
Én is ilyen komplementer tranzisztoros billenőkörben gondolkodtam az egyik tervemben, de ezt még nem érzem elég jónak. Ha jól értem az ötletedet, akkor a két tranzisztor egyidejű bekapcsolásakor a feszültségosztón úgy változnak meg a potenciálok, hogy az T1 lezárását eredményezi, ami T2-t is lezárja. A lezáródáskor pedig a terheletlen fesz.osztó T1 nyitására van beállítva. Ehhez azonban a két tranzisztort fel kéne cserélni. (Lehet, hogy így akartad, csak eltévesztetted? Vagy én néztem el?) A kérdés az, hogy biztosan nem egyensúlyi állapot fog beállni, hanem periódikus billenéssorozat? Ebben az esetben mi a frekvenciameghatározó elem? A kapcsolási idő? Ebben az esetben ezt már tovább lehetne alakítani lassító kondenzátorokkal. Ha ez így valóban periódikusan működik, akkor hálásan köszönöm, és természetesen tied a pont! UI: És a feszültségosztó áramkörét mi fogja megszakítani? Habár lehet, hogy ez már kisebb probléma, de még nem látom ennek megoldását.
15-35 éve a Rádiótechnikában volt erről egy cikk, csak meg kell keresni, Talán a Sipos irta, nem annyira emlékszem , de jó cikk volt
1972 februárban a Rádiótechnikában Lóska péter cikkében kitárgyalták az ujt equivalensét, csak pontosabban
Köbzoli!
A megoldásod elfogadtam, és nagyon köszönöm. A struktúrát azért nem tartottam jónak, mert félreértettem, ez nem az egész szaggató áramkör, hanem csak az UJT. Annak tökéletes. Azóta több változatban meg is terveztem az áramköreimet, de még nem volt időm tesztelni azokat.
Szia!
Be tudnád tenni azt a cikket? Nagyon érdekelne.
Az Elektrotanyán Rádiótechnika 1972 2sz 44 oldalon van a lényeg, A cikket nem tudom elküldeni, az évfolyamért mindenki dörmögne, meg nem is illik. Biztos meg van valamelyik haverodnak, olvasd el
Arra figyelj, hogy a B2 / B II / menjen a + táp felé és a B1 / B I / az npn emittere... a rajzon fordítva van..
Én is emlékszem arra a cikkre a RT-ben. Nem egyszerű, hanem programozható UJT, azaz PUT helyettesítésére való és kiváló relaxációs oszcillátort lehet belőle építeni.
Miből gondolod, hogy nem érdekel, amit kérdezek? Sajnos közben egy kicsit dolgoznom is kell, s csak pihenésképpen NET-ezek. A munka után, a legtöbbször este 11, 12h után érek rá a hobbimra. Ráérni= lopni az alvásidőből.
Sajnos nincs olyan haverom, akinek meglenne ez a szám, sőt egyáltalán nincs olyan ismerősöm, aki ért valamit is az elektronikához. Amit tudok, azt mind rajtatok keresztül, a ti segítségetekkel tanultam meg.
Köszi köbzoli!
Biztosan attanulmányozom és hasznosítom. De azt nem igérem, hogy azonnal tudok reagálni a küldeményedre. (Várhatóan holnap csak este 10 után kerülök gép elé.)
Elővakartam a sasszemem
van ennek folytatása is, de az már nagyon triakos, tirisztoros
Felrakom jobb minőségben, hátha valaki el is akarja olvasni.
Köszönöm a cikket neked is és Lidinek is. Pontot már sajnos nem tudok adni, mert csak 1-szer 50-et lehet.
Üdv: Göndör
Van egy különleges áramköri alkatrész, a bizonyos ujt tranzisztor.Egyrészt valamennyire értem a működését, h. a b2-vel szabálozom a kim. ellenállást,de szeretném,ha felvilágositanának ó.kk
folytatom:szóval a tranzisztor 2 bázissal és egy emiterrel rendelkezik.elviekben a poz. b2 vezérli az emiterről bejövő P-t a b1-re.de mi történik?
válaszaitokat előre is köszönöm
Mindenhová jó, ahova impulzusok kellenek. Például elektronikus metronómot lehet belőle csinálni, de láttam már kakukk-hang utánzó áramkörben is. Köbzoli kérésére: Letölt
köszi a fájlt, de légyszi azt mondd meg,mivel lehet megnézni ha kibontottam...köszi
Szia!
Djvu viewer-el tudod megnézni. Keress rá.
köszike a linket,
most már értem....
Göndör! Meg van még az az UJT helyettesítő kapcsolás? Egy szimulátor programban kellene egy kapcsolást össze raknom de nincs benne UJT
Tekintve hogy Göndör fórumtárs 63 hónapja nem volt fent a fórumon, Köbzoli temetése is elég régen volt (nyugodjék békében), másként tenném fel a kérdést.
Mondjuk egy keresőben "UJT replacement". |
Bejelentkezés
Hirdetés |




(Várhatóan holnap csak este 10 után kerülök gép elé.) 







