Fórum témák
» Több friss téma |
Fórum » Labortápegység készítése
Jó vagy!
Bár háromnegyednél eléri a maximumot, de a szabályozható részben tökéletesen lineáris.És közbe néztem az áramerősség állító potit is. Ha teljesen letekerem -0.06V-ot mutat a műszer. Hiába állítom a kis trimert ekkor nem reagál, és a feszültség is 0V, bárhova tekerem a potit. Ha a negyedéig feltekerem az áramerősség állító potit akkor 0V van és a feszültség szabályozható. De nem sokáig méregettem, mert bár azt írták, hogy ezen a tápon rövidre zárva is belehet állítani az áramerősséget, az idő alatt az áramerősség állító poti se túl lineáris. Esetleg erre valami ötlet? Ja és természetesen az a poti is lineáris kell hogy legyen, igaz?
Na sikerült megoldani a problémámat! Az áramerősség állító poti középső és bal lába közi beraktam egy trimert, amit kb 1.4kohmra belőve tökéletes lett. A párján is ugyanezeket végrehajtottam, és most már szépen szabályoz, mind az áram mind a feszültség. Nagyszerű, mostmár készen van!
Más. Van egy trafóm, ami jó nagy teljesítményű, és van neki 6kivezetése. 1föld, 3V, 6V, 9V, 12V, 24V. Ezek azon a 20-30éves tápon is csak ki voltak vezetve, mint váltóáram. Nekem is megtetszett az ötlet, és gondoltam kivezetem énis a táp elejére. A kérdésem viszont az lenne, hogy lesz kivezetve stabilizált 12 és 5V is. Ha ezt rákötöm valamelyik kimenetére a trafónak, és azt is az előlapra, az okozhat-e problémát? Vagy az lenne, a leglogikusabb, hogy egy kapcsolót, rakok be, épp mit használok?
Hello
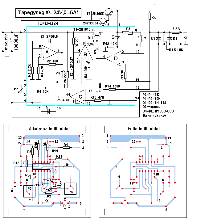
Ennél a kapcsolásnál a 13 as csatlakozási pontra mit kell kötni?
Simán föld pont, mint a nyáktervből is kitűnik a 13-as pont = a 15-össel.
Nem tudja valaki, hogy ez az LCD kijelzős labortáp el van e látva rövidzárvédelemmel és terhelésvédelemmel.
a választ előre is kösz
Hello!
El van látva áramkorláttal. (A rajz alapján a shunt ellenállásokból, és a blokkvázlat rajzból egyértelműen kiderül.) Tehát ha rövidrezárod, akkor a beállított áram fog folyni. De hogy Te mire gondolsz, "rövidzár és terhelésvédelem" alatt, az nem tudom. Ha a végfok hőmegfutási védelmére gondolsz, az nincs benne. (Egyébként mint ha olvastam volna itt sirámokat, hogy a PIC szabályozása nem elég gyors. Mellesleg amin én nem nagyon csodálkoztam.) üdv! proli007
Sziasztok!
Felvetődött bennem a gondolat, hogy milyen jó lenne egy PC-n keresztül állítható szabályozható tápegység... Csinált már valaki ilyesmit? Pl. mellékelek egy egyszerű LM317-es kapcsolást... Ennél az esetnél a 4K7-es poti helyett egy digitális poti kellene, aminek az értékét egy PIC-el tudnám változtatni. A BSS honlapján találta megoldást digitális potira is: Bővebben: Link Hogyan lenne ezt érdemes elkészíteni? Mi a véleményetek? Köszi és üdv.: Zoli A hozzászólás író ablakban lévő URL gomb nem harap, nem szúr, nem ráz, egyáltalán nem veszélyes, és semmiképpen sem csupán díszítő elem. Kéretik használni! Frankye
Hello, teljesen jó ötlet, csak itt kicsi a felbontás. Inkább egy soros DA kellene.
és mivel lehetne elegendően nagy felbontást elérni?
Egy legalább 10bites DA-val például (1024 fokozat). De eddig egy feszültséget kapunk csak, s ehhez a kapcsoláshoz ellenállás kell. Inkább egy olyan kapcsolást válassz, amelyben egy referencia feszültség állitja be a kimenetet
Üdv!
Megint sikerült haladnom a Spafi-s táppal. Most már van pufferkondi, szépen pöfög a táp, de egy kérdésem lenne: elsőnek egy égővel terheltem le; az égő 126mA eszik (ha jól emlékszem, de most nem is ez a lényeg), és ha teljesen letekerem az árampotit, akkor is működik tovább. Ez normális jelenség vagy esetleg valamit elrontottam? Csak azért kérdezem, mert eddig amiken én dolgoztam labortápokon, ha letekertem az áram állító potit, akkor ténylegesen nem folyt rajta áram, illetve felvillant az áramkorlátot jelző LED is.
Üdv!
Én már többet építettem ebből a tápból, van amelyik lekorlátoz ha letekered a potit van amelyik nem... Talán az alkatrészek szórása miatt... -ToXeN- Idézet: „van amelyik lekorlátoz ha letekered a potit van amelyik nem...” Most ez komoly? Ez így eléggé "furcsa"
Hello!
Bocs, de attól függ, mitől lóg. Ennek a tápnak az áramkorlátja, nem egy precíziós dolog, de ez már a rajzból is látható. Szabályzó erősítője, egy tranyó BE-szakaszára van bízva. Referenciáját, pedig diódák adják. De egy ilyen kimenőáramú tápnál és ezen szabályozási módnál sokat nem illik elvárni tőle. Viszont minden számolható! Úgy hogy, ne találomra ítélkezzünk, hanem mérések és számítások alapján. Ha lehet kérnem. És ha már elkészítetted, akkor abban neked is van "felelősséged", legalább annyi, hogy megismered hogyan működik. :yes: üdv! proli007
persze mindegyik tökéletesen működik csak a legalsó határban különböznek. Az egyik lekapcsol míg a másik nem, mert éppen nem éri el azt a küszöböt.
ui. a "lekorlátoz" alatt amit írtam ezelőtt, azt értettem hogy kikapcsol, ergó nem folyik áram... -ToXeN-
Igazad van, de szerintem az hogy letekerem az áramkorlátot és az valóban lekorlátoz, akkor az nem egy nagy "elvárás"
![]() Nos hogyha mondanál képletet meg, hogy mit mérjek le, akkor kiszámolom a dolgokat! Előre is köszönöm
Hello!
Lapozgassál vissza, úgy emlékszem már tárgyaltuk ezt a témát mással. (talán Doncso volt az) üdv! proli007
Üdv!
Eddig keresgéltem, de sajnos nem találtam a témáról semmit. De közben megfogalmazódott bennem egy másik kérdés: most próbálgattam a tápot, pontosabban hegesztettem vele egy grafit darab segítségével (egy kis NYÁK lapkáról bontottam le a réz felületet) és a furcsaság az, hogy a kimeneti feszültség maximális (53V) és a hűtőborda egyáltalán nem melegszik! Ez nem számomra érthetetlen...
Hali! Igen, azt hiszem én (is) aggályoskodtam. Utána néztem és a következő a szitu, az ADC a mega8-on max 15kSPS, azaz 7,5kSPS jut az árámkorlátnak, mert a másikon a feszültséget méri. Nincs előttem a kód, viszont ha az emlékezetem nem csal, akkor ha rövidzár van azonnal lekorlátoz, így max. 0.13us ideig lesz rövidzár, viszont az áramkorlát vezérlése ennél lassabb, azt hiszem 0.1s is eltelhet a két végállás között, mivel lépésenként kompenzál, gondolom, mivel nem lineáris a karakterisztikája az disszipatív résznek.
Szerintem az uC sincs kellőképpen védve, tekintve, hogy pl. az adc0 lábra rövidzárnál rákerülhet az egész tápfesz korlátozásig, lehet kellene oda egy zener levágni a fesz. tüskéket. (Ha lesz időm, akkor tervezek egy hasonlót, csak gyorsabb PIC-ekkel, amikben van AD/DA és tudnak .5-1MSPS-et. Esetleg, ha sikerülne lineáris disszipatív fokot összehozni, akkor lehetne sokkal jobb vezérlést is írni ... csak sajna sok a "ha", )
Azért nem melegszik, mert kicsi a különbség a bemeneti (puffer) és a kimeneti feszültség között. Ha letekernéd a kimenetet, és nagyobb árammal terhelnéd, akkor fűtene csak igazán.
Jó reggelt mindenkinek!
Rájöttem, hogy mi az áramkorlát hibája! Sajnos Doncso fordítva rajzolta be a NYÁK terven a LED-et. Most megfordítottam és tökéletesen működik Már csak annyi problémám lenne, hogy jó lenne, ha egy kicsikét erőteljesebben tudna világítani. Ehhez a 3,3kOhm -os ellenállás értékét csökkentsem, vagy valami mást? Amúgy 1000 köszönet a NYÁK tervért Doncsonak, ennyi hiba még belefér
Hello!
Félreértés ne essék, analóg áramköröknél ugyan úgy meg van a dilemma mint itt. Mert minden áramkör szabályzó, annak összes jellegzetes hibájával együtt, csak mi nem nézzük annak. A SPafi tápegységénél pont ilyen probléma adódott az áramkorlátnál, a sebességek miatt. Ő ott egy induktivitással oldotta meg a dolgot. Egyébiránt Giant pont ilyen feladaton dolgozik a "Programozható kimeneti feszültségű kapcsolóüzemű tápegység" c. topikban. üdv! proli007
Hello!
- Hát a fordított Led-nek nem sok köze van az áramkorlát minimális leszabályozásához - Célszerűbb kis áramú Led-et alkalmazni az ellenállás csere helyett, mert a TL kimenete sajnos nem arról híres, hogy nagy áramokkal tud szolgálni. (De ha majd még érdekes az áramkorlát szabályozása, elregélhetem mi miért van benne. Persze csak ha igen szükséges.) üdv! proli007
Üdv!
Lehet, hogy félreértettél (SŐT, több mint valószínű, hogy én írtam félre a dolgokat ): az áramkorlát működik, csak hogyha bekapcsol az áramkorlát, akkor (eddig) nem kapcsol be a LED. De ez már megoldódott.Idézet: „De ha majd még érdekes az áramkorlát szabályozása, elregélhetem mi miért van benne. Persze csak ha igen szükséges.” Én szívesen venném, ha leírnád
Nekem nincs benn a 3.3k-s ellenállás...
Szia!
Nem néztem át precízen, de első rápillantásra ez a SPAFI féle kapcsolás. Ehhez én már régen terveztem nyákot, megépítettem, és kifogástalanul működik. Ráadásul, talán kicsit logikusabb is mint amit te ide csatoltál (ez magánvélemény, majd eldönti mindenki), sőt még a műszer osztói is a panelon vannak. Akit érdekel, használja egészséggel. Alkotó
Hali!
Guszta nyák. Azért egy elvi rajzot is dobhatnál fel, mert a nagy BD-k bázisellenállásainak hiányzik az értéke. Üdv Kiborg |
Bejelentkezés
Hirdetés |




Bár háromnegyednél eléri a maximumot, de a szabályozható részben tökéletesen lineáris.

) Vagy a hozzá hasonló, az
Ez így eléggé "furcsa"


): az áramkorlát működik, csak hogyha bekapcsol az áramkorlát, akkor (eddig) nem kapcsol be a LED. De ez már megoldódott.




