Fórum témák
» Több friss téma |
Fórum » Muzeális készülékek-alkatrészek restaurálása
Témaindító: Kutyuli, idő: Márc 29, 2008
Témakörök:
még egy pár részlet
Jó estét mindenkinek!
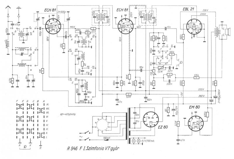
Segítségre lenne szükségem! Van egy Orion rádióm R946 és nem akar működni, ahogy méricskéltem nem kap áramot, szerintem a feszültség váltó kapcsoló az oka(amin 110v-tól 220-ig lehet állítani) Azt ki lehetne iktatni vhogy? Mellékelem a kapcs rajzot
Elég nehéz elképzelni, hogy ő lenne az oka, de természetesen ki lehet iktatni, és ehhez a rajz tud a segítségedre lenni.
Azért vigyázz, mert veszélyes feszültségek vannak arrafelé! Én először, - ha ez a gyanús - megmozgatnám a kontakt miatt.
A hálózati transzformátor primer tekercsének az alsó kivezetéshez viszonyítva a következő feszültségértékek szoktak lenni. 110V, 127V, 190V 220V, 240V. E két utolsó kivezetés közül válogathatsz, bekötheted a trafót direktbe. Arra figyelj, hogy a feszváltó eltekerésével ne lehessen zárlatot okozni.
Én - ha tényleg az a baj! - nem is hagynám benne!
szerintem nem kell kikötni,a hálozati feszültség atvalto nem szokott tönkremenni,esetleg keletkezhet korrozio az érintkezökön,ellenörizni a biztositékot,hálozati dugaszt,és a hálozati kapcsolot
vigyazni,nehogy 110V-on maradjon
abiztos h az a baja, mert ott nem megy tovább az áram, de azt nemtudom h melyiket hova kössem h 220v-al menjen...
Sziasztok!
Mai nappal beszereztem egyik kedvencemet, egy 26 éves Technics RS-M02 decket. Bővebben: Link Azonnal átesett egy tisztításon, mert belül gyalázatos állapotok uralkodtak. A fej nem vészesen kopott, a pinch roller eléggé, lejátszás rendben, a gyorstekerés azonban gyöngécske. Egy másik probléma, hogy a készülék jobb sarkának koccantására, vagy rezgésre elindul a lejátszás, vagy a felvétel (!) A deck érdekessége, hogy moduláris felépítésű, több emeletes panelek, minden csatlakozás oldható, gyorscsatlakozós, megfelelő szintig szétszerelve (fedlap, alsó lap, előlap) gyakorlatilag 3 csavarral kivehető a komplett mechanika. A kefe nélküli, ferritgyűrűs forgó mágneses térrel működő motor közvetlenül hajtja a capstant, a készülék 296 mm széles, és 5.7 kg (!!) Kérdésem: tud-e valaki olyan helyet, ahol alkatrészek beszerezhetők hozzá? (gumigörgő, dörzstárcsa) Azért van a "LINK" gomb a hozzászólás író ablakban, hogy használd! Frankye
Üdv . Szép a gép . Valószínű tovább lesz működőképes mint egy korszerű mai gép.
Köszi. Hát igen, a relék úgy csattannak mint az állat.
Rendkívül stabil mechanikája van. Ezt is még a japánok emberi agy segítségével tervezték, nem ám nyáktervező programmal. ![]() Azonban most próbáltam, próbálgattam tovább a működést, és érdekes dolgot fedeztem fel. Áll a szalag, (STOP) és egyszercsak elindul, REC (felvétel) vagy PLAY (lejátszás) üzemmódban. A felvételnél pedig csak a poti (REC level) maximális állásában hajlandó normálisnak mondható jelet beszedni, egyébként csak egy recsegés van. Ötlet? Ez szerintem nem lehet poti kontakthiba, mert ott legalább erősödne - gyengülne a jel, a recsegés közben is. De ez a teljes tartományban recseg, valami nagyon halványan hallatszik, aztán a végére tekerve jelenik meg a normális hang, csak akkor már értelemszerűen túlvezérli a szalag felvételi szintet (+8dB)
Szia! Köszi!
Nnnna.. hányszor fogom ezt még szétszedni....
Üdv
Kis kontaktspray a váltódugasznak és a biztosíték tartónak. Fogkefével megsikálni. Persze kihúzva a konektorból. Várj egy kicsit míg elpárolog a tisztítószer hígítója és csak utána próbáld bedugni és bekapcsolni. A csövesek nagyfeszről járnak könnyen begyulladhatnak a kontakt lötyik.
Sziasztok,nagyon jó az oldal.Lenne egy kérdésem hogy valaki ismeri a rádiótechnika mr-5201-es stereó hifit?Nekem van és semmi infóm nincs felőle csak azt tudom elég erős az erősitője és szépen szól meg hogy elég régi.Valószinüleg orosz gyártmány.Előre is kszi az infót.
Sziasztok!
Volna néhány régi tv-rádió alkatrészem gyűjtők számára eladásra vagy cserére. **** Ezeknek az Apróhirdetés rovatban a helyük! Frankye
Ilyenekkel az "apró"-ban próbálkozz! Itt nem üzletelünk.
Jónapot mindenkinek!
Köszönöm a segítséget a rádiómhoz, de ma megint vettem egyet, ez csal addig működik, hogy bekapcsolom és fűtenek a csövek. Az URH gombnál van egy vezeték ami nincs bekötve sehova, vajon ez az oka? Egyszerűen nemjövök rá h mi a baj..... Mellékelem a kapcs rajzot!
John Geloso non induttive resistenze
Nos, ezt sikerült fényképezni, a forgókondi mellett van, az URH kapcsoló rajz szerinti 6 lába, nemtudom h hova megy.... de aztsetudom h ez-e a baja, v más... csak fűtenek a csövek és mást nem csinál
Szerintem Zoli is ugyanazt írja. Először is meg kell vizsgálni, hangfrekisen megy-e. Ha igen, akkor meg kell nézni, rádióüzemben melyik egységeknek mikor kell működni. A KF erősítő mindenképpen megy, ahogy a keverőcső is. Az ECH triódája csak AM, az ECC85 (és a keverődoboz) csak FM üzemben kap tápfeszt. A HF jel 3 féle forrásból származhat. Az FM, és AM jelet az URH nyomógonb csúszkája választja ki ( kiengedett helyzet: AM demodulátor, benyomott FM demodulátor). Az innen leszedett, FM, vagy AM jelet választja el a PU nyomógomb a külső DIN csatlakozóra érkező jeltől. A tápfeszültségeket az RF résznek is az URH csúszka kapcsolja.
Hát ezt akárhogy nyomkodom, csak nem szól
Akkor tápfez mérése a pufferkondin (mindkét felén), a végcső feszültségeinek mérése, Pl. katódfesz, anódfesz. Búgás a rácsról.
Ott elvileg jó értékeket mértem, ezért is furcsa ez nekem, nemlehet, h a nyomógombok mechanizmusa elkopott és kontaktos? vagy vmi ilyesmi, a feszültségek a végcsőn és a kondin jók elvileg... a kósza vezeték helyét még mindig nem sikerült megtalálni, de az eddigi segítséget is köszönöm
csak lesz ebből vmi, remélem....
Azt még mindig nem mondtad el, hangfrekisen mutat-e életjelet a rádió. Ha nem, itt kéne kezdeni a hibakeresést.
A rajzot elemezve számomra az derül ki, hogy az URH csúszka A sorában van csak érintkező a 4-5-6 érintkezőknél. A B6-os pont az URH keverődoboz tápfeszültségét hivatott egy összekötő vezetékre vinni. A vezeték a keverődobozhoz tartozhat. Erre utal a B6 megjegyzés azR143 (1,5k), és az R21 10K-s ellenállás között. Ez a pont a keverődobot tápfeszültsége. Ez miatt csak az URH sávban nem működik a rádió.
A hangszóróból hallani-e valami kis, akármilyen zajt ?
-Ha nem, akkor a hangszóró is szakadt lehet akár, ami ohmmérővel kimérhető. -Ha a hangszóróból hallatszik valami brumm, vagy sus, de nem recseg a gombok nyomkodásakor, lehet szakadt pl. a hangerőszabályozó poti is.
És lehet a kimenő trafó is szakadt, sőt, a külső hangdoboz leválasztó csatlakozó aljzata is.
Nem hallok semmit se sajnos....
a hangszóró működött mikor mást kötöttem rá
Hangfrekisen se csinál semmit, csak fűtenek a csövek
Ha van egy pár tíz V váltód, azt kikapcsolt, kihúzott (és kisütött kondijú) rádió kimenőjére kösd rá ( a puffer + felére, és a ECL anódjára. Ekkor halkan búgnia kell. Ha nem teszi, a kimenő primerét, szekunderét meg kell vizsgálni. Ha búg, akkor cserélni kell Bolfi-val.
|
Bejelentkezés
Hirdetés |








csak lesz ebből vmi, remélem.... 