Fórum témák
» Több friss téma |
sajna már elszállt a trafóm.
Ezt végképp nem értem, kötöttem rá jelet, meg hangfalat, aztán szól
Most akkor mégis működik, csak túl óvatosan akarom éleszteni De miért melegszik ennyire az ellenállat ?
Mondtam én, hogy kicsi az a trafó!
Ezzel akartál meghajtani egy TDA7294-et?
Üdv Mindenkinek!
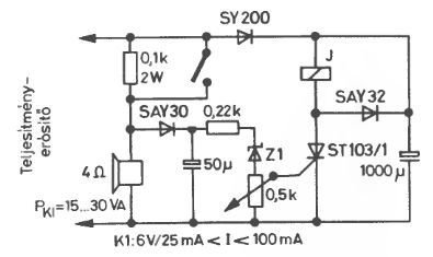
Úgy néz ki, megtaláltam a hibát! A hiba én voltam ![]() Egy "azé' nem szól, mert nincs bedugva" jellegű "hibát" követtem el. Az 500 Ohm ellenállás túl nagy volt az élesztéshez....az erősítő azon szenvedett, hogy összekaparjon magának annyi energiát, ami az induláshoz kell Gyönyörűen szól, úgy, mint az elődje :yes: De még csak 100 Ohm-on keresztül. Úgy néz ki, jó lesz... Remélem még nem vettem el senkinek a kedvét ettől a P7293-tól, hiszen tökéletesen működik, az egyedüli problémája az én jelenlétem volt No, ha Valakit még érdekel (már pedig jól jár vele), akkor közzétenném a tervet, még valamikor a héten Addig teszt.. ![]() zoka
Engem erdekel, arra varok mar az elso teszt ota
Ehez mit szólsz?
Elméletileg rövidzárlat védelem lenne , de lehet ,hogy régebbi rajz... Egyébként örülök ,hogy sikerült !
Leégett a szekunder. Ez a trafó max 10VA-es lehetett. Mit hajtottál vele?
Elkezdtem tesztelni a hidalt 7294 végfokomat a kapcsolótáppal.
Más a hangja mint toroiddal... sokkal jobb Tisztán szól, nagyon feszes, dinamikusabb és a maximum kivezérlés közelében is van tartalék bőven. A 80V-os üresjárati feszt kb 75V-ig rángatja le egy 200W-os csatorna. A 300-as toroiddal ez 68V-ig is simán lement az impulzus csúcsokban. Nekem nagyon bejön, ajánlom mindenkinek aki olcsóbban szeretne jó tápot csinálni.
Sajnos én így ránézésre nem nagyon tudom megállapítani, talán, ha arra való, ha az áram elér egy szintet, amit be lehet állítani, akkor az a 100 Ohm-os ellenállás aktiválódik
![]() Ami szemet szúrt, az a 15...30W a hangszórónál, azon kellene módosítani, meg ami kérdés, a gyorsaság. Lehet, hogy mire megszólal, arra az IC eltávozik az élők sorából ![]() De való igaz, jó volna a védelem, de azért nem merném ezt így élesben kipróbálni Köszi! Én korábban le is írtam, hogy muszáj működnie Hát már kezdtem lenni. De aztán látom már hogy én voltam túl óvatos. Ami azért nem csoda a prototípus tragikus vége után
Gratulálok! Ez nagyon jó hír
Ha nem lenne meg ez a 400-as toroidom, én is megpróbálkoznék egy ilyen táppal :yes:
sziasztok! nem kaptam választ hogy mekkora a maximális bemeneti jel a hidalt 7294-nek! elfogadhato torzítás mellett! köszönöm!
Ha jó lenne a szkópom, én istenbizony megmérném...
Sziasztok!
nagyon örlődök, hogy melyik tok lenne nekem a legjobb... TDA7293 / TDA7294 / LM3886 / LM4780 Cél: ~100W / 4ohm hajtása nincsen túl nagy követelmény, hiszen csak házimozi sub-ot hajtanék. Kérdés: TDA7294-et lehet parallel és bridge is használni, vagy csak bridge? A két TDA közül valamelyik mintha nem tudja a valamelyiket... A legütősebb az LM4780, viszont van egy TDA7294 panelem. A panelt megismételném paralell kapcsolásban. Vagy befizetek egy LM4780-ra... Nem tudok dönteni, szívesen meghallgatok véleményeket! ÜDV! Részben megválaszolnám saját bejegyzésemet: "TDA7294 does not support parallelling and has insuficient current drive for bridging. However ST has made a new chip, TDA7293, which adds more power, and you can put several in parallel for more power, very simply."
No1 : tda 7294 pedró féle hidalt!
Vagy zoka épp most készült el a paralell 7293-al, ő nagyon ajánlja. A héten még tesztelgeti de nemsokára összefoglalja a munkáját. Szerintem én is éptek majd belőle.
Ez tényleg jó hír,én már vártam! Ha kifut a mostani project akkor belekezdek egy olyanba én is.
Élesben mikor lessz szerencséd kipróbálni?
csak azért kérdezem mert a hifim 700mV jelet ad és nem tudom hogy ez sok-e a hidamnak vagy még lehetnne több is!!!??? mert maximálisan ki szeretném használni az erősítőm! köszönöm!
AZ említett tagok kapcsolási rajzát megtalálom itt valahol? Illetve hogyan vegyem fel velük a kapcsolatot?
Köszi! MOD: megtaláltam több forráson is! Azt hiszem ez marad nekem!
Én itt vagyok
Szóval, ha 100W kell 4 Ohm-ra, akkor 1db 7294 IC is elég, de én nem adnék rá +/- 35 V-nál nagyobb feszt. Mert akkor nem lehet rendesen hűteni 4 Ohm-nál (szerintem). A Pedro-féle hidalt is jó lehet, de az igazán 8 illetve 16 Ohm-on a legjobb. 4 Ohm -on szerintem nem szól nagyobbat, mint a sima 7294, az áram miatt. Ez a kapcsolás: itt van Ami az enyémet illeti, párhuzamos 7293, az kimondottan alacsony impedanciára való, pl: 4 Ohm-ra. Ezért is terveztem a subhoz, de még tesztelgetem, majd teszek kapcsolást.
egy tíz wattos trafó lead 5ampert és 40voltot?
Ki mondta neked, hogy ez a trafó lead 40V-on 5 A-t?
Pedig már te is láthattál sok érdekes dolgot itt a HE-n...
Én ilyen apróságokon már meg se lepődök. Amikor írta, hogy melegszik, rögtön gondoltam, hogy csúzlival akar oroszlánra vadászni...
2x80W-os erősítőt egy 160VA-es trafó elbírna? Nem TDA 7294-re hanem mindenféle erősítőre gondolok.?
Nem arról van itt szó, hogy nem tud számolni, hanem hogy elhitte, hogy ez egy 200W-os trafó.
Azt, hogy 10 W-os, más mondta neki a látottak alapján, és azért kérdezett vissza, hogy egy 10W-os trafó leadhat-e 5Ampert és 40Voltot.
Elbírni elbírja, de 2×80Watt nem fog kijönni belőle.
mutatok képet egy 5-6 wattos erősítőről is csak a méret érzékeltetése érdekében.
Az inkább csak 1W-os trafó kb
Mérd le nyugodtan! Rakj rá különböző terhelő ellenállásokat, és mérj áramot, és feszültséget!
Így ránézésre a kicsi amint írod kb 5-6W, max 12V-on, de a nagy, ha feltételezzük, hogy valóban 40V-os, akkor is max 20-25W, ami édes kevés egy 70W-os erősítőhöz.
Egyébként azon a képen, amin a kezed is rajta van, nagyon jól látszik, hogy milyen kicsi ez a trafó.
2x60w-ot elbírja megfelelő puffer kondikkal de a csúcspontokban nagy lesz a rángatás! ja és attól is függ milyen erősítőt(ket) szeretnél vele hajtani ha több ic-t, nem árt ha tudod minélt több az ic annál nagyobb a veszteség!
|
Bejelentkezés
Hirdetés |








Hát már kezdtem
lenni. De aztán látom már hogy én voltam túl óvatos. Ami azért nem csoda a prototípus tragikus vége után






