Fórum témák

» Több friss téma
Fórum » Turbó benzines autóba
Lapozás: OK   1 / 3
(#) sasy hozzászólása Márc 24, 2009 /
 
Sziasztok. Azt hiszem elég nagy fába vágtam a fejszém. Benzines autóba akarok turbót tenni. Viszont nem karbis hanem innyektoros. Ez azt jelenti, hogy ha jól gondolkodok, akkor nekem mérnem kell a töltőlevegő mennyiségét, és ehez kell álítanom a töblet üzemanyagot. Plusz még az előgyújtást is vissza kell vennem ha elindul a turbó. Erre kellene nekem valami ötlet. (nem vagyok képzett áramkergető )
(#) llaci56 válasza sasy hozzászólására (») Márc 24, 2009 /
 
Az elektronikához kevés köze van. (Adottak az érzékelők és egyebek.) Inkább programozás. A vezérlő EPROM-ját kell átírni.
(#) Dudus válasza llaci56 hozzászólására (») Márc 24, 2009 /
 
Meg a kompressziót lecsökkenteni, vezérműtengelyt módosítani......olcsóbb venni bele turbós motort.
(#) ATtiny válasza sasy hozzászólására (») Márc 24, 2009 /
 
Ezt már nem fogja semmiféle Eprom átírás megoldani. Egy szívó motoros ECU-t átprogramozni turbósra majdnem lehetetlen. Sokkal egyszerübb ha beraksz egy komplett turbós ECU-t a szenzorjaival egyetemben. Hisz a gyári szivó MAP szenzorod alapból is dobhatnád ki turbós üzemnél. Ennél egy fokkal jobb ha írható ECU-t veszel pl VEMS. De ugye nem kell ecsetelnem mi fog történni a te gyári szívó motoroddal ha megkínálod 1bar-os töltőnyomással?
(#) sasy hozzászólása Márc 24, 2009 /
 
Mechanikailag már ki van találva. 0.4-el tölt max. Azt simán bírja. (a turbó ingyen volt...) A gyári légmennyiség mérő 0.08 bar-ig tud mérni. Hiába iratnám át az ECU-t. Ezért kellene a turbókoz külön elektonikát építenem. A vízhőmérő gombájával tudnám szabályozni a plusz üzemanyagot. Csak azt valamivel izgatni is kéne.
(#) sasy hozzászólása Márc 24, 2009 /
 
Valamit azért konyítok az autókhoz... Különben nem vágtam volna bele.
(#) sasy hozzászólása Márc 24, 2009 /
 
Konkrétabban kérdezek. Olyan cucc kellene nekem ami az egyik felén levegő mennyiséget mér, a másik felén pedig ellenállást változtat (itt kötném rá a vízgombára). Az előgyújtás még várhat.
(#) ATtiny válasza sasy hozzászólására (») Márc 24, 2009 /
 
Mint írtam a legjobban akkor jársz ha egy olyan ECU-t választasz ami alapból turbós és olyan motoron volt, ami minél inkább hasonlít a te motorodhoz. Természetesen ezt is majd fel kell programozni, de ezt legalább fel lehet programozni, mert jól letudja majd kezelni a turbós MAP szenzort. A meglévő szívó ECU -ra ráépíteni egy külön elektronikát ami turbós üzemnél elcsalja a benzint és a gyujtást és megoldani, hogy ne tiltson le, mikor megjelenik a nyomás sokkal nagyobb munka.
(#) The_W válasza sasy hozzászólására (») Márc 25, 2009 /
 
Levegő MENNYISÉG?
Mármint, pl literben??
Ezt mechanikusan lehet kivitelezni. Mondjuk a turbo propellerjeit egyúttal erre is használhatod, ha beszerzel egy nyomás szenzort. [/OFF]Mondjuk ilyet.
115 kPa talán elég bele, persze a meleget is bírnia kell. Mindenesetre ez mér a legtovább, azok közül amiket itt a hestore-n láttam.

A légnyomás, a CSŐ ÁTMÉRŐJE (a képen az Inlet feliratnál) és a propeller fordulatszáma alapján ki lehet számolni az "átfolyt" levegő mennyiségét.
[OFF]Holnap nem sok időm lesz, de csak sikerül egy összeszedettebb gondolatot leírnom Egy csöppet elfáradtam.

W
(#) watt válasza The_W hozzászólására (») Márc 25, 2009 /
 
Ha csővel köti be a szenzort, akkor még meleget sem kell nagyon bírnia. Viszont a fordulatszámot elég nehéz lesz mérni, érzékelő híján.
Arról nem is beszélve, hogy mikrokontroller nélkül nemigen lehet kiszámolni a mennyiséget.
Talán egyszerűbb lenne egy torlótárcsás, vagy egy izzószálas légtömegmérő. Mindenesetre egy ilyen project elég sok buktatóval jár, és eléggé felkészülnek kell lenni elektronikailag és programozástechnikailag is.

Azért kíváncsi vagyok ennek fényében mit tudsz neki ajánlani, amitől nem kerekedik ki a szeme!
(#) sasy hozzászólása Márc 25, 2009 /
 
A nyomásméréses légmennyiség mérés nem jó ide mert mivel 3000es fordulat felett állandó a nyomás, de a levegő áramlás nem.Találtam az egyik fiókomban egy hőszálas légtömeg mérőt. Amit mértem gyorsan hirtelen: levegő áramlás nélkül 0,6 volt a kimenő, ha megkergetem egy kicsit akkor 3,5re is felmegy. Ezt lehetne használni jeladónak. Csak talán valami eprommal kellene megoldani a kimenő jelet. Vélemény?
(#) watt válasza sasy hozzászólására (») Márc 25, 2009 /
 
Hát ha nem is eprommal, de mikrokontrollerrel, amiben van A/D. Egyébként a nyomással is lehet mérni, de ezt most hagyjuk, ha van légtömegmérőd. Kérdés mit fogsz vele kezdeni, ha nem tudsz építeni rá egy áramkört? Ez azért nem egy LED villogtató bonyolultásgú dolog, ezt te is tudod!
(#) sasy hozzászólása Márc 25, 2009 /
 
Alakul a dolog. Na nekem egy ilyen kapcsolási rajz kellene. Mert ügye azért az ilyen elektronika tervezéséhez hülye vagyok. Közben az előgyújtás visszavételére is találtam lehetséges megoldást. A kopogásérzékelő jelét kell megváltoztatni. Ezzel átb...va az ECU-t. Így az visszavesz az előgyújtáson. De ez még mindig nem téma.
(#) Slope hozzászólása Márc 25, 2009 /
 
Akkor neked már csak egy kész kapcsolás kell és meg is vagy!

elnézést, ezt nem tudtam kihagyni
(#) sasy hozzászólása Márc 25, 2009 /
 
Hát ha nem is kész kapcsolás, de ha van valami olyasmi amiből el lehet indulni, vagy ki lehet egészíteni, alakítani, az jó lenne.
(#) Noja válasza sasy hozzászólására (») Márc 25, 2009 /
 
Hali!

Nem reklámnak mondom, de azt hiszem tavaly, valamelyik TUNING-ban volt egy cikk...
Ha jól emlékszem californiai emberkénk (bőre alatt is pénz van) egy 6-os BMW-be bepakolt két turbót...Megjegyzésként stabil 800 LE lett a végeredmény...
Szóval azt nyilatkozta, h 4 hónapnyi munka volt berakni a turbókat, és még egyszer ennyi, míg a BMW bombabiztos elektronikájára rápakolt egy másik hasonló bonyolultságút, h ne tiltsa szanaszét magát a gép...
4 hónap...És nem egyedül dolgozott...De valahogy csak összehozták, szal nem lehetetlen a feladat.
Egyébként engem is érdekelne a dolog...
(#) sasy hozzászólása Márc 25, 2009 /
 
Köszönöm a bíztatást De az én autómnak az elektonikája nem olyan bonyolult azért. Amúgy ez egy Toyota Carina E 1.6 Nem nyüglődik minden kis hibáért, módosulásért És én sem egyedül fogok dolgozni rajt. Csak az elektonikai részén. Nyár közepére azért jó lenne ha összeállna.
(#) Noja válasza sasy hozzászólására (») Márc 25, 2009 /
 
Tudom, hogy OFF, de milyen műtéteken esett már át a blokk?? És mit tervezel még??(bocsi, h nem veszed jó néven a tegezést...)
(#) sasy hozzászólása Márc 25, 2009 /
 
Nyugodtan tegeződketünk. Sőt... Semmi más változtatást nem tervezek. És nem is esett át semmin. Ez elég lesz Bőven. Egy turbóval szét is tudnám küldeni a blokkot.
(#) watt válasza sasy hozzászólására (») Márc 26, 2009 /
 
Idézet:
„És én sem egyedül fogok dolgozni rajt. Csak az elektonikai részén.”


Ezt írtad korábban:
Idézet:
„nem vagyok képzett áramkergető”

Akkor ez most hogy is van?

Idézet:
„Na nekem egy ilyen kapcsolási rajz kellene. Mert ügye azért az ilyen elektronika tervezéséhez hülye vagyok.”

Ha kapnál egy rajzot, amiben, mint megbeszéltük, lenne egy uC(pl. PIC), akkor azzal mit kezdenél(A programra gondolok)?
De lehet, hogy meg lehet oldani fapadosan uC nélkül is, de kész áramkör erre nincs, azaz rengeteget kellene kísérletezni, hogy a bemenő ellenállás változásra(izzószál ellenálása) egy másik, kimenő ellenállás változást kapj, ráadásul úgy, hogy ez úgy tűnjön, mint ha a hőmérőd más hőfokot mutatna.

Abba bele se merek menni, hogy ezzel hogy lehet a megfelelő AFR-t beállítani(szerintem sehogy, mert a nem megfelelő(hideg) hőmérséklet esetén nem azok a részek futnak az ECU programjában, amik kellenének!), ami oda vezethet, hogy vagy zabálni fog, vagy szétég benne minden.

Ezt csak egy módon tudná egy elektronikához nem értő megoldani, hogy vesz egy olyan ECU-t és a hozzá való érzékelőket, ami turbo motorhoz való, majd egy diagnosztikai programmal végig nyálazza az AFR táblázatot és beállítja minden terhelési és fordulatszámhoz tartozó rácsponthoz az üzemanyag mennyiség táblázat értékeit(ehhez meg programozói ismeret kell, elektronikai nem feltétlenül).
(A jelenlegi MAP szenzor jeléről és a vákuumos fékrásegítő problémájáról még nem is beszéltünk...)

Szerintem ebből minden lesz, csak nem jó autó, ha ezt nem tudjátok így megoldani.
(#) sasy hozzászólása Márc 26, 2009 /
 
Autóvillamossági szerelő vagyok, nem műszerész. Ez azt jelenti hogy értek azért a villamossághoz de nem olyan szinten mint egy műszerész. A jelenlegi szenzort egy szeleppel el lehet zárni a megfelelő időben, ezáltal az aktuális értéken tartani. A fékrásegítés pedig vákummal működik. Ha nyomod a gázt akkor nem fékezel. Ha nem dolgozik a turbó, akkor pedig van vákum. De találtam egy újabb adatot. Nem feltétlenül kell nekem ellenállást változtatni. Úgy is lehet szabályozni a befecskendezett mennyiséget ha a vízgomba megfelelő vezetékén a feszültséget változtatom. De ehez még mérnem kell hogy konkrétabb adatokat kapjak. Erre még nem volt időm.
(#) watt válasza sasy hozzászólására (») Márc 26, 2009 /
 
Én nem bíznám rád az autómat, ha nem sértelek meg!
(#) zolika60 válasza watt hozzászólására (») Márc 26, 2009 /
 
Nem kell elbátortalanítani. Ha nem próbálkozik nem is tanul. Persze nem ártana előbb tanulni, de van aki fordítva csinálja.
(#) sasy hozzászólása Márc 26, 2009 /
 
Köszi. De nem tennék turbót az autódba ha nem ez a kívánságod.
(#) sasy válasza zolika60 hozzászólására (») Márc 26, 2009 /
 
Köszi neked is. 10 éves tapasztalattal azt hiszem azért már nem vagyok tök hülye...
(#) zolika60 válasza sasy hozzászólására (») Márc 26, 2009 /
 
Azt hiszem ezt nem is állította senki. Csak arra gondoltam előbb olvasgass aztán ess neki a paripának. Még így sem lesz egyszerű. Sok sikert.
(#) watt válasza zolika60 hozzászólására (») Márc 26, 2009 /
 
Olyan dolgok mellett megy el, amiket kifejtettem(pl. az, hogy nyílt hurokban lesz az ECU, ha azt érzi, hogy hideg a motor. Egyébként meg nem fog dúsítani semmit. Nem beszélve arról, hogy ez a dúsítás nem folyamatos, hanem egy másik táblázat értékeit jelenti. (kapcsolgat a táblák és a programszálak között a hőfok függvényében.). Ez így kókányolás.
(#) zolika60 válasza watt hozzászólására (») Márc 26, 2009 /
 
Még az is sok tanulásba kerül, hogy rájöjjön mit nem tud. Viszont én díjjazom, ha valaki olyan dologba kezd ami kihívás kihívás számára. Nagyon emlékeztet a kamaszkoromra.
(#) sasy hozzászólása Márc 26, 2009 /
 
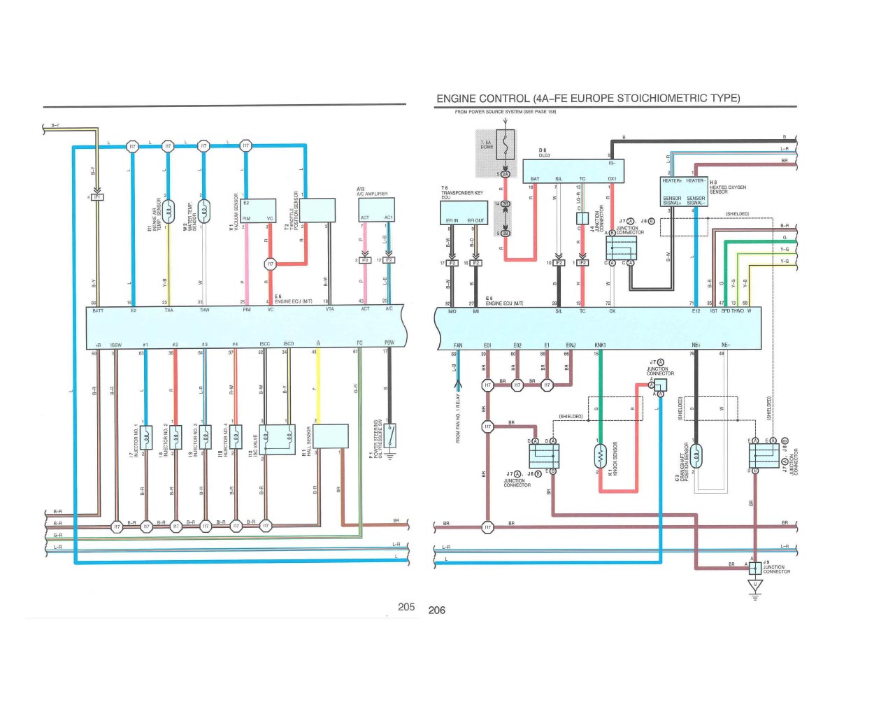
Itt van egy rajz az ECU-ról. Nem pont olyan mint az enyém, de a lényeges alkatrészek azonossak. Hátha ebből tudtok valamit tanácsolni nekem. Valami olyat ami nem kerül 100.000-be

ECU_kapcs.jpg
    
(#) nstsaby válasza sasy hozzászólására (») Márc 27, 2009 /
 
halisten ehhez komolyabban hozza tudok szolni

egy hyundai coupet turbositottam, a gazdaja nem akart sokat ra szanni az elektronikara ugyhogy a vems kiesett es kellet talalnom megoldast, a megoldas egy kulon komputer egy map senzorral meg egy bemeno fordulat jellel es 2 potival allithato hogy mikor inditson egy vagy tobb duznit meg mekkora nyitasi idovel kezdje.
tehat pelda
a mostani duznieid mondjuk 150 cc tudnak 100 szazalekon, ebbol kb 70 szazalekot tudnak stabilan, van beloluk 4 darab, az 420 cc pl 100 loero, 0,4 baros tulnyomas az meg 40 loerot eredmenjez, mert hogy kb 1000 mbar a legkori nyomas, tehat meg egy 200 cc plussz duzni biztos eleg hogy ne szegenyedjen el a keverek!
ezt a kompit egy baratom csinalja, 200 eu, ami joval olcsobb megoldas barminel, de sztem valaki itt a forumon konnyen csinalhatna ilyet!
szoval a vakum/nyomas es a fordulat alapjan nol az injector njitasi ideje, egy delutan be is lehet allitani
a fent emlitett hyundai 2000 ccm turbo dugokkal 1 baros turbonyomassal, es egy plussz 800 cc injektorral, meg erosebb benzinpumpava, de a te esetedben eleg kellene hogy legyen a gyari pumpa is!
Következő: »»   1 / 3
Bejelentkezés

Belépés

Hirdetés
XDT.hu
Az oldalon sütiket használunk a helyes működéshez. Bővebb információt az adatvédelmi szabályzatban olvashatsz. Megértettem