Fórum témák
» Több friss téma |
Fórum » Labortápegység készítése
trafód legyen kettős szigetelésű.
Hi
Örülök,hogy tudok segiteni ![]() Szoval az a talált tápegység 30V AC? ha igen "nyert" ügyed van Én tudok egy 3A-es 1,2-26V szabályozható tápot! Zárlatvédelem megoldható egy 3A-es sorbakötött biztivel Áramerősség,és feszültségmérő nincs hozzá,de azt is lehet "mellékelni" A kapcsolást kiprobáltam,sajna nem hobbielektronikárol van ![]() A rajzon látható kimeneti fesz pontatlan,ugyanis 5k potival 24 V maximum,4,7 potival pedig 26V maximum,a lomex-ban csak 5k volt! Én egy 32V-os AC tápot használok(a rajzon 30V-os van)és csak 1,5A-rel probáltam ki rövid ideig,egy elég nagy hütöbordával,de ha folyamatos 3A-ral akarod müködtetni,akkor követelni fog egy ventilátort! is ![]() Még annyit,hogy 1N4007-es diódát használunk mind a 2-nél,és 50 V-os kondikat Üdv:Gyorsfagyasztott Pulykafilé ![]() Idézet: „Zárlatvédelem megoldható egy 3A-es sorbakötött biztivel” Ne vágjunk már fát Egy tápegység akkor ér valamit ha az szabályozható, mint feszültség mint áram szempontjából. Labortáp, ez nálam olyan feszültségforrást jelent amit univerzálisan lehet használni javításkor, élesztéskor. A zárlatvédelmet nem egy 3A-s biztinek kell ellátnia mert mi van ha amit javítok az 2A-be belehal ? A labortáp nem dugótáp ! tápegység rajz: http://torolt_link6/webtartalom/kapcsolasok/tapegyseg/tap.pdf Üdv!
Sziasztok!
Szétszedtem, egy másik akkutöltőt, amiben ilyen trafót találtam (ld: kép) A kimeneti feszültség 3,4V-tól 14,4V-ig változtatható egy forgókapcsolóval. Ez a trafó hogy lehet tekercselve? Mert a kapcsolóból csak egy vezeték megy a diódákhoz, a másik a trafó egyik kivezetéséből jön. Deniel
Köszi
Euz tényleg pontatlan,nem megfelelő válasz volt! DE ha a zárlat,vagy ha véletlen ősszeér a két kimeneti vezeték(az utobbinál tuti,hogy több amper folyik át),akkor a bizti "leold"ha viszont a zárlat nem emészt fel nagyobb áramot,mint 3 ampert,akkor tényleg én lettem volna a kakuktojás ![]() ![]()
Hello
Azt akarod megtudni,hogy melyik a primer tekercse,hogy ne a szekundert kösd a hálózatra? Ezt általában ugy szoktam megállapitani,hogy kimérem a két végét ellenállás mérővel,és ahol több ohm-ot mér,az a primer tekercs,vagy ahol vékonyabb a vezeték a szekunder tekercs vezetékétől,akkor az is a primer! Ha nem ezt akartad megtudni,hanem azt,hogy tényleg hogy van tekercselve Ez a trafó ugy van tekercselve,hogy több kivezetése van,amely kivezetéseken eltérő feszültséget mérhetsz! A kapcsolóbol azért jön ki egy vezeték,mert a a trafó kivezetésének eggyik polaritását kapcsolja arra ez egy vezetékre! Ez a kapcsoló pont ugyanugy müködik,mint a vasutnál a forgóasztal! Csak az a mozdony tud kijönni,amerre az asztal "áll" itt csak azt a feszültséget tudod használni,ahol a kapcsoló zárja az épp arra rákötött feszültséget! Nem tudom érthető vagyok-e? de sztem nem igazán... ![]() Pontosan nem tudtam mire vagy kiváncsi!
Köszi a választ.
Igazából arra lennék kiváncsi, hogy mekkora feszt lehet belőle kihozni? De szekunder tekercs ezek szerint csak egy van, de több kivezetése van? Deniel
Sziasztok!
Tudna valaki küldeni egy jó kapcsolást labortáphoz? A feszültség és az áram legyen állítható! kb 0-20V-ig 0-2 vagy 3 A-ig PCB-é tetszik, csak nem teljesen értem a rajzot. Miért van darabokra szedve? Deniel
Szia!
Azért van darabokban mert a szaggatottal keretezett egy panel, ami külön van az meg külön kerül mellé A 2N3055 nincs a panelen mert az pl: a doboz hátulján van egy hűtőbordán. A Potik megint csak külön vannak kivezetve. Ha megnézed minden ami külön van a PCB-re kapcsolódik. Nézd meg a PCB rajzot is. Üdv!
Nekem van egy fain rajzom, meg is építettem, hasonló, mint a tied, de sajnos nem akar müködni! nem tom miért..
mikor még teszteltem, (dobozolás előtt) akkor müködött, most meg már nem.. de már szétbontottam, és ugy sem megy.. megvan hozzá a komplett leírás is, de sajnos nem megy... Hibajelenség: Világít a led, és a müv erősítő nem kapja meg a szimmetrikus feszt, hanem egy picit elmegy --> +6V @ -7.xxV !!! Esetleg van valami ötletetek???
Az áramerősséget, és a feszültséget melyik potival lehet állítani?
Csak egy van kivezetve. A potméterek lineárisak? Mindkét tranzisztornak kell hűtőborda? kb mekkora borda kell? A tranzisztorok meletti diódák és ellenálások miért nem a panelon vannak? Deniel
olyanra van lehetőség, hogy erősítőknek szeretnék csinálni szabályozható tápot.
0-50V, 0-1A tartományban kellene szabályoznia. Ja és szimmetrikusan. De gondolom a szimmetria 2 egységgel megoldható. Nekem a feszültség lenne a legkritikusabb pont. rengeteg szabályzót találtam de max 30V. Tudom, hogy a legtöbb 50Vos erősítő megy 30ról is, de van pár ami nem... Az izzókkal meg már nem akarok jáccani.
na, az én kapcsolásom átépíthető 50V-osra, csak éppen az enyém nem akar beindulni!!! Ha rápillantanál a rajzra... Pedig már müködött, csak bedobozoláskor vmit elb..sztam... (Rajz visszább csatolva)
Szia !
P1 -P2 ez a szabályzás (Lin) P3 - P4 az alapbeállítás Borda min: 150x70 -es (Al) ha nagyobb egy hűtés az sosem baj ! Persze, kell mindkét tranyót hűteni. Azért nem a panelen vannak a diódák mert én azt a kivezető kapcsokhoz tettem a dobozba. Beültetési rajzot nézd meg látszik minden. A schematikus rajz csak a kapcsolás elméletét mutatja ahogy kinéz, ami fizikailag megvalósul az a PCB rajz. Láthatod hogy P1 és P2 is ki van drótozva, egyik sincs a panelra ültetve. Üdv!
Még egypár kérdés:
Az alapbeállítás, pontosan mit jelent? Ha rakok ventilátort a bordára, akkor lehet kisebb? Mekkora a max áramerősség, amit bír? Deniel
Szia !
5A a max áramerősség, Akár tehetsz ventillátort is. Az hogy mekkora bordát teszel rá, végül is szubjektiv. Álltalában az a szokás, hogy ha egy táp 5A-t tud akkor akkora hűtést tesznek amivel az 5A-t akár évekig is tudja. Ha te úgy itéled meg, hogy csak 2A-t fogsz kihasználni, akkor elég a kisebb is. Alapbeállítás: rosszul fogalmaztam A max áramerősséget és max feszültséget tudod beállítani amit a szabályzó potikkal nem tudsz túlhaladni. Nevezzük tehát felső áram és feszültség korlátozónak. Üdv!
Szerintem én nem fogk 5 A-t használni mostanában.
2A-hez kb mekkora hűtő kell? Deniel
Szia !
Tegyél egy akkora bordát amire kényelmesen ráférnek a tranyók. pl: legyen olyan hosszú mint a PCB és legyen35mm magas. Üdv !
Hello!
Most az lenne a kérdésem, hogy, ha beépítem az előzőleg belinkelt dgitális feszültség, és ampermérőt, akkor azoknak a táplálása, mehet a nagy trafóról, vagy kell nekik külön? Deniel
Lenne egy kérdésem, most itthol vagyok, mert beteg vagyok, és szeretném megcsinálni az első hozzászólásban lévő labortápot, de nincs 3055-öst tranyóm itthol, de bd249-es van, nem lehet azt használni helyette?
Ahogy nézem lehet. Kell akkor valamit változtatni a rajzon? Előre is kösz.
Jó Estét
![]() Ha az ampermérő,és a "fesszabályzó" külön nyákon van,vagy nincs a labortáp áramkörében benne,akkor azt én is megtudom neked mondani,hogy meg kell tudnod,hogy mekkora fesz kell a 2 mérőnek,és ha ennyi fesz nincs a labortáp trafóján,akkor lehet levinni tápIC-vel,vagy másik külön trafó kell! De én mindenképp az IC-vel vinném le a feszültséget,egy külön trafó tul "dúrva",és felesleges lenne sirály12:Ezt majd megnézem a könyvben Üdv Gyorsfagyasztott Pulykafilé
deniel írta:
Olyat nem lehet csinálni, hogy a trafó kimenetéről párhuzamosan 2 szer veszem le a feszültséget (pl 12V), külön egyenirányítva, és stabilizálva, majd a végén sorba kötve nem kaphatok 2 szer akkora feszt (24V) ? Vagy ez nagy hülyeség? Csak a mondat első része kivitelezhetetlen. Feszültségkétszerező kapcsolás létezik: pl: pl az összes PC-táp így oldja meg a 110V-os hálózati üzemet (ha kell). A trafónál természetesen a feszkétszerezés után csak fele áram vehető ki.
Pulyka: Köszi, van elég fesz rajta, csak az olvastam valahol, hogy a műszereknek külön táp kell.
Akkor ha 2 stabIC-vel előállítóm a +- feszültséget, arra mehet mind a 2 mérő? Sebi: Tudnál küldeni ilyen kétszerező kapcsolást? Deniel
Hello!
Már megint én vagyok. Ez jó bordának? Ezzel kb mekkora teljesítményig bírja? http://hqvideo.hu/info/hu/cool_s4463_075.html Deniel
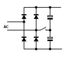
Itt van 1: ha a kapcsoló zárva van akkor kétszerez, ha nyitva akkor nem. Tehát ha csak kétszerezni kell, akkor 2 dióda elhagy6ó.
Pl. a szabályoz6ó táp disszipációja csökkenthető, ha az alacsonyabb tartományokban nem kétszerez, hanem graetz-ként funkcionál, amikor nagyobb a kimenőfesz. igény, akkor kétszerez. Általában a nagyobb feszeknél elegendő a fele áram is.
Jó a BD249 minden változtatás nélkül.
DVM-ek: a táplálás vagy DC-DC leválasztós konverterrel, vagy + - 5V-ról történhet, ez utóbbi esetben közösíthető a mérendő GND a DVM IC táp közösével. A két DVM mehet közös tápról, de ekkor az árammérő söntöt a negatív ágba kell beiktatni.
Közben már vettem 3055-öst.
Kész a panel, minden megvan, kivéve egy alkatrészt, a 2n3054-est, mert ezt nem tudtak adni a boltban, és nincs is ittholy olyan tranyó, amivel pótolni tudnám, úgyhogy 1 tranyó miatt áll a cucc.
A 3054-es helyett nem jó egy 3055-ös. Mert 1 tranyót nem fogok neten rendelni, az biztos.
|
Bejelentkezés
Hirdetés |


















