Fórum témák
» Több friss téma |
Sziasztok!
Szeretnék Reed csővel áramkört kapcsolni, konkrétan modellvasút fényjelzését (12-16 Volt). Elképzelésem szerint átmegy a mágnes a reed felett, behúz a relé és úgy marad, átmegy a mágnes következő reed felett kienged a relé és úgy marad. Milyen relét, vagy mit kell beszereznem hozzá? Előre is köszi.
Helló!
A legegyszerűbben egy bistabil kapcsolást kellene építeni, (például 7474-el, D flip-flop) a clk bemenetre vezetni a reed jelet, és a flip-flop kimenetre egy tranzisztoron keresztül vezérelhető a relé. A két reed-et meg párhuzamosan kötni, akkor az egyik bekapcsolja, a másik pedig kikapcsolja a relét.
Köszi, de azt elfelejtettem írni, hogy igen kevés ismerettel bírok az elektronika terén, (forrasztani azért tudok) úgyhogy ezt sajnos nem értem. Kicsit érthtőbben lehetne?
Kösz a képet, de a relé típusát sajnos nem tudom elolvasni, leírnád? Köszi.
Szia! Ilyen relé jó?
12volt DC, 2morse, 1Amper
Szia! Teljesen jó az a relé. Csak zárójelben jegyzem meg: ez a megoldás csak akkor fog működni, ha a vonat mindig az egyes reed felől érkezik és a kettes felé távozik.
Üdv: SzervízMacska
Valószínűleg a modellvasutat sem azért automatizálják a népek, hogy utána menetirány változáskor kézzel átfordítsák a mozdonyt. De analóg vezérlés esetén - tehát ha polaritáscserével váltja az irányt - a te oldalra pozícionált mágnesed is megoldást nyújthat. Gondolok itt két kis elektromágnesre, melyek közül mindig csak az egyik működik. Ez viszont már túlzottan bonyolítaná a kapcsolást - szerintem. Ennél már tényleg egyszerűbb egy bistabil vezérlés, két párhuzamosan kötött érzékelővel. Főleg, mert ez arra a helyzetre is megoldást nyújt, mikor a vonat a két érzékelő között megáll, majd hátrafelé távozik.
Köszi, meg is vettem az említett relét és már csak egyetlen kérdésem van (egyenlőre): melyik lábra mit kössek?
Sziasztok!
Volt egy korábbi kérdésem, Idézet: „ Szeretnék Reed csővel áramkört kapcsolni, konkrétan modellvasút fényjelzését (12-16 Volt). Elképzelésem szerint átmegy a mágnes a reed felett, behúz a relé és úgy marad, átmegy a mágnes következő reed felett kienged a relé és úgy marad. Milyen relét, vagy mit kell beszereznem hozzá? ” Vettem egy RY12W-K relét és most azt szeretném megtudni, hogy mit és hova kössek a 8 csatlakozóláb közül? Előre is köszönöm a választ.
Nem tudom, miért ennyire iszonyat sürgős minden?!? Felfogtad azt, hogy ez a relés téma, amit felhoztál, csak alig pár órás? Milyen jogod várod el bárkitől ingyen és bérmentve, hogy csak a te kedvedért néhány órán belül válaszoljon a kérdéseidre mindenáron?
Magadtól is kezdhetnél valamit, nem feltétlenül kell a sültgalambot várni folyton! Belegondoltál már abba, hogy az internet lassan összeroskad az információhalmazban, ami terheli? Lehet keresni, kutakodni egyedül is, magyar, külföldi anyagok után bátran, lehet olvasni ezerrel, informálódni, nem harapja le a netkutya a kezedet, nem esik le az aranygyűrű az ujjadról... Természetesen itt az oldalon is lehet kérdezősködni, de célszerű betartani az alapvető szabályokat, amelyek a Fórumszabályzatban olvashatók! ... akik értelmesen kérdeznek és nem pattogtatják a népet, azok az esetek többségében értelmes válaszokat kapnak, reális időn belül...
Szia ,jó az amit Simpi rajzolt csak morse érintkezös reed cső kell hozzá pl:Bővebben:reed cső és még ic sem kell hozzá
Le vagyok maradva. REED csőből már morse is van. Hát, igen. Nem csoda hogy csak ritkán használom ezeket. Közben nekiálltam tervezni egyet a hagyományos reed-el, de látom nincs értelme, hisz ez a legegyszerűbb, amit baloghzoli1 fórumtárs javasolt és köbzoli barátom már illusztrált is.
Ez ám a sebesség UPC elbujhat
Szia! Én kérek elnézést, de aludtam is egy kicsit, míg Te megvetted a relét. Csináltam egy vázlatot a relé lábkiosztásáról.
Üdv: SzervízMacska
Nagyon köszönöm a rajzot. Erre van szükségem.
Tehát PDF formátumban, (simpi linkje,) vagy ahogy a relé oldalára rá van rajzolva, úgy nem volt jó?
Ne haragudj, Laci, én nem akartam senkinek az érdemeit csökkenteni azzal, hogy lerajzolom. Csak amikor csináltam, nem volt még fent az adatlap és fényképezőt keresgéltem meg kábelt, töltőt hozzá. Szóval addig szütyögtem vele, amíg felkerült az adatlap. Utána meg már nem tudtam törölni. Egyébként az adatlapon is meg a relén is elég sematikus az ábra egy ennyire kezdő emberkének - ez már a témanyitó hsz.-ból is sejthető volt. :hide: Szóval, még 1x elnézést!
Hali!
Az lenne a kérdésem, hogy egy relét kapcsolok reed csővel ami egy tekercsben van! A tekercsben ugye mágnesesség lesz ha elindul a motor, és a reed tartja a relét míg meg nem szakad az áramkör! De az vele a gondom, hogy néha "összeragad" a reed cső, és nem kapcsolja ki a relét! Ez mitől lehet? A relé 12 voltos, és 600 ohmos! Valakinek lenne ötlete mi a hiba? üdv PIXI
Sajnos a reed már csak ilyen. Nem szeret egyenáramot kapcsolni, (egy idő után). Próbálj meg váltófeszültséget kapcsolni a reed relé tekercsére rövid ideig, lehet hogy rende jön, de ha nem, akkor csere.
Hali!
Ez csak sima cső, és nem komplett relé! A tekercs az csak pár menet egy motorral sorba kötve!
Az a pár menettől már egy "áramrelé". Ha csak a cső lenne, és egy állandómágnes közelítésre kapcsolna akkor igazad lenne. De ahogy köbzoli írta, a kapcsolt jel ha egyenáram, akkor szeret "letapadni", ha induktivitást kapcsol, könnyen beég. a letapadást lehet egy kis váltóáramú gerjesztéssel megszüntetni, a tekercsen keresztül, jelen esetben a néhány meneten keresztül. Beégés esetén egyből csere.
Sziasztok,
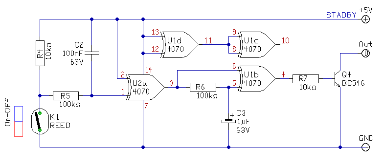
Tervezem egy egyedi számítógép ház építését, ahol a be/ki kapcsolást úgy szeretném megoldani, hogy egy reed érzékelő fölé mágnest téve bekapcsol, elvéve onnan pedig kikapcsol a gép. Sajnos elég hiányosak már az elektronikai ismereteim. Megvalósítható-e az ötletem, és ha igen milyen paraméterű alkatrésszel? Előre is köszi a hozzászólásokat.
Egy fél Amperes is elég. Csak ne fém, hanem műanyg rész alá szereld fel.
A PC inditasa egy impulzussal tortenik, es a leallitas is. Tehat csak ugy lehet, hogy odateszed a magnest es elveszed az inditashoz, majd ugyanezt a leallitashoz. Amikor hosszabb ideig zarva van a kapcsolo akkor leall a gep.
Köszönöm a választ. Egy kicsit elszomorított, hogy nem tudom terveim szerint megvalósítani, de akkor agyalok még egy kicsit rajta, hátha van más megoldás erre a mágneses kapcsolásra.
Neked is köszönöm a választ szamóca
Hello! Miért? Most ezzel mi változott? üdv! proli007
Csak annyi, hogy én úgy akarom a működést, hogy odateszem és otthagyom a mágnest-> dekapcsol, megy, elveszem -> kikapcsol.
Ha van erre esetleg megoldásod, hálásan fogadnám.
Hello!
Nem olyan nagy gond ez. üdv! proli007 |
Bejelentkezés
Hirdetés |






