Fórum témák
» Több friss téma |
Fórum » Készülékek kapcsolási rajzai
Témaindító: csikosgabi, idő: Máj 6, 2006
Témakörök:
Hello sziasztok!
A tanácsotokat kérném van egy orosz erősítőm (Vef 101 stereo) teljesen jol műkődik pár percig majd recsegő hangot hallat ?nin amikor egy potméter szarakszik! cseréltem is egyet benne hát nem az volt!gondoltam átméregetem a panelt kicseréltem az őszes kondit,és továbbra is csinálja!ellenálások mind jok!(a végfokok előtt is recseg) tanácsotokat előre is kőszőnőm
sziasztok
![]() most jutottam egy onkyo tx-sv373 as házimozi erősitőhöz van e valakinek kapcsirajza hozzá?,, a panelen meghalt egy c509 jelü polarizált kiskondi és ha jól láttam a korom alatt az r543 jelü ellenálat,,no meg 2db végtranyó de azokat már kicseréltem ez a kettő kellene még a müködéshez,,köszönöm előre is
nad 3020i hez van e valakinek kapcsi rajza?köszike
hellosztok!! a segitségeteket szeretném kérni a képen láthato végfokhoz keresek pkapcsolási,nyákrajzot illetve beültetési rajzot és még alkatrész listát!!!előre is köszönöm!!!
uccso kép szakértö kezekre utal.hütés nélkül is megy, class d.franko kis szerkezet nehogy kidobd.inkább forraszd ki belöle ami még menthetö.
Ne viccelj!
Sima AB osztályú végfok! Csak le van szedve a hűtőbordáról, meg ha jól látom egy-két tranzisztor már hiányzik belőle! geriromeo! Ilyen életlen kép alapján lehetetlen segíteni, így te otthon hamarabb vissza tudod rajzolni!
hát biztos nem gyári a darab,tehát max. kapcsolási rajzot lehetne találni hozzá.de remélem nem dugtad még be a konnektorba kipróbálni.
HellosztoK!!
BD249,245 a 2 fö tranyo!!az biztos hogy van benne BD 139, mert igy kaptam kézhez!!csak rajz kellene hozzá hogy mi hiányzik belöle!!
Csinálj élesebb képet mind a két oldaláról!!
Egy kis segítség: Bővebben: Link Így engem az RT-s 100W-os erősítőre emlékeztet, de nem biztos!
hello holnap rakok fel normálisabb képet mert tesomnál van a fényképező!!!!de szerintem ez is megteszi!!!
Sziasztok.Olyan kérdésem lenne...hogy ha valaki ismeri a globelektro erősítőt,és van kap.rajz róla azt megoszthatná velem!
Köszi
Sziasztok!
Segítségeteket kérném a következő autó erősítő kapcsolási rajzának keresésében. SoundLab 75WX2CH tip.CPA 100. Megköszönném ha valakinek esetleg lenne és feltenné az oldalra.
VIDEOTON RA6363 S típusú erősítő kapcsolási rajzát szeretném megszerezni nyomtatható változatban ill. végfok rövidre zárás esetén hol hibásodhat meg az előerősítő rész,mert a biztosítékokat nem olvasztotta ki és mindkét oldali végerősítők jók?!Előre is köszönöm!
FISHER CA 874 típusú (TRANZISZTOROS) erősítő kapcsolási ill alkatrész beültetési rajzát szeretném megkapni vkitől nyomtatható változatban!Köszi!
Hali!
Ha valaki tudna nekem segiteni, megköszöném. Probléma a következö: - régi Videoton EA 6383 s erősítő és Denon DCD-595 CD-lejátszó kapcsolási rajzokat keresek. Tudna valaki segíteni nekem ebben?
Mi lenne ha használnád a keresőt!EA 6383 s
Minden topikban tedd még fel a kapcsolási rajz kereséseidet!
Köszönöm a segítséget, máskor jó lesz, ha a pontra menő -> kapcsolási rajz
témában kérek sokféle kapcs. rajzot?
A kapcsolási rajzot keresek témába helyeztem a Denon DCD-595 CD-lejátszó k.rajz keresésedet. A topik címe mindent elárul.
Üdv.
Sziasztok nemtudna nekem valaki feltenni egy 2,1-es erősítő kapcsolási rajzát?Nagyon fontos lenne. Előre is köszönöm.
Segítségeteket kérném a következő autó erősítő kapcsolási rajzának keresésében. SoundLab 75WX2CH tip.CPA 100. Megköszönném ha valakinek esetleg lenne és feltenné az oldalra. Rajz hiányában elég lenne csak a tranyók tipusa ill. a tápfesz.bemeneti részen néhány alkatrész értéke,mert szétégett. Köszi
Üdv mindenkinek.Lenne egy olyan kérésem,hogy van-e valakinek egy Sherwood AI-2213r erősítő rajza?Mert szereztem egy ilyen erősítőt,és hiányonak a tranyók.Nagyon megköszönném!
Hali urak lenne egy nagy problémám.
Az van h meghalt az erölködőm még régebben. Meghaltak a végfokok. Egy "proli007" nevü emberke +próbált segíteni azzal h átszabta a végfokokat 4ohmra,de nemigazán sikerült összehoznom. Arra gondoltam h kellene bele valami egyszerűbb véget tenni.Pl:TDA**** Csak sajna nemtaláltam semmi belevaló. Sajna a tarfó +58V ad le.A trafóhoz nem nyúlnék mert a többi része jó. Nah szóval kellene nekem valami egyszerűbb +58V környéki végfok terv.Kb 2*50W. Előre is köszönöm
Szia
Mi lenne a fő cél? Hogy 4 ohmmal is tudd terhelni? Sajnos ahhoz nem lesz elég erős a trafód. Szerintem többre jutsz, ha megjavítod a gyári végfokot.
Ha mondjuk nem a +58Vot használnám hanem a +22V-ot az megoldható?
Vagy az az ág nemtud annyi ampert amennyi nekem kellene,mert erre a feszkóra már van TDAs megoldás is. Vagy tényleg felejtsem el a dolgot és csináljam meg a gyári végeket?
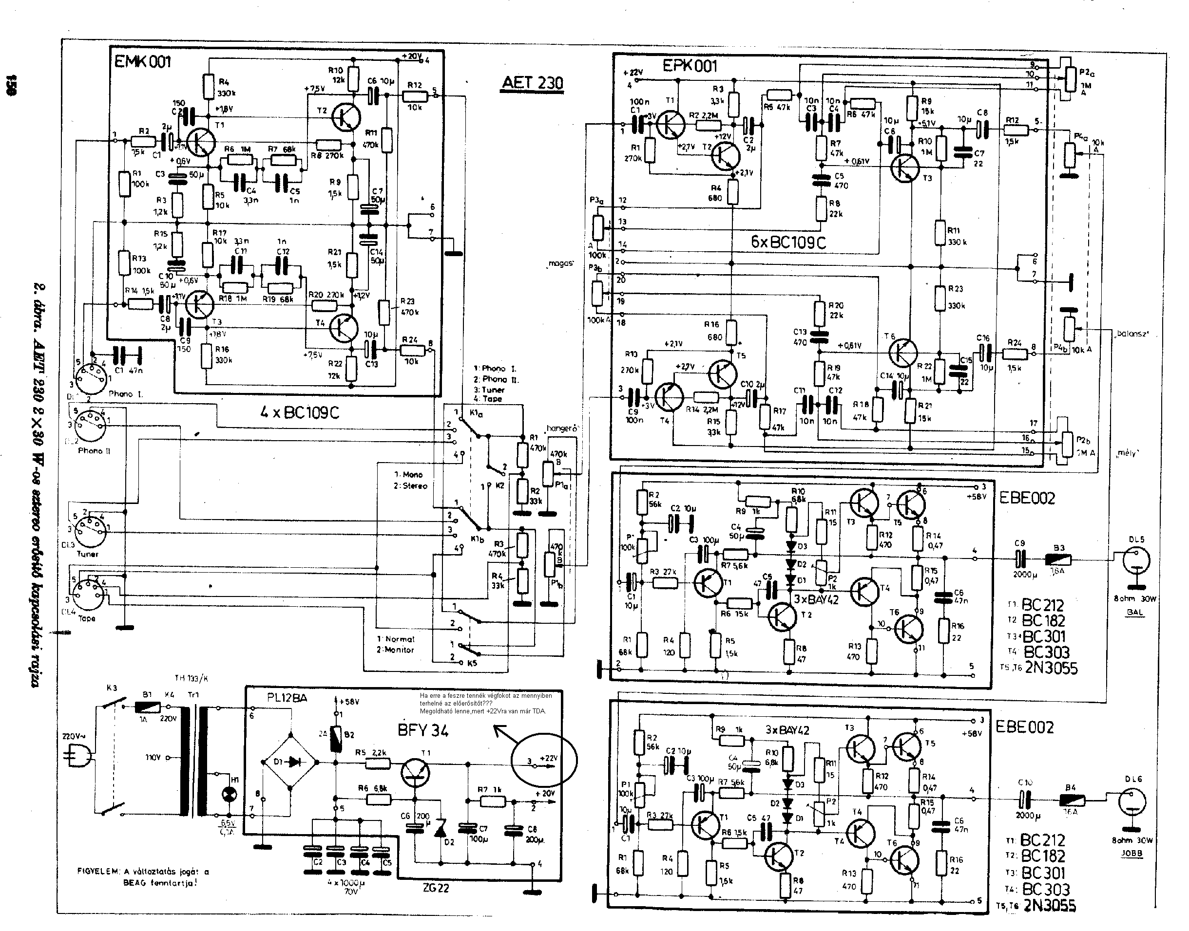
Hali.Teljessen véletlenül találtam ezt a rajzot.
(Pedig elég sokat kerestem) Szerintetek működhetne? Mi van akkor ha stereot csinálok,de nem hajtom ki teljessen,mert mondjuk a tápom kb 300W. De van előtte egy előerősítő EQval. Véleményeket várok.
Hello.
Hogy működik-e szerintem igen bár nem vagyok szaki (de tanulom az elektrot) Az hogy a tápod mekkora az (W-ban természetesen) nem befolyásolja a működést csak ha kevesebb mint aminek kéne lenni úgy hogy kivezérelheted teljesen. én már csináltam 4-5 erősítőt és a tápját úgy számoltam hogy az erősítő teljesítménye*1.4=a trafó teljesítménye (a megfelelő feszültségekkel) akkor biztos működik. |
Bejelentkezés
Hirdetés |























