Fórum témák
» Több friss téma |
Szia!
Ez melyik kapcsolási rajzhoz készült? A CD4017 előtt lévő CA3130-as IC helyett is 555-ös van. Kíváncsi leszek az eredményre. Reméljük beválik, és akkor lesz egy használható riasztó. Én egyenlőre a meglévő Hobby Elektronikás panelemmel kísérletezek, bár sok időm nekem se lesz, mert nyakamon a vizsgaidőszak. Azért remélem hétvégén valami eredményre fogok jutni. Jó építést kívánok, ha elkezded.
Üdv
Ehhez van a nyákrajz. Elvileg ugyanúgy működnie kell, mert már hajtottam 4017-est 555 IC-vel, azzal nem lesz gond, arra leszek kíváncsi hogy mekkora lesz a hangereje. Először számunkra hallható frekin próbálom ki, majd utána jön a kutya majd hörcsög teszt ![]() Kiderül. De most még pár hétig nem tudom összerakni, remélem Conrad gyors lesz, azért megpróbálok vmikor hazaugrani összerakni és letesztelni. Üdv
Sziasztok!
Megvettem a Conrados piezo hangszórót! Rákötöttem a panelemre, nagyon-nagyon halkan, szólalt csak meg, a K kapcsoló bekapcsolásával is. Dinamikus hangszóróval, azért erősen szólt. Aztán átraktam a piezot a képen látható helyre, kihagyva a tranzisztorokat, és ott pedig hangosan megszólalt. Aztán számítógéppel egy jelgenerátorral ami 21.000 Hz-ig képes jelet adni kísérleteztem. A hangkártyáról egy erősítőbe vezettem a jelet és arra kötöttem a Piezot. Szépen megszólalt itt is, főleg a magasabb tartományokban. Valószínűleg valami illesztési gond lehet a kapcsolásban, mert csodálkozom, hogy az erősített jelnél halkabban szólalt meg. Szerintetek mi lehet a gond? Mondjuk azon is csodálkozom, hogy miért hallok bármit is, amikor elvileg 18-40 kHz-en működik, avagy amit hallok az más? Egyébként nem egy nagy valami ez a piezohangszóró.
Vendelkiraly és Dolfin!
Próbáljátok ki a kondis kicsatolást, mint ahogy általában az erősítőkben is szokás. 22µF meg is felel. Nekem így hangosabban szól akármelyik riasztó akármelyik piezoval, mint a tranyós fokozattal.
Üdv
Az milyen? Én még nem hallottam róla. Esetleg egy kapcsrajzot küldenél? Köszi
Egy elektrolit kondit kötsz sorba a piezoval, és azt kötöd a kapcsolás kimenetére, de ne a tranyós fokozatra, hanem oda, ahol az IC meghajtja a tranyókat.
Valahogy így.
Nálam ugyan olyan maradt a hangerő. Ez egész hangosnak mondható, de biztos lehet még rajta valahogy növelni.
Érdekes, a 10,12,13-as lábakra kötve még hangosabban szól, bár ott már lehet, hogy nincs az a frekvencia, ami nekem kell, csak a hallható.
Ilyesmi meghajtást már láttam (azt hiszem vakondriasztós témában), de egyszerűbbnek ítéltem a kondis kicsatolást, ezért nem "vesződtem" ezzel. Azért kíváncsi vagyok a hangerejére, majd számolj be róla!
Kísérletezések után kicseréltem a C4-es kondenzátort. 10-22pF-os értékre, R2 pedig 100k-s trimmerre cseréltem le. Így a P2 1M-ás trimmer max. értékre csavarva még hallható hangot ad ki a piezo, aztán csökkentve az ellenállás értékét nem hallani a hangot, viszont a piezo egy folyamatos pattogó hangot ad ki. Ez mit jelenthet? A piezo dolgozik az biztos. Szerintem így már ultrahangot is ad ki.
A kapcsolót bekapcsolva hallható sípoló hangot sugároz a piezo. Szerintetek?
Sziasztok!
Azt szeretném megkérdezni, hogy a #434959 dolfin hozzászólásban szereplő kapcsolást megépítette valaki eredetiben? És működik? Mit kellene változtatni rajta, ha macsekokat szeretnék vele riogatni? Nagyon köszönöm!
Üdv
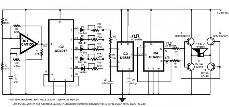
Én most építem, jelenleg ultrahang sugárzó hiányzik hozzá, de a kapcs már megvan. Semmit nem kell változtatni, csak számolni. A VR2, VR3,...potikat kell úgy állítani hogy azt a frekvenciát sugározza amit a macska nem szeret. A macska (net szerint) a 23Khz körüli frekvenciát nem szereti, tehát úgy kell beállítani hogy az 555 ennek a dupláját adja. A Hobbielektronikás segédprogram nem engedi a 330pF-os kondit beírni, csak az 500-ast. Akkor a kapcson a 330-pF-ost cseréld le 500-asra, akkor a program kiszámolja hogy: Alapba a kapcsoláson: R2 = 18K R1: 4,7K ami 70Khz-et jelent (a Flip-Flop osztó miatt ez 35Khz lesz) ha VR2 = 0 Ohm Neked kb 23Khz*2 = 46Khz körüli frekvencia kell amit: A 4,7K ellenálláshoz még + 25-35K kell, e közé kell állítanod a potmétereket. (összesen 30-40K legyen) Ekkor a változó frekvencia miatt nem szoknak hozzá a macskák. Üdv
Hello!
Köszönöm az infót. A másik fórumban Ebriasztóhoz való ultrahang-sugárzó van ehhez EAGLE-ben készült kapcsolási és NYÁK rajz. De úgy látom, hogy ebben a potik helyett fix ellenállások vannak. Ebben az esetben az 5 db ellenállás helyére olyan 8K-s ellenállások kellenek. Vagy jobb a potméteres megoldás az állíthatóság miatt? Viszont ezt átrajzolni nem tudom, mert ehhez nem értek.
Üdv
Ugyanaz a kapcsolás, A 100kp-k helyett tehetsz be potikat, az ellenállás értéküket kell ugyanarra beállítani mint amit mondtam és a 330p helyett 500p-t tegyél, akkor a hobbielektronikás segédprogram tud számolni. Köszi
Sziasztok!
Próbálkozom a #439014 hozzászólásomban feltett tervet átrajzolni, hogy a diódákról nem ellenállás, hanem az eredetinek megfelelően potméterek mennek az 555-ös IC felé, de sajnos nem megy. Az egy dolog, hogy nem tudom hogyan kell bekötni a potmétereket, de a NYÁK terv meg teljes káosz lesz. Valaki legyen szíves segítsen nekem. Nagyon szépen köszönöm! Üdv.: Don
Üdv
A mellékelt képen egy potméter látható. Kb így néz ki, de van másmilyen kivitelben is. Mindegyiknek 3 lába van (najó a legtöbbnek ) Ellenállás helyett úgy tudod bekötni hogy a középső lábat az ellenállás egyik lába helyett, egy másik lábat meg az ellenállás másik lába helyett.A 3. lábat hagyd lógva. Ekkor 0 és max ellenállás között tudsz vele állítani (a max ellenállás értéke rá szokott írva lenni). Egyébként azt hiszem a fórumon is valahol megtalálható a potméter működése, de dióhélyban: A középső láb érintkezik egy ellenállás felületre úgy hogy tud rajta csúszni. A másik két kivezetés meg az ellenállás felület két vége. (potmeter2.png file) Ha tekered a potmétert akkor változik a középső csúszó kivezetés távolsága a 2 kivezetéstől (nő vagy csökken az ellenállás). A kapcsrajzot nem kell átalakítani. A diódák utánra, a 100kp feliatoknál lévő lukakhoz kell kötni 5db potmétert (de tehetsz ellenállást is csak akkor nem lesz állítható). A 3. képen (rajz.jpg) bekarikáztam ahova a 2-2-2-2-2 poti lábat kötni kell. Ha van még kérdés írj. Üdv
Hello!
Köszönöm az infót! ![]() Beletettem a potikat, de persze csak a board nézetben csináltam nekik egy kis helyet, aztán kicserélgettem az ellenállásokat. Azért ránéznétek, hogy nem kötöttem-e el valamit? Persze tudom nem lett szép, de sajnos nem értek ezekhez a progikhoz. ![]() Nagyon köszönöm! Üdv.: Don
Üdv
CSak kis időm volt átfutni, de 2 dolgot találtam benne hibát. A pirossal rajzol részek. Egyiknél a 2 potit nem kötötted rá a kivezetését az 555re menő kábelre, a másiknál meg nem értem hogy a 4017-esnél az a kábel miért megy oda? Átalakítottam, de ha valaki hibát lát szóljon, de másodszori átnézésre jónak tűnik. Üdv
Üdv
Összeraktam a kapcsolást, de én is csak kattogást tudtam elérni vele. van 1-2 ötletem hogy mi lehet a hiba, a most pénteki vizsgám után szombaton hazamegyek és áttervezem, próbanyákon kipróbálok pár variációt és az eredményekről folyamatosan beszámolok. Üdv
Hello!
Hát összeraktam a cuccot. Próbáltam hallható tartományra állítani (~15KHz), de sajnos semmi. ![]() Amikor tápot kap, akkor egy kis halk pattanás, aztán semmi. ![]() Nincs valakinek valami ötlete? Vagy, hogy hol mit mérjek? ![]() Nagyon köszönöm! Üdv.: Don
Üdv
Most próbálgatom a kapcsolást próbanyákon. A jóhír hogy a hangszóró jó, simán 555IC-vel működik, a 4013-mal van valami probléma, ha valaki tudna küldeni egy példarajzot a 4013-hoz azt megköszönném, mert az adatlapja alapján nem sokat tudtam kiszedni belőle. Csak egyszerűen melyik lábra mit kell kötni... Ultrahangon és hallhatón is szépen szól, 9V-on elég szépen, most próbálom kitalálni hogyan tudom hangosabban megszólaltatni. Ha valami kiderül megírom. Üdv
Hello!
A 4013 nem egy ördöngösség... Egy un. Master-Slave D tárolóról van szó. - A tároló kimenetei a Q és -Q (Q negált). Ha a Q magas szintű, akkor a -Q alacsony. Ha a Q alacsony a -Q magas. Tehát a két jel egymás negáltja (v. invertáltja. - A tárolónak van két "statikus" bemenete, a Set és Clear (Clr). Ha a Set magas szintű, a Q kimenet is magas szintű lesz (-Q persze alacsony). Ha a Clear bemenet magas szintű, a Q kimenet alacsony szintű lesz (-Q persze magas). Ezek a bemenetek elsőbbséget élveznek, más bemenő jelekkel szemben. De a tápfesz bekapcsoláskor, a Q kimenet tetszőleges szintet vehet fel. Azaz nincs alaphelyzet beállítása a kimenetnek. (-Q persze ilyenkor is mindig a Q ellentettje) A kapcsolásban ezek a bemenetek nem használtak, tehát hogy hatástalanítva legyenek, mind kettő szintje alacsony (GND) lesz. - A tároló, a Clock (Clk)órajel bemenet felfutó élére billen. (Tehát abban a pillanatban, amikor a szintje alacsonyról magasra vált.) - A Data (D) bemenet az adat bemenete. Az órajel felfutó élére ennek szintjét másolja be a Q kimenetre. Tehát ha a D szintje magas, akkor a Clock felfutó élére a Q kimenet is magas szintre vált. (Persze ha előzőleg már magas szinten volt, akkor nem csinál semmit a Q) Ha az órajel felfutó élének pillanatában a Data bemenet alacsony szintű volt, akkor a Q kimenet is alacsony szintre vált. (Persze ha előzőleg már alacsony szinten volt, akkor nem csinál semmit a Q) Tekintve, hogy a kapcsolásban a Data bemenet a -Q kimenetre van kötve, a Q kimenet (és a -Q is) minden órajel felfutó élére az ellentétes szintre vált. Ez egy klasszikusnak mondható frekvencia felezést okoz, mert minden második órajelre lesz a Q kimenet azonos "fázisban" (v. is pld. magas szintű) (Tegyük fel, hogy alapban a Q kimenet alacsony, így a -Q kimenet magas szintű. Az első órajelre, így a -Q kimenet szintje másolódik a Q kimenetre, azaz magas szintűvé válik. De ugyan akkor a -Q kimenet szintje alacsony lesz. Így a következő órajel ütemnél már az alacsony szintet másolja a tároló a Data bemenetről a Q kimenetre. És már is a kiindulási helyzetben vagyunk.) - Ha a Set és Clear bemeneteket vezérelnénk (magas szinttel) akkor a D és órajel bemenetek azt tennének amit akarnak, mert mint említettem a két bemenetnek a vezérlében elsődleges szerepe van. - Tekintve, hogy a tárolóban két tároló működik együtt egy Master és egy Slave (azaz mester és szolga). Így ha a Data bemenet szintje egy időben változna a clock bemenettel, akkor is helyesen működik a tároló, azaz a Data megelőző szintjét másolta be. Ugyan is, a Data bemenet szintváltásakor a Slave tároló egyből átvált (tárolja), viszont mikor egy időben váltanak, akkor az órajel felfutó élére a Slave kimenetét másolja be a Master (nem a D bemenetet). Mire a Slve is átvált ellenkező szintre, a Master már rég tárolta a Slave előző állapotát. És Mastert átírni, már csak a következő órajel felfutása lesz képest változtatni. Na, remélem ez így elég érthető számotokra. Nem komplikált, csak át kell gondolni többször a működést. A kapcsolással kapcsolatban mindent működő képesnek találtam, kivétel, hogy az Ic nem kapja meg a rajz szerint a negatív tápot (7. lábnak a GND-re kell csatlakoznia). A nyákrajz, viszont jó. A hiba, még, hogy a CMOS IC-k bemenetei nem lóghatnak a levegőben. Tehát a nem használt lábakat, magas/alacsony szintre, vagy valamelyik kimenetre (mert ott is ilyen jelszintek képződnek) kell kötni. Tehát ebben a rajzban, a 7. lábon kívül, az IC 5,3,6,4,8 és 10-es lábait a GND-re illik kötni. Hibát a következő képen lehet keresni: - A Set és Clear lábaknak alacsony szinten kell lenni. (GND vagyis 0V-on) 8-as és 10-es láb. - A Q és -Q kimeneteknek ellentétes jelszinten kell lenni. (Ha Q magas -Q alacsony és fordítva) 13 és 12. láb. - A Data bemenetnek, mindig a -Q kimenettel megegyező szinten kell lenni. - A Clock bemeneten meg kell lenni az órajelnek. (Ha az 555 működését olyan mértékben lelassítjuk a C2 kondi cseréjével, hogy az csak billeg, akkor a váltások az órajel bemenetén és a Q kimeneteken a szintek és váltások egy műszerrel (akár egy LED-el) is mérhetők (érzékelhetők) üdv! proli007 - A
Üdv
Teljesen iktasd ki a 4013-ast. Válaszd az ellenállásokat a 555-ön a számodra szükségesre (30-40Khz) és a kimenő lábára (ami a 4013-asba megy, a 3-as láb) kösd a hangsugárzód + lábát, a - lábát pedig a földre. Adj neki 15-18V-ot és hangosan, tökéletesen fog szólni. Itthon már meg akartak hülyülni tőle, anyámék meg a 22Khz-et már nem hallották, én még igen Tehát a kapcsolásodat így alakítsd át. Üdv
Köszi a választ.
Egyelőre kihagytam a kapcsolásból. Én most üzemeltem be az egérriasztót, egyelőre próbanyákon, ezen most tökéletesen működik, az egyik frekvenciát elég alacsonyra állítottam, már engem zavar ajtón keresztül, úgyhogy mindjárt átállítom, mert elég hangos. Holnap csinálok egy kapcsrajzot de semmi egyebet nem csináltam csak kiiktattam a 4013-ast és az 555-öt átállítottam 25-40Khz-ig. Jelenleg 4féle frekvencián sugároz felváltva 7másodpercenként. Jó éjt mindenkinek.
Hello!
Köszi a választ... holnap ki is próbálom. (Nálam potik vannak a frekvencia variálhatósága miatt.) Azt nem értem, hogy ha így jól működik, akkor minek a kapcsolás "hátsó része" (4013-as IC + tranyók) a hangszóró elé? Üdv.: Don
Üdv
Na igen... Elvileg a 4013+tranyós rész erősítene még rajta. Én 4 óra próbálkozás után se tudtam rávenni hogy működjön, így hagytam a fenébe. Elvileg a hangszóró kibírna 30V-ot is, de az 555 meg a 4017 az nem, így csak 20V körül járatom, mivel azok égnének le. Most nekem így megfelel, majd az egerek reakciójára leszek kíváncsi, de elvileg simán egy tranyóval lehetne hogy 20Vról hajtod a tranyót és a 30V-tal húzod földre a hangszórót, de ezzel most nem kísérleteztem. Üdv
Hello!
A 4013-al, ellenfázisban hajtott végfokozat. Olyan, mint egy hídkapcsolású erősítő, csak kapcsolóüzemben megy. Ugyan azzal a tápfeszültséggel, kétszer akkora csúcsfeszültség érhető el. üdv! proli007
Igen, ezt gondoltam.
Csak azt nem tudom miért nem működik. Esetleg ránéznél a kapcsrajzra hogy mi lehet vele a gond, mert próbanyákon kísérleteztem de semmit nem tudtam vele elérni. Köszi. |
Bejelentkezés
Hirdetés |























