Fórum témák
» Több friss téma |
Van benn a forgó poti,az a lényege hogy az a fader nincs benne 4 végfok csak potival tekered át az előre-hátrát.Vezesd visza meglesz a kimenet.Bemenet a a kapcsolora megy.Ennek a cucnak a lényege volt, mikor régen voltak a gagyi magnók, akkor ezeket bekötötték, és mikor bekapcsolták megjött a basszus és szolt vagy 2-5 wattal többet mind a magnó alapba.És volt kiemelés is így.Nekem is van 2.egyik át van kötve belül csak eq-ként üzemel végek lekötve, és alacsony jelszint a bementre mert gyárilag van benne egy fesz oszto a bemeneten, mert ugye pár wattot kap.Ja és a fader helyett betettem egy stereo potit .ÉS jol mükszik mindene, tuti jol villog a ledsor.A 12v ot meg majdcsak megtalálod... ha nem kérdezz!!
táp és gnd megvan.. jó 40 perce elmélkedek hoyg lehet, de... kissé nem értem..
fader szereo poti féleség. 4 vezeték megy a faderre + két vezeték megy a boostos kapcsolóra. a boostos kapcsolóból megy ki 2 vezeték így van 6 vezeték 1 csatin és még van 3 vezeték.. de ettől nem vok előrébb sztem..
Szal.
Bemenet negatív , táp negatív és a kimenet negatív mind ugyanaz. A poti 2 középső lába a végfokok kimenetei bal jobb oldal.A poti abbol csinál 4 et. Amugy ahogy a képen látom a bemeni kábelek a kapcsolo mögött a kimeneti a poti mögött vannak.Egyszerü ám A kapcsolo mikor bypass-ba van akkor éppen a kimetet a cuccbol öszeköti a bemenettel mintha nem is lenne ott a eq.Ha boostba kapcsolva akkor meg beköti közé az erősítőt, meg az eq-t.
jaj elfelejtettem ide írni!
meg lett még este ![]() szegény 9V -os elemet le is szívta :no: az egyik ledsor nem villog , ledek jók, lehet az ic-nek kakukk.üdv
tanácsot szeretnék kérni, hangszinszabályzó építéséhez.
Nagyon nagyon egyszerű dologra kellene: van egy discman amivel a kijövő füles csatin keresztül egy tda 1554q-t hajtok, ami két hangfalat hajt meg, ezeket használom együtt. Kicsit kevésnek találom a mélyet és a magasat, ezért akarok egy hangszinszabályzot tenni elé,de nagyon egyzserűt akarok, igazából csak passzív kellene, mert a füles bőven meghajtja a tda-t tehát elég hangos lessz, viszont potikat sem akarok bele, mert álltalában mindig max bass és magassal halgatnám, ezért csak egy pár ellenállást és kondit kellen végül is összekötni, de hogyan? nem akarok potikat venni meg itthon körülnéztem és semmiből sem tudom most kiépíteni, és tényleg nem is akarom bonyolítani, csak hihetetlen egyszerűen esetleg egy kapcsoló amivel ki lehet kapcsolni a mély és magas emelést... ha van valakinek valami ötlete akkor köszönöm előre is!!!
Erre a lepke a legjobb !
A bss oldalán megtalálod max a poti helyére fix ellenálat és egy kapcsolóval kapcsolod hogy vágjon vagy emeljen.
tudtoknekem adni egy komlett hangszínszabájzó kapcsolást ami mély magas közép hangot tudjon vágni
Nehogy használd a keresőt!
vagy a google-t... itt van pl: [link=http://www.headwize.com/projects/equal_prj.htm]http://www.headwize.com/projects/equal_prj.htm[/link] csá
csak azért kérdeztelek titekez hogy estleg van e valakinek bevált kapcsoása ami biztosan jó esetleg panelterv (nem olyan lényeges) akinek van vele kapcsolatba tapasztalata ha esetleg nem úgy működne ahogy kéne.:yes: Amúgy kösz a kapcsolást kipróbálom
tessék remélem ez teccik már..
[link=http://sziget.mine.nu/~danko/kapcsrajzok/3cheq.html]http://sziget.mine.nu/~danko/kapcsrajzok/3cheq.html[/link] üdv
nagynagyonnagynagyon kösz
ez tökéletes
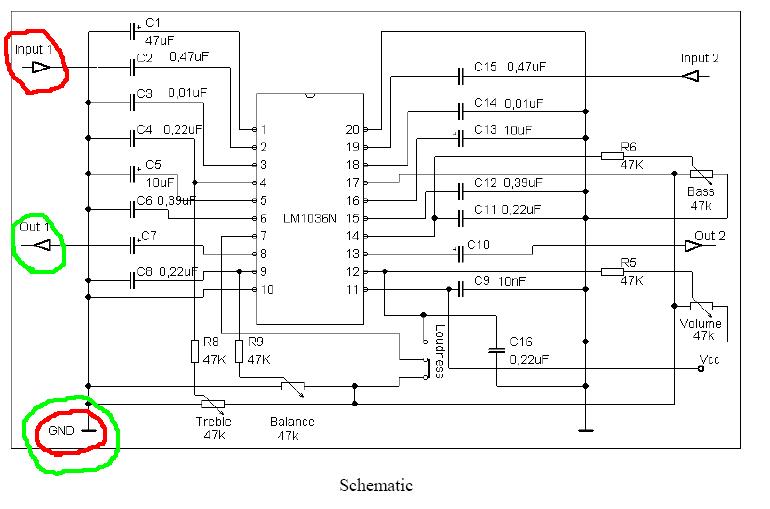
ezen a kapcs. rajzon a pirosra kel kötni a bemenetet és a zöldre meg a kimenetet??
:no:
input = bemenet out = kimenet tehát input 1 = bemenet 1 out 1 = kimenet 1 input 2 = bemenet 2 out 2 = kimenet 2 üdv
bocsánat de nehéz a felfogásom!
ezt most nem értem!
input = bemenet (a hangszínszabályzó-é)
out = kimenet (a hangszínszabályzó-é) tehát input 1 = bemenet 1(például jobbcsatorna a CDről) out 1 = kimenet 1(pl. a végfok jobboldali bemenetére) input 2 = bemenet 2(pl a CD bal kimenete) out 2 = kimenet 2(pl a végfok bal bemenetére) (a CD-n a kimeneti RCA-k: piros-jobboldal. A fehéret kitalálod melyik csatorna lehet?? )
az én 5letem MONO -nál:
a pirosra rákötöm amit szabni akarok és a zöldről pedig leveszem a szabzott hangot! Ugye így van????? :yes:
mono jelforrás...? hmmmm. erre nem gondoltam. Hirtelenjében csak a miki meg a tv jut eszembe.
Mit használsz?
jaja, persze. Dehogyisnem!
Bár én a járt utat járatlanra.... A te helyedben gitáros hangszínt kerestem volna-tranyós esetleg műveleti erősítős változatban. Nagyon sokmillió kapcsi van a neten ilyen témában. Asszem itt a HE-n is kitárgyaltuk volna vmi effekt kapcsán. Persze ez az IC-s cucc is jó, de talán jobban illeszkedne 1 már kipróbált gitáros kapcsolás.
szerintem nézd meg az ic adatlapján, vagy próbáld ki a hangszint valami cd lejátszóval, hogy milyen érzékenységű a bemenete, mert valószínüleg a gitár nagyon kicsit jelet ad le és ezért egy előerősítőt ha eléteszel akkor jó lesz az ic-s hangszinszabályzó is, talán, próbálgasd....
ÚJJ!!!
erre a "be" -re kötöm ami kijön a gitárból "+" és ami kijön gitárból "-" azt meg a "0" -ra????
Igen valahogy úgy, de nincs ilyen, hogy + és -hanem
a gitárból mono nagy jack csatlakozó jön ki, annak van egy árnyékolása, az megy a földre és van egy jel az pedíg a bemenetre. Ha szükséges akkor lerajzolom.
én is így értettem csak én nem szeretem használni az árnyékolás szót hanem helyette inkább a "-".
Ok.
Amúgy én már egyszer megépítettem ezt a hangszínszabályzót gitárhoz és valahogy nem igazán szabályzott rendesen, kiváncsi vagyok Neked menni fog e, lehet, hogy én nem csináltam valamit jól.... Mindenképp előbb próbapanelen csináld meg! Írd majd le a tapasztalataidat!
ehez így nem kell áramforrás, ez passzív hangszínszabályzó, de a bemenő jeltől sokkal kisseb lesz a kimenő jel nagysága, de utánna az erősítő felerősítí, vagy ha kevés a jel akkor egy erősítő fokozatot kell betenni a hangszinszabályzó után vagy elé
legkönnyebben talán úgy tudnád kipróbálni, hogy a hangszín kimenetét valamilyen mikrofon bemenetbe vezetnéd bele, mert azok elég érzékenyek, ez csak kipróbálásra javaslom, nem biztos, hogy teljesen olyan jó lesz a hangzás.... |
Bejelentkezés
Hirdetés |




A kapcsolo mikor bypass-ba van akkor éppen a kimetet a cuccbol öszeköti a bemenettel mintha nem is lenne ott a eq.Ha boostba kapcsolva akkor meg beköti közé az erősítőt, meg az eq-t. 
:no:
, ledek jók, lehet az ic-nek kakukk.









