Fórum témák
» Több friss téma |
Sziasztok.Mindenki ismeri a scanner nevű fényt.Olyan problémám lenne,hogy a 2 motorját hogyan tudnám megcsinálni(2 stepper ami a tükröt mozgatja)hogy ne forduljon túl egy ponton.Tehát randomszerűen mozogna mind a kettő,de csak ponttól pontig.Valami végállás kapcsolóra gondoltam,de más megoldás is jó lenne.Egyszerű kapcsolás lenne jó.Csináltam már stepperhez kapcsolást,de a tranyók gyorsan felmelegednek(555+cd4017).Létezik valami más kapcsolás is?Ha van valakinek tippje,annak örülnék,de nem dmx-ről menne,hanem magától random.Válaszokat köszönöm.
Hali.ok,csak ahhoz kapcsolás is kellett.Nem tudom hogy oldjam meg,hogy ne forduljon túl.Egy kapcsolóféle is jó lenne,ami leállítja a motort.Vagy dc motorral is jó lenne,csak gőzőm sincs róla,hogy hogyan fog random mozogni.
Szia!
Ha jól értem a kérdésed két részből áll: A léptető motor vezérlőjében a tranzisztorok melegednek: - Alacsony a tranzisztor teljesítmény, nem kellően méretezett a hűtés. A motor ármának ismeretében lehet tranzisztort választani (BD139... 2N3055), ill. a hűtést tervezni. Nagyobb motorteljesítménynél a melegedés természetes, a hőt el kell vezetni (hűtőborda). - Manapság nagyobb áramokra MOSFET-et alkalmaznak a kisebb maradékfeszültség és az alacsonyabb hőtermelés miatt. adatlapok pl. itt - Vannak motorvezérlő IC-k is pl. L293 .. L298 stb. A léptetőmotor két végállás között mozogjon: - Hagyományos alkatrészekkel is meg lehet csinálni a pozíció számolásával, komparálásáva, irányváltással. Az áramkör két motorra nagy lesz. - Mikrokontrollerrel a két motor 8 kimenőjele és a 4 végállás bemenete lekezelhető egy 16-18-20 lábú tokkal. A legegyszerűbbek is jók erre a feladatra (pic16C84, stb). Anyagköltsége is kisebb lesz.
Szia! Megoldás lehet, hogy a léptetőmotor vezérlőre rákötsz egy "Up/Down Counter " IC-t, amelyben így mindig a tükör aktuális pozíciójának megfelelő érték lesz. Ezt az értéket kell figyelned, hogy mindig egy megadott intervallumban legyen. Kikapcsolás előtt mindig vissza kell álítanod a tükröket kiindulási pozícióba, hogy újbóli bekapcsoláskor ne kelljen újrakalibrálnod. Bár szerintem olcsóbban megúszod, ha felkeresel valakit, aki ért a PIC programozáshoz.
Ha van egy régi, használaton kívüli alaplapod, azon tucatszám találsz Nikos típusú SMD FET-eket. Azok tökéletesek léptetőmotorhoz, hűtés nélkül sem melegszenek.
Hogyan nézne ki a számláló?Milyet használjak szerinted?Meg valami kapcs hozzá,annak megörülnék.Van még egy olyan ötlet,hogy 555+4017 és a kivezető lábakra közvetlen rákötném a tranyókat.Tehát lehagynám a kondikat,csak a bázis elé tennék egy ellenállást
Talán lehet hogy az lenne a legkönnyebb,ha megint régi 1,2-es floppyból indulnék ki mert ott megvan az áramkör,és hogy ha mákom van a fénykapcsolói is müködnek.Volt egy régen nekem csak azt tönkre tettem.De talán nyomtatóból is ki tudnék indulni.És erre külön a számláló ic-vel szabályozni is lehetne a motor irányát és sebességét.
Miért nem jó a DMX-es vezérlő? Tudok egy ilyen kapcs rajzot, meg leírást is hozzá, 1 darab unipolar, vagy bipolaris motort tud vezérelni (áramkör duplázásával 2). De ha nem kell bele dmx, fogni kell a pic programját, kiszedni a DMX részt, és egy random szám generátort belekotyvasztani.
Bővebben: Link
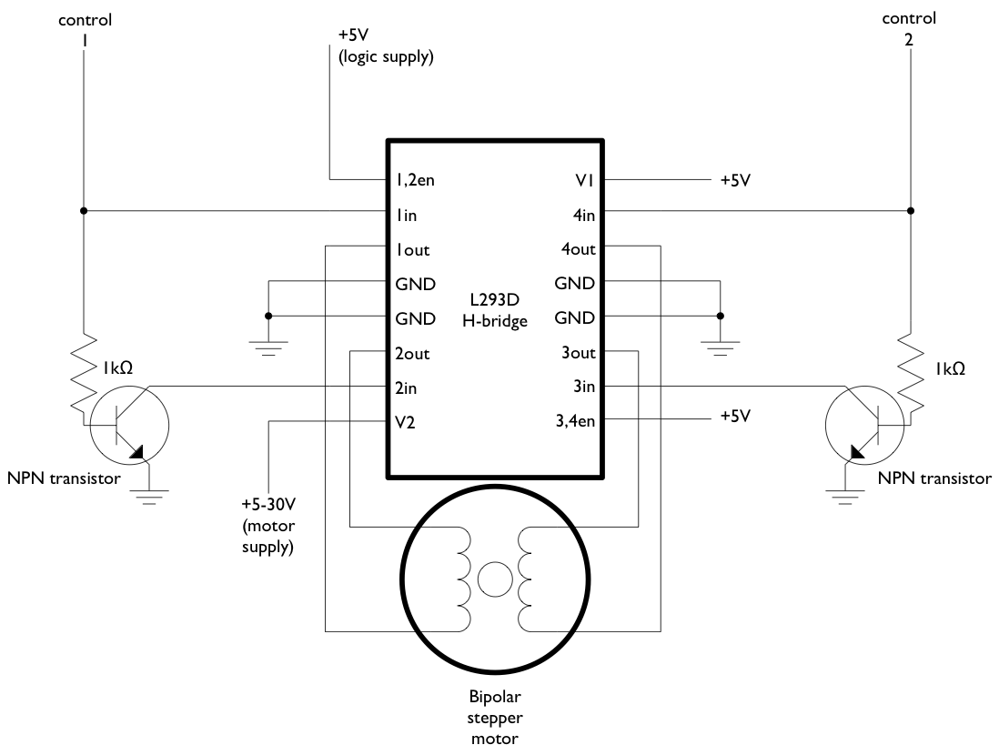
Nem akarok dmx rendszert.Nem értek a programozáshoz.csak arra lenne szükségem,hogy egy 555 ic-vel inpulzus adni egy másiknak,és azon lenne egy jumper,ami irányt változtat egy bipoláris motoron.Ennyi lenne a lényeg.Van egy rajzom.Az lenne a harci kérdés,hogy a control1-re adott jel az folyamatos,vagy inpulzus szerű-e és a ctr1 és kettő között mi a különbség?Egyik irány,másik irány?Mert ha inpulzus szerű jobbra,ballra(ctr1,ctr2),akkor nyert ügyem van,mert 555-tel sebességet is tudok állítani.Segítségeket nagyon megköszönném!
|
Bejelentkezés
Hirdetés |












