Fórum témák
» Több friss téma |
Helló!
Szeretnék egy egyszerü számlálót épiteni ami minden második jelre kapcsol esetleg lehessen nullázni. A segitséget előre is köszönöm. Üdv.
Nekem egy olyan kérdésem lenne, ha egy számláló ic bemenetére egy hosszabb impulzus érkezik, akkor a kimeneten addig lesz jel amíg tart a bemenő impulzus? Most az nem fontos, hogy melyik kimenetről van szó. Háromig számláláshoz melyik ic-t ajánljátok?
Számláló azért számláló hogy a bemeneti jeleket számolja ,annak az időtartama lényegtelen.Hogyan akarsz számolni egy impulzus ,egy lépés ,irja ki hogy 3 ,vagy binárisan számoljon?
Felfutó élre számolnak ezek az ick általában.
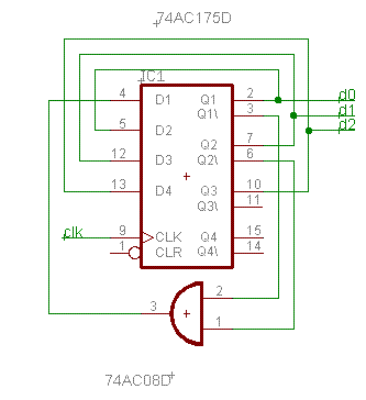
Például: 0, felfutó él, lefutó él,1 felfutó él, lefutó él.... Azaz a 0 csak akkor változik 1re ha a következő felfutóél jön. Ezen az oldalon az eleje felé van egy jó animáció arról amiről karattyolok. Az adatlapukban amúgy le vannak írva hogy az egyes bemenetek hogy működnek és hogy mik köztük a logikai összefüggések. Szépnapot szerk: a mellékelt képen egy 3ig számoló rajz van, 3 D-flip-flop és egy AND kapu.
Kössz az infót! Egy optokapu érzékelné a jelet, az lenne az ütemadó, de a bejövő impulzusokat harmadolni akarom 3 fetnek, ezért gondoltam számlálóra(freki osztó), ha a harmadik kimenet után elölről akarom számoltatni akkor a harmadik vagy a negyedik kimenetet kell visszakötni a reset lábra?
Nem fogalmaztam meg pontosan. Szóval van egy optokapu ami egy motort fog vezérelni. Amikor az opto pl. bekapcsolva van addig egy fetet kell működtetnie, de a következő ugyanilyen bekapcsoláskor már egy másik fetet kéne működtetni így tovább a harmadikig, utána már újra az első jönne.
4017-es decimalis szamlaloval megoldhato.
A 4. labat a resetre kosd.
Akkor Ktulu megoldása és az én megoldásom is jó.
Az opto amiből építkezel ha látja az infra ledet akkor magas a kimenete? Ez esetben ha a jelszintek megfelelnek akkor egyből rákötheted a clk vonalra. De ha fordítva van akkor kell egy invertáló kell közéjük.
Olyan optokapura, vagy fénykapura gondoltam ami között forog a kivágott lemez. Az nem lényeges hogy mikor működik, ha takar a lemez vagy nem, ez megoldható. Az kapu fototranzisztorának egyike a plusszra a másik az ic bemenetre, vagy felhúzóelenállás a bemenetre és még lehúzónak a tranzisztor, vagy hogyan lehet illeszteni a CMOS ickhez?
A tranzisztor egyik lába mehet a clkra, lehúzó ellenállás kell a vonalra. a másik lába meg mehet a tápra. Gondolom 5V.
Sziasztok!
Nagyhirtelen nem jut eszembe melyik IC-vel lehet azt megcsinálni hogy a bemenetére adott bináris kódot (4 bites)egy engedélyező jel hatására a kimenetére rakja (változatlanul).Köszi a válaszotokat.
CD4042-re, vagy HCF4042B-re gondoltál? Négybites D tárolók...
Tudna nekem valaki ajánlani olyan bináris számláló IC-t, ami 10 bites kimenettel rendelkezik (minden helyiértéknek külön kimenet), és aszinkron?
4020-at néztem, de valahogy nekem nem tűnik megfelelőnek, nem tudok kiigazodni az idődiagramján.
Szia!
Esetleg 4040? Vagy TTL-ben 74LS491?
A 4040 szinte teljesen ugyanaz, mint a 4020. Lehet, hogy ez is jó, de 10 perce nézem a timing diagramot, és nem tudok rájönni, hogy most ez dekadikusan számol, vagy hogyan, merthogy csak a bináris helyiértékváltásnak megfelelő decimális értéknél jelzik azt, hogy a következő helyiérték is feljebb vált (1,10, 100, 1000 stb.). Pl 6-nak megfelelő decimális számnál mit ad ki?? A diagram alapján ugyanúgy 4-et (100), mivel, hogy nincs jelölve, de a neve azt mutatja, hogy bináris számláló, azaz gond nélkül kiadja (10 bit esetén) a 6-nak megfelelő 110 kódot.
Üdvözlök Mindenkit!
Szükségem lenne egy kapcsolási rajzra az ICL7217-es IC-vel készített 4 digites up/down számlálóról. Estleg más IC-vel is jó lehet, ha tudja a 4 digitet fel-le számolni.
Elírtam az IC tipusát. Helyesen: ICM7217
Azt hittem, a link egy Youtube-os videóra fog mutatni, amiben ezt énekLED!
Az adatlapot már én is láttam, és a googlet is átnéztem. Az adatlap elsősorban a tervezéshez kell, de nem azonos egy már elkészített, és kipróbált kapcsolással. Én csak elkészíteni szeretném, és nem megtervezni. Az több gyakorlatot igényel, nem szeretnék kockáztatni.
Szia! Köszönöm a választ!
Ez valóban egy szimpatikus kapcsolás. Még nem használtam PIC-et. Ez a PIC16F88 tipus már előre programozva van a szükséges feladatra, tehát egyből cél IC-ként használhatom, vagy még külön programozni is kell?
Kössz az infot. Számomra új dolog a PIC, így már értem a használatát, csak a beégetés okoz nehézséget. Ha a környezetemben találok valakit, aki meg tudja oldani a PIC programozást, akkor el is készítem ezt az áramkört.
Az eredetileg kérdezett ICM7217-es IC-vel megépített gyakorlati kapcsolásnak azért örülnék. Eddig csak elméleti rajzokat láttam róla.
Sziasztok! Szükségem lenne egy olyan kapcsolásra, ami két BCD kódot hasonlít össze, és ha egyezik akkor megváltozik egy kimeneti szint.
Tudtok ebben segíteni?
Sziasztok, valahol olvastam egy helységlétszámszámlálót, de sehol se találom.
A feladat az lenne, hogy optoelektronikus módon odavissza számlálni. Elég 2 digit, de 3 nak jobban örülnék. A lényeg, hogy ha visszafele halad el a jel, akkor visszafele számoljon. Elég egy fotótranzisztoros megoldás, elég ha a nappali fény takarásakor számol, nem kell infraleddel vacakolni. Tudtok ilyen kapcsolást? Köszi
Pont ilyet csináltam nemrég párat, igaz pic-kel.
Maradt egy 3 digites prototípus összerakva. Nekem nincs rá szükségem. Ha érdekel írj privátot. Amúgy kell egy pár logikai ic hozzá. Érzékelők, Schmitt-trigger, kis logikai kapuzás, digitenként 1-1 bcd up/down counter ic és bcd to 7 segment ic. katt a katalógus linkre itt a HE-n, és keress ilyeneket.
Sziasztok ! Kéne egy kapcsolási rajz, ami számól 9999 óráig.
Van olyan komplett mini LCD-s modul ami 4-8 digites és percenként kiadsz rá egy impulzust.
Sziasztok!
Szeretnék késziteni egy digitális hangerőszabályzót, amely 64lépésig szabályoz. Szeretnék hozzá egy 2x7szegmenses fel le számlálót kötni, hogyan tudnám megvalósitani, hogy 64lépés után ne számoljon feljebb, és milyen ic-vel , kapcsolással stb? |
Bejelentkezés
Hirdetés |







