Fórum témák
» Több friss téma |
Fórum » Oszcilloszkóp számítógépre
És még egy kérdés: a kondinak AC-nak kell lennie?
A kondinak nincs jelentősége és teljesen felesleges 400V-osnak lennie. Túl sokba kerülne. Én két féle hangkártyát is kínoztam elég tartósan +5V TTL jellel. Még mindkettő tökéletes. Semmi védelem nem volt. Nem ajánlom, csak arra célzok hogy elég sokat kibír.
Megépítettem, de ami vezeték (jobb) üresen van, ott Metex műszer 11-12V-ot mutat, amin mérek (bal) ott 1-5mV.
Terhelés nélküli áramkörön a multiméter össze szedi a környező zajt. Nincs jelentősége. Ha kézzel megfogom a oszcilloszkópom bemenetét 3Vcs-cs torz szinuszt látok rajta a környező 50Hz-es zaj miatt.
Aha. Kiderült, hogy a vezeték a rossz. Ki is cserélem.
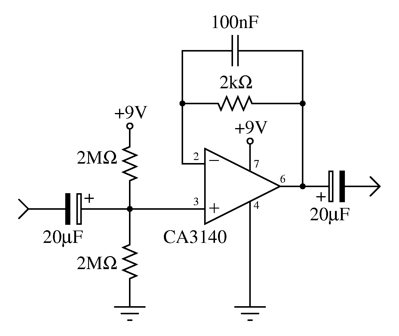
Szia! Ezzel az IC-vel (CA3140) lehet DC-t is mérni?
Köszi!
sziasztok van olyan progi aminek meg lehet adni hogy milyen jel megy a beneteire? és ezeket rajzoltatni vele?
hello.olyan kerdesem lenn hogy ez a kapcsolás működik-e és ha igen akkor hogyan védi a hangkártyámat?Vagy valami védelmet rakni kell még a bemenetére vagy kimenetére?Két csatornás osc lehetséges?Választ előre is köszi
Szia. A válasz "Kapcsolási rajzot keresek!" témában, #424378 -hsz.
Válasz mark.budai -nak.
Ha 1,5 V felett akarsz mérni, akkor kell a bemeneti osztó! PL.: ha 3V a jel, felére leosztva a hangkarira csak 1,5V fesz jut, így tudsz 3V-ot megjeleníteni, azt már neked kell tudnod, hogy a megjelenített feszültséget meg kell szoroznod kettővel. Az oszcilloszkópok is így működnek!
Még egy válasz
. A kapcsolás elvileg működik, csak a második ic és alkatrészei tök fölösleges. Ez az eredeti kapcsolás.
Na még egy válasz. Nézd meg ezt a linket, a kapcsolásból sokat lehet tanulni. Visual Analyser Project
Sziasztok! Nekem is egy scopra lenne szükségem, viszont nem nagyon van rá több százezrem. Találtam egy jó kis kapcsolást! Ez nekem tetszík! ...de azért szeretném ki kérni a véleményeteket. (Nem tűnik túl egyszerűnek, de azért nem is túl bonyolúlt. )
készitettem egy egyszerü amatör vobulátort. a burkologörbét egy régi csövesszkópon nézem.szeretném a pc képernyön is látni az átviteli görbéket. ehez kellene egy olyan softver amihez lehetne az x bemenetre tenni (megfelelö szintel) a fürészjelet, és a y bemenetnél a detektált jelet. létezik ilyen softver, vagy jobb a hagyományos szkópos kielemzés?
Ha hangfrekis vobulátort készítettél, érdekelne a kapcsolási rajza. A legtöbb hangkártyára írt szkópprogi ismeri az x-y bemenetet. Többek között Lissajous ábrát szoktak vele nézegetni. Az a bökkenő, hogy a hangkari bemenete kondis, a fűrészjellel nincs is gond, de a vobulált jelet nem szabad egyenirányítani (szkópnál a mérőszonda egyenirányít) hanem simán kell az egyik csatornára küldeni. Mivel nem egyenirányított a jel (pozitív burkológörbe) , megkapod a negatívját is szerencsés esetben. Ha nincs szerencséd akkor hullámzó frekvenciájú színuszjelet kapsz. Én még nem próbáltam hangkarival, de ez a két lehetséges végeredmény.
sziasztok
lenne egy hülye kérdésem, ha hegesztőnél szeretném alaklmazni ezt a "hangkártyás módszert", hogyan tudnám rácsatlakoztatni, amin ugye nem kis áramerősség folyik át.
Mit akarsz kötni hova?
Hello
készítettem egy 1.3kohm / 22kohm feszültségosztós oszcilosszkópot hagnkártyára, Bővebben: Link ezzel a programmal akarom használni, letudná valaki írni, hogy pontosan hogy tudom megmérni egy erősítő torzítását? ileltve azt, hogy jó e hol gerjed stbstbstb. Gondolom hanggenerátor programom van. pl, hogy miLYen jelalakot kell látnom ha torzítt?
Hali!
A jelgenerátor szabályos szinuszt ad. Ha a fesz osztót úgy csináltad, hogy és bal oldal is van akkor egyik oldalra azt a jelet kötöd amit a végfokra, a másik csatornára pedig a mi a végfoktól jön és látszani fog ha torz a jel. Ha csak egy csatorna van és láttál már szabályos szinuszt, akkor meg felismered milyen a torz a jel. Nagy pontosságot ne várj ettől a megoldástól, de az látszik, hogy torz-e a jel vagy, hogy gerjed-e a cucc.
Végigolvastam a topicot, elég érdekes számomra is.
Még 16 bites időben kísérleteztem szoftveres oszcilloszkóppal, akkoriban 1 létezett, ami ingyenes, volt. Ez csak 1 csatornás volt, és házilag kellett készíteni hozzá a mérőkábelt. Én úgy oldottam meg az osztásokat, hogy több mérőkábelt készítettem különféle ellenállásokkal. Akkori 486-os masinának ISA hangkártyája volt, 1 KOhmos bemeneti impedanciával... Jó kis játékszer volt, de egyszer rákötöttem egy ménkű 12 V-os toroid trafót, és azt láttam, hogy trapéz jel jön ki belőle :-O (ez volt a legnagyobb fesz. amit néztem vele, kisebb jelek elég "jól néztek" ki. Ezekszerint, lehet, hogy mérőfejeim nem voltak túl jók? Ja, annál a proginál be lehetett állítani a mérőfej ellenállását, azaz lehetett igazítani a jel erősségén. A max frekvencia 20 KHz volt, de csak azért mert ez volt a hangkártya max. frekije. Mi a helyzet a mai 48 /192 KHz-es hangkártyákkal? Ja. Ami leginkább érdekel, kisebb aszinkron motorok (mosogépmotor és hasonlók) felderítése, valahogy ki akarom deríteni, milyen kondi kell hozzá, ha az nem nyilvánvaló. Ehhez nagy segítség lenne, ha a szkópon láthatnám a feszültség / áram eltolódást (cosfi fejezet). Na, ezt most hirtelen nem is tudom, hogyan lehetne megoldani...
http://mitov.com/ - on talalhato ingyenes delphi komponensekkel csinalhatsz szkopot, amely a hangkartyat hasznalja (meg meg sok csodas dolgot pofon egyszeruen)
Hali!
Ha sorba kötsz a motorral egy kis értékű ellenállást és azon méred a feszt, akkor tulajdonképpen áramot mérsz. Feszültséget meg a motoron mérsz közvetlenül. Valahogy így gondoltam:
Olvasom hogy sok mindenkinek problémát okoz a hangkártya megfelelő illesztés amennyiben szkópként szeretnénk használni. A mellékelt kapcsolás kipróbált, fél éve napi használatban van. Egyszerűsége a mérendő jel (h.f.) volta miatt ilyen. Bármelyik szkóp sw-vel működik, utánépítésnél ügyeljünk a minnél rövidebb és megfelelően árnyékolt jelvezetékekre. Fémdoboz kötelező!
Sok sikert.
Hello!
Engem az érdekelne, hogy ilyen hangkártyás szkóppal milyen az a legkisebb frekvenciájú jel amit mérni lehet? Nekem mondjuk 5 Hz környékére volna szükségem, vagy inkább még kevesebbre. A hangkártya 20Hz ig jó úgy tudom. Ez jelenti a mérés alsó határát? Nekem igazság szerinte arra kellene egy szkóp, hogy motorvásárlás előtt a helyszínen meg tudjam mérni egy több hengeres motor hengereiben a kopressziót azáltal, hogy indítózás közben a nagy áramfelvétel közben az akku fesz ingadozik, a nagyobb kompresszió ellenében az indító nagyobb teljesítményt vesz fel. Nem célom konkrét értékeket mérni, csak egy összehasonlító vizsgálatot szeretnék. Járható valahogy ez az út? Köszi a segítséget üdv
Hi
Igaz nem most kérdezted de egy kompresszió mérés jobb megoldás! Hallgasd meg a hangját, próbáld ki. Az áramfelvételből szerintem nem sokk mindent fogsz megtudni. Az aksi állapotától függ az egész.
Hi Mesterek.
Ez a kapcsolásnál mi határozza meg a felső feszültség határt? Mert oda van írva hogy max.:150v, ezt nem lehetne legalább 280V-300V-ra fentebb vinni? Kapcsoló üzemű tápot szeretnék mérni vele, ha elkészült. Ja és írják a dokban hogy a hangkártya bemenete max.:1v ennek a kapcsolásnak végén meg >12v van. Akkor most ehhez még kell valami??
Hello, ha kiegészíted egy osztóval a bemenetét, akkor elérhető a 300V-os határ. A 12V-os kimenetet a poti felső állására értik, igy azt le kell tekerni a kivánt maximumig.
Ok, köszi.
Lenne még egy kérdésem ezen az oldalon vannak dos-os scop prg s így nem kellene op.rendszer alá , max win 3.1 ha grafika is kell ![]() Csak annyi a gondom vele hogy a bemenet itt COM vagy LPT port. Meglehet tudni melyik pin-t vezérli, azaz általában melyek azok a csatlakozok a com porton amin bemenő jelek vannak. Sajnos Én még nem használtam/programoztam com portot így ....... hát nem tudom most olvastam a users guide-ot és láttam hogy ami ehez prg-hez van hardware az 8-és 12 bites kódolású és így valószínű hogy nem sima bemeneti jel megy be a portokon .(ha jól gondolom)Akkor maradok a hangkártyás driveres scopnál.
Hogyne a soros port leirásából kiderül, hogy melyik az adat bemenet, illetve hogy mi a többi láb funkciója. (Az LPT esetében már nagyobb a programozói szabadság)lábkiosztás
Jól gondolod, ehhez kell még egy elég komoly (?) hardwer, ha jót akarsz, mivel mindkét port csak digitális jjelet fogad.
Hi
Módosítottam az előző hsz-be mert utána olvastam a használati útmutatóban. Szerinted hogy működik a port bemenetek? |
Bejelentkezés
Hirdetés |





. A kapcsolás elvileg működik, csak a második ic és alkatrészei tök fölösleges. Ez az eredeti kapcsolás. 


.(ha jól gondolom)




