Fórum témák
» Több friss téma |
Fórum » Fokozatkapcsoló feszültség és áramszabályzáshoz
Témaindító: lajcsi18, idő: Júl 3, 2009
Témakörök:
Hello mindenkinek!!
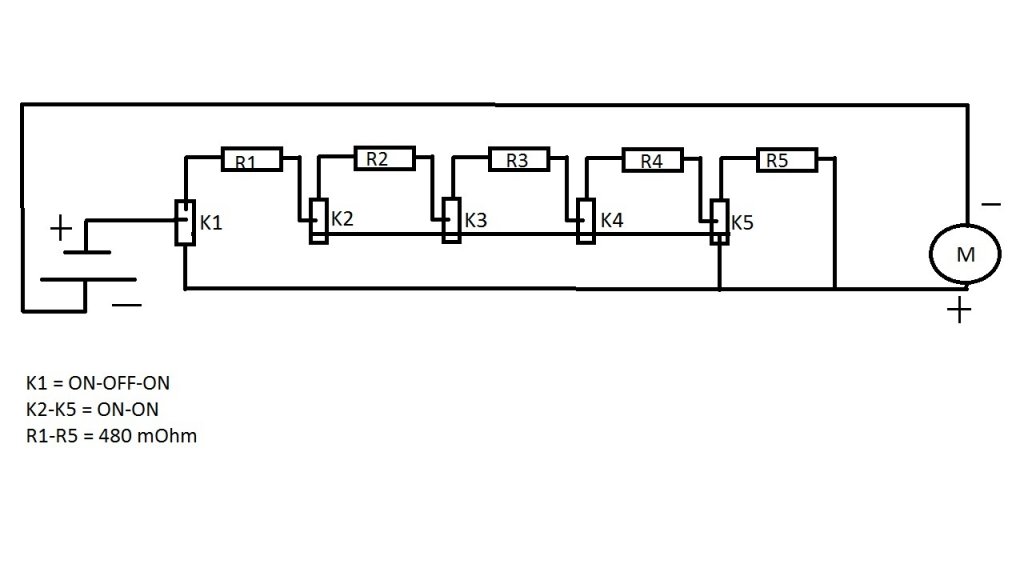
A fokozatkapcsolóval kapcsolatban szeretnék kérdezni!!Szeretnék 10A áramot szabályozni e kapcsoló segítségével!! Tudom hogy lehet kapni ilyen kapcsolókat de valaki mondja el hogy hogyan működnek ezek!!Hogyan kapcsolja 0-tól 10A-ig az áramot? Egy rajzot ha tudtok küldeni akkor azt megköszönném!!
Milyenre gondoltál?
Yaxley tipusra? több soros ellenállást zár.. ha már egyszer fokozatos kell és nem fokozatmentes poti..
Igen..ilyenre gondoltam!!
Időközben a feszültségosztást megoldottam vele!! Már csak az áramszabályzáshoz kellene ezzel a kapcsolóval megoldás!!!
Arra kell ügyelni, hogy olyan típusú legyen a fokozatkapcsoló, amely forgatás közben nem "lép le" az érintkezőkről, hanem kapcsolás közben egy pillanatra rövidre zár két szomszédosat. (hogy sose legyen szakadás)
Hali!
Nekem is lenne egy kérdésem.Most vettem egy gazdaságos sövénnyírót.Elég jól dolgozik de egy kicsit melegszik (bár ez nem ide tartozik) és nagyon nagy a fordulata.A fordulaton szeretnék buherálni.Jelenleg 1600 ford/perc a fordulata és 520 Wattos.Van egy 0.33 ľF-os kondi a kapcsoló előtt.Hogy lehetne ezt az 1600-at ha nem is felezni de legalább 1000-re csökkenteni? Köszi! Üdv!
Szedjél ki egy fúrógépből egy szabályzós kapcsolót és azt építsd bele.
Egyébbként ha az eredeti célra akarod használni nem biztos, hogy bántanám.Ha nincs lendület (sebesség) úgysem képes elvágni az ágat. Játékból egy hegesztőtrafót köss sorba vele.Ennek a kimenete rövidre zárva .Talán még az áramszabályzása is működne fordulatszám szabályzóként. Ha a teszttel elégedett vagy utána érdemes tovább keresgélni a szabályzók között.
Szasztok.
Olvasgattam a forumot nagyon sok jo otlet van itt. Szoval az lenne a keresem, hogy tudnatok egy konkret bekotesi rajzot vagy egyseget ajanlani nekem ellenallas drot futesehez egy pontos aramszabalyzot. En egy vezerleseknel haszanlat egyentappara akarom kotni a drotot, csak itt mindnekep szabagyoznom kellene az aramot. Eddig aksi toltovel csinaltam, de nagyon nehez es nagy. Le kell kicsinyitenem amenniyre csak lehet. koszonom. Ja es jo volna egy kijelzot is bekotni.
Segítséget kérnék.
Nem vagyok egy elektronikai zseni (csak a leg alapok), de szeretnék építeni egy kapcsolós feszültségszabályzót egy villanymotor fordulatszámának a szabályozására. Építettem is egyet, de nem igen akar működni. Potival próbáltam, de ez leég pár perc alatt a 30W-os meg iszonyat drága. Motor 12V 3,5A
Üdvözlök mindenkit!
Segítséget szeretnék kérni! Építek egy hordozható hangfalat és arra gondoltam, hogy ki,be kapcsolást illetve töltés vagy külső tápról való meghajtás funkcióit yaxley-vel oldanám meg csak nem találok olyat ami bírná azt az erősségű áramot. Valaki tud 5A körül yaxley-t vagy egyéb más alternatívát? Szeretnék minél kevesebb kapcsolót a kezelőfelületen az egyszerűség kedvéért. Köszönöm előre is a segítséget! Norbi |
Bejelentkezés
Hirdetés |





