Fórum témák
» Több friss téma |
Üdv mindenkinek!
A lézernyomtatóm vészüzemmódba kapcsolt, mert a toner számlálója elért egy előre megszabott határt. A számlálás szerintem szoftveresen megy és az éppen aktuális érték egy kis 6 lábas memóriába íródik, SZERINTEM. Ezt az IC-t szokás cserélni, vagy nullázni. Sajnos az IC-n nem találtam használható azonosítót, ami alapján datasheet-et találnék és megfejthetném, hogy holgyan lehet nullázni, vagy ami alapján másikat vehetnék. Adatok: az IC-n: DS243244981 a panelon: 87-2Q8D1-NOL REV A és 4518-6051 PWB-A Várnám a tisztelt olvasók építő ötleteit, hogy mi lehet a megoldás ![]() papirhajo
Üdv!
Szerintem neked a DS2432-es IC kell...
http://pdf1.alldatasheet.com/datasheet-pdf/view/82744/DALLAS/DS2432/datasheet.pdf
Köszi a gyors választ, én is pont most leltem rá a datasheet-re, nem tűnik egyszerűnek a reset.
Itt van a lista a rendelhető egységekből. Mivel ez egy eléggé speciális IC, az adatlapja csak igényelhető, nem tölthető le közvetlenül a szerverükről.
Továbbá egyáltalán nem biztos, hogy egy 0-ra állított egység (mem. defaulton) működni fog a nyomtatóban, elképzelhetőnek tartom, hogy az 1 kB-os IC-ben ven egy előre definiált minta, amiben van maga a számláló kód. De azért sok szerencsét... Egyébként ez a gyártó részéről valami próbálkozás a tonertöltögetés visszaszorítására? :eek2:
pontosan, ha elér x darabszámot akkor hiába töltöd újra, csak a gyári sebesség 1/4-ével működik.. Oltári pofátlan üzleti fogás.. Törne le a kezük..
Ez így van. Én - mikor hozzájutottam a Toshiba fénymásolómhoz - a benne lévő eepromban 168000 volt. Ebből készült egy klón, úgyhogy ha elkezd tiltakozni, akkor megint kap egy (új) 168000-es állásút.
Újat hiába teszel bele, mert egy halom szemét közé teszik a számláló állását (amit nem találsz meg), de a szemét nélkül meg el sem indul.
Hogyan lehet egy ilyen memóriát 1-1ben másolni? Te, hogyan csináltál klónt?
azt a "halom szemetet" elő lehet bányászni valahonnan. semmiből nem lesz adat. bár ha a vezérlőchip rom-jában van, akkor azt valszin nem lehet kiolvasni a kódvédelem miatt (gondolom ha le lehet a védeni a vezérlőchipet, a gyártó meg is teszi). meg lehet próbálni egy ugyanolyan médg működő készülék romját átmásolni, de szerintem az a "halom szemét" készülékenként változik, de egy próbát megér.
Az én viszonyom a procis dolgokhoz nem túl jó, de volt 1 ismerős, aki rendelkezett egy EEPROM író-olvasó cuccal, ami ismerte azt a típust, így nem volt gond.
A TV-kben is vannak hasonlók és floppyn van neki egy jópár típushoz való tartalom.
Igen, én is azt gyanítom, hogy a "halom szemét" valami gyártáskori inicializálással kerül bele a saját procija által. Ezért kell még újkorában klónozni és 100000 után újratöltve (eepromot, festéket) vadiújnak eladni
egy kérdésem azért nekem is lenne...
átlagosan mennyit számlál egy ilyen cucc pl. egy nyomtatónál? vagy ez nagyon eltérő is lehet típusonként/gyártóként?
Az egyetlen 19 órás hozzászóló Sebi volt...egészen pontosan 19 óra 56 perckor írt...
Ha összeolvassuk egymásután az órák és percek számjegyeit...kijön a bűvös 1956 ![]() Nem semmi megfigyelés!
A pld számlálót lehet, hogy ki lehet törölni szervíz módban. Vagy esetleg megpróbálkozni firmware újratöltéssel. Nem ismerem ezt a márkát, de nekem egy ricoh cuccnál bejött. Ha a típust is leírnád, megkérdezem a jövő héten.
Szervusz!
A pontos típus: Konica-Minolta PagePro 1300W Köszönöm, hogy utánakérdezel. papirhajo
Ha ki tudod olvasni az eeprom tartalmát, akkor másolsz vele egy oldalt majd ujból kimásolod az eeprom tartalmat. a kettőt összehasonlítva megmutatkozik, hol is van a számláló elrejtve. Ha megvan hol rejtőzik márcsak kikell találni milyen formában tárolódik... innentől meg már átírható egykis programozói vénával rendelkező embernek. Valahol a neten láttam két file összehasonlítására alkalmas programot... (google)
46708 Én is ezen dolgozok már 2 hete, de nem tudok előbbre jutni.
Üdv!
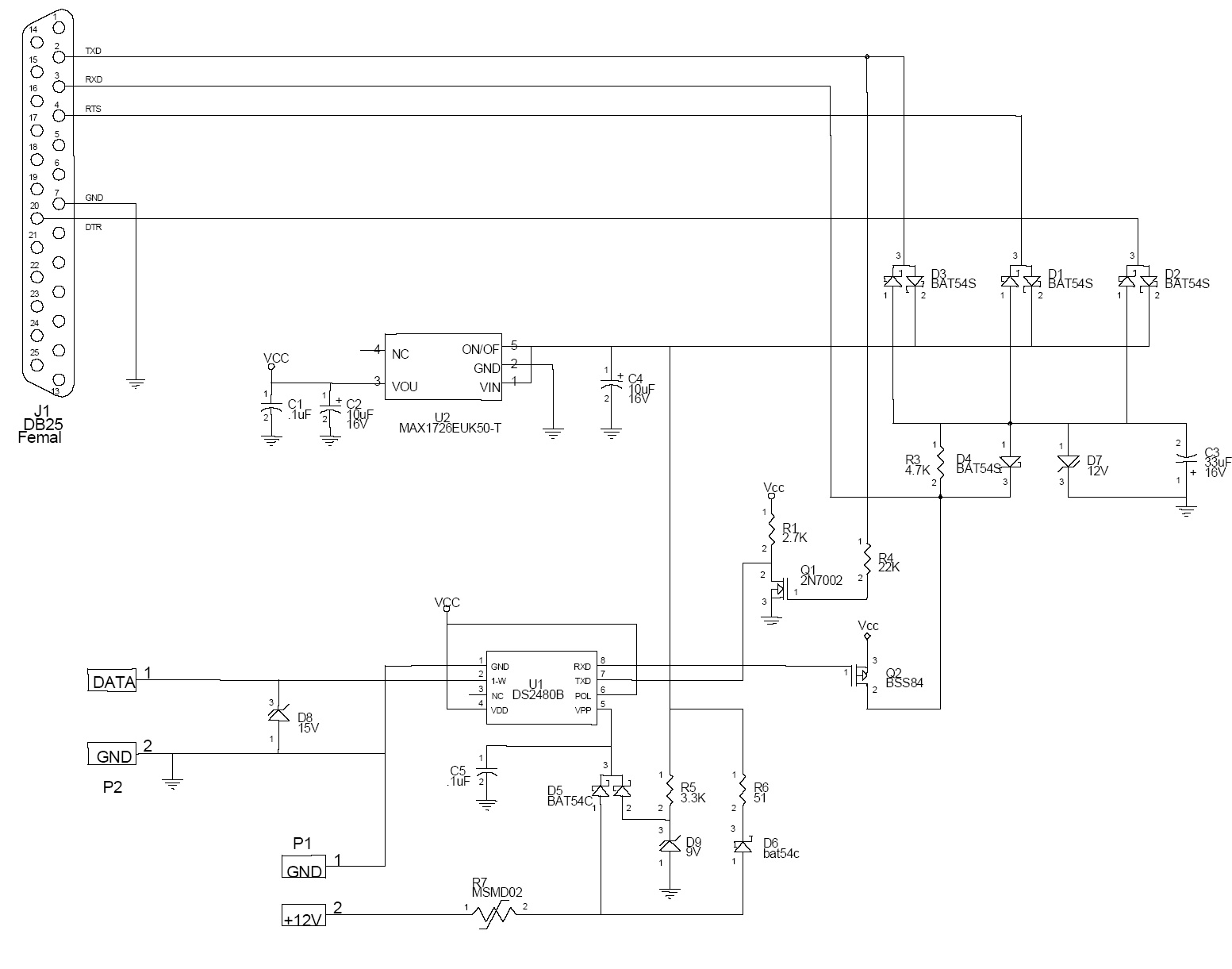
Én is folyamatosan agyalok, hogy mit lehetne tenni, uh megosztom, hogy mire jutottam eddig ![]() Ezeket a memóriákat ugynevezett "1-Wire" technológia alá sorolják, lehet hozzájuk kapni adaptert, a maxim oldala tele van ingyenes kiolvasó-beíró szoftverrel, szóval annyira nem reménytlen a helyzet. A probláma az adapter megvalósítása. Sikerült találnom egy kapcsolási rajzot ami LPT porton keresztül kommunikál, de van benne 1-2 olyan IC ami Magyarországon nem beszerezhető, a kapcsolási rajza pedig nem érhető el. Na mind1, itt a rajz, minden ötletet ami segít a megvalósításban, szívesen fogadok
Üdv!
Itt egy link ami segíthet:www.chiprecharge.com/chipseng.html itt szépen le van írva minden...de még sem olyan egyszerű a dolog.Én is szívesen fogadok bármilyen ötletet:banghead
Én is belefutottam egy Minolta PagePro 1300w-be... (Szerencsére nem az enyém
) Gyári kezdő toner 100 lapot bír... Szánalmas. Viszont chip csere és töltés után megy tovább. A gyári chip DS2432, ha minden igaz. (Lehet ilyet kapni itthon?) Viszont az utángyártott az egész más, képek mellékelve. Nem botlott bele vki a neten a 16F684-be égetendő file-ba??? Mert akkor elég egyszerűen megoldható lenne az oldalszám reset. Kicsit rákerestem én is a témára, és a következőket találtam: Kínai oldal Ugyanez képekkel illuszrálva (vki nem tudja lefordítani a képek fel...tait?) Orosz oldal: itt van szoftver is Itt meg a hozzá való kapcs. rajz
Sziasztok Jutottatok valamire a Konica Monolta Chip resettel ?
Ha igen megköszönném , hogy ha megdobnátok infókkal. A Laphatuska , és a Chipresert oldalakon túl vagyok , de csak olvasni lehet a chipből. Tök egyszerű kapcs rajzzal . Az író programot kerestem , de nem találtam sehol. Tájékoztassatok légyszi hogyan lehetne a resetet megcsinálni. Előre is köszi
Egy Minolta EP2131-es xerox hiba uzenete PC,sajnos nem kapok semmi fele informaciot.Ha valaki tud segiteni megkoszonnem.Elore is koszonom!
Hali, Skacok!
Van-e valami fejlemény Minolta reset ügyben? Vagy vegyem kp-nak, hogy nem törölhető? Akkor ezek hogy csinálják?: http://www.euro-line.hu/nyomtato/chip_reset.htm A kínai oldal nincs már... A fenti linken lévő 1wire programozó szoftver nem tud írni (unregistered), van-e valakinek olyan, amelyik tud? Vagy ötlet, h a programot átírjuk?? Előre is köszönöm!
Bár nem sikerült nekem reset ügyben semmit sem intézni, de ha 1-2 chip-ről van szó ( én most vettem 1 db-ot) akkor tudom ajánlani a következő boltot. 3K-s chip 500-ért- nekem megérte, és festékpor is kapható jóval a bolti ár alatt. Gondolom a boltot sokan felfedezték már a neten, de ajánlom ezt a lehetőséget- nekem megérte.
Üdv Mindenkinek! Nekem is Minolta nyomtatóm van, és érdekelne is ez a chip resetes dolog. Leszedtem a chipet a tonerről 6 lábú dsq8027b2 ez van ráirva. Viszont amit előzőleg irtatok ds2432 a maximic oldalán kapható (sample). Lehet hogy azzal lehetne próbálkozni!
hol található ez a bolt neken egy 1350W nyomtatóm van. A gyárilag berakott 1500-as számláló lassan nullára fut.
|
Bejelentkezés
Hirdetés |





Kösz a pontyot!

) 


