Fórum témák

» Több friss téma
Fórum » Discolitez 32 Deluxe
 
Témaindító: Sly, idő: Szept 12, 2008
Témakörök:
Lapozás: OK   3 / 13
(#) matheus666 válasza Bandusek hozzászólására (») Jún 29, 2009 /
 
Igen, csak, ha Te külső színérzékélő eszközt akarsz használni, akkor nem gondoltál valószínűleg a nem a képernyőről származó, külső fényviszonyokra, amelyek zavarhatják a megfelelő fényérzékelést. De lehet, hogy félreértelmeztem amit írtál, és hülyeséget írtam
(#) Bandusek válasza matheus666 hozzászólására (») Jún 29, 2009 /
 
Jogos!
Nyilván csak akkor működne a dolog (ha működne ) ha sötét szobában menne a TV. De ha nem TV hez használnánk a dolgot, prímán össze lehetne szinkronizálni egy így vezérelt RGB lámpát más színes fényeffekttel.
(#) matheus666 válasza Bandusek hozzászólására (») Jún 29, 2009 /
 
Végülis az ennek a lényege, azért találtam ki az egészet, hogy ebből a konkrét kapcsolásból (a 32 ledes winamp pluginhoz tervezett) lehet-e ilyet csinálni.
A fő cél az, hogy ezt erre a célra (winamp - vizualizáció) megépítem, holnap jönnek meg a led-ek, az áramkör többi része kész.
Csak az érdekelt, hogy ezzel a konkrét kapcsolással megvalósítható-e valamilyen szinten az, amire gondoltam
(#) _JANI_ válasza matheus666 hozzászólására (») Jún 30, 2009 /
 
Szia. Én is csak hozott anyagból tudok dolgozni...

(#464118): ... S biztos megoldható. ...
(#) speccy hozzászólása Júl 1, 2009 /
 
Sziasztok!
Amit matheus666 fórumtárs meg akar alkotni, azt úgy nevezik hogy Ambilight, és a philips mostanság épít ilyen rendszereket a tévéibe. Pontosan nem tudom a tv-k esetében hogy van megoldva a kép elemzése, de PC-re találtam egy projectet amit épp ma fejeztem be. Itt úgy oldják meg a kép elemzését, hogy 3 részre osztják fel a képet: jobb-bal és egy felső részre. Készült egy szűrő BS-Playerhez, ami elvégzi a részek elemzését, átlagolja a színeket, majd soros porton keresztül elküldi az adatokat, amelyek egy PIC-be jutnak, ami aztán vezérli a három lámpacsoportot. Az oldalon a project atyja RafkeP 3-3 neoncsövet használt a színek előállításához, és elég szép eredményt ért el. Én ledekkel oldottam meg a dolgot, de még gondjaim vannak a színek keverésével. Ezt leszámítva nagyon is szépen működik ez a MoMolight nevezetű kütyü.
Itt az oldal: Link
Itt pedig az én munkámkat találjátok: Link
(#) matheus666 válasza speccy hozzászólására (») Júl 3, 2009 /
 
Igen pontosan erre gondoltam, csak elfelejtettem, hogy Ambilight-nak hívják, pedig tudtam.

Hát meg kell mondjam, nagyon durva. Csak ámulok és bámulok a képeid alapján, amit a saját projectedről linkeltél. A "Ki, mit épített?" című fórumra gondolok természetesen.
Sajnos ilyenkor olyan érzéseim vannak, hogy én ehhez már kevés vagyok

Gratulálok, nagyon ügyes vagy, nagyon tetszik.
(#) speccy válasza matheus666 hozzászólására (») Júl 3, 2009 /
 
Köszönöm szépen!
Nem dicsekedésképpen linkeltem be ide, csak azért, hogy megoldást találjunk a problémádra/ötletedre. Az eredeti kapcsolás nem annyira bonyolult, sőt az enyém sem, csak mivel én a notebookomhoz használom amin nincs RS232, ezért kellet az USB-UART átalakító. A hardware része nem áll másból, mint a PICből, és egy MAX232ből. Ehhez jönnek még hozzá a tranzisztorok, amik a világítótesteket hajtják meg. A többit mind szoftveresen intézték el, de sajnos a PICbe a forráskódot nem szándékozik az alkotója megosztani velünk, pedig engem is nagyon érdekelne...
(#) speccy válasza speccy hozzászólására (») Júl 3, 2009 /
 
Sajnos mint azt már írtam, a világítótestekkel nekem is problémáim vannak egyenlőre, mert nem keverednek megfelelően a színek. Kísérleteztem sokféle műanyagcsővel, de egyik sem lett az igazi. Először pedig külön színek helyett RGB ledeket használtam, hátha azokkal csak simán a falra tudom vetíteni az árnyalatokat, de ott is abba a problémába ütköztem, hogy a falon csak egy piros egy zöld és egy kék karika jelent meg, és csak nagyon csekély volt az átfedés köztük. Valószínűleg az lesz a megoldás hogy több led kell, és két végéről kell megvilágítani egy hasonló anyagú műanygcsövet, mint azok a dobozok.
Esetleg ha valakinek lenne valami ötlete ezzel kapcsolatban, akkor azt szívesen fogadnám.
(#) Bandusek válasza speccy hozzászólására (») Júl 3, 2009 /
 
Sajna eddig én sem találkoztam full homogén fényt kiadó RGB LED-del. A 2. képen egy négylábú FLUX van, aminek szintén az a baja h színes karikákat rajzol. Ha irdatlan sok LED- et helyezel el aránylag kis területen belül jól elosztott színekkel (1. kép ) a csóva közepe szép egyenletes lesz, de a peremén még mindig dominálni fog valamelyik szín . Esetleg valaki vett már a ChipCad-nél ilyen méregdrága Z- (ha minden igaz, így hívják őket) LEDeket? Talán azok. De láttam már 3W-os RGB lED-et ugyanezzel a hibával...
Mindenképp valamilyen fehér diffúz búra kell nekik (pl szocreál gömblámpáé), de ha maga a led nem képes homogén fényt adni, akkor az sem segít sokat. :no:
No meg a másik alapfeltétel, hogy nagy sugárzási szögő LED-eket használjunk!! A <60'-os példányokat ennél az alkalmazásnál el kell felejteni! :yes:>
(#) speccy válasza Bandusek hozzászólására (») Júl 3, 2009 /
 
Googlizgatva kicsit találtam a képen látható RGB ledcsĺkot. Ezeknek az smd ledeknek úgy tűnik szép homogén fényük van. Egy ilyen csĺk méterét az incompban 5000 Ft körül lehet kapni, ami azért nekem kicsit sok, de ha tudnék valahol ilyen ledeket szerezni akkor talán olcsóbban kijönne. Oldalanként négy darab pedig tuti elegendő fényt adna...
(#) Directors hozzászólása Júl 4, 2009 /
 
Üdv!

Szeretném megépíteni ezt a kapcsolást csak nem találtam ezt az IC-t a HQ-videónál.Most csak én nem találtam vagy tényleg nincsen ilyen? Ha nincs akkor mivel lehetne helyettesíteni amit a HQ-nál is meglehet kapni?
Ez ugye összesen 32 ledet vezérel.Azt nem lehetne megoldani,hogy mondjuk 128 ledet vezéreljen 1 LPT portlót? Bővebben: Link
(#) Rakloo válasza speccy hozzászólására (») Júl 4, 2009 /
 
Én ilyen ledekkel próbálkoznék :Bővebben: Link
(#) matheus666 válasza speccy hozzászólására (») Júl 4, 2009 /
 
Köszönöm, már megijedtem, hogy smd-forrasztást kéne csinálnom. Az nem megy
Én eredetileg úgy akartam ezt megcsinálni, hogy van egy régi diakivetítőm. Ne arra a tipikus hálózati feszes izzólámpás "hősugárzó" típusra gondolj, hanem ilyen kis kézi, elemes cucc. Na már most. Ez úgy működik, hogy van benne egy 3V-os izzó, melynek fénye, közvetlenül egy talán 5x5 cm-es (amekkora egy diakeret, nem tudom pontosan) fehér színű műanyaglapra vetül. Ez teszi homogénné és egyenletessé a fényét az egész diára nézve. Ezután jön a dia amit a kis műanyag lap mögé kell helyezni. Közvetlenül utána van egy lencse, majd azt követően egy kb. 8-10 cm-re egy újabb, nagyobb lencse. (Megpróbálok mindjárt képet csinálni.)
Ha nincs benne dia, akkor a falra egy négyszög alakú egyenletesen eloszló, az izzótól függően meleg színű homogén fényt vetít ki. Arra gondoltam, hogy a ledeket arra a kis műanyaglapra irányítom, és utána pedig a nagyító levágja a felesleges részeket, így elkerülve azt, hogy a szélén "kilógjon" egy-egy szín.
Tehát szerintem, jó megoldás lenne, ha építenél mellé valami optikát, ami csak a "hasznos részeket vetíti ki a falra.
Persze ez sajnos olyan módon, ahogy az előzőt megoldottad, tehát hogy látszódjon a fényforrás is, nem kivitelezhető.

Mindjárt megpróbálok képeket csinálni róla, csak sajnos telefonnal tudok csak.
(#) matheus666 hozzászólása Júl 4, 2009 /
 
És itt vannak a képek. Írok melléjük egy kis magyarázatot:

DSC00030.JPG: Ezen a képen található az a kis műanyag lapka, ami előtt az izzó, mögötte pedig a behelyezett dia található. Persze szét van szedve a vetítő

DSC00031.JPG: az optika "háza", benne az első, a dia utáni lencsével.

DSC00032.JPG: ugyanaz, más szemszögből.

DSC00033.JPG: a második, nagyobbik lencse, ami a vetítő elején helyezkedik el.

Mindjárt teszek még fel képeket, csak nem enged többet egyszerre...
(#) matheus666 hozzászólása Júl 4, 2009 /
 
DSC00034.JPG: szintén a nagyobbik lencse, más szemszögből.

DSC00035.JPG: nagyobbik lencse, külső műanyag keret nélkül.

DSC00036.JPG: összerakva, szemből.

Véleményeket várok
(#) Action2K válasza Directors hozzászólására (») Júl 5, 2009 /
 
Szia!
Idézet:
„Azt nem lehetne megoldani,hogy mondjuk 128 ledet vezéreljen 1 LPT portlót?”

De, egyszerűen meglehet. Viszont akkor a WinAmp plugin nem jó hozzá. Kell egy sajátot írni.
Az áramkör áll egy darab 16-os demultiplexerből, s 16 olyan (vagy hasonló) tárolóból. Így, 16*8, azaz 128 LED-es lesz. Ezzel már akár jó kis animációkat is lehet csinálni.
Pontosabban mit szeretnél kihozni vele, mire szánod?
(#) Directors válasza Action2K hozzászólására (») Júl 5, 2009 /
 
Én azt szeretném,hogy ha úgy működne mint a videón látható fény.Ez kivitelezhető lenne ugye? PIC nélkül.
Ha igen akkor tudnál nekem ebben segíteni?
(#) Action2K válasza Directors hozzászólására (») Júl 6, 2009 /
 
Milyen videón látható? Csak azok az IC-k kellenek, amiket írtam előbb, Tehát nem kell PIC vagy ilyesmi. A program csak a PC-n fut.
(#) Directors válasza Action2K hozzászólására (») Júl 6, 2009 /
 
Bocsi a videót el is felejtettem.Bővebben: Link
(#) Directors válasza Action2K hozzászólására (») Júl 6, 2009 /
 
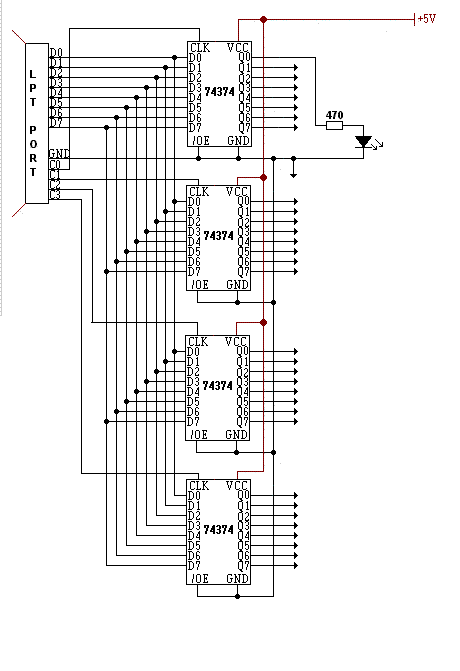
A kapcsolási rajz az úgy nézne ki mint a képen ugye?
Szóval D0-tól D7-ig az összes(15db IC-re gondoltam mert az 120 ledet vezérel ennyi kellene.) IC ugyan onnan kapja a jelet ugye? 4 IC-ig pedig tudom,hogy hová kell kötni az IC-k 11"clock" lábát de onnantól nem. Az 5,6,7,8,...15 IC lábát hová kell kötni?
Milyen IC lenne jó erre a célra amit a HQ-ba is meglehet kapni?
Ez? 74LS373
(#) Action2K válasza Directors hozzászólására (») Júl 6, 2009 /
 
Igen, D0-D7, mint adatbitek rámennek az egyes IC-kre. A címzés már válzozik. Ott 4 kimenet van a PC-ről, de nekünk 15 kell. Ide bekerül egy 4/16-os osztó IC: 74 HC 154-S
A 74LS373 is jó lesz a 15 db. egységeknek. Ezt csak a programban kell úgy megírni.
(#) Directors válasza Action2K hozzászólására (») Júl 6, 2009 /
 
Egy kapcsolási rajzot tudnál majd nekem csinálni,hogy hogyan is fog kinézni az egész?
Ehelyett(74 HC 154-S) az IC helyett ez is megfelel? (74HC154N-FAI) vagy ez (74HC154N-PHI)

Meg olyan kérdésem lenne,hogy ezt a programot egy hozzáértő embernek körülbelül mennyi ideig tart megírni?
Csak mert én nem nagyon értek hozzá és arra gondoltam,hogy te esetleg megírnád e nekem.Ha nem tart sok ideig. :hide:
(#) Action2K válasza Directors hozzászólására (») Júl 6, 2009 /
 
Igen. Úgy nézem, azok is jók helyette. Csinálok kapcsolási rajzot. Egy egyszerű, ám látványos meghajtó progit írok Neked, de az a spektrumanalizátoros már nagy meló. És nem a megjelenítés, hanem a zene szétbontása a komolyabb munka.
(#) Directors válasza Action2K hozzászólására (») Júl 6, 2009 /
 
Uhh ennek nagyon örülök
Ha szabad tudnom akkor hogy fog kinézni a látványos progi?
Mit fog csinálni?
Egyébként bulikon akarom használni majd,hogy csak ámuljanak és bámuljanak az emberek.

(#) Directors válasza Action2K hozzászólására (») Júl 6, 2009 /
 
Még egy kérdés ha nem baj.Sokkal több munkád lenne ha 200 ledes lenne? Csak mert most számoltam és ennyi ledem van itthon.Még régebben betudtam szerezni olcsón.Így 25db 74LS373 IC kellene és 1db 74HC154N-FAI ?
Csak akkor csinálom meg ennyi ledesre ha nem kerül neked sokkal több munkádba mert nem szeretnélek idegesíteni meg az idődet rabolni.
(#) Action2K válasza Directors hozzászólására (») Júl 6, 2009 /
 
No, akkor már legyen 192 darabos. 16*12-es felbontással. Ez pont a szabvány TV (4:3-as) képaránya. Viszont ide már más IC-k kellenek, mert azzal a struktúrával 128 a határ.
A programozás nem sokkal bonyolultabb.
A látvány hasonló lesz: Link
(#) Directors válasza Action2K hozzászólására (») Júl 6, 2009 /
 
Értem.Ez frankó nagyon.
És a 192daraboshoz milyen IC-k kellenek pontosan és melyikből mennyi?
Ezzel tudok majd akkor szöveget is kiírni nem, meg órát kiírni?
(#) Action2K válasza Directors hozzászólására (») Júl 8, 2009 /
 
Nos, akkor a 192 LED-eshez (16*12-es felbontás) 24 darab CD4094 kell. De szerintem a HEStore-ban vedd. Itt 10 darab fölött, csak 34 forit darabja. Más kiegészítő IC nem kell.
Az élesztéshez szükséges programot, talán hamarabb is megírom, mint kész lennél vele.
Szöveg, óra... lehet, csak maximum futó szövegként, mert kettő karakter fér csak el egymás mellett. Bár órát mini számokból ki lehet tenni.
Az igazi egy 32*24 (768) RGB LED-esnél kezdődne.
(#) Directors válasza Action2K hozzászólására (») Júl 8, 2009 /
 
Köszi az adatokat.
Ahogy néztem az adatlapját akkor mehet 18v-ig a tápfeszültség ugye?
A kapcsolási rajzot akkor majd elküldöd ha végeztél vele?.
(#) Action2K válasza Directors hozzászólására (») Júl 8, 2009 /
 
Mehetne, de a PC nem tudná vezérelni. 5V kell neki mindenképpen. Viszont ha jól számolom 4A-es táp kell majd. Meg kellene mérned, hogy az egy darab LED-ed, 470 ohm-os elenállással, 5V-on mekkora áramot vesz fel. Ezt beszorozva 200-al megkapjuk a ledek fogyasztását. ehhez hozzámegy a 24 db IC fogyasztása is. Ami még kérdéses, hogy ez az IC mennyire terhelhető.
Következő: »»   3 / 13
Bejelentkezés

Belépés

Hirdetés
XDT.hu
Az oldalon sütiket használunk a helyes működéshez. Bővebb információt az adatvédelmi szabályzatban olvashatsz. Megértettem