Fórum témák

» Több friss téma
Fórum » Elektronikában kezdők kérdései
- Ez a felület kizárólag, az elektronikában kezdők kérdéseinek van fenntartva és nem elfelejtve, hogy hobbielektronika a fórumunk!
- Ami tehát azt jelenti, hogy a nagymama bevásárlását nem itt beszéljük meg, ill. ez nem üzenőfal!
- Kerülendő az olyan kérdés, amit egy másik meglévő (több mint 17000 van), témában kellene kitárgyalni!
- És végül büntetés terhe mellett kerülendő az MSN és egyéb szleng, a magyar helyesírás mellőzése, beleértve a mondateleji nagybetűket is!
Lapozás: OK   551 / 4051
(#) Gafly válasza SKY hozzászólására (») Júl 8, 2009 /
 
Igen.
(#) Istike88 válasza SKY hozzászólására (») Júl 8, 2009 /
 
Lehet jobban járnál ha egy tranyóval növelnéd a kimenet terhelhetőségét.
(#) feki00 válasza SKY hozzászólására (») Júl 8, 2009 /
 
Hi
A logikai icknek vannak olyan tűréseik hogy kimeneti feszültség és kimeneti áram. Ez CMOS esetén 15V és általában pár mA körüli.

Párhuzamosan kötve több áramot tudnál elérni vele. De én inkább egy tranzisztorral hajtanám meg azt a nagyobb teljesítményt.
(#) SKY válasza feki00 hozzászólására (») Júl 8, 2009 /
 
Igazából egy FET-et hajtanék meg vele, és valahova tenni kell a maradék 3 kaput. Csak nem tudom, hogy nem kerülnek-e rövidzárba a kimenetek, ha nem egyforma a kapcsolási sebességük.
(#) bbb válasza Stefan hozzászólására (») Júl 8, 2009 /
 
Kipróbálom, köszi.
(#) feki00 válasza SKY hozzászólására (») Júl 8, 2009 /
 
FETekhez nem értek sajnos, de a bekapcsolásuk nem árammal megy, szóval elég egy NAND is akár. Ha csak egyet NANDot használsz az icből a többit nem muszály bekötni. Esetleg összerakhatod más alkatrészből is a logikai kaput.
(#) Ballage válasza feki00 hozzászólására (») Júl 8, 2009 /
 
Hát, azért ez attól is függ, hogy milyen FET-et akarsz vezérelni és milyen frekvencián. Pl. egy teljesítmény MOSFET akár 100-1600 pF bemeneti kapacitással is rendelkezhet, amit több tíz MHz-es frekin meghajtani nem is olyan egyszerű....
(#) Vacok hozzászólása Júl 8, 2009 /
 
Sziasztok!

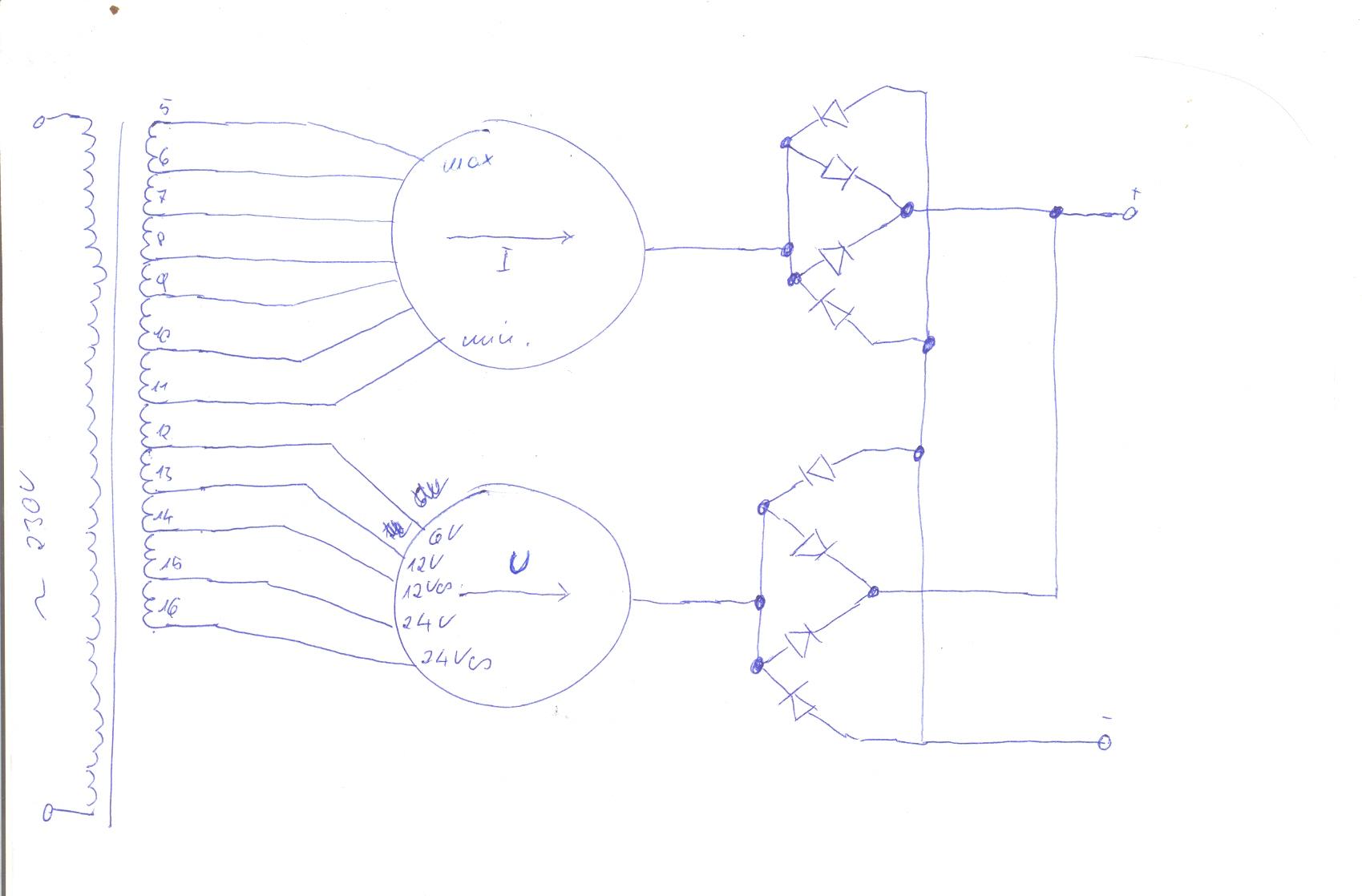
Van itthon egy ősrégi akkutöltő, még szelén egyenirányítok vannak benne. A probléma az vele, hogy 12V-os autóakkumulátor esetén ha beállítom, 12V-ra, és legkisebb töltőáramra az ampermérő mutatója majdnem kiugrik teljesen, ami 10-15A töltőáramot jelent, holott a töltőfeszültség kb. 8V körül van, és nem értem a probléma forrását. Én arra gondoltam, hogy a szelén egyenirányító mivel már elég régi, terhelésnél átengedi a váltóáramot, és e miatt ugrik meg az töltőáram. Megpróbáltam a szelén egyenirányítót diódásra cserélni, akkor már 12V kimenő feszültségnél 4A-rel töltött egy 360Ah-ás aksit, ami szerintem elfogadható töltőáram, viszont a kimenő feszültség sokkal nagyobb, mint a szelén egyenirányítóknál. Szelénnel max. kimenőfeszültség 24V, diódával ez eléri a 40V-ot is.
Hogyan lehetne ezt a problémát korrigálni?
Elektronikát, ha egy mód van rá nem szeretnék bele tenni.
A segítséget előre is köszönöm.
(#) Ballage válasza Vacok hozzászólására (») Júl 8, 2009 /
 
Nem lehet, hogy a szelénnel csak egyutas egyenirányító volt kialakítva, a diófás meg Graetz?
(#) Action2K hozzászólása Júl 8, 2009 /
 
Sziasztok!
Jól nézem, hogy a CD4094 5V-os tápnál, csak 0,88mA-el terhelhető kimenetenként? Ez még egy pici LED-re sem elég Ugye?
(#) Vacok válasza Ballage hozzászólására (») Júl 8, 2009 /
 
Na... erre nem is gondoltam. A diódás egyenirányító az biztos, hogy graetz, a szelénes meg nem igazán tudom, ahogy méregettem, ezt sikerült belőle kibogarászni. A szekunder tekercsnél a számok nem feszültségek, hanem a tekercskivezetések sorszáma. Lehet, hogy a szelénes egyutas, mert szkóppal mérve csak a pozitív félhullám volt meg.
Amúgy a töltés közbeni nagy áramot okozhatja a szelén hibája?

scan.jpg
    
(#) Ballage válasza Action2K hozzászólására (») Júl 8, 2009 /
 
Hát igen. Tegyél rá egy tranyót.
(#) Ballage válasza Vacok hozzászólására (») Júl 8, 2009 /
 
Ha a szelén vezetett záróirányban, akkor okozhatta.

Ami a rajzon van, az kétutas. Ha a szkópon csak félhullám volt, akkor egyértelműen egyutas volt az egyenirányítás.

(#) Action2K válasza Ballage hozzászólására (») Júl 8, 2009 /
 
192 darabot? Ugyanis ennyi led lenne. Ezt már nem multiplexelném, mert nem marad fényereje. 1/24-ed jutna egy led csoportnak. Elég halovány lenne szerintem.
(#) nagy_david1 hozzászólása Júl 8, 2009 /
 
Sziasztok!
Két eltérő kérdésem lenne. Az első az az hogy pl ha egy üvegdiódát hőszenzorként akarok használni és a dióda maximális hőmérséklete mi az adatlapján van az 200 fok akkor én kívűlről ennél nagyobb hőfokot adhatoké neki, vagy mindegy hogy a hőt ő termeli vagy kívűlről kapja de nem haladhatja meg jelen esetben a 200 fokot? A második kérdésem meg akkumlátor töltéssel kapcsolatos. Tegyük fel hogy van egy 12V-os akkumlátorom és fel akarom tölteni a lehető legegyszerűbb módon pusztán egy váltó áramra kötött graetz-al. És itt jön a kérdésem mivel nincsenek simítva a csúcsértékek (nem is akarom mert nem az a kérédés). Tegyük fel hogy 9V ilyen símitatlan egyennel tölteném. Töltődni fog-e? Gondolok itt arra hogy a csúcsértékek 12,6 V-osak. Én kipróbáltam és volt töltés. Akkor ez a töltés így lehetséges hogy az effektív feszültéseg kisebb mint az akkumlátor feszültésge s csak a csúcsértékek töltenek? (valahogy arra akarok kilyukadni hogy fog-e működni "kondenzátor efektussal"?). És ha pl 13,6V effektív feszültséggel töltöm a 12V-os akkumlátort akkor feltöltés után a csúcsértékek (kb 19 V) nem fogják az akkumlátort tönkretenni, mert mindig lesz többletfeszültség a töltő oldalán. Megkérlek csak arra válaszoljatok mire kíváncsi vagyok és ne arra hogy hogyan kell tölteni, hogyan lenne jobb és mik a szabályok akkumlátor töltésnél, értékek meg hasonlók, mert ezekkel tisztában vagyok, csak ez a csúcsérték a kérdés hogy képes-e tölteni vagy esetleg tönkretenni egy akkumlátort. (nekem pl a 12V-os akkumlátor töltődött 9V egyennel, igaz csak 200mA-val de a csúcsértékek töltötték ezek szerint, vagy ha nem akkor világosítsatok fel ezzel kapcsolatban) Remélem érthető a problémám. Köszönöm előre is válaszotok
(#) Vacok válasza Ballage hozzászólására (») Júl 8, 2009 /
 
Nos... kipróbáltam diódákkal egyutas egyenirányítással, és akkor is felvette azt a nagy áramot az aksi. Amúgy kiderült, hogy a szelén egyenirányítóban leégett két lemez, és ezért mutatott a szkóp egyutas egyenirányítást.
Amúgy miért vesz fel az aksi egyutas egyenirányítás mellett nagy áramot, míg graetznél nem? Váltóáramú komponens egyik esetben sincs, legalábbis a polaritás nem fordul meg.
(#) Ballage válasza Action2K hozzászólására (») Júl 8, 2009 /
 
Ezt az 1/24-edet nem értem... :no:

Ha külön szeretnéd vezérelni mindet egy 14x14-es mátrixszal le lehetne kezelni, ekkor lenne minimális a tranzisztorszám (négyzetgyök 192=13,85..., felfelé kerekítve 14, 14 sor + 14 oszlop és az utolsó oszlopból 4 helyet nem használsz ki). Ez 14 + 14 = 28 db tranyó. Ha a mátrixot soronként vagy oszloponként vezérled, akkor 1/14-ed idő jut egy csoportra. Ezzel még ki lehet hajtani egy ledet, gondolom.
(#) Ballage válasza nagy_david1 hozzászólására (») Júl 8, 2009 /
 
Szerintem a dióda nem fogja bírni, mindegy hogy mitől meleg. Amennyire én tudom, a félvezetők azért nem bírják a meleget, mert hosszabb távon szétdiffundálnak benne a szennyezések. (A még nagyobb hőnél meg elolvadnak...
(#) Ballage válasza Vacok hozzászólására (») Júl 8, 2009 /
 
Passzolok.... Nem lehet, hogy öregek a szeléncellák és már nagy rajtuk a feszültségesés? (nyitóirányban)
(#) Vacok válasza Ballage hozzászólására (») Júl 8, 2009 /
 
Az biztos, hogy öregek, és az is biztos, hogy ki lesznek cserélve.
Viszont az aksi nemcsak a szelénes egyutas egyenirányítás mellett vette fel azt a nagy áramot, hanem diódás egyenirányítás mellett is.
Szóval úgy néz ki, hogy bármivel is történik az egyenirányítás, az aksi nagy áramot fog felvenni, ha az egyutas.
(#) Action2K válasza Ballage hozzászólására (») Júl 8, 2009 /
 
128-nál nem lenne probléma. A 192 úgy jön össze, hogy 16 oszlop, 12 sor. Ehhez 4 bit az oszlopcímzésnek és 12 bit az adat, ez öszesen 16 bit. De nekem csak 12 bit (vezeték) van. Ezért úgy osztom fel, hogy 8 bit adat megy ki 24 (3*8) soros tárolóba. Olyan, mintha 24 oszlop, 8 sor lenne. Ehez 8 bit adat, plusz CLK és STROBE kell. Öszesen 10 bit is elég. Tehát így lesz az 1/24-ed.
(#) nagy_david1 válasza Ballage hozzászólására (») Júl 8, 2009 /
 
Köszi a gyors választ. Első kérdésem kipipálva
(#) Ballage válasza nagy_david1 hozzászólására (») Júl 8, 2009 /
 
Szívesen.
(#) Directors hozzászólása Júl 8, 2009 /
 
Hali!

Egy olyan kérdésem lenne,hogy ennél a tranzisztornál melyik adatot kell nézni hogy hány amperre terhelhető?
Collector Current - Continuous ?
A többi tranyónál is ezt kell figyelembe venni?Bővebben: Link
(#) aderka válasza Directors hozzászólására (») Júl 8, 2009 /
 
Szia!
Igen a Collector áramot szokták megadni, jelen esetben ez a tranzisztor 15 A tud.
(#) Directors válasza aderka hozzászólására (») Júl 8, 2009 /
 
Rendben köszi. Akkor ez simán viszi majd a 42 W izzót.
(#) tamitsrob hozzászólása Júl 8, 2009 /
 
ÜDV

Építettem egy kerti tavat és szeretnék a víz alá világítást készíteni..
Hogy fogjak neki hogy csináljam?
Én egy 12V os rendszerre gondoltam...
230v ról transzformátorral ami leválasztja a hálózatról.
És és itt a probléma: Ha víz alatt működne és nem sikerülne vízhatlanná tenni a csatlakozásokat akkor mi történne? A benne úszkáló halaknak annyi lenne vagy alacsony fesz. miatt semmi nem lenne?
Mivel a víznek is van ellenállása...
(#) Bandito7 válasza proli007 hozzászólására (») Júl 8, 2009 /
 
Köszönöm szépen proli007-nek a tanácsokat!
Sikerült áthangolnom a rádiót. Tök jó lett.
Még egyszer KÖSZ!
(#) klemo86 válasza tamitsrob hozzászólására (») Júl 8, 2009 /
 
FBS-sel mindenképpen tömítsd tökéletesen a csatlakozásokat! Ha nem akarsz belőle gondot, akkor nagyfrekvenciát kell alkalmaznod, az nem ráz...
(a 12Voltos akksira ha rövidzárként egy 32es villáskulcsot ejtessz, elfröccsen, hiába kifeszültség...)
(#) tamitsrob válasza klemo86 hozzászólására (») Júl 8, 2009 /
 
Mi az az FBS ?
ha a csatlakozásokat ezzel csinálom nem lesz gond?
Következő: »»   551 / 4051
Bejelentkezés

Belépés

Hirdetés
XDT.hu
Az oldalon sütiket használunk a helyes működéshez. Bővebb információt az adatvédelmi szabályzatban olvashatsz. Megértettem