Fórum témák
» Több friss téma |
- Ez a felület kizárólag, az elektronikában kezdők kérdéseinek van fenntartva és nem elfelejtve, hogy hobbielektronika a fórumunk!
- Ami tehát azt jelenti, hogy a nagymama bevásárlását nem itt beszéljük meg, ill. ez nem üzenőfal! - Kerülendő az olyan kérdés, amit egy másik meglévő (több mint 17000 van), témában kellene kitárgyalni! - És végül büntetés terhe mellett kerülendő az MSN és egyéb szleng, a magyar helyesírás mellőzése, beleértve a mondateleji nagybetűket is!
Hát nem sokra jöttem rá...
Ugye, nem tőlünk várod, hogy megtervezzük, megépítsük, élesszük, bedobozoljuk és működtessük a készülkéket?
persze hogy nem.
Hello!
Először tisztázni kellene, hogy mit szeretnél. Azaz, hogy milyen sebességgel (ütemmel) szeretnéd a relét kapcsolgatni, és a potival mekkora tartományban szeretnéd ezt állítani. Az is érdekes lehet, hogy a relé meghúzási és ejtési ideje egyenlő hosszú idejű legyen, vagy nem. Valamint, hogy mekkora a relé áramfelvétele, vagy tekercsellenállása. Mert ezek után lehet valami "konkrét" tanácsot adni. üdv! proli007
Hello!
Az LCD vezérlése nem ördöngösség.. - A szegmens, akkor látszik, ha a szegmens kivezetése és a hátlap (BP) között feszültség különbség van. De mivel az LCD-t nem lehet egyenfeszültségre kapcsolni, a BP nem lehet közvetlenül a plusz, vagy a mínusz tápfeszültségen. Ezért a BP elektródát kapcsolgatják (négyszögjellel és olyan frekivel, hogy ne "villogjon". Így ha a szegmens vezetéket a BP-vel azonos fázisban váltogatjuk, akkor nincs köztük feszültség különbség, tehát nem látszik a szegmens. Viszont ha ellen fázisban váltogatjuk, akkor van köztük feszültség. (Hol a BP plusz, hol a szegmens. Így az olyan mint ha váltó lenne) - Egy XOR kapu, pont ezt tudja produkálni. Ha az egyik bemenetére a BP jelét kötjük, és a másikra a szegmens jelét, akkor ha a szegmens jele "L" szintű, az XOR nem invertál, tehát a kimenete azonos fázisban ugrál mint a BP. Ha a szegmens jele "H" szintű, akkor invertál az XOR, tehát a kimenete ellen fázisban van mint a BP. - Az XOR bemenetét és az LCD BP lábát, meg lehet hajtani, egy négyszöggenerátorral. De semmi akadálya, hogy a jeleket procival készítsük el, csak a logikája stimmeljen. A különbség, hogy programba írjuk az XOR műveletet. Viszont akkor állandóan ezzel kell foglalkoznia a procinak. (Emlékeim szerint erre a meghajtásra van azért több külön cél IC is. pld. AY0438) üdv! proli007
Sziasztok!
Egy viszonylag egyszerű, számomra viszont eléggé érthetetlen dolog miatt fordulok hozzátok. AVR-re írtam egy egyszerű progit ami négyszögjeleket állít elő és a kitöltést potival lehet szabályozni.Ezt a jelet egy feszültségosztóval leosztom kb 0,5Vra. Van egy olyan progim ami a hagkártyából csinál egy nagyon egyszerű ossziloszkóp szerűséget. Ezzel néztem a jeleket. Észrevettem hogy a négyszögjelnek a nulla vonal (nem tudom mi a rendes neve) alatt is van része. És ezt nem értem hogy ez hogyan lehet. Az AVR 5Vról jár, nem hiszem hogy szimmetrikus négyszögjelet álltana elő. A segtségeket előre is köszönöm Üdv!
Sziasztok.
Azt szeretném kérdezni a hozzáértőktől,hogy mi az alapvető különbség a :6dB/oktáv a 12db/oktáv és a 18dB/okt. meredekségű keresztváltók között? Milyen hangzásbéli különbség van a közöttük? Köszönöm. Üdv: Gyurka
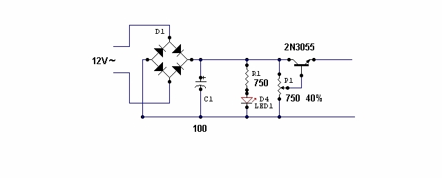
sziasztok! Szeretnék csinálni egy ford. szabályzót 12V-os kismotorhoz, és nemtudom, hogy a mellékelt kapcsoláson az R1 értéke, az 750 Ohm, Meg a poti is 750 Ohm? És a C1 az milyen értékű?
Köszi!
az r1-750 ohm
a poti-750 ohm a kondi-100µF/50V
Sziasztok!
Egy olyan embertől szeretnék választ kapni,aki konkrétan dolgozott gyártástechnológiában és biztosabb az infoja. Mennyibe kerül a legyártása 1 darabra leszámítva a következő alkatrészeknek {megközelítőleg}: -0,25W ellenállás -10u 47V ELKO -tolókapcsoló -nyomógomb -billenőkapcsoló -IC foglalat -kijelző -Jack-dugó -Jack-aljzat -Ic:4511,4510 & 555 -9V-os kesztyűgombos csatlakozó
A 2N3055 helyett lehet oda BD245-öt is. Én is használtam egy ideig azzal. És szerintem a 2Wos huzal poti oda felesleg nekem volt "normál" potim az is jó volt.
Üdv!
Igen ebben igazad van, főleg ha megakad a motor akkor elfüstölhet egy kisebb teljesítményű poti. Régebben megépítettem ezt a kis áramkört egy ideig működött is. Egyszer rákötöttem egy 200W 24Vos motort és némi terhelést a motorra. Ekkor meghalt a tranyó.
köszi a válaszotokat!
És 9V DC-árammal is működik?
Ez azért van, mert a hangkártya bemenetén van egy kondi, ami az egyenkomponenstől szabadítja meg a bemenőjelet, azaz úgymond "eltolja" úgy, hogy a pozitív fél és a negatív fél alatt kb. ugyanakkora lesz a "terület". Remélem érted, mit akarok kinyögni...
Igen, értem. Olyasmi lehet mint az asszimetrikus erősítőnél a kicsatoló kondi.
Köszi szépen. Üdv!
Szép kísérletek a Duna TV-n a Hogyan működik? sorozatban.
2009 06 15 mikrohulámú melegítő 2009 06 16 fénymásoló 2009 06 23 személyi számítógép 2009 06 30 izzólámpa, fénycső, LED 2009 07 07 vasaló, induktív főzőlap, örvényáram 2009 07 14 magnetofon, képmagnetofon, kamera, monitor 2009 07 21 hangrögzítés, lemezjátszó, interfrencia, magnetofon, CD 2009 07 28 szikratávíró, Hertz, Popov, elektroncső, detektoros, néprádió, tranzisztor 2009 08 04 műsorszóró rádió, állóhullám, antenna, hullámterjedés, rezonancia, moduláció Mozik
Szasztok!
Lenne mégegy kérdésem. Szóval régebben építettem egy tapskapcsolót, és most ezt a szobámba a csilláromhoz építettem be, hogy azt kapcsolja a relé. Működik, de van egy gond, az hogy a relé függ a hálózattól, azaz ha egy másik helységbe felkapcsolom a villanyt, a relé is meghúz, sőt hogyha egy fénycsövet kapcsolok, akkor ahogy a fénycső villog a bekapcsolásnálm, a relé úgy kattog. Mivel lehetne ezen segíteni? A tapskapcsolónak 12V-DC vel kell működnie, én olyan tápot használok, hogy a trafó 9V~ 220mA egyenirányítva, pufferelve (470uF) és akkor ez elvileg 12V DC. Egy nagyobb pufferkondi segítene ezen? Vagy esetleg az, hogy a tapskapcsoló tápfeszét egy másik helyről hozzam (mert most a csillárr vezetékéről párhuzamosan szedem le. Köszi előre is!
Sziasztok
Van ill volt itthon egy sepregető gép, ami már ki volt selejtezve. Én unatkoztam, ezért szétszedtem, és az elektronikáját feltérképeztem. Tudnátok segíteni abban hogy jó-e? Nincs e benne hiba? Úgyértem hogy a kapcsolásban, és vagy a móricka rajzban, köszi. A mellékeltk képen a nyák sematikus (móricka rajza,) alul pedig ebből a kapcsolás látható, valamint egy hevenyészett használati utasítás is ja és alkatrész lista.
Szia! Egyik végzettségem gépgyártástechnikus, de ez közgazdasági kérdés. Miért érdekel, ha szabad megtudnom? Csak mert mielőtt dobsz egy hátas a válaszomtól, érdekelne, hogy miért érdekel.
![]() Nem fogok most az összes termékre válaszolni, hanem csak az egyik terméket kiemelem példának. Ez a válasz jó az összesre. IC foglalat: 1db vásárlásánál 12Ft, 10db felett 9Ft. A bolt mondjuk dolgozik 20% haszonkulccsal (de ez nem mind az ővé, ebből lejön csomó kiadás), tehát a nagykertől 10 illetve, mivel ő nem egy darabot vásárol 7,5Ft-ért veszi. A nagyker számoljon szintén 20%-ot, az importőr árához, tehát 6,25 Ft-ért veszi. Az exportőr további 20%-al adja tovább. Ez esetben 5,2Ft-ért veszi a gyártótól. Ha ez a szint legyen a Idézet: , akkor nettó 5,2Ft, de Te 9+ÁFA, azaz 11,25Ft-odba kerül, ami 2,16 szorosa a legyártási árnak.„Mennyibe kerül a legyártani?” A valóságban ezek a százalékértékek jóval másabbak is lehetnek. Ezért van az, hogy pl.: egy 100e Ft-os LCD TV-nek az előállítási költsége jóval az 50e Ft, alatt van. Némely esetekben akár a 25e Ft körül is mozoghat. Nagyban függ a legyártott darabszámtól.
Szerintem D2 LED fordítva van rajzolva, és az aksi is.
Hát megnéztem de nem. Most is megnéztem. Először nekem is fordítva tűnt de szerintem a PNP tranzisztor miatt így lkell lennie
Szasztok! Mit gondoltok, egy 2W-os erősítő BD139-140-es tranzisztorainak elég az ilyen egytranzisztoros, hűtőzászlóra csavarozható kis hűtőborda(ez másfél centi hosszú, 1 centi széles kivitel)? Köszi
Határeset....
ezt mondta a boszorka is a régi viccben
Hello!
Kösz a választ.Az infora a technikusi dokumentáció miatt lenne szükség.Csinálok benne egy marketinges,sorozatgyártásos fejezetet és ehhez kéne konkrétan. Azért kéne egy olyan 100%-os info ,mert szeretnék reál adatokkal dolgozni. Viszont a Te infod is megfelel,majd ebből dolgozom. Köszönöm.
Még kérdeznék a gépgyártástechnikusival kapcsolatban néhányat ha nem gond.
Szóval mit is csinál pontosan egy gépgyártástechnikus.Megtervezi/karbantartja a gép/alkatrész gyártó gép gépezetét? Hány gép kell egy 0,25 W-os ellenállás legyártásához,ezek a gépek mennyibe kerülnek és melyik gyártó kivitelezi? Tudnál küldeni néhány képet egy ilyen gépről,vagy céges titok és nem lehet?
Meg tudná valaki mondani hogy a linkelt kapcsolás a Rádiótechnika melyik számában található?
Helló!!!
Nekem vagy egy távirányítós autóm, jó szórakozás irányítani és jó kikapcsolódás, csak annyi a baj hogy a haótáv nem túl nagy. Tudna valaki segíteni hogy-hogy növelhetném a hatótávot??? Nagyon hálás lennék.
Persze lehet nem a Rádiótechnikában van.
Még ennek a kapcsolásnak a forrása is kéne,ha valaki esetleg tudna segíteni.
Nekem is pontosan 40 MHz-ra kéne erősítés...
|
Bejelentkezés
Hirdetés |















