Fórum témák
» Több friss téma |
Szia mindenki!
Megépítettem egy panelműszert, működik, és azt szeretém kérdezni, hogy mit/hogyan kössek be, hogy - egy kétállású kapcsolóval át tudjak kapcsolni feszültség és áramerősség között? Valaki le tudná rajzolni nekem a bekötést? Köszönöm előre is.
Hello
valaki nem tudná meg mondani hohy lehet ingyen megrendelni az ic t a maximtol? elöre is köszi!
szia kaptál már választ a feszültség és áram átkapcsolására mert én lerajzolom neked ha kell csak ird meg hogy mekkora a feszültséged és az áramod amit mérni akarsz max üdv
Szia, igen kaptam, de nem tudok eligazodni rajta, bár egyszer bekötöttem, de amikor átkapcsoltam amper mérésre, akkor nem kapott feszt a mérendő eszköz.
Nekem, ha lehetne a mellékelt rajzba (V-A_kapcs.jpg) kellene a bekötést berajzolni. Előre is köszi a segítséget.
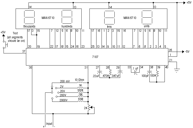
Halló!Végigolvastam a kérdéseket, válaszokat de az én kérdésemre nem találtam választ. :no: A problémám a következő Honnét tudom megállapítani ránézésre vagy bárhogy, hogy KÖZÖS ANÓDÚ a LED kijelzőm
valaki tudna segíteni??
Szia!
Ránézésre csak akkor tudod megállapítani, ha megvan a típusszám. Ha nincs, ki tudod mérni. Kell hozzá egy 5V-os táp, egy ellenállás kb. 680 ohm-os. Az ellenálláson keresztül kell a tápot rákötni a kijelző kivezetéseire. Elkezded mérni a kijelzőt, és nézed, hogy melyik szegmens világít. Ha az egyik vezetékkel eltaláltad a közös kivezetést, a másikkal egymás után sorban ki tudod gyújtani a szegmenseket. Ha a közös kivezetés a pozitív, akkor közös anódos, ha a negatív, akkor pedig közös katódos a kijelző.
Van két fajta kijelzőm is.Az egyikre az van írva
DL0500B L8026ME a másik 6TFK114 TDSR5150 meg tudnád nézni nekem jók-e egyáltalán?
TDSR 5150 :közös anódos, egy az egyben használhatod.
Kicsit halványabban fog világitani, mert 10mA a gyárilag ajánlott áram, és az ICL 7107 csak 8mA-t ad a szegmensekre.
Nekem TDSL5150-es kijelzőim vannak, ezek 2-5 mA árammal már viritanak.
Sziasztok! Találtam még két különböző kijezőt, megnéznétek nekem a 4 közzül melyiket érdemes bele építeni?
Itt a másik kettő TDSO- 5150L HDSP-5503 Előre is köszönöm
A TDSO5150L is közös anódos, csak narancsszinű.
Az L betű jelentheti az alacsony áramfelvételű tipust is, érdemes kipróbálni. A próbához a lapose álltal ajánlott módszert használd, és igy meggyőződhetsz az egyes tipusok közti fényerőkülönbségről. Adatlapokat, bekötéseket találhatsz pl:itt.
Sziasztok! A kijelző fényerejét melyik ellenállással lehet megemeli?
+ az is a gondom a föld és plusz 5v között csak 2v van miért? tudja valaki?
Ennyi smile-ból is értünk... Továbbá jó volna, ha előbb átgondolnád, mit szeretnél tudni, és csak utána írnál hozzászólást. Egyet. Frankye
Szia!
Idézet: „A kijelző fényerejét melyik ellenállással lehet megemeli?” Hol? Semmilyen kapcsolást nem látok.. Idézet: „a föld és plusz 5v között csak 2v van miért?” Ezekben a kijelzőkben LED-ek vannak, és az átlag LED-nek 2V körüli a nyitófeszültsége. Ha 5V-ot mérsz rajta, már valószínű halott.
Bocsi de nem értjük egymást.A tápegység "csinál" +5voltot illetve -5voltot.Ha rákötöm a feszmérőre a plusz 5volt helyette csak 2voltot mérek, míg a mínusz ágban ugyan úgy -5 voltot mérek.Ez miért lehetséges, mi lehet a gond???
Szia!
Kér lehetőség van: - Kicsi a tápegységed terhelhetősége a +5V-os ágban. - Valami hiba van az áramkörödben, és lerántja a tápfeszt. Ha 7107-el csinálsz feszültségmérőt azt tudni kell, hogy a +5V-ról sokkal több áramot fogyaszt, mint -5V-ról. Mérted mennyi az 5V-ról felvett áram?
Eddig csak gyanitottam, hogy ICL7107-el épitesz valamit, azért nem ártott volna ezzel kezdened.
Mekkora teljesitményű a tápod?
Bocsánat, ne haragudj. A tápom 16voltot tud és olyan 1 A-t.
MaJdnem minden "flott", csak zavar a + ágban a 3 V esés. Ebböl gondolom hogy valamai nem kerek. Továbbá a kijelző fényereje sem az igazi.
Szia!
Idézet: „A tápom 16voltot tud és olyan 1Ampert.” Milyen táp? Ide stabil 5V kell, pl. 7805!
És a Tápod az szimmetrikus(+16, GND, -16V)?
Mértél áramot a pozitív ágban?
Légyszives használd a válasz gombot, mert igy nem tudni kinek is irsz.
A tápod földszimmetrikus, és ebből állitod elő a+5 és a -5V-ot? Mérj rá a pozitiv ágra még a stabkocka előtt mekkora feszültséget kap, ha be van kapcsolva az ICL.
Nem, nem szimmetrikus a táp.
Nem értem a 2. kérdésed, ha esik 3voltot a feszültség akkor csak mértem, nem??
Bocsi csak még új vagyok az oldalon.
Látom. Nem ártana előbb kicsit ismerkedni az oldal szokásaival! Frankye
Ha nem szimmetrikus akkor hogyan gondoltad a kétféle tápfeszültséget előállitani?
Esetleg rajz? Melyik kapcsolást épited?
Szia!
Nem lesz jó! Neked szimmetrikus táp kell: |
Bejelentkezés
Hirdetés |






valaki tudna segíteni??






