Fórum témák
» Több friss téma |
Innen tudsz választani.
Megnézed az adatlapot és összehasonlítod a lábkiosztást. Általában egyformák, a háttérvilágításnál lehetnek problémák, hogy az anód, katód fel van cserélve, de ezt egy jumper (vagy 0 Ohmos ellenállás) átforrasztásával meg lehet oldani. Tessék használni a LINK gombot a hozzászólás író ablakban! Ha nekem kell használnom helyetted, akkor nagyon-nagyon morcos leszek! Frankye
A Chipcad honlapján van pontosan a szükséges típus, és valószínűleg olcsóbb is, mint a "kompatibilis" kijelzők, 1100 + áfa. Én x. nap 11-kor feladtam a rendelést, másnap hozta a futár. Egyből ment minden. Arra vigyázz, amit már írtam is, hogy ne fogdosd úgy, hogy nem vagy leföldelve. Utána már lehet, ha beszerelted
Még annyi lenne a kérdésem, hogy a vicsys-es frekimérőnek a nyáktervén van egy felületszerelt dióda, ami nincs rajt a kapcsolásirajzban és az alkatrész jegyzékben sincs felsorolva. Most, akkor a diódát be kell ültetni?
üdv: mate_x
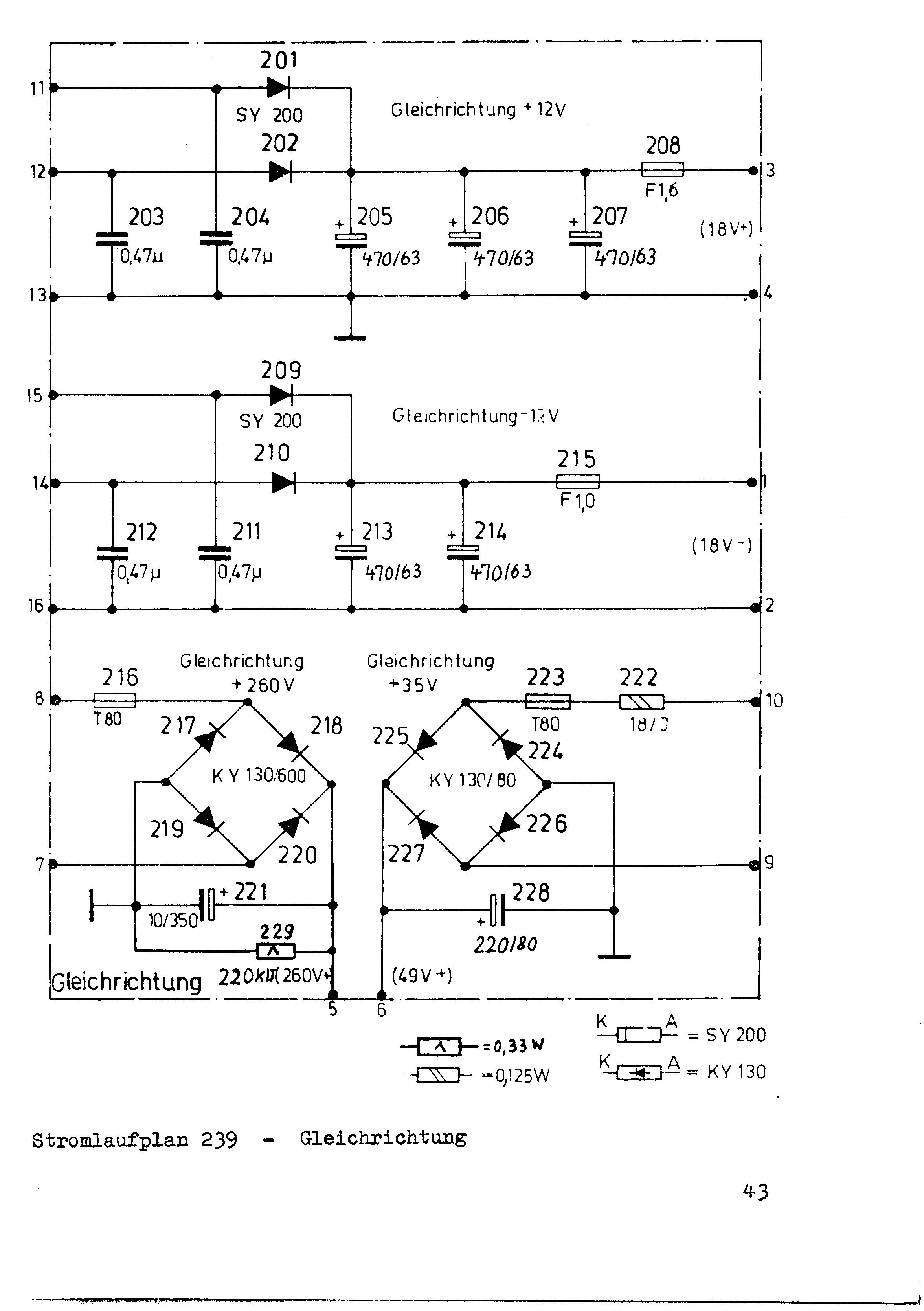
Én a következő tervet találtam hozzá:
Vicsys panelterve Ezen nem láttam diódát felületszerelve. Én egyébként saját panelterv alapján, az eredeti kapcsolást építettem meg: Vicsys kapcsolási rajza Itt nem is látok diszkrét diódát. De működik
A sprint layoutos tervet letöltve, lesz látható a dióda, de végülis mindegy ha így is működik
.
Hát, én jobbszeretem megtervezni, nem is használok ilyen programot. Úgyis át kellene nézni, akkor meg megtervezem
Hála Istennek ment. De nincs benne diódám. Még a BF240 bázisellenállását sem a pozitív tápra kötöttem, de ezt még kipróbálom ha sikerül.
Az nem dióda, hanem egy ellenállás, ami lehet SMD és furatszerelt is, a panel mindkettő fogadására fel van készítve. Ezen felül csak a FET SMD, de az kötelezően.
Rendben kösz
!vd1234: általában én is magam szoktam a nyákot megtervezni, ezt is kicsit át terveztem + egy fordulatszámmérő nyákot s csináltam hozzá, de minek még egyszer megcsinálni ha ez biztos működik
Üdv. Van egy RFT gyártmányú frekvenciamérőm nixie csöves) kb 10 évig állt és amikor bekapcsoltam akkor az összes cső összes száma világított. Előző tulajdonosa a tápfeszre gyanakodott. Ha kicserélem a tápban a kondikat akkor attól működhet? Sajnos most nincs egyetlen műszerem se ezért kérdezem.
Előre is köszi.
Elképzelhető. A brumm összezavarhatja a lelkét, régi cuccoknál használni szokott az újraelkózás.
De szerintem nem ártana előtte egy kicsit körülnézni benne, ellenőrizni a tápfeszeket, meg szkóppal megnézni a brummosságot, stb. Már ha van türelmed megvárni amíg a műszerek elérhetővé válnak. Csak mert lehet, hogy feleslegesen dolgozol, bár nem tudom, mennyi elkót érintene a dolog. Ha viszont cserélsz, akkor nem ártana az összeset kicserélni. Meg aztán, ha véletlenül sikerül valamit elrontani, akkor úgysem úszod meg a műszerek használatát. De ne legyen így...
Hali. Tulajdonképpen nem kellene sok elkót cserélni. 3 van az egyenirányítóknál, 7 meg a trafónál. Melyiket érdemes cserélni az összeset vagy csak ami a trafóknál van. Mellékelem a táp kapcsolási rajzát. Meg akartam nézni szkóppal de a szkóp is elszállt, durrant egyet a nagyfeszrésznél (áthúzott egy ellenálláson) és azóta szerintem nincs benne nagyfesz. Multiméterrel se tudom megnézni mert kölcsönadtam és ohm állásban dugták be 230ba
. Szóval műszerpark lenullázva(kivéve a tápegységek) Jövőhét végén hoznak egy szkópot hogy meg tudjam csinálni a szkópot de közbe jó lenne ha menne a frekimérő is. Tegnap meg elszált a szignál generátorom is ugyanaz a helyzet mint a szkópnál. (a Szkóp:EMG 1549/2, a generátor EMG -1168, esetleg ha erre is van ötlet azt is megköszönném, de az elsődleges cél a frekimérő.)előre is köszi. Idézet: „Ω állásban dugták be 230ba” Atyaég... Profik voltak.... :no: A szkópról meg a generátorról nem tudok nyilatkozni, főleg, hogy nem tudunk semmi konkrétat. Ott is mérni kellene először. Szerintem azokat az elkókat lenne érdemes lecserélni, amik a logikát táplálják (+5V-on, 222, 223, 224, a második rajzon), mert az összes szám kigyulladása szerintem arra gyanakodom. Ha mégsem javul, akkor meg lehet haladni tovább, én először a kisebb feszültségűeket (+-18V) cserélném. Bár az igazat megvallva, ha az 5V-osaktól nem gyógyul meg, akkor már tényleg elég kicsinek gondolom az esélyt arra, hogy tényleg a brummtól nem megy.
Oké. Jelentkezem mihelyt van fejlemény.
U.i. Többet nem adok kölcsön műszert
Még egy kérdés. A rajz szerint azok a kondik 5 voltal vannak terhelve. Ha kicserélem őket 6,3V terhelhetőségűre akkor menni fog? Most 16V-os van benne.
Hát, az az 5V az a névleges érték. Mi van, ha a stabilizátora nem pontos, vagy nem szabályoz jól, vagy jön egy löket az amúgy is magasabb, 220V helyett 230V-os hálózatról (bár ez mondjuk arányában elenyésző különbség), amit nem véd ki, bár akkor a bele is megsínyli az incidenst...
De amúgy is rá szokás hagyni legalább 15-20%-ot a méretezéskor... Egyszóval menni mehet, de nem egy életbiztosítás szerintem. Arra persze jó, hogy kiderítsd, hogy esetleg az elkók miatt nem megy.
Hát, erre azért volt esély, sajnos be kell látni, de azért veszteni nem vesztettél vele, mert ha majd meggyógyul, akkor már nem kell újraelkózni. Egy ilyen idős ketyerénél ez amúgy is időszerű. Szerintem amúgy is jobb, ha nem vaktában tapogatózol, hanem megméred, hogy mi a baja.
Oké. Akkor majd újra előveszem ha lesznek működőképes műszereim.
. Köszi a segítséget.
A kérdés az, hogy milyen frekin rezeg a rezgőkör. Ha alacsonyfrekis (max. pár száz kHz), akkor elég lehet egy direkt mérés, ehhez elég nagy ennek a műszernek a bemenőellenállása és elég kicsi a kapacitása, nem kell ide semmilyen műverősítő.
Ha több MHz, akkor viszont induktív csatolást szoktak alkalmazni, azaz egy pár menetes tekercset tesznek a mérő bemenetére, és a mérendő rezgőkörhöz közelítik addig (és nem közelebb), amíg már stabilan mér a műszer. Minden esetben az a lényeg, hogy a műszer és a mérőkábel bemeneti kapacitása (és induktivitása) minél kisebb mértékben hangolja el a rezgőkört (tehát a rezgőköri kapacitáshoz képest minél kisebb legyen a mérőeszközé). Mivel egy rezgőkör mindig egy aktív elem révén rezeg folyamatosan, ezért célszerű mindig az erősítőfokozat kimenetén mérni, mert ott kisebb az elhúzás hatása.
zoly15, kérésére (valamint segítendő a többieket), teszek fel 1-2 használható anyagot.
Elnézést a nagy képek miatt, de így jól láthatók az apróbb részletek.
...és még egy doksi az előzőhöz:
Hali!
A frekvencia mérőd már mér, de nem lineárisan :no: Írok pár értéket amit egy hanggenerátor programmal mérettem vele. Jelgenerátor Frekvencia mérő 805Hz ---> 1316Hz 1007Hz ----> 1007Hz 1587Hz ---> 3060Hz 2445Hz -----> 4960Hz 3000Hz -------> 3000Hz Ilyenkor mi csalhat? 1000Hz alatt mindenhol hülyeséget ír ki :no: Valaki tud segíteni? Előre is köszönöm! Üdv!
Van egy olyan gyanúm, hogy Te is belefutottál abba amivel már itt a fórumon foglalkoztunk. A szalagkábel a kijelzőnél. Az LCD vezérlő jelei rászuperponálódnak a bemeneti fokozatra és ez a kusza jel meghülyíti az érzékeny bemeneti fokozatot.
Bővebben: Link Tehát próbaképpen tedd közelebb vagy távolabb az LCD-t.
Sziasztok! Szügségem lenne egy olyan frekimérő kapcsolási rajzra amivel legalább 50Mhz ig tudok mérni! Annyi lenne a feltétel hogy ne legyen benne pic és szegmenskijelzős legyen! Nagyon megöszönném ha tudna valaki feltenni egyet.
Hello
Meg szeretném építeni a közeljövőben Vicsys kolléga frekvenciamérőjét, de nem szeretném, ha nagyon érzékeny lenne. Olvastam a topic elején, hogy e célból el lehet hagyni a FET-es részt, és a mérendő jelet közvetlenül a 10µF-os kondenzátorra vezetni. A kérdésem az lenne, hogy biztonságos lenne ez így? Nem kéne bázisellenállást berakni a kondi és a tranzisztor bázisa közé? És így milyen lenne az érzékenysége? Esetleg megoldható lenne a dolog egyszerűbben egy komparátorral, ahol pl. 1V bemenet feszültségnél a kimenet magas szintre kapcsolná a 74HC132 IC 1-es lábát? Üdv.
Szia!
Szerintem az érzékenységcsökkentés legegyszerűbb módja egy feszültségosztó elhelyezése a FET elé. Potméterrel. vagy fix ellenállásokkal. A bemeneti 33 kohm helyett egy nagyobbat beépítve ugyancsak csökken az érzékenység. |
Bejelentkezés
Hirdetés |






Profik voltak.... :no:









