Fórum témák
» Több friss téma |
Fórum » RIAA korrektor
Témaindító: Ghost Rider, idő: Aug 25, 2006
Ha a TL072 verei a 80Db-t,akkor az már a HFM1 közelében van! az 83Db-t veri!
Kicsit sokat írok,de biztosra akarok menni!
:yes: Megnéztem az LM833 adatlapját,már az adatlapban is benne van a lényegében ugyan az a kapcsolás,amit felraktam. És veri a 90Db-t!!!
Kicsit kínos számomra kimondani egy ilyen emberről, aki ennyit publikál, de Elliotnak talán mással kellene foglakoznia. Ez a RIAA kifejezetten kínos, amit kreált.
Tudom, hogy furcsa nektek, hogy idejövök osztani az észt és lehurrogok ilyen nagyhírű embereket, de ez a kapcsolás akkor is ciki. Nem elég, hogy egységerősítés közelébe állítja be az első fokozatot, 3 Khz felett, de a második fokozatban az 820 ohm a kimenettel sorban, az azért fáj nekem. Egyrészt 10Kohm terhelő ellenállásnál, ami azért elő tud fordulni, már 10% körül odébb tette a RIAA görbét, de 820ohm-ra a TL max 6V pp-tud kiadni, amiből 20Khz-n marad 600mV pp, azaz durván 200m eff, a kimeneten. Figyelembe véve ezt, a minimálisan megkívánt 20dB túlvezérlési tartalékkal, akkor marad 20Khz-n 20mV eff kivezérelhetőség, ami még a legrégebbi lemezekre sem elég, nemhogy mondjuk egy Sheffield direktvágottra... Elképesztő ez az ember, a nyugat somogyija...
Teljesen mindegy ki tervezte, az viszont tény, hogy nem ért hozzá.
Vagy nem tudom mit lenne érdemes rajta cserélni.
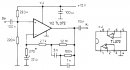
Új nyákot ha akarnék sem tudnék csinálni,mert elfogyott a műnyomóm. Az LM833 nyákját már ki is marattam,úgyhogy nem akarok még 1 nyákot csinálni. Amúgy,most nézem hogy nem az LM833-as riaa korrektoról írtál. Sebaj,holnap elmennék megvenni az alkatrészeket hozzá. BGSF azt mondta,bele tehetem a TL072,akkor bele is fogom,feltéve ha jó neki a körülötte lévő áramkőr. Meg is csináltam TINÁBAN a kapcsolást TL071-el,de nem tudtam megnézni hány Db-t nyom. Azt is csatoltam!
Azt írták,a 6-os lábon,a DC munkaponton 6V mérhető mindíg,TINÁBAN annyit mért,ezekszerint gyakorlatilag működőképes,csak hogy milyen a hangja... :szomoru1:
Kicsit még dolgozz rajta , rossz a rajz .
Így nem fog működni !
Amit berajzoltál a TINA-ba , az rossz .
Ha megnézed remélem Te is látod .
Tettem az "A osztály..." fórumba egy nagyon szemtelen kis végfok kapcsolást, nagyon illeszkedik az egyszerű RIAA-hoz.
Na megépítettem a riaa korrektort,TL072-vel.
A vásárlásnál valami miatt kimaradt a 16K-s ellenállás,anélkül kipróbáltam,nem csinál mást csak gerjed. A második probléma az volt,hogy a NYÁK tükrözve van,így az IC a fólia oldalra került foglalatban. A tápja szerinte nem stabilizált,csak egy sima 12V-os kapcsi tápot kapott. Ha vonaljelet küldök neki azzal sem kezd semmit. Mi lehet a gond?
Szia!
Az ellenállás nélkül nem is fog működni!
Igen,meg is van a hiba!
Az ellenállást átkötöttem vezetékkel,és ujjammal leföldeltem a forrpontot,nagyon jól működik! Holnap megveszem hozzá azt az ellenállást,nem tudom mi az oka,hogy kihagyta a csaj! Amúgy,az Incomp-ba járok
Ez nem csak RIAA-nál figyelhető meg, anno Quad405-öket próbálgattunk így, és hát tényleg nem volt mindegy, hogy mi került bele.
Most betettem egy 15K-s ellenállást a 16K-s helyére,jó régit,szól-szól,de nagyon torz!
Ennyire szigorúan kéne neki az a 16K-s ellenállás,vagy nem jó ennek az IC-nek a visszacsatolás? Berakhatom ENNEK a kapcsolásnak a visszacsatoló hálózatának az alkatrészeit? Annyi a különbség,hogy nekem 2 kondenzátor és 2 ellenállás adja a visszacsatolást,itt pedig 3 ellenállás és két kondi Melyik ellenállás hagyható el? Idézet: Jó esetben nem kellene szigorúann venni ha csak a működő képességét néznéd ? Mit akasztottál a bemenetre ? csupán csak kiváncsiságból kérdezném , mert ennek a bagatel kis kapcsolásnak tökéletesen kellene mennie ! Ha torzit akkor bizony te néztél el már megint valamit . „Ennyire szigorúan kéne neki az a 16K-s ellenállás,vagy nem jó” Idézet: Ez a hálózat lenne hivatott neked a korekciót beálítani ! Cseréld nyugottan azzal még rosszabbat nem okozol . „a visszacsatoló hálózatának az alkatrészeit? ” Idézet: Eggyik sem ! „Melyik ellenállás hagyható el?”
Akkor megyek 16K-s ellenállásért!
Amúgy lemezjátszót kötöttem rá,Pioneer PL-750,eredeti hangszedővel aminek a megengedett terhelése 50Kohm,és 2mV jön ki belőle.
Akkor valami nagyon nem jó ott, a 16k helyett 15k-nak nem szabadna ilyet okoznia!
Ne menj sehová azzal a 15 K-val is menie kellene rendesen ! Nézd át mert itt megint vétettél valamit ? a torzítás az nem attól van hogy 15K vagy 16K az ellenálásod amit arra a pozícióra tettél . Mondtam már neked hogy építsd meg EZT ezzel semmi bajon nem lett volna már rég túllennél rajta aztán építhetnéd a következőt !Most építgetem én is a következő RIAA korrektoromat ami most ezúttal Elektroncsöves lessz .Már a korrektor az kész még a tápegység dobozolása van hátra , ami jelenleg folyamatban van .
Hallgass CIROKL-ra. A RIAA kritikus pontja az, hogy 40dB-t kell átfogni erősítéssel, plussz erősíteni kell 20 dB-t, plusz kéne 20dB túlvezérlési tartalék.
Ez együtt 80dB átfogás. Ehhez ha csak 20dB visszacsatolást tervezel, ( hogy azért ne legyen egy torzítógép) akkor minimum 100dB hurokerősítésről beszélünk a kapcsolásnak ezt áramra is tudnia kell ám! Ha pedig passzívan akarod megoldani akkor kell 20 dB átfogás, meg 20dB visszacsatolás, meg 20 dB tartalék. Ez sehogy nem fog épkézláb módon kijönni 30V tápfeszből. Akkor inkább legyen csöves a cucc és máris nyertünk 20dB-t a 350V körüli tápfeszek miatt. Amit csővel RIAA téren könnyű elérni, azért félvezetővel nagyon meg kell kínlódni. Nagyon...
Hiába ösztökéled , már én is próbáltam .
Szerintem kipróbálja előbb azokat amik nem igazán jók, vagy használhatatlanok , majd jön a java . Ez a fejlődés útja .
Nézd! Attól hogy elektroncsöves valami attól még lehet sz''r! Nem tudom miért kell hasra esni egy elektroncsöves korrektor előtt? Sem frekvenciaátvitelben, sem torzításban , sem zajban nem jobb mint egy félvezetős! Az elektroncsöveknek ugyanúgy van zaja, torzítása, munkapontja és frekvenciaátvitele mint a félvezetőknek! Ezért van az hogy a zajszegény kis torzítású jó frekiátvitelű csövek baromira drágák (mert a geometriát és a szórt kapacitásokat nagyon ki kell számolni!), és kb 100 szorosát zabálják egy ugyanolyan kategóriás IC-s korrektor teljesítmény felvételének! Ha olyan jók lennének az elektroncsövek, akkor a számítógépek is abból lennének! Igaz készült ilyen de egy kisebb Paks kellett hozzá! Vagy miért tértek át a nagy gyártók a tranyós technológiára? Nem a modern kor miatt! Egy csőnek kell fél perc mire bemelegszik....Addig felzabál X Wattot.... Amit a tulaj áramszámlába kifizet, és mindemellé kap egy halványan derengő kis lámpát ami annyira audiofil.... De annyira... hogy azt az 1-2% torzítást a könnybelábadt szemein keresztül meg sem hallja!
És a tábortűz effektussal mi van? - amitől a szem könnybelábad?
Arról nem is beszélve, hogy amit a feszültség igényről leírtam, azt azért nem lehet elvitatni...
Én most estem hasra...a TDA7560-al!
Nem mint ha szükségem lenne rá,pénzt nem fizettem érte,ezért nyugodt szívvel mégépítettem,nagy odafigyeléssel,de nem működik Rákötöttem a 12V-ot és egy hangfalat,de nem működik. Meg se nyekken,nem gerjed,egyszerűen semmit nem csinál. Még csak nem is melegszik. Olyan,mint ha feszültséget se kapna. A stand by/mutte forrpontal lenne az oka? Abba ha jól tudom feszültséget kell vezetni ahhoz,hogy működésbe lépjen. Vagy éppen ahhoz hogy ne?
Sajnos CIROKL régimódi nagyon , lehet , hogy csak azért , hogy nem ismeri még a mai modern technikát , a 2 tranyós korrektort 9V-os elemmel , meg a TDAXXXX szuper IC-t .
Egy 741-es ícének sem hallod meg a zaját, torzítását stb-jét, a frekimenetet is nagyon tudja, a mért eredményeibe nem nagyon lehet belekötni, aztán mégsem szól olyan jajjdejól
Egy jól megtervezett és jól megépített csöves előfok, nagyon jól meg tud szólalni. Én is kisérletezgetek egy régebben épített ECC83-as kaszkód kapcsolással és bizony érdekes különbségeket lehet felfedezni a hangjában, egy ícéshez képest. Idézet: „És a tábortűz effektussal mi van? - amitől a szem könnybelábad?” Adj még 20 évet, és azt sem fogják tudni mi az az elektroncső, mi a bakelit és még azt sem hogy mi a CD! De lehet hogy már a DVD sem fog nagyon derengeni mindenkinek! A változások korát éljük. Ez az evolúció, az életképesebb kiszorítja a gyengébbet! Ez ugyan úgy vonatkozik az elektronikai alkatrészekre.... Persze ülhetünk a tábortűz mellett könnyes szemekkel a múltba merengve, de attól még a világ halad, és lehet hogy jobb irányba!
Az LM833 kapcsolásába tettem az IC-t,nem tudom miért torzít.
Nekem nem kell annyira nagyon fa"a korrektor,szóljon,legyen meg rendesen mind 2 oldal és kész! Ennyi lenne az elvárásom,semmi más! |
Bejelentkezés
Hirdetés |















