Fórum témák
» Több friss téma |
Fórum » Csöves erősítő készítése
Ne feledd betartani a fórum viselkedési szabályait, és a topik megmaradásának feltételeit. [link]
A téma átmenetileg fagyasztva lett, hozzászólni nem tudsz!
Itt megtalálod az összes évfolyamot.
Szerintem 7 cm2-nyi hipersil vassal nekiállhatsz EL 84-es PP-nek is, 10-12 W-nyi jó hangot biztos el lehet vele érni.
Ez jól hangzik, 10 watt meg bőven elég lenne, még 6-7W is. Majd meglátom mit tudok lőni a börzén novemberbe.
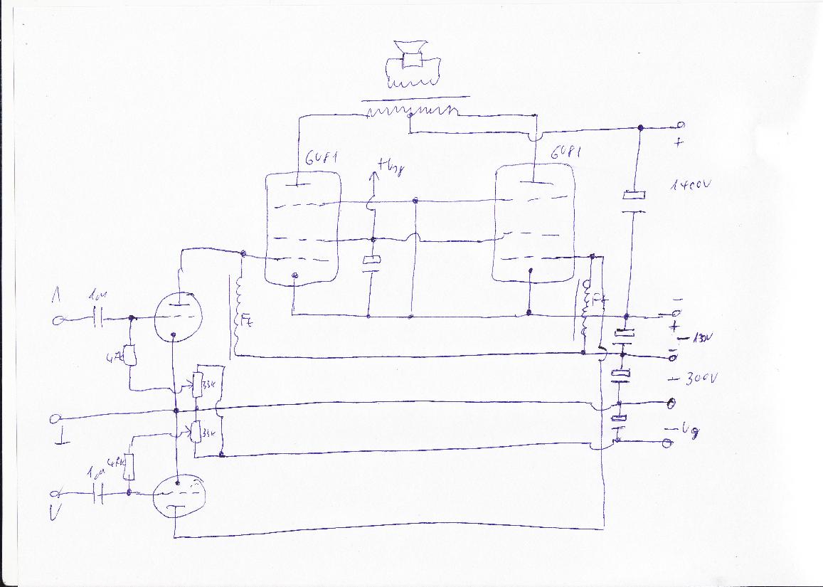
Találtam egy kapcsolást!
Nem tűnik rossznak,de kellene neki a leválasztó trafó a kimenetre,ami nekem nincs meg. Ha 30V-ot kötök rá,tudtommal jó oda az oristerből kiszedett lecsatoló kondi is Bővebben: Link2 csövet mutat a képen,de ha jóllátom az csak egy? Mert nem használja az összes lábád a csőnek,és ha megnézem,akkor a két cső pont kitesz egyet,mert úgy használja az összes lábát.
Hát ez állati jó!
Gusztustalanok lettek a nyákok, alámart ez a trutyi... Ez nyilván való, hogy az lesz a legcsúnyább, amelyiket a legpontosabban és legrészletesebben megtervezi az ember ![]() (az történt, hogy a maratóanyagból eltávozott egy csomó hidrogén, és most meg nagyon erősen klór szaga volt - egyértelmű a dolog, de hogy ennyire sz*r legyen a végeredmény )Remélem maga a cucc ettől függetlenül normális lesz
Egy ilyen jellegű csövesnél nem tudod megkerülni a kimenőtrafó alkalmazását. A cső impedanciája 5000 Ohm , a hangszóróé, amit rá akarsz kötni, 4-15 Ohm . Ez nem félvezető, trafó nélkül sajnos nem tudja meghajtani.
Azt jól látod: A csövek jelölési rendszerében az 1. betű a fűtésre vonatkozó csoport (leginkább E, D, P, U), a 2. 3. (4.) betű viszont a búrán belüli rendszer(eke)t jelöli. A rajzon egy ECL van, ami a feszültségerősítő triódát (C), és a végerősítő pentódát (L) jelöli.
Én korábban 2 EL84-et javasoltam (akár triódába kötve), szerintem az is képes lenne meghajtani. A 33Sz inkább a meleg termelődést segíti. A 6Sz19P is jó lehet (nekem is van belőle 4 db).
Nekem a 6C41C erősítőm egy régebbi változatában ilyen volt a meghajtásom, ezzel lényegesen jobb volt a hangja, mint a mostanival (amit Te is hallottál), de az igazi hang sajnos nincsen még meg, az idei télen már szeretném befejezni. Ennél a megoldásnál sajnos bekapcsolási sorrendet kell biztosítani (a felső csőnek később kell az anódfeszt kapnia, nálam csak azért nem kellett, mert a 6E5P lényegesen gyorsabban felfűt, mint a 6C41C). A végcsövek ilyen meghajtása is könnyen honosítható PP-hez, és joggal várható el nagyon jó eredmény.
6C41C_SE
Igen, lényegében az én rajzomon is ez szerepel, csak ott nem anódról van hajtva a végcső, ezért javasoltam, hogy legyen egy kis pozitív (+130V) része is a tápfeszültségnek, hogy ne kelljen a végcső teljes nyitásához a meghajtót "szögig" vezérelni. Félő, hogy a GU-nak nagy a meghajtó feszültség igénye, ez még felvethet problémákat.
Attól tartok teljesen igazad van, biztos megoldást talán valamiféle fijtótekercses vagy trafós megoldás jelenthetne, pl. ilyesformán.
Nem tudom a Beag 760-as duplafojtója megfelelhetne-e erre a célra, persze nem 6C33C-el, hanem valamilyen lájtosabb csővel.
Minden feszültség a helyén. Elméletileg összeállt a próba áramkör.
Milyen sorrendben kapcsoljam be a fokozatokat? Hogy lenne a legjobb szerinted? Én először a fűtésre gondoltam, majd az előfeszültség a 6C33C re, majd a katódjára a -300V ot kapcsolnám be, majd a +130V -ot az anódjára, aztán a trimmerekkel beállítanám a katódján a -120V ot, majd, ha megvan, akkor bekapcsolnám az GU81 segédrácsfeszültségét, majd végül az anódfeszültségét. Jó -e az elgondolásom?
A GU81-nek előbb az anódfeszültségét kapcsold be, és azután a segédrácsfeszt, egyébként tökéletes ahogyan elgondoltad.
Milyen kacsolóval kapcsolod az 1400V-ot?
Én adok neked SM74 hiperszil magokat csak csévét kell hozzá "reszelned". Az pont jó a PCL86 PP-hez.
Jajj, Zolikém! Köszi, hogy lerajzoltad!
Szerintem valahogy ÍGY
Hajjaj, ha ekkora ívet húz, akkor baj van...
legfeljebb Tesla tekercs lesz belőle
Na erről majd még beszélgetünk, egy jó csövi hallgatás mellett. De lehet EL84 PP-lesz még nem tudom. Majd Zoli barátom megmondja mi a jó nekem
Benne jobban bízok mint magamban.
A 84-hez már egyel nagyobb vasat javasolnék. Mondjuk a 9cm2-es SU vasaimat. Csak ahhoz is csévét kell gyártani
Szia Gabi!
Sturbi megadta a végső sorrendet, miközben itt szülinapot tartottunk. Mi újság? Történt azóta valami?
[off]VTTC, mi?
Hát az biztos, hogy nem lenne rossz ez a cső egy ilyen alkalmazásban sem
[off]Biztos nem lenne rossz, de én nem kínoznám szegényt. Jó ez HF-re...
Idézet: Mielőtt döntesz majd alaposan vedd fontolóra hogy szebb vagy nagyobb hangot akrsz előidézni ? Doncso nekem van SE -ből PCL86 ,EL84 . PP-ből PCL86, EL84 -is , és az én megálapitásom hogy a PCL86 az pp-ben veri az EL84 pp-ét hangzásban , viszont az EL84pp meg hangosabb jócskán ! „De lehet EL84 PP-lesz még nem tudom”
Majd ha rászánom magam és megcsinálom az EL84 PP kimenőket akkor majd kiprobálom én is PCL86-al is, hogy milyen hangja van.
Szerintem EL84 és EL84 (6p14p) között is van különbség.
Nekem pl. a Tungsram lekerekített anódú csövei jobban tetszenek -hangra (is) - mint az orosz 5000 órás 6p14p-ev, de sajnos az utóbbiból van több nálam A PCL86-on még dolgoznom kell egy kicsit
Akkor most kinek higyjek? Bővebben: Link
Mindenképpen a minőség a lényeg. Viszont még van munka az EL84-en, amikor minihifi-ről hallgatom, akkor kevésnek bizonyul mert a mély kiemelés miatt dinamikusabb de hamarabb torzít, viszont ha simán CD lejátszóról hallgatom, akkor meg hangosabb is mint kellene de nem annyira dinamikus, hiányoznak a mélyek magasak. Valahol a kettő között meg tudnék állni az jó lenne, ehhez kell átgyúrni az előerősítőt, ami ugyan már megszólalt ma de igencsak gyúrni kell rajta mert egyenlőre magának az előfoknak pocsék hangja volt, de szerencsére Köbzoli barátom rengeteget segít,amiért örök hálám üldözni fogja. Szóval egyenlőre meglátom mit lehet kihozni az SE ből, de ha PP akkor is a minőség kell.
A jobb mélyekhez kell a nagyobb keresztmetszet. Lehetséges hogy 1khz-en mérve kijön mindkét vassal a teljesítmény. Sturbi a minimum kersztmetszetet írta de ajánlott a nagyobb, főleg EL84-hez. Majd megbeszéljük. Én PCL86 PP-hez SM74-et (7cm2) EL84 PP-hez meg a 9cm2-es SU vasakat ajánlom. De jön majd a mi Köbzolink és majd ő is mond valamit.
|
Bejelentkezés
Hirdetés |



)
