Fórum témák

» Több friss téma
Fórum » TDA7294 végerősítő
 
Témaindító: Dióda, idő: Ápr 17, 2006
Lapozás: OK   113 / 611
(#) K.Laci válasza MPedro hozzászólására (») Szept 11, 2009 /
 
Nos most jutott eszembe hogy amikor az ic elszállt az erősítő földeletlen konnektorba volt dugva.

A trafó testje és a hálózati test a gépházon át van kapcsolatba.

Elvégeztem a mérést amit javasoltál, amikor ugyanabba a konnektorba dugtam mint amikor elszállt akkor a műszer AC 0,8V-ot jelzett, viszont amikor egy konnektorra kötöttem a számítógéppel(ami földelt) akkor számomra megdöbbentő AC 100V-ot mértem és ahogy fogtam a hangkártyátol kivezető hosszabbító kábel fém csatlakozóját és a másik kezemmel az erősító házához értem az rázott is erősen. És ez akkor is így van ha az erősítő ki van kapcsolva.

DC feszejt viszont egyik esetben sem jelzet a műszer, a poleritás változtatásával sem.
(#) DJ Szabcsa válasza K.Laci hozzászólására (») Szept 12, 2009 /
 
Szerintem a hálózati védőföldet ne kösd össze az erősítő belső földjével, valamint a bemeneti RCA és a kimeneti hangfal csatlakozók legyenek elszigetelve a doboztól.
(#) masterknave hozzászólása Szept 14, 2009 /
 
Csaó mindenkinek!

Kocsiba lesz nekem 2 db tda7294. Szóval 4Ohm-os hangszórókra lesz kötve, mekkora tápot merjek adni neki?

+/-40v az már sok lenne? Meddig menjek le, elvileg szabályozható a kapcstápom.


tda7294.jpg
    
(#) masterknave válasza (Felhasználó 13571) hozzászólására (») Szept 14, 2009 /
 
Köszi!

Adatlapot már láttam. Személyes tapasztalatokat várnék hogy mit bírt ki eddig.
(#) Bassmester válasza masterknave hozzászólására (») Szept 14, 2009 /
 
Adhatsz neki 40-et, de rendes hűtése legyen. Gondolom nem hidalt kapcsolásról van szó.
(#) Kicsa válasza masterknave hozzászólására (») Szept 14, 2009 /
 
Szia!
Én most építettem múlt hétvégén egy ilyen végfokot,egy ICvel. Mélyládához használom,először 2db 4Ohmos nyomó sorbakötve...és úgy rá az ICre +- 35 Vot. Nem volt gond,vitte rendesen,aztán Kovidivi fórumtárs tapasztalata alapján Bővebben: Link
kipróbáltam +-35V 4Ohm,itt sem volt gond. Tehát +-35-öt simán visz,a melegedés nem számottevő.
Üdv Kicsa
(#) djdavis hozzászólása Szept 14, 2009 /
 
Hello!

Van különbség a TDA7294 és a TDA7294v között? Ha igen akkor mi, vagy egyáltalán van valami jelentősége?

Megépíteném a fórumon lévő végfokot, csak v-s tda-t tudtam venni. Megoldható vele?
(#) lapose válasza djdavis hozzászólására (») Szept 14, 2009 /
 
Szia!

Csak ennyi a különbség: Lásd melléklet.

Ui.: Belsőben a TDA7294S különbözik a sima TDA7294-es sorozattól.

TDA.gif
    
(#) r3pl4y hozzászólása Szept 16, 2009 /
 
Sziasztok!

Úgy néz ki, hogy jövőhét utáni héten megépítenék egy ilyet sztereóba én is... szerintem megrendelem az urban elketronikától a sztereó kitet, mert sajnos nem találtam leírást meg nyáktervet a sztereó építéshez ... csak mono-hoz.. régebben pedig volt ez sztereoba is csak most nemtudom miért nem találom...
erőől beszélek.:

Bővebben: Link

na ugyanez volt sztereoba is de már nem találom, nekem ez azért lenne jó mert van pontos alkatrész lista meg nyákterv is meg minden...
De ha meg megveszem a kitet akkor nem kell foglalkoznom a nyákmarással se meg a furkálással se...

De viszont nem tudok hozzá majd tápot meg előerősítőt építeni... ez az ami gondot fog okozni... Trafónak jó lenne ehhez egy 2x18V -s 400W-s toroid? Mármint teljesítményre nyílván jó, de nem lesz sok az a 2x18V? Max mekkorát vegyek?

Meg majd ehhez is kellene nekem egy rajz, hogy hogy kellene a tápot megépíteni neki...

Na meg az előerősítő.. ez az ami még kérdéses.. mert olyat szeretnék ami ilyen bemenetválasztós is, tehát több mindent rá lehetne kötni, meg lenne bass & trible & balance meg hangerőszabályzója... gondolom nem olyan egyszerű egy ilyet összehozni.. nem tudom, hogy ehhez van e valami kiindulási alap... meg a mute funkció az gondolom olyan, hogy kirakhatom gombra is és akkor azzal tudom némítani ha jól gondolom ugye? Meg akkor ehhez még kell gondolom hangszoróvédelmet is építeni ... valahogy szépen szeretném megcsinálni, valami rossz deck dobozába vagy valamibe...

Előre is köszi a válaszokat.
(#) Bassmester válasza r3pl4y hozzászólására (») Szept 16, 2009 /
 
Ha csinálsz két monót, akkor az már akár sztereó is lehet
A 2x18V -os trafó meg tudja táplálni, de akkor a legjobb, ha +/- 40V DC-t adsz neki. Ehez kb 2x30V-os trafó kell.
(#) r3pl4y válasza Bassmester hozzászólására (») Szept 16, 2009 /
 
Na akkor most lehet én vagyok nagyon hülye de ez itt akkor nem úgy van h ha 2x 18V, hogy ott akkor végülis 36V van AC-be ami meg DC -be már kb 50V-re jönne ki...?
Vagy akkor ez itt nem igy megy ezek szerint...?
(#) Ronin válasza r3pl4y hozzászólására (») Szept 16, 2009 /
 
A 2×18 úgy jön ki hogy 18-0-18. A 18-at kell szorozni 1.41-el ami 25V körül van. Tehát lesz 2×25V-od egyenben. A TDA 2×40-et is elbír, így jó lesz hozzá, bár nem hajtja ki majd teljesen.
(#) r3pl4y hozzászólása Szept 16, 2009 /
 
Volna itt elég olcsóért egy 200VA-s 2x29V-s... de az gondolom kicsi, meg volna drágábban egy 2x30V-s 320VA-s is... gondolom akkor inkább ez kellene...
(#) r3pl4y válasza Ronin hozzászólására (») Szept 16, 2009 /
 
Hát van még mit tanulnom! na de okés akkor nagyobb lesz... csak kérdéses, hogy melyik legyen a 200VA gondolom elég kicsi lesz neki 40V-vel lenne mehajtva...

Egyébként ezt a bemenet választós előfokot, nehéz lenne megvalósítani ahogy elképzeltem?
(#) r3pl4y válasza r3pl4y hozzászólására (») Szept 16, 2009 /
 
Habár igazából mind1 is... megveszem szerintem majd a nagyobbat mert egy toroid az mindig jó.. később úgy is akarok majd építeni egy jó kis tranzisztoros cuccot is ha jobban belemélyedek az egészbe... ami muszáj lesz mivel elektronika szakon fogom folytatni a tanulmányaimat.. tehát nem lesz a 320VA-s toroid rossz később se... Már csak a táp és az előerősítő megépítése a kérdéses...
(#) asoni hozzászólása Szept 17, 2009 /
 
hali dc52v van 2xtda7294-re halanátok a maxot, nagyon profi, négy ládát hajtok vele . megfelelő hűtésel. szerintem egyenlőre 200w táp elég egyenlőre holnap küldök hangszin és előerősitő komplet rajzot.
(#) petya100 hozzászólása Szept 18, 2009 /
 
Sziasztok!
Megérkezett a hidalt TDA erősítőhöz a toroid trafó 2x30V 500VA négy kivezetése van szerintetek milyen tápot kellene hozzá építeni? Esetleg ha tudtok küldjetek már kapcsolási rajzot.
Előre is köszönöm!
Üdv.

S6004293.JPG
    
(#) petya100 válasza petya100 hozzászólására (») Szept 19, 2009 /
 
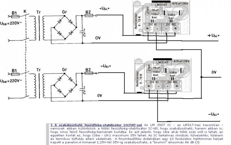
Sziasztok! Terveztem egy tápot az új trafómhoz szerintetek ez így jó?

Üdv.

(#) Zupp87 válasza petya100 hozzászólására (») Szept 19, 2009 /
 
Király Tibor - Tanácsok végerősítő építéséhez
Itt azt hiszem mindent megtalálsz. Érdemes elolvasni.
(#) DJ Szabcsa válasza petya100 hozzászólására (») Szept 20, 2009 /
 
Tökéletes a táp rajza.
(#) solymosi hozzászólása Okt 3, 2009 /
 
Sziasztok elnézést ezt a kérdést a szimmetrikus táp topicban is feltettem, de látom hogy ez itt jobban "pörög"

elhatároztam hogy jó 10 éves kihagyás után újra elkezdek hobby áramköröket stb építeni. Egy szub ládához tervezek egy TDA7294 végfokot építeni. A megfelelő "csendes" táp tekintetében szeretnék egy jó megoldást találni ehez készítettem az alábbi skiccet. Kérek egy véleményt tőletek hogy valyon ez szerintetek is jól tudna működni. Persz megfelelő teljesítményű (azonos) trafóval és kondikkal.

ill. ezt a kitet építette-e már meg valaki és milyenek a tapasztalatok vele?

Köszönöm,
(#) lapose válasza solymosi hozzászólására (») Okt 3, 2009 /
 
Idézet:
„Sziasztok elnézést ezt a kérdést a szimmetrikus táp topicban is feltettem, de látom hogy ez itt jobban "pörög"”


Ott válaszoltam!
(#) solymosi válasza lapose hozzászólására (») Okt 4, 2009 /
 
Köszönöm valóban felesleges a stabilizált táp úgyhogy marad a Graetz+Kondik.

Úgy belelkesültem hogy valószínű egy 7294 és egy 9293 as erősítőpárt is építek.

Eredetilag az volt a tervem hogy egy LM1036 alapú hangszab. is belekerüla dobozba de a sok vélemény hozzászólás után a megfelelő topicban azthiszem kihagyom és csak a végfok kerül a dobozba de lehet hogy rögtön 2x2 végfok az előbbi tipusokból külön torroid trafóval, így qvadro lesz és esetleg hídba köthetően sztereó.

Szeretném viaszont a véleményeteket kérni:

1. Milyen bementei érzékenysége van a végfoknak azaz a 0 dB (ha a 0 dB-t veszem a maximális kivezérlésnek) hány volton (0,7V ?) keletkezik? Egy 5.1 erősítő sub pre outja meg tudja hajtani? Iszonyú sok - tegnap hajnali fél4-ig - hozzászólást elovasva és az 9274-adatlapon erre nem kaptam kielégítő választ.

2. Milyen potmétert használjak (100k log?) a bemenetre és hogyan kössem ? Simán középről le a végfokba? Balra csavarva földre zárva, jobbra csavarva direktbe a bemeneti jelre.

3.Ha rákötök egy ledes VU métert nem fog-e torzulni a bemenő jel lineáris karakterisztikája ha a bemeneti jelre kötöm.

Egyelőre ezek a kérdések foglalkoztatanak leginkább ill néhány apróság ami majd a későbbi hozzáépítés "tuning" lesz. PL kopanás és rövidzár védelem, hőfokszabályozású ventillátor a hűtőbordán. Külön dobozban hangszinszabályozó és sub basszus vágó amit külön lehet kapcsolni vagy-vagy alapon.

A padláson találtam egy régi rossz videót (néha jól jön ha az ember mindenféle kacatot megtart) annak a dobozába tervezem összerakni és a hűtöbordának CPU Hűtöt tervezek+venti.. A 7294-et 2xAC:24V-al míg a 7293-at legalább 2xAC:33V torroiddal hajtanám.

Köszönöm előre is .
(#) sprofan válasza solymosi hozzászólására (») Okt 4, 2009 /
 
Az LM1036-ról csak annyit, hogy aki nem tudja rendesen megépíteni annak nem is fog rendesen működni.... Egyébként nagyon jól és szépen megy, csak hát oda kell figyelni elsősorban a tápellátásnál. Nekem is 2x7294 -em van előtte egy LM1036, ha kell küldök teljes dokumentációt leírással nyákrajzal beülltetési rajzal és ami fontotabb egy normáls táp rajzal. Védelemnek az UPC1237-et tudom ajánlani, nagyon jól kitalált IC, itt van róla több infó: Bővebben: Link
(#) Mityu60 válasza sprofan hozzászólására (») Okt 4, 2009 /
 
Helló sprofan!

Ha nem veszed tolakodásnak, akkor szívesen megnézném azt a dokumentációt.
Most tervezem megvenni a hozzá való cuccokat, és érdekelne, hogy hogy csináltad meg.
Előre is köszi szépen
(#) solymosi válasza sprofan hozzászólására (») Okt 4, 2009 /
 
Köszönöm minden rajznak doksinak örülök ami előmozdítja az ügyet és kis zajt, brummot , gondot stb okoz. (priviben jöhet)

Egyébiránt azért döntöttem a végfok megépítésén mert eredetileg a Videoton RA6363S erősítővel hajtottam volna meg a "házi" sub-ot de mivel fiatalabb koromban agyon módosítottam és a nyák is több helyen sérült, több éjjszakás keresgélés után sem sikerült megszüntetni a gerjedést.

Így inkább jön az új végfok de továbbras is félek hogy egy szabályzó modul tönkre vágja a kellemes paramétereket .Viszont nem tudom ez nélül elég-e a végfoknak a kakaó.

Viszont! megint jártam a padláson és találtam két egyforma 0-24 V-os 100W-os trafót ill egy 48 Vost annak ez az adatlapja hátha tudok szimmetrizálni. Egyébként brutál súja van. De lehet nem lesz egyforma a kimenetük akkor marad a torroid.
(#) solymosi válasza solymosi hozzászólására (») Okt 4, 2009 /
 
Lemértem a trafót az utolsó kötésben 2x25,83 at ad gyakorlatilag 0,03 V eltéréssel. Szerintem ez jó lesz kérdés hogy a 100VA nem lesz e kevés?

Ezt a módosított rajzot szerintetek érdemes megépíteni vagy elég az egy Graetz-es megoldás?
(#) sprofan válasza Mityu60 hozzászólására (») Okt 4, 2009 /
 
Meg is volna, csak szanaszét voltak a fájlok...
Bár a táp egy áteresztős strabilizált táp, de mégis nagyon jól kiszűri a macit, sima graetz+nagy +kis kondis megoldással volt egy kis maci benne, betettem hát ezt veszíteni nem sokat lehet vele alapon, és tökéletes! A tranyónak nem árt egy kis borda.

solymosi:
100VA éppen elég, ha csak 70W-osnak akarod, de szerintem a rajzodról az a 2-7 összekötés nem igazán kéne...

LM1036.rar
    
(#) solymosi válasza sprofan hozzászólására (») Okt 4, 2009 /
 
sajnos csak ha összekötöm akkor adja a trafó a két szélén az 50V-ot. 1-2;7-8-on pedig 25V-ot. Ha nem kötöm össze 2-7-et csak pár Volt van 1-2 és 7-8 között.

De még "variálok-permutálok" hátha valahol összejön a két független 25V.
(#) solymosi válasza sprofan hozzászólására (») Okt 4, 2009 /
 
köszönjük
Következő: »»   113 / 611
Bejelentkezés

Belépés

Hirdetés
XDT.hu
Az oldalon sütiket használunk a helyes működéshez. Bővebb információt az adatvédelmi szabályzatban olvashatsz. Megértettem