Fórum témák
» Több friss téma |
Szóval nincs a szekunder egyik vége se testelve. Így már világos.
Ahogy Potyo irja.
Katalizátor nélkül már régota nem gyártanak autot. Az igazán nagyteljesitményü autokban ezen kivül van még egy tiltás, ami a sebességet figyeli. Igy pl. utolso fokozatban azt a fordulatot sem engedi, amit kisebb fokozatokban még igen. Német autoknál ez a limit 250km/h szok lenni.
Most tekintsünk el attol, hogy 1-2-4-3 gyujtási sorrent utoljára talán a Warszavákban volt.
- 1-4 ill. 2-3 mozog együtt. - Egy traforol megy az 1.-4., másikrol a 2.-3. - Miért felezödne a szikra??
A sorrendet csak példaként hoztam fel, hogy ellehessen képzelni a dolgot ahogy magyaráztam, végülis úgygondoltam ahogyan montad, de ez a sorrend azért van a fejemben, mert a volgamotoros latvijában azthiszem ilyen van, vagy még régen egy régi könyvből tanultam a kocsikról és ott is még ez volt leírva!
Hogy mért feleződne meg? Hát trafós cuccban nemvagyok otthon, én úgygondoltam, hogy ha egy trafóra lenne kötve a két gyertya akkor mindkettő egyaránt letestelődik. De hogy visszamegy a másikszálon azt nemtudtam.
Naszóval akkor már tudod, hogy nem a gyújtást kéne megszakítani, hanem az injectort, amit egy relével lehet a legegyszerűbben, ami alapból zárva van, azaz áram hatására szakít meg.
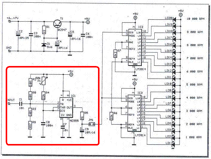
Csatoltam egy rajzot, aminek a bekeretezett része egy fordulatszám mérő, aminek a kimenete egyenfeszültség, ami arányos a fordulatszámmal. Ezt a pontot kell egy komparátorral figyelni, és a komparátoron lévő potméterrel beállítani, hogy 7200-nál billenjen át, meghúzván a relét, egy npn tranyón keresztül. A komparátor részt most nincs időm lerajzolni, talán más segít, vagy talán később. Érdemes a googlet is használni! Paneltervem nincs, ne is számíts rá. Néhány komparátor találat:
Fúú köszi!
Bőven elég is lesz a kapcsolási rajz és még lehet, hogy a kijelző részét is megcsinálom mert igazságszerint még fordulatszámmérő sincs a kocsiban. Am a keretezett rész fölötti kapcsolási rajz az mi lenne?? És ha én mégis a gyújtást szeretném tiltatni, akkor ahoz ez is jó alapegységként igaz?
Ha tiltáskor letestelik a gyújtást, akkor az nemárt a trafónak? mert elvileg rövidre zárja nem? Mert ha kisülés (szikra), az is más!
Nem árt neki. A szikra is majdnem rövidzár, amikor az ív már létrejött.
A keretezett feletti rész az állít elő stabil 5 voltot a keretezett résznek. Szerintem neked egy 5Voltos stabilizátor ic jobb lenne tápnak mert az kibír14-Voltot bőven pl7805.
Lehet, hogy én gondolom rosszul, de a ralliautók nem azért durrognak mert az ecu elálítja az előgyujtást nagy fordulathoz, és hirtelen visszaesést kicsit lassaban követi az ecu?
''hirtelen visszaesést kicsit lassaban követi az ecu''
mire gondolsz? elmegy kv-zni és csak azután állit? amugy a turbolyuk csökkentése miatt van ez igy kitalálva
Ha a többi részt is megépíted, akkor a 7500-as fordulathoz tartozó LED-el sorba köthetsz egy optokaput(pl. 4N25) ami egy tranyón keresztül vezérli a relét, ami az injectort szakítja meg.(Felejtsd már el a gyújtást! Nem mindegy melyik vezetéket szakítod meg? Ha lehet jól is csinálni, miért akarod rosszul?)
Az előgyujtás állítása nem egy lomha valami, azt egy főtengelyfordulat alatt, sőt azon belül minden gyujtáshoz be tudja pontosan állítani az ecu. Azért durrog, mert meg van az csinálva, hogy ha a gázról lelép a sofőr, akkor a motor ne adjon nyomatékot, viszont a turbófeltöltő ne álljon le, hogy a következő gázralépéskor ne legyen késés a feltöltésben. Ezért pl. a kipufogóba a turbó elé küld benzint, levegőt hozzá meg valami megkerülőcsatornán keresztül, hiszen a feltöltő azért nyomja a levegőt a motor irányába, a motor viszont nem szív belőle, tehát valahová el kell vezetni. Vagy akár a motoron keresztül is mehet a levegő, csak az gondolom macerásabb a folytószelep miatt, mint egy megkerülőcsatorna...
Ahha így már értem. De akkor ladáknál meg olyan gépeknél ami nem túrbós ott csak optikai tuning?
Jó, de én mindenképp elősször így szeretném megvalósítani és aztán pedig úgy. Lényegében ugyanazt kell csinálni? A kívánt fordulatnál/lednél kivezetés...tranzisztor...relé...és a relét összekötni a gyújtókábellel a relé másik ágát pedig a testel? (gyújtástiltás esetében) és ha eléri azt a forulatot akkor letestel. Iga?
Én a gyujtótrafóra menő két vezeték egyikét szakítanám meg mert a relén átüthet a szikra akkor is amikor nem kéne. úgy viszont nem több 10 kilovoltot, hanem csak pár száz voltot szakít meg.
Bocsánat, hogy válaszolok a kérdésedre . Azoknak az autoknak van egy ugynevezett okos számitogépe amit ECU-nak hivnak. Azok az autok szekvenciáltan veszik el a vezérlést a befecskendező szelepektől és nem a gyujtotrafotol vagy trafoktol.
Semmi gond! Tudom én azt, de van amelyik a gyújtást veszi le, ami hanggal jár és nekem épp ezért kell!
Tegnap éjfél körül pont ez jutott nekem is eszembe. Ez a legegyszerűbb megoldás és utána azt kapcsol vele, amit csak akar. Akár a gyújtást, akár az injektort le lehet kapcsolni. Csak a relé, ha a gyújtást kapcsolgatja, akkor félek, hogy hamar beégne a sok kapcsolgatástól, főleg ha állandóan padlógázon pörgetnék a motort.
Ha a gyujtást veszed el, az mennyiben produkál más hangot, mint ha az üzemanyagot?
Ha berobban utána a kipufogóban, akkor eléggé nagyokat tud durranni, meg lángot vet a kipufogó. Na meg persze rövid távon ki is nyírja a kipufogót
Hát én ilyenre gondoltam:Bővebben: Link
Idézet: És a kipuffogószelepeket... jó drága buli „Na meg persze rövid távon ki is nyírja a kipufogót” Ha már mindeneképp a gyújtást akarjuk kilőni akkor mi lenne ha a trafó primerjét testelnénk egy izmos FET-el? Így nem kell féni hogy hamar elhal a relé.
Ha letestelnénk a primert, akkor egyből megszűnne a fordulatszám jel is, mert gondolom az is onnan lenne leszedve és jó kis oszcillátor keletkezne és esetleg a fetet is hamar kinyírná az indukciós feszültség.
Érdekes dolgot produkálna szerintem. Szerintem inkább megszakítani kellene, hogy a fordulatszámjel megmaradjon, mert gondolom azt a gyújtásról venné le, mert onnan a legegyszerűbb.
Idézet: „Szerintem inkább megszakítani kellene” Akkor meg is vagyunk
Így van, de ez már részletkérdés. Ha a kapcsolás megvan, akkor már bármit lehet vele kapcsolni.
A megszakítás szerintem is jobban hangzik! Arra kinek lenne ötlete? A megszakítani kívánt vezetékre sorosan kötni egy relét, és ha elérné pl a 7000-et akkor megszakítaná? Nekem ez ugrott be így hirtelen. Ha ez az elmélet helytálló akkor a megfelelő lednél kellene kikötést csinálni és mikor elérné a fordulatot, akkor ugye "beindítana" valamit, aminek a hatására megszakítaná a relét! Mi lenne az a valami? Vagy hogyan lehetne akkor megoldani így?
|
Bejelentkezés
Hirdetés |





Bőven elég is lesz a kapcsolási rajz és még lehet, hogy a kijelző részét is megcsinálom mert igazságszerint még fordulatszámmérő sincs a kocsiban.
Am a keretezett rész fölötti kapcsolási rajz az mi lenne?? És ha én mégis a gyújtást szeretném tiltatni, akkor ahoz ez is jó alapegységként igaz?
Érdekes dolgot produkálna szerintem. Szerintem inkább megszakítani kellene, hogy a fordulatszámjel megmaradjon, mert gondolom azt a gyújtásról venné le, mert onnan a legegyszerűbb.





