Fórum témák
» Több friss téma |
Szijasztok!
Eléggé sürgős lenne szal azért írok ide.Az unokatesóm leverte a ps2-t és a benne lévő bekapcsoló gomb tönkre ment a szervízes manus meg elvitte a törött gombot hogy megnézze( ez volt kb 2hónapja) azóta semmi hír. Kérésem az lenne hogy vki nem tudna esetleg segíteni szerezni vagy pedig megmondani mijen kapcsoló való bele. Yah sajna gari nincs rá Segítséget előre is köszi!
LOL. szerinted ez nem jutott az eszembe ? annyira hülye nem vok hoyg emiatt ide irgatok
Képet tudnál csatolni a gombról v. a nyákról?
És mit lehet tudni arról a kapcsolóról? Mit kapcsolt? 230-at vagy kis feszt? Mert az se mindegy.Valami képet tudnál fedobi?
Ha kapcsoló akkor 230a-t ha gomb akkor csak a készenlétből állítja fel a PS2 rendszerét!*
A PS2 nem más mint egy PC winyó nélkül, csak nincs rajt op. rendszer, hanem egy beégetett progi va egy chipbe! *=Ha gomb van akkor a PS2 alaplapját indítja be (mint az ATX-es PC-nél )Üdv.: Müszi
nha mint írtam képen nincs(miel elvitte a servízer kb 2 hónapja) és még én se tudom mit kapcsol de többmint valszinű kis feszt.
Akkor már csak azt kellene megutni valahogy, hogy impulzus szerint müködik vagy megszakító móson.Ez döntené el ezt, hogy milyen gomb legyen. Sztem
akkor jó de azt én már nem tudom mer nekem nincs:no: ez rád hárul Marco_HUN hogy metudd melyik most a kettő közül. De ha megtok valmait akkor szólok
nah nem az a gondom hogy nem tudok helyette venni vmi másikat hanem az hogy vagy olyan kéne ami pontosan ebbe való vagy pedig azt megtudni hogy mejik lábakat kelll összezárni hogy bekapcsoljon.
És nem tudod a szerelőt felhívni, hogy
Idézet: ?Nincs valaki, akinek van ps2-je és megtudnád nézni milyen kapcs kell bele? „Hozd már vissza a kapcsolót”
nah bence rátapitottál a léynegre a szervízes nem veszi fel a telóját és akinek meg van ps2-je annakk még garanciás a cucc és nem engedi szétszedni
Hali!
vettem 1 ps2őt használtam 3000FTért ![]() 2kar+memóriakártya+11játék Fel volt chipeztetve de mostmár csak az eredeti játékokat olvassa be! Vigyem el chipeltetni újra? vagy mi lehet a baj?
Jah néha még azért beolvassa az írott dolgokat is!
add el belőle nekem a resetelő gombot 1000HUFért
Még mindig nem vette fel a telefont a szerelő?
Felrakok fájlmellékletként néhány PlayStation tápegység kapcsolási rajzot. Gondolom jól jön majd a nyomógomb visszaszerelésekor.
Ha jól látom akkor egy 2áramkörös kapcsoló van benne.
A kicsippelést vagy chippeltetést, (ki hogy mondja) egy konkrét áramkörrel, egy ic-vel, vagy egy PIC-es cuccal csinálják meg? Amúgy mért nem olvassa be a másolt cd-t?? Miért fekete az eredeti ps cd-k alja??
üdv Balu
Nem biztos, én szerintem van egy kód "beleírva" szerintem. De nem biztos.
Mármint a ps vmelyik chipjébe? Amúgy a pic-be is egy kód van/lesz beleírva
Én most a cd-re gondoltam. Lehet, hogy van egy kód ami "gyári, csak a gyári írók tudnak olyat kódot írni, alkalmazni" vagy pedig az "otthoni, amit a cdíró generál" vagy nem tom. szerintetek hülyeség?
Ha jól sejtem akkor a PS ic-jébe van egy ellenörzö szoftver írva, ami ellenőrizze a cd gyártási kódját... Szerintem ezt szokták "kisütni", kiiktatni
Srácok van vmi különbség egy 750XX-es sorozatszámú PS2 és egy 700XX-es PS" között? (a második Noman-é)
Helló!
Nem rég találtam egy PS2 szervízkönyvet. Nem tom tudod-e valamire használni de remélem hogy jó lesz: PlayStation 2
Uramatyám!
Nem kell ezt túlbonyolítani! Egy sima 2áramkörös 230V-ot bíró kapcsoló van benne! Ennyi! A téma nyitójának üzenem, hogy ha kell nekem van egy, 500HUF-ért viheti!
pfff
szerintem ha kisebb betűvel írod akkor is meg fogják látni
Nem bírtam tétlenül nézni az eddig hallottakat.
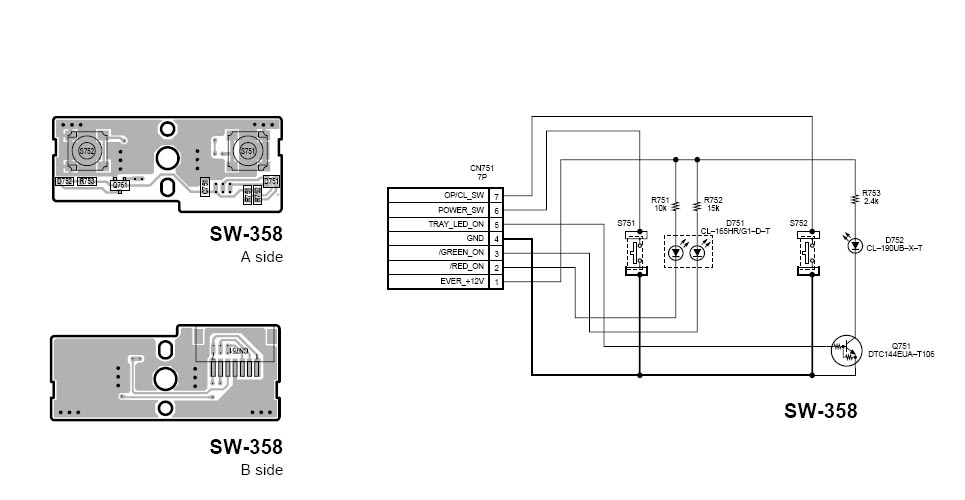
Megkerestem az én ps2 service manuálomat és ezeket hoztam össze: Nem tudom milyen kétáramkörös kapcsolókról van szó, mert az a három ami benne van (hálózati, on/reset, és eject) mind egyáramkörös. A Power billenő, a másik kettő nyomógomb (alapállapotban nyitott). Bármelyiket lehet boltban kapni. Kiszuperált videók is televannak ilyen nyomógombbal. Üdv.: Gyubear |
Bejelentkezés
Hirdetés |





)




