Fórum témák
» Több friss téma |
Igen, voltmerovel csinald. Pozitiv lab piros, negativ a fekete. Ha forditva mersz sem gond, csak negativ elojellel fogja mutatni az erteket
A nagy kondi az a kék henger alakú, ugye?
Ne haragudjatok a sok hülye kérdésért, de nem értek hozzá, ahogy a példa is mutatja! Köszi szépen! G.
nem haragszunk de ez így bajos lesz...
nem vagyok hülye csak a témához nem értek sokat. Ha vki elmagyarázná, hogy mit kell megpróbálnom, akkor megértem és meg tudom csinálni. Kipróbálom a kondit a hétvégén, mert most nincs voltmérőm és utána írok, hogy mi lett.
A kondi 450V-os! Így is 300-at kell rajta mérni? Köszönöm szépen! G.
Igen a nagykondi a kek henger alaku, es 300V-ot kell merni rajta. A 450V azt jelenti, hogy annyit bir ki maximum.
Rendben! Köszönöm szépen a segítséget! Ha megmértem jelentkezem!
Köszönöm még egyszer! G.
Üdvözletem!
Kicseréltem a háttérvilágítás eghajtóban az OZ960-t. Most már bevillan a kép, de el is megy. Méregettem isi oda, hogy mi tilthatja le. És a következőt csináltam: Bővebben: Link (Adatlapban egy mintakapcsolás) A 10-es Comp láb állandóan átbillent 2,75V fölé és tiltotta az egész IC működését. Gondolom kevés feszültség jött a 9-es FB lábra. A panelben R9 két ellenállásból áll: egy 620 és egy 33 ohm sorbakapcsolt ellenállásból. A 33 ohmról megy a 9-es láb felé a vezeték, a dióda és a 620 ohm közös pontjáról meg valai kis 2-3 mossfetes részre, (ezt a részt nemigazán értem mit csinál) A következőt csináltam: A 33ohmot kicseréltem 100ohm-ra, nemigazán volt elég, ezért még a 9-es lábat egyszerűen felkötöttem a 2,5V-os V-ref lábra. Ezek után volt rendes háttérviláítás, de! A 4 teljeshídban kapcsolgató kis SO8-fet eléggé melegedett, a Háttérvilágítás nem tűnt túl egyenletesnek, olyan volt mintha a képernyő felső része sötétebb lenne. 10-20mp üzem után pedig egyszerűen kikapcsolt a monitor és most már besem kapcsol csak halkan kattog. Mi okozhatta a hibát?
tuti hogy mind a 4 csöved ment? szerintem valamelyik fet szállt el. nekem is ezt csinálta egy samu amikot áthidaltam a biztit és volt egy szárlatos so8 fetem.
Nem tudom, hogy ment-e mind a 4.
Egyáltalán hogyan van elrendezve ez a 4 cső? Az biztos, hogy a 4 SO-8 közül valamelyik elszállt. Mert rövidzár van a GND és az 5V-os tápja közt. A fetek jók voltak, előtte kimértem mindegyiket. Másik jel az volt, hogy mind a négy IC eléggé melegedett az első rövid próba alkalmával.
Kiszedtem a rossz SO-8at.
1db szált el azon az oldalon ahol belepiszkáltam az R9-helyén levő ellenállásba. De ettől függetlenül lehet elszállt volna mind, mert azok is eléggé melegedtek. Keresek itthon megfelelő alkatrészt, azt hiszem van itthon IRF7309 az megfelelő lesz. Közben még kibontottam egy 15"-os törött monitorból a háttérvilágítás részét. (nem az elektronikát, hanem a csöveket) Szabad ezzel kísérletezgetni, vagy jobb lenne az eredeti helyén a 17"-os monitorban?
igen lehet vele probálgatni. akkor gondolom már tudod azt is hogy vannak elhelyezve.
Hali
Van 1 Samsung SyncMaster 151BM TFT LCD monitorom. Az a baj hogy egy idő elteltével fehér lesz a kijelző. Majd újra vissza jön. Mit lehet csinálni? HI
Sziasztok!
Sikerült megoldani a monitor hibáját! Egy T2A -os biztosíték ment benne tönkre. Kicseréltem és azóta tökéletesen működik! Így 1200 Ft-ból meg is úsztam! 1000 a műszerész ismerősnek 200 a bizti! Nagyon köszönöm nektek a segítséget! G.
Sziasztok van egy EIZO T57S crt monitorom. A következő prolémával fordulnék hozzátok, bekapcsolt állapotban néha Kattan egyet, olyankor elsötétedik a kép és szét is húzódik, sajnos már egyre sűrűbben kezdi csinálni.Kérdésem az lenne, hogy mi lehet vele a gond, mert én hallottam olyat, hogy valamilyen kondenzátor kezdi feladni a harcot, amit állítólag nem érdemes megjavítani, mert többe kerülne, mint egy másik monitor (egy ilyesmi monitort már lehet kapni 3000ft körül) Érdemes megjavítani?ÉS ha igen, akkora feltett képről megtudná nekem valaki mondani, hogy melyik lehet a hibáds kondi?Segítségeteket előre is köszönöm
Ha visszaolvasol 2-3 levéllel, akkor látod, hogy nekem is ez volt a fő problémám. Végülis, -a főszakik szerint is- a nagyfesz trafó áthúz valahol.
Nálam ennek a "kattogásnak" az lett a vége, hogy elszállt egy nagyfesz tranyó (1.200,-), majd mikor beletettem az új tranyót, akkor a 10. ilyen "kattogás- képösszemenés" után, az új tranyó is elszállt. Rendeltem egy sorvégfok trafót Angliából, de mivel nincs dombornyomott bankkártyám, ezért a vásárlás meghiusult. Tegnap előtt a monitort (21" ACER)kidobtam.
Már én is megoldottam a problémát, vettem egy 17"-os Dell monitort 3000-ért, azt ezzel meg van oldva.
Nem éri meg vele kínlódni, max, ha kell valakinek aklatrésznek(bár ezt is kétlem) akkor odaadom.Azért köszönöm a jótanácsot.
Üdv!
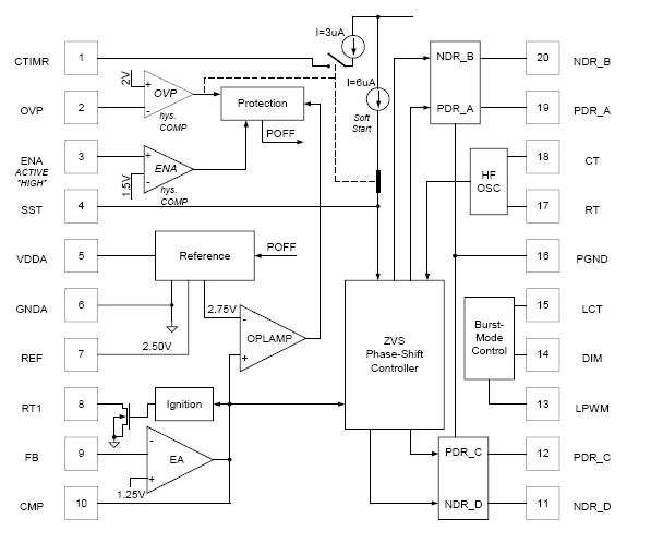
Eléggé elszarakodok ezzel a monitorral. A probléma, hogy adom neki a tápfeszt, kezd a háttérvilágítás világítani, de azon nyomban elmegy. AZ IC állandóan letilt. Még ref fesz sincs. Csatoltam a blokkvázlatot. Valószínüleg a protection mindig aktiválódik. Rámértem, az ENA láb 3-5V ot kap AZ OVP-t földre kötöttem az CMP lábat felhúztam 22Ohmal az 5V-ra. Letiltáskor több mint 3,5V-ot kap. De mégis mindig letilt ez a retek! Van e valami ötletetek?
Csovek tuti jok(kábelek a helyukon vannak a csoveknél?)trafók ellenállása megegyezö?
Szia!
Hagytam a francba, lefűrészeltem a hátérvilágítás részét és egy IBM 15"-os monitor háttérpaneljét építettem bele. Most prímán megy. Amit vettem IC-t tőled, az sajnos feleslegessé vált, úgyhogy ha kell itt valakinek OZ960 az írjon rám. üdvözletem!
Mivel arammal hajtja a csoveket, varhato, hogy a jovo nyaron tulmelegszik es elszall. Szobaban meg hamarabb. A begyujtas is kerdeses lesz egy ido mulva.
15-os meghajtoval 15-os csoveket erdemes meghajtani, 17-essel 17-est. Arra van meretezve. Lehet, hogy van benne annyi tartalek, de az oregedo 17-esek begyujtasaval nem fog tudni megbirkozni. Idézet: „Mivel arammal hajtja a csoveket, varhato, hogy a jovo nyaron tulmelegszik es elszall.” Mármint a meghajtóelektronika?
Igen.
A trafos rendszer nem birja az 50%-os kitoltest par percnel tovabb.Ez kell a begyujtashoz, utana mar kb 5mA-t hajszol keresztul a csoveken, ehhez megfelelo kitoltesi tenyezo tartozik. Ha hosszabb a cso, nagyobb fesz kell azonos aramhoz, igy magasabb kitoltessel mukodik. A maximalis feszultseget altalaban egy oreg 15-os cso feszultsegehez meretezik, ez siman begyujt egy UJ 17-es csovet, de hogy egy orget is begyujt-e, az mar kerdeses... Szoval vagy a felvezetok vagy a trafo fog elolvadni. Ha kinai, akkor 100%, mert azok nem rendelkeznek normalis tartalekkal. Ha egy markasabb cuccrol van szo, akkor talan birhatja... HOPPA! HOPPA! Most latom, hogy hatterpanelt irtal. Tehat a meghajtoelektronika maradt 17-es es a 17-es moge betettel egy 15-os csoveket tartalmazo panelt? Vagy hogyan erted? Ha 17-es elektronikaval hajtasz meg 15-os csovet, akkor meg a csonek nem tesz jot.
17-es cső, 15-ös elektronika, bírja ameddig bírja
.Jobbat nem tudom, mert az eredeti meghajtó OZ960 ahogy írtam is mindig letilt. És nem a cső a hibás hanem maga a kapcsolás. A lényeg, hogy ez a Fujitsu Siemens nem tudom mit hozott össze, de nem az OZ960 adatlapban javasolt kapcsolás szerint épült a panel. Dimmelésnek, valami külön fetes rész van, visszafejtettem, de nem látom semmi értelét.
hello! Bocs a késésért kicsit elvoltam foglalva. Szóval nem emléxem már nem mostanában foglakoztam vele de ugy emléxem nem voltak meg a feszültségek. Vagyis alapjában véve nem sikerült a táppanelt beinditani.
Már az öszes kondit cseréltem. mit lehet még megnézni? üdv
hát akor az egyenirányitotl indulj kb 300v egyenáramot kell rajta mérni.
hello! Ez megvan a kondin mérve ott a közel 300V tovább?? köszüdv
szia nekem is van egy Samsung monitorom ugyan ez a probléma vele.Elejinte néha lett fehér utána végleg ugy maradt.proceszor hiba,nem érdemes vele foglalkoznni mert az egész panelt meg kellene hozzá rendelni az mmmeg nem kevés pénz.
A monitor neve Brimax
Típusa lm17mxg Ez egy 17" lcd monitor. A probléma a következő,minden indításkor vagy az xp-ben való beálításkor (fényerő,felbontás,vagy játékinditás után)a monitoron lévő gombokkal be kell állítani a fényerőt, kontraxtot és hejreigazitani a képet.Minden beállítás a ,csuszkákon,teljesen fel van húzva. Drájvere nincs telepítve nem találtam hozzá semmit. Kérdezném,hogy kell e hozzá netalán ez a baja vagy megéri javítattni?
Az illesztő programot azért találkák ki hozzá, hogy a számítógép megfelelően tuja a képet optimalizálni megjelenítőre.
Rendszer képes kommunikálni a megjelenítővel is DDC (Dysplay_Data_Control) szálon. Ezen keresztül olvas ki mindent és állítja be a megejelnítést. Előfordulhat bugos illesztőprogram, akkor neked kell manuálisan hozzárendelned a beállításokat. Másrész előfordulhat, ogy a külső EEPROM sérült, és nem menti az aktuális állapotot. (gyakran PLCC, de újabban TSOP tokozásúak) Szerintem egyenlő a nullával, hogy javítható. Talán az EEPROM cserével. Kérdés, Magyarországon lehet e ilyen típusút venni venni, másrészt nem tartalmaz e olyan állományt (általában mindig szokott), amit valahogyan bekéne szerezni. (példaként lehet a kijelzőre mgejelenített menü elemek, karakterek, sztringek, ami a kijelző vezérlő, belső EEPROM jába már nem férne bele.) Ebben az egészben a beforrasztás a legkönyebb feladat, ha úgyveszük. A Gogli semmit nem talál, valószíű egy, a "mi kinánkból" származó, milliós tömeggyártatott selejtről van szó. |
Bejelentkezés
Hirdetés |





Nem éri meg vele kínlódni, max, ha kell valakinek aklatrésznek(bár ezt is kétlem) akkor odaadom.Azért köszönöm a jótanácsot.

.
A Gogli semmit nem talál, valószíű egy, a "mi kinánkból" származó, milliós tömeggyártatott selejtről van szó. 




