Fórum témák
» Több friss téma |
12V-on kéne használni egy 2x12V-os erősítőt!!!! (mind1 h egyen v váltóáram a 12V) nem szeretnék transzformátort használni, van valakinek vmien jó kapcsolása erre a célra?
tudom elirtam, 12v-os aksiról kéne használnom a 2*12V-os erősítőt (2*2A) válto v egyen az mind1
Neked egy polaritásfordító inverter kell, 2A terhelésre. Ezt gazdaságosan nem lehet megoldani trafó nélkül. Itt most nem a több kilós 50Hz-es vasakra gondolok...
Egy kapcsolóüzemű tápot kell építeni, ami szigetelt (elválasztott kimenetű) 12V-ot ad, 2A-rel, ennek a pozitívját összekötheted az akku negatívjával, így előáll a kettőstápod. A szabályzást úgy kell megoldani, hogy a kimenet "kövesse" a bemenet feszültségét, mert az erősítőknél nem annyira gond a tápfesz néhány voltos ingadozása, azonban a szimmetria lényeges.
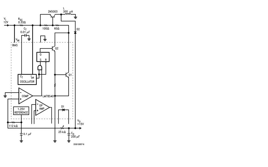
Azt hiszem, egy ehhez hasonló polaritásváltó DC-DC konverterre lenne szükséged. Igaz a csatolt rajzban a kimenő fesz -15V, de ez ne zavarjon, mert az osztó ellenállásainak méretezésével be lehet állítani a kívánt feszültségre. A kimenetre még célszerű tenni egy LC zavarszűrőt, mivel a konverter termel némi zajt, ami az erőlködődet zavarhatja.
Mára csak ennyit írok, késő van, ha érdekel, akkor nyugodtan keress meg. Ja és az IC típusa 78S40 (ha nem lenne éppen olvasható).
Nekem egy olyna krdésem lenen, hgoy van egy 50 wattos 12 Voltos trafóm és ebből szeretnék csinálni egy erősítőt.
Szeretnék minél nagyobb teljesíményt kihzozni belőle, azért viszonylag jó telejsítményen. Eddig csak egy A osztályú erősítő jött szóba (aminél nagoyn sok power elveszne), vagy egy SE B osztáylú, de annak emg angoyn gyenge hangja lenne. Úgy gondoltam hogy jó lenne talakítani 2x12 Voltra, mert úgy egy PP-s B osztályú erősítőt tudnék csinálni, aminek egész jó hagnja van, meg jobb a hatásfoka, mint a különben építendő A osztályúnak. Valaki tudnak egy átalakító kapcsolást mutatni 12V-ról 2x12V-ra? Illetve ha valakinek van egyéb ötlete a max power kihozására az is jó lenne. Láttam az előző kapcsolást, ahol 1x30 V-ból csinál 2x40 Voltot. Ott a kondenzátorok csak a feszültség"duplázást" végzik, kell-e még kondenzátorokat rakni puffernek (vagy esetleg RC vagy LC kört érdemes alaklmazni)? Nem határozott értéket írtak, hanem intervallumot, így a pontos érték kiszámítása hogyan zajlik? Vagy marad a kb 2milifahrad / amper? Bár nem ide tartozik, de valaki tud valamit az új D osztáylú erősítőkről? Álíltólag ott sokat fejlődött a hangzás. Mivel basszusra ajánlott, én egy aktív mélysugrázót szeretnék csinálni a nagydob (és tamok mélyeinek) hangosítására... Ha valaki válaszolna legalább néhány kérdésemre azt nagyon megköszönném.
Ez a legegyszerűbb megoldás,de nem a legjobb.
Sziasztok.
Van otthon, elfekvőben egy USB bemenettel rendelkező DVD lejátszóm. Úgy gondoltam, beszerelem az autóba (kis, mini kivitelű a cucc, bőven elfér). Nem sok érdelmét látom megterhelni az autó akkumulátorát egy inverterrel, mert értelmetlen lenne (12V-->220V-->12V), hisz a DVD masina bele 12V-ról megy (nomeg 5V-ról) Ezekkel nem is lenne probléma, viszont van nekem egy -12V-os táp pontom is a panelon. Tudnátok segíteni abban, hogy az autó 12V-os akku feszültségéből hogy csinálhatok -12V-ot? Marha jó lenne, ha egy egyszerű, olcsó IC megcsinálná...de kétlem hogy ilyen könnyű lenne. gugliztam eleget hogy tudjam, nem 1 cucc szükséges a kívánt feszültségérték eléréséhez. Találtam egy "MAX765" nevezetű IC-t, ami segíthet a problémámon, de beszerezni -még- nem sikerült...viszont mikor egy szakboltban említettem a "projektem" ajánlottak egy másik IC-t (UA74...nem emlékszem a típusára) Ti tudtok nekem segíteni a -12V előállításában? Esetleg valakinél nincs véletlen elfekvőben egy 12V-> -12V áramköri ábra? Előre is köszönöm szépen. Üdv.: Lacam
Szia
Én mostanában az MC33063A-t használom táp célokra. 3-40 volt bemenet. Step-UP és Step-Downt is tud. Na meg invertálni is. Elég multifunkci és nem drága. Na és kapható is.
Körbenézek, hátha találok egy finom kis kapcsolási rajzot ezzel.
Köszönöm szépen!
Szia!
Mekkora áram kellene? Mert ha csak 100mA nél kisebb, akkor például a RECOM gyártmányú RO-1212S kapcsolóüzemű kis táp is megfelhetne. (RET-nél is van 74-00-05 cikkszámon.) Ez 12V-ból csinál független 12V-ot, tehát ha a kimenet + felét letesteled, akkor máris van -12V. Nem kell hozzá szinte semmi áramkör, csak szűrés, hasonlóan mint a stab. IC-hez. De van nagyobb áramú is, pl. RW-1212S, ez 9-18V bemenetről csinál független 12V-ot és 250mA-ig jó.
MC34063A, ugyanaz, csak más hőmérséklettartománnyal (ezzel több találatod lesz).
Amúgy a gyári data sheet/application note tartalmaz mintakapcsolásokat, de az áramköri értékeket számolni kell a konkrét adatokhoz. http://www.onsemi.com/pub/Collateral/MC34063A-D.PDF http://www.onsemi.com/pub_link/Collateral/AN920-D.PDF Ha 20-50mA-nél nagyobb áramot kell produkálni, akkor valószínűleg érdemes a külső tranzisztoros kapcsolást választani, mert az IC szeret melegedni. |
Bejelentkezés
Hirdetés |











