Fórum témák

» Több friss téma
Fórum » Léptetőmotorok (vezérlése)
Lapozás: OK   43 / 166
(#) bbalazs_ válasza dugabácsi hozzászólására (») Nov 16, 2009 /
 
AKkor valahogyan maximalisan behuzni oket es a tapfesszel manipulalni.

Eleve ez valami iskolai feladat, ahol ennyire hulye modon kell kinlodni?
Egy emberi ujj szamara keszitett ravasz kialakitasabol adodoan csak igen korulmenyesen rogzitheto egy motor szamara. Ha nem lehet hozzanyulni, akkor mi rogziti oda, lecsuszik a ferde palyarol, stb...
(#) Zuzmo_farok válasza dugabácsi hozzászólására (») Nov 16, 2009 /
 
lelőjem a poént ez mire kellhet?
minek akarsz erre elektronikát?

vezérműtengelyt (excentert) is lehet használni, gázpedálhoz bovdennel kapcsolva, és vigyázni a fúrókra, könnyen el lehet őket törni.. az előadáson voltatok? ott el is mondták mire kell figyelni.
(ha arra kell amire gondolok)
(#) prst14 hozzászólása Nov 17, 2009 /
 
Sziasztok.
Hozzájutottam 6 db GAMMA 5055/A típusű 8 kivezetéses motorhoz...
elméleti síkon léptető motornak hiszem ,de nem tudok róla semmit.
Nincs hozzá datasheet-em ,ezért segítségeteket kérném ,.hátha tud valaki infomációval szolgálni a motorokról?!kép1
kép2
(#) prst14 válasza prst14 hozzászólására (») Nov 17, 2009 /
 
Mostmár tudom hogy 8 kivezetéses unipoláris motorok...
De a feszültség/teljesítmény értékeket nem tudom.
Google nem segít.Valaki tud róluk infót adni?
(#) prst14 hozzászólása Nov 17, 2009 /
 
Sziasztok.
Ez a unipoláris vezérlő 8 kivezetéses unipoláris motorhoz jó?
Mert most kezdtem a témával foglalkozni komolyabban ,de nem értem ,hogy ha a 8 vezeték 4 GND-jét közösbe hozom ,akkor abból hogy lesz 4 kivezetés?
Mert ugye marad a 4 táp és a közös GND...Ez nállam akkor is 5 kivezetés.Vagy én gondolkodok rosszul?
Mert a 5-6 kivezetéses unipolar motorból értem hogy lehet 4 kivezetést csinálni a közös testek összekötésével ,de a 8 kivezetésest hogy?
Kérdések tehát?:
Ez a kapcsolás jó e 8 kivezetéses unipoláris motorhoz?
Ha jó mi a helyes bekötés?
Építette már meg valaki akinek működik is ?
Mach3 ,ha jól emlékszem támogatja a vezérlő?!
Ha az elgondolásom rossz ,és a vezérlő se megfelelő a motoromhoz ,akkor kérlek titeket ,ha valaki tud egy egyszerű ámde működő kapcsolást ,mutasson rá!
Előre is köszönöm!
(#) Medve válasza prst14 hozzászólására (») Nov 17, 2009 /
 
-Hello, jó lesz, egy 8 kivezetéses motort uni- és bipoláris vezérléshez is be lehet kötni...
-Helyes bekötés, ahogy mondod, de az összekötött tekercsvégeket szabadon kell hagyni...
-A Mach 3 Step-Dir módon meg tudja hajtani...
-megjegyzés: működik ez, de jobb lenne egy bipoláris meghajtó.
(#) prst14 válasza Medve hozzászólására (») Nov 17, 2009 /
 
Üdv!
Köszi a gyors reakciót...
És tudsz nekem ajánlani egy jót?Mármint bipoláris vezérlőt?
(#) Medve válasza prst14 hozzászólására (») Nov 17, 2009 /
 
L298, L6203, TEA3718...és társai. Lehetőleg a PWM legyen beépitve, vagy a maghajtóba vagy a motorvezérlőbe. A feszültség emelésével "csodákat" lehet kihozni egy motorból. 20V-nál pl 2400-as fordulatot értem el percenként
(#) prst14 hozzászólása Nov 17, 2009 /
 
A baj hogy a motorról nem tudok semmit ,gyanítom hogy 12Vosak lehetnek ,de ez csak sejtés...Majd kikísérletezem ...Itt legalul táthatsz képeket!
(#) prst14 válasza Medve hozzászólására (») Nov 17, 2009 /
 
Úgy olvasom jártas vagy a témában ,én még bővítem a tudásom...Erre való a net
Nem tudsz mellékelni egy bipoláris vezérlőt?
(#) prst14 válasza prst14 hozzászólására (») Nov 18, 2009 /
 
Belefogok ennek a kapcsolásnak a megépítéséhez!
Olvasgattam elég sokat erről a témáról ,és többször előjött ez a kapcsolás.
Vannak hibái ,de egy itthoni kis CNC-hez úgy vélem megfelel.Alkatrész igénye se túl sok ,nem is drága ,csak az IRLZ44-est a környékemen nem lehet kapni...Esetleg kiváltható valamivel?
3 Gamma stepper 8 kivezetéses motort szeretnék majd rákötni.
Mach3-mal szeretném kezelni.
A mechanika nem lesz annyira nehéz mint gondoltam ,a sulimban majd esztergáltatok menetes orsókat ,csak nem tudom hogy hogy lehet megállapítani a szükséges menetemelkedést?!
Esetleg a boltban kapható menetes szár nem megfelelő erre a célra?
A marómotor külön kapcsolóval lesz indítható ,esetleg később fejlesztem relével ,de egyenlőre az alap legyen meg!3 motort vezérelni tudjak Mach-al.
Motorjaimról képet a Léptetőmotor TOPIC-ba már raktam.
Ha valaki jártas ezekben a témákban ^^ ,akkor minden nemű ötletet és segítséget szívesen fogadok!
Üdv.:prst14


(#) Medve válasza prst14 hozzászólására (») Nov 18, 2009 /
 
A menetemelkedés nem kritikus. A szoftverekbe bármilyen lépés/elmozdulás értéket beírhatsz. Ha gyors gépet szeretnél akkor inkább nagyobb legyen, ha pontosabbat, akkor meg kisebb. Ha PC nélkül is vezérelni szeretnéd, mikrokontrollerrel, akkor jó, ha a lépés/elmozdulás érték egész számot ad. Könnyebb vele számolni. Pl az M6 esetében kézi üzemben az egy fordulat/mm nagyon kézreálló érték. A bolti menetesszár jó a célra, én a második "advanced" gépemhez a korrózióalló A2-es anyagból készítettet választottam a jobb felületminőség és a vélhetőleg nagyobb pontosság miatt. Még igy is jóval olcsóbb, mint bármely más megoldás. Orsót ne esztergáltass, a bolti, mángorolt pontosabb és olcsóbb. Mondom ezt akkor is, ha csak szivességből készíti ezt neked valaki.

Én meghajtóként az L298N-et és az L6203-at használom az adatlapon ajánlott módon.
(#) gulasoft válasza Medve hozzászólására (») Nov 18, 2009 /
 
Hali!

Esetleg van kapcsolási rajzod hozzá? Az Én ic-m 3000Ft, ha jól néztem ez a 2 együtt 2000 ft körül van. Mikrosteppeket tud?
(#) Medve válasza gulasoft hozzászólására (») Nov 18, 2009 /
 
Microsteppel nem foglalkozom. A gép most készül, dokumentációban itt tartok.

maro-2.jpg
    
(#) Medve válasza Medve hozzászólására (») Nov 18, 2009 /
 
És a kapcsolási rajz...mint irtam, az adatlap szerint.

cnc-2.JPG
    
(#) gulasoft válasza Medve hozzászólására (») Nov 18, 2009 /
 
Azt hittem márt kész van, akkor az enyém előbb lesz kész, mert a táp nyák is megvan ma beültetem és végigláncolom a tápot, utána mehet a próba.
(#) prst14 válasza Medve hozzászólására (») Nov 18, 2009 /
 
De az l298 és a l6203 is csak 2 step motort tudnak vezérelni nem?Ebből hogy lesz 3 tengelyes cnc vezérlő?
A orsóról köszönöm a választ! Utánajártam ,a Mach-ot nézegettem reggel ,és láttam hogy meglehet adni hogy 1 elfordulás hány MM-nek felel meg.
Ha jól láttam lehet metrikus vagy angolszász mértékegységet is támogat! Tehát a fentebből kiindulva mind1 hogy milyen a menet ,csak mint írtad a pontosság/gyorsaság múlik rajta.
Szerintem M6 menetes szár lesz az alany ,a kocsik pedig polcoknál ,számítógépes asztaloknál alkalmazott csúszkák lesznek (nem tudom mi a neve ennek a fehér vacaknak.).Most voltam a vasműszakiba ,az 550mm-es 380Ft .
Maga a munkaasztal sem lesz nagyobb ,nem is gondoltam nagyobbra ,500 mm környékén terveztem fejbe ,most az az 50 mm nem számít .
Tehát a munkaasztalom 550*550*350 lesz.
Szerintem a vázat zártszelvény fogja alkotni.20"as méretben gondolkodom ,de lehet elég a 15-ös is.
Nem akarom nagyon masszívra ,nem gyémánt megmunkálásához kell...
Köszönöm a választ ,és várom hogy te / ti hogy álltok.

(#) gulasoft válasza prst14 hozzászólására (») Nov 18, 2009 /
 
Csinálsz 2-őt az már 4. Ravasz mi?
Az enyémből 3 kell a 3 motorra, de az tud tartóáramot meg mikrosteppet is, és az is bipoláris motorokhoz van.
(#) prst14 válasza gulasoft hozzászólására (») Nov 18, 2009 /
 
De nem jól értelmeztem ? Mind két ICnél OUT1 -És OUT2 lábakat láttam.Tehát eből következtettem hogy akkor mind a kettő 2 motorhoz való?!
Vagy minden motorhoz külön kell 1-1-1 vezérlő?
Te milyen vezérlőt csináltál?
És akkor a 3 vezérlőt hogy kötöd rá a LPT portra?
(#) prst14 válasza prst14 hozzászólására (») Nov 18, 2009 /
 
Jó ,fogalmazni látszik nem tanultam meg ,mind a kettő HSZ-em tele van szóismétléssel
(#) Medve válasza prst14 hozzászólására (») Nov 18, 2009 /
 
Nem. Légy erős, egy motorhoz kettő kell belőle, mert egy IC csupán egy TEKERCSET hajthat meg. Igy 6 db kell egy géphez. Az M6-os orsóról még annyit, hogy némi hátulütője a dolognak, hogy a kis átmérő miatt nehezebb kottyanás-kompenzáló megoldást építeni rá, mit mondjuk egy 8-as, vagy 10-es anya esetén. Én igy a teflon anyával készítem ezt el. Fióksinből a legerősebbet válaszd, s ha tudod, helyezd egy horonyba, hogy meg legyen támasztva oldalirányból. Némelyik igen vékony anyagból készül. Az árát nézve nem lehet jó minőség. Javithat a helyzeten, ha nem kettőt használsz egy tengelyhez, hanem többet. A lökethossznál vedd figyelembe, hogy a löketvégnél a "forgórész" kicsúszhat a golyókosárból, igy annak támasztása csökken. Én a golyókosárból a középső golyókat kivettem, csökkentvén a surlódást, hiszen a megvezetés szempontjából úgyis a szélső golyók a fontosak. Masszivitás? Abból sosem elég, én azt mondom, válaszd meg a gép súlyát, és ahhoz válaszd a lehető legszilárdabb megoldást.

Fehér vacak??? csak nem egy porfestett görgős fióksínre gondolsz? Azt nagyon nem ajánlom!
Bővebben: Link?
(#) prst14 válasza Medve hozzászólására (») Nov 18, 2009 /
 
Váááá. Na azt ne mondd hogy 6 IC kell a 3 motor vezérléséhez?! Mert a fentebb belinkelt vezérlő kb 2000Ft-ból kijön ahogy számolgattam
Az első IC (amit te mondtál és ajánlotál ) 600 a második 1300 ,akkor 2000Ft 1 motor vezérlője???Az 6000Ft a 3 motorra. És milyen "pluszt" kapok ha ezt választom a belinkelt helyett?
8-as menetesszárra gondoltam ,de még a 10"est sem vetettem el.
De igen .erre a fehér vacakra gondoltam ,megnéztem elég erősnek tünik az árához képest. Vagy tudsz más megoldást? Minden ötletre nyitott vagyok Nem nagy kotyogása van ,ami mégis ,az ki lehet küszöbölni.
Am azt írtam a masszivitás nem fontos.
Persze ezt nem úgy értettem hogy olyan legyen mint egy gumi ceruza. Csak nem lesz nagy terhelésnek kitéve ( ha annak lenne nagyobbat építenék ,nem ekkorát) .
Tudom hogy aminek nekifogtam költséges "hobby" ,de megakarom mutatni hogy kis költség vetésű gépek is készíthetők! Persze nem azt mondom hogy sajnálom rá a pénzt ,csak ha nem muszáj akkor az ithon fellelhető ,illetve hétköznapban használatos tárgyakból készülne.
Üdv
(#) Medve válasza prst14 hozzászólására (») Nov 18, 2009 /
 
Nem mondtam, hogy olcsó! Már elvesztettem a fonalat, melyik belinkelt IC-ről van szó? Döntened neked kell, te választasz.
Görgős fióksín helíyett én inkább a golyósat választanám. Az egyfajta lineáris csapágy, jóval pontosabb. Nem nagy a kotyogása? Ha már van, az is rossz, de itt is Te döntesz, de hogyan pozicionálod a szerszámot ha bármiféle kottyanás van a rendszerben? De hát legyen.

Gulasoft? Miért alkalmazod a microsteppet?
(#) prst14 válasza Medve hozzászólására (») Nov 18, 2009 /
 
Rendben ,megnézem lehet e nálunk kapni golyós fióksínt.
Igazad van ,ha nem is lesz a legmasszívabb ,de legalább ne kotyogjon sehol ,egy gravírozásnál a kotyogás nem tűrhető!
"Én meghajtóként az L298N-et és az L6203-at használom az adatlapon ajánlott módon."
Ezekre az IC-kre gondoltam ,te írtad hogy ezeket használod?!

Am a microstepp-nek mi értelme?
Normális lépésnél kis menetemelkedésnél is "mikro" a lépés nem? Ha a motor is microsteppen van akkor milyen kis mozgásra képes ,mikrométerre??? ...az mihez kell?
(#) Medve válasza prst14 hozzászólására (») Nov 18, 2009 /
 
-Jaúgy...árképzést nem ismerem, de rápillantva az L6203 dupla árát talán a FET eknek köszönhető kissé magasabb áram, kisebb veszteség, okozhatja. Amúgy kérdez meg Topit!
- Igen a microstepnél a lépések nagysága csökken. Ám ennek a módszernek is az előnyei mellett hátrányai is vannak. Jó a kérdésed, indokolt-e a mikrométer, vagy az alatti (0,15um) lépés? Vessük ezt össze a motor pozicionálási pontosságával. Ez van ugye a tengelyen, de menjünk tovább a láncon, jön a tengely, a menet, a sín, ha van, a szerszám kihajlása. Hobbi kategóriában maradva a gép merevsége, hogy mondjam, olyan amilyen, ami a pozicionálási pontosságot továbbb rontja. Vajon a munkadarabon mennyi teljesül a pár mikrolépésnyi elmozdulásból?
(#) prst14 válasza Medve hozzászólására (») Nov 18, 2009 /
 
Erről beszéltem.
Nem tökéletes menet illeszkedésnél a 0.15 um elhanyagolható , ilyen kis elmozdulás elveszik a lógó/kotyogó részeknél?!
Szerintem a munkadarabon meg se látszódna Hobby Homemade gépeknél.
Szerinted a FET -es vezérlő megfelelő lenne nekem?
(#) Medve válasza prst14 hozzászólására (») Nov 18, 2009 /
 
Nem tudom, a gép működni fog mindkettővel. Ahogy nézem kis költségvetésre törekedsz, ahogyan én is. Ugy látom, nem lesznek nálad nagy forgácsolóerők, igy elégséges lehet a planáris (?) tranzisztoros megoldás is.
(Képet, rajzot tudsz mutatni a gépedről?)
(#) prst14 válasza Medve hozzászólására (») Nov 18, 2009 /
 
Gépemről??Még csak a motorok vannak meg + fejemben a vázlat.De igazad van nem lesznek nagy erők.
Pénteken lesz meg maga a munkaasztal ,a következő héten ha minden jól megy meglesz a váz.
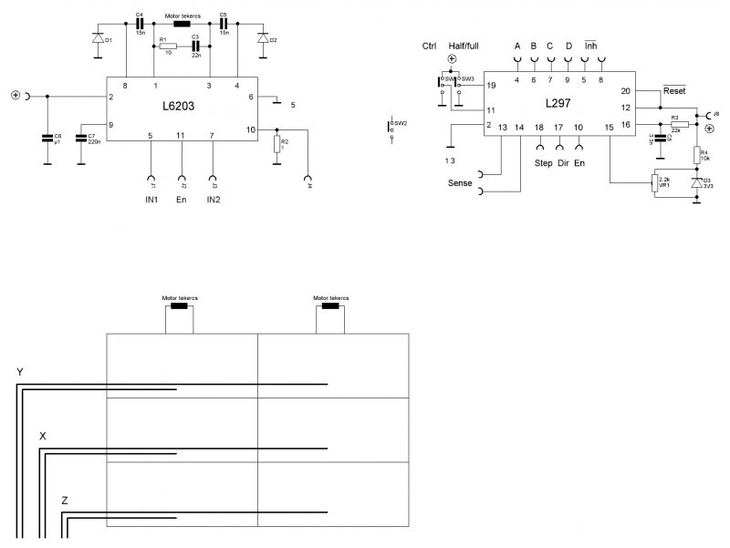
Ezzel párhuzamosan szeretném a vezérlőt építeni ,Ezt itt!
.
Még azt nem tudom hogy a motorok a menetesszárakat közvetlen ,vagy áttéttel hajtsák majd meg?!

Neked van kész géped?
Képeket raksz fel róluk?
Minden öltelet szívesen fogadok...
(#) prst14 válasza prst14 hozzászólására (») Nov 18, 2009 /
 
Mondjuk bitos működik ha a wikipédián is van leírás hozzá ...Link
A motorról képet pedig a léptetőmotor topic végén találsz...
(#) Medve válasza prst14 hozzászólására (») Nov 18, 2009 /
 
-A jó konstrukció egyik jele a jó leírás!
-Én direkt hajtom a tengelyeket. Egyszerűbb is, és nem visz hibát a hajtásba, habár a fogasszijas megoldás igen jó. De feleslegesnek tartom. Hagy gyorsítani kell, akkor nagyobb lépésszögű motor a jobb, ha lassítani, lassítani minek? Az alább vázolt jelenségek miatt az eredő felbontás ugyis legfeljebb pár század lesz. Akkor kell csak áttétel, ha a motor nem fér el a tengely meghosszabbításában. A mostani gépemet itt láthatod, van egy régebbi is, de ez nem a CNC topik. Ötletért nézz el a hobbicnc oldalra.
Következő: »»   43 / 166
Bejelentkezés

Belépés

Hirdetés
XDT.hu
Az oldalon sütiket használunk a helyes működéshez. Bővebb információt az adatvédelmi szabályzatban olvashatsz. Megértettem