Fórum témák
» Több friss téma |
milyen bolt az, ahol vadászni kell a kondira?
Nem működök a kapcsolás
:no: a dekóder kivezetéseire kell külön power a LEDeknek vagy a dekóderből kapja a szükséges feszkót ?
tudom többre mentem el egy-két óránál
![]() na akkor a kérdésedre a kapcsolásból kapja a led a kakaót, logikai 1-re világítana és ha valaki segíteni akar, az történt, hogy Zoszko megépítette külön panelre a dekodert, nem tudom mennyire érzékeny ez az áramkör arra, ha levegőben van a lába, de ha csak a tápot dugja rá a dekóderre azt mondta nem világít semmi, viszont a működés alapján minden lehetséges kombinációra világítania kéne valaminek, szóval szerintem a dekóderben van valami elrontva, én feltételezem jól csinálta meg a kapcsolást, úgyhogy arra tudok gondolni, hogy az ellenálláson keresztül nem kap elég kakaót a led... de mint mondtam fogj egy olyan ellenállást sorba a leddel, és dugd rá közvetlenül a tápra, és ha jól világít, úgyértem nem csak alig, meg halványan, akkor baj van nagyobb a hiba, de ha úgy sem világít, akkor fogj kisebb ellenállást, és próbáld ki azzal... ha már megvan az ideális ellenállás, akkor kiforraszt cserél próbál... és jöhet a többi gond, ha van még...
HI
ha nem kéne bele a sárga villogtatás, akkor 4017-el és pár diódával oldanám meg a dolgot.
Na azóta megépítettem 3 dekódert mérgemben abból jel nélkül 2 jó 1-nél meg valami kontakt hiba lehet de ha a jelet is rádugom a jókra akkor az egyik kikapcsol
nocsak és az összes logikai értékkel kipróbálgattad?
ha mind1iknél világít valami led tutira, akkor el kell kezdeni boncolgatni a vezérlést... van valami műszered? mert igen jó lenne hozzá, sőtt az érintkezési hibánál is jól jönne, ha mondjuk csak fogod az egyik jót, meg az egyik rosszat, és favágó módon elkezded nézni, hogy hol van különbség...
Sziasztok!
Kezdő vagyok bben a témában és a segítségeteket szeretném kérni. Feltöltötem 2 kapcsolási rajzot, ami egy forgalmi kereszteződés logikai áramkörökkel megvalósított rajza illetve egy vasúti sorompó 555ös timerrel készült rajza. Makettbe szeretném építeni mind a kettőt. A lámpám szimuláció során megáll és nem megy tovább. Hátha ti észrevesztek valamit amit én nem. Előre is köszi
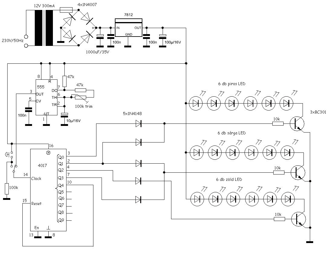
Miért kell hat led és két 555 ös ic??
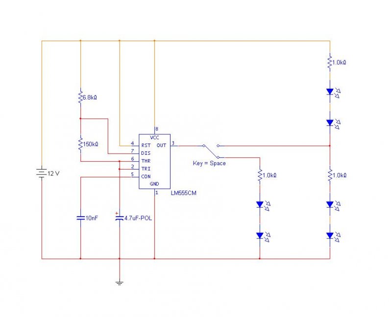
A sorompódat megnéztem,de nekem magasabb verziószámú progim van,tehát hiába adom vissza a javitást ewb formátumban,nem tudod megnyitni. Felteszem pdf-be. Egyébként meg ügyelj,az esztétikus összekötésekre,van még hová fejlődnöd. A munkaterületet sem szokás 100 inch szélesre megadni ekkora rajznál (nem is tudtam pofásan kinyomtatni)
archie: felteszem a sorompóra gondolsz... 6 led pedig azért kell mert két oldalt van fénysorompó... 2 piros és egy fehér oldalanként. a 2 darab 555ös pedig a villogáshoz... a magam ismereteivel csak így tudtam megoldani
![]() mex: köszön szépen a segítségedet. és teljesen igazad van... van hova fejlődni célom hogy meg is tegyemAmúgy a közlekedési lámpában senki nem találja meg a hibámat?
Mex: Megnéztem a kapcsolást amit küldtél a sorompóhoz, megépítettem EWB 10ben (időközben hozzájutottam) és csak szimplán világít és nem villog... EWB 5.12ben viszont tökéletesen működik... ez miért lehet? Töbször is ellenőriztem a vezetékeket
Nem tudom,mi lehet a baj... EWB 10-el szimuláltam én is. Próbáld az interaktiv szimulációs fülön beállitani manuálisan az időket,például elég ha csak századmásodpercenként végez új mérést.
beállítottam de így se változott
sejtelmem sincs mmiért van ez...
Üdv! Szerintem nem kell két 555ös. Az 555 kimenetét kapcsolgasd a vörös és fehér ledek közt. Az is lehet hogy akkor a gondod is megszünik, de alkatrészekt sporolsz az biztos.
Nananaaa... azért, ha lehet, a realitások talaján maradjunk meg, még ha csak modell-asztalról van szó, akkoris
Hol látható felváltva vörös és fehér villogása vasúti átkelőnél? Hazánkban mindenhol az van, hogy kettő piros váltogatja egymást VAGY kizárólag a fehér villog. Másfajta működés nemigen néz ki korrekten.
norberto, szerintem te félreértetted, amit írt a srác. nem a piros és fehér ledeket villogtatja együtt, hanem azt kapcsolgatná, hogy éppen melyikre menjen a "villogás". magyarul a kapcsolóval azt szabályozná, hogy éppen csak fehér, vagy csak piros villogjon.
--------------innentől megpróbálok értelmesen hozzászolni a témához------------------ mellesleg az igazi átkelőknél is úgy van megoldva, hogy a vonat áthalad egy nyitórészen, majd egy zárórészen, a kettő közt pirosan villognak a lámpák, ill. lecsukódik a sorompó (ha van) szerintem a modellvasútnál is úgy lenne célszerű megoldani. egy fotótranzisztor-dióda érzékelőpároson áthalad a vonat, akkor pirosan villog, ha ezután a másikon, akkor visszaválthat fehérre. a való életben ezek az érzékelők elég messze vannak elhelyezve a kerezteződéstől, hogy legyen ideje bepirulni a lámpának, mire odaér a vonat. tulajdonképen 2-2 érzékelő kell a kereszteződés 2 oldalára, ha több sínpár is van: így tudjuk érzékelni az irányt, és csak a megfelelő irányban elhaladó vonat oldhatja fel a pirosat abban az esetben, ha a másik irányból még nem jött másik vonat. 1___2___________lámpa____________3___4 ha áthalad 1-2 között, akkor tudjuk az irányát (balról jobbra), ezt csak a 3-4 irányú áthaladás kapcsolja ki. azonban, ha közben 4-3 között áthaladt valami, akkor nem kapcsolódik ki (nem vált át fehérre), míg 2-1 között át nem ment valami. ugyan ez igaz fordítva is. erre szerintem elég lehet egy kissebb logikai hálózatot összedobni. (persze ez már igazi bonyolítás)
Kicsit ugyan elment vasútmodellezés irányba a beszélgetés, de talán annyira nem nagy baj.
A nagyvasúton ezt úgy oldják meg, hogy a két sínszál egymáshoz képest villamosan szigetelve van egy akkora szakaszon, ami egy, a leghosszabb jármű, két, egymáshoz legközelebbi kerékpárja közötti távolság fele. (Leírva kicsit bonyolultan hangzik, de ha valaki lerajzolja, azonnal megérti.) Mivel a vasúti járművek kerekei villamosan jó vezetők (fémből vannak) a két sínszálat rövidre zárják. Innentől már bizonyos, hogy akár egyetlen jármű is átváltja a fénysorompót. (További techikai részletkérdésekbe ne menjünk bele, mert messzire vezetne, de lényegében ez történik, Van még egy halom más kiegészítő eszköz is, mint pl. a tengelyszámláló, ami az egyik oldalon "beszámolja" a "belépő" tengelyeket, a másikon meg "kiszámolja", és addig nem nyit a sorompó, míg a kettő együtt nem nulla, és hasonlók.) A fototranzisztor-LED páros nem rossz elképzelés, de van egy kis gond vele: Nagyon ki kell számolni, hova teszed ("milyen magasra" az asztal szintje fölé), különben minden tengelyt számolgat majd, vagy minden kocsit. (A kocsik között "hézag" van, amin "átlát" az optokapu.) Ráadásul meg kell oldani az elrejtését is az eszközöknek. Ennél egyszerűbb megoldás, ha a sínszál belső oldalára, de attól villamosan szigetelve, olyan érintkező lemezt helyezel a pályára, amelyet a sínszállal rövidre tud zárni a jármű kereke! Ez a kontaktus indítja a zárást illetve a nyitást. (Klasszikusan ezt öntartó relével oldják meg, úgy, ahogy Te is írtad, tehát először nyitó, aztán záró impulzust ad a kontaktus, majd jön az átjáró, majd megint záró, és végül megint nyitó inpulzus. Így biztos, hogy mindig le fog zárni a sorompó, és fel is nyit. A baj akkor van, ha a szerelvény nagyon hosszú, és ezért az első jármű már nyit, de a szerelvény vége még az átjáróban van... Erre csak egy számláló a megoldás.)
Hajaj... Nem a "JANI féle" megoldásra gondoltam... Azthiszem nem volt világos amit írtam laikus szemszögből. Na mindegy, hátha egy rajz többet segít
Sziasztok!
Az lenne a kérdésem,hogy melyik rajz lenne jó 1 db közlekedési lámpához amely piros után átvált piros-sárgára majd zöldre és ismét pirosra és ez kb 5-10 másodpercenként megismétlődne.Csak 1 lámpáról lenne szó?Az oviba szeretném a gyerekeknek megcsinálni,szinenként kb 5-6 led lenne benne.Ha valamelyitek tud rajzot nagyon szivesen fogadnám
Szerintem 4017-es IC, egy cmos IC, vagy 555 mint órajel, és az 5-6 LED miatt LEDcsoportonként egy-egy tranzisztor. Raknék még bele egy kapcsolót, amivel az órajel elvehető és egy nyomógombot, amivel manuálisan adható.
A 4017 alapkapcsolásai között megtalálod a bekötést, az 5. lépés után kell a resetre kötni, így a végtelenségig fog körbe-körbe járni... A piros és sárga egyszerre kapcsolásánál használj diódát! Üdv Inhouse
A zöld és a piros közé még rakj be egy sárgát...
Üdv Inhouse
Köszi a gyors választ,keresgéltem is de még igazándiból nem találtam.Mindenesetre próbálkozom,de ha van valakinek olyan rajza amit már megépített és működik szivesen elfogadnám.
Sajna nem találtam ,de ha van neked valami rajzod légyszi tedd fel ide!
Elvileg ez így működik:
A kapcsoló rajz szerinti állásában az 555 adja a léptetéshez szükséges jelet, a potival állítható néhány másodpercen belül. A kapcsoló másik állásában a nyomógombbal lehet kézzel léptetni. Valaki még bólintson rá, csak összeollóztam... Üdv Inhouse |
Bejelentkezés
Hirdetés |




:no: a dekóder kivezetéseire kell külön power a LEDeknek vagy a dekóderből kapja a szükséges feszkót ? 



