Fórum témák
» Több friss téma |
Fórum » kipufogó megvilágítás
Témaindító: technikus14a25, idő: Jan 6, 2007
Témakörök:
Sziasztok!!Kérem valaki segítsen!Az autómon a kipufogó főlé szeretnék egy olyan megvilágítást, ami alapból kék színű (két smd led) ,és minél jobban "beleálok" a gázba a kék elhalványulna és helyette két db piros smd led fényereje erősödne fel!A fényorgonán gondolkoztam de nem jutottam dűlőre!
Ha valaki tudna valamilyen ötletet, az kérem írjom!Előre is köszi!
Nos a rendőr első dolga lenne, hogy leszedetné... ugyanis tudtommal sajnos megkülönböztető jelzésnek minősül(ne)
na jó akkor a kék hejett mondjuk lenne zöld???
gondoltam teszek elé egy kapcsolót!!
Vagy ha azt mondanám rá hogy "kilépőfény" a csomagtartóhoz!?
Egyébként nem tudom mit szólna tényleg a rendőr , de utánanézek a jogban
nemtudom pontosan a kresz részét, de a gáz adása tudtommal nem elektronikusan, hanem mechanikusan(?) van megoldva...ez nehezíti a dolgod. de ha esetleg elektronikus, és az áramerősség a gázadás nagyságával egyenes arányos
akkor egy sima kivezérlésjelzőt kell rátenned...(keress rá a fórumon)
én micrfonosra gondoltam ... de köszi megnézem
Ne az új hozzászólás gombot, hanem a válasz gombot használd, mert az új hozzászólás gomb a témán belül újabb probléma felvetésére szolgál!
A feszültségkivezérlő mehet microfonról?
Mert mechanikus a gázadás, így inkább a motorhangról vezérelném!
mehet mikrofonról...de ez a motorhangról vezérlés érdekes...mind1, próba cseresznye
hogy milyen mikrofon kell erre az esetre, azt nem tudom
A gépjárműveken alkalmazható jelzések alaposan be vannak korlátozva a KRESZ-ben. Előre csak fehér vagy borostyánsárga, oldalra csak borostyánsárga vagy piros, hátrafelé pedig csak piros fényt adó lámákat szabad felszerelni.
A gépjármű hátsó hatósági jelzését (rendszámtábla) fehér színű fénnyel kell megvilágítani. Ezen kívül alkalmazható még az irányjelzőben a borostyánsárga, a féklámpában és a hátsó, helyzetjelző ködlámpában a piros, a tolatólámpában a fehér szín. Sem a zöld, sem a kék színű fény használata nem engedélyezett sehol, semmilyen formában. A fentiekből adódik, hogy - ha a rendőr meglátja a desig-elemedet a kocsidon, akkor morcos lesz, melynek következtében - jobb esetben - leszerelteti, rosszabb esetben ad egy szép, kerek összeggel kitöltött csekket, melyet 8 napon belül be kell fizetned, még rosszabb esetben elveszi a forgalmit... Ezen kívül van még néhány technikai kérdés is, mint pl.: - hogyan óvod meg a LED-eket a kipufogó viszonylag magas hőjétől? (A LED-ek közismerten nem nagyon szeretik a nagy megeleget.) - hogyan akadályozod meg, hogy az óhatatlanul felverődő kövek, kavicsok a LED-eket ne törjék szét? - hogyan oldod meg, hogy a LED-ek (ha már egyszer ott vannak!) ne koszolódjanak be annyira, hogy már ne is lehessen őket látni? Úgy hirtelenjében ennyi. Ha ezek után is úgy döntesz, hogy Neked mégis kell ilyen, akkor kell egy mikrofon, egy erősítő, és egy "kivezérlésjelző" áramkör. Az ilyen áramkörök mind fellelhetőek itt, a fórumban is. Keress rájuk, sztem tuti találsz! Jó építést!
Köszönöm a felvilágosítást !Kicsit eltántorított a forgalmis dolog...
Egyébként úgy gondoltam, hogy a ledek egy nékony nyáklapon lennének, amit aztán beetolnék egy átlátszó ic tartó csőbe.A két vége lezár, fel a lökhárító aljára, így csak a fénye látszodna, a tokot azt csak időnként le kell törölni.Gondolom ha a lökhárító nem olvad meg, akkor egy centivel lejjeb se fog az ic tok megolvadni. Akkor elvileg a gyári ledes kipufogókat is büntetik?pedig manapság még a corában is kapható!ebből gondolnánk hogy engedik. De mindenesetre megépítem, érdekel a dolog!!
nem. a csak a nem piros ledes kipugogókat büntetik. sima piros led lehet a kocsid hátulján...legalábbis ezt vettem ki frankye szavaiból.
Akkor úgy változtatok hogy 1 kék alap de végölis ez menetközben nem is igazán látszodna, mert a piros led fényereje elnyomná. Szal menet közben mondjuk 1500-2000 -es fordulat körül éppen csak világítana a pros ledek meg valamivel erősebben, ha meg húzatom akkor meg csak a piros égne a kék kialszik.
Na de ezt potival meg lehet csisnálni hogy milyen hangerőnél hogy világítson! Azért Köszi!
A biciklim hátsó villogója 5db 13cd kék led, 32mAmperen mennek. És ráadásul egy strobinak a tükrébe tettem bele. Elég kegyetlen fénye van. De a rendőrök még nem kaptak el, de már egy párszor dudáltak nekem.
Elég hülye játék. Vannak kezdő vezetők is. Ha elvakítod és balesetet okoz téged vesznek majd elő.
Ha benzines a taliga lehet hogy jobban jársz, ha a gyújtásról veszed le a vezérlő jelet, hasonlóan mint egy LED-es fordulatszámmérő. Szerintem egyszerübb mint a mikrofon. Nézz körül itt: http://www.hobbielektronika.hu/forum/topic_833.html
de csak akkor használom ha éjjeli versenyre megyek. amúgy egy sima piros villogót használok. elől meg 2db fehér led, és egy 5,2V-os halogén izzó, az 0,85A ampert vesz fel.
Hali!
Van valami abban, amit mondasz! Bár megoldható lenne, hogy az üzemanyag szabályozórendszer (pl. gázpedál) elmozdulásából képezzen egy jelet (optikai jeladó stb.), vagy mondjuk mérje a vákuumot a szívótorokban, ilyen cuccot bontóban lehet szerezni. (motorfüggetlenek); De ez utóbbi már "ágyúval verébre" kategória lenne. Egy biztos: még a legszuperebb motornál is szükség van némi időre a motor felpörgéséhez, a végeredményben a megoldások mutathatnak némi eltérést (a reakcióra gondolok, a motor fordulatszámával arányosan, vagy a gázadással lineárisan reagál az egység). Persze a megoldások száma számtalan... Remélem nem tűnik okoskodásnak!
Egyáltalán nem. Diesel motornál viszont jöhet a nagyágyú, a mikrofontól még az is jobb. A vákummérés nem is olyan rossz ötlet, viszonylag elég pontos arányban van a motor fordulatszámával,
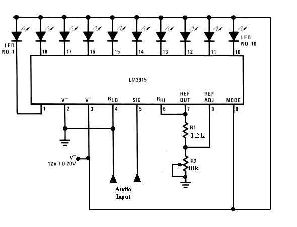
Szal kipróbáltam egy innen szerzett kapcsolást!(amit mellékeltem)
És jól is műkszik! csak... annyi bajom van vele hogy a ledek felvillannakk!!mondjuk ez jó, csak én olyat szeretnék ami halványodik-erősödik 1db leddel ,szal ami nem villog! Teljes hangerőn világítana max-on ahogy halkulna a zene úgy csökken a fényereje! Remélem tud valaki segíteni!Előre is köszi!!
sziasztok én most registráltam még uj vagyok.én 12voltos stroboszkopot vagy pontosabban rajzot és alkatrész listát keresek napok ota aneten de sehol nemtalálok megkőszőnném ha segitenétek.a kipufogo dologra annyit tudok mondani látam már olyat minél tőbb gázt toltál anná tőbb led világitott a kipufigo végén.én stroboskopot szeretnék az auto alá de az istennek sem találok 12voltos rajzot sehol ha van valami tuti tippetek irjatek,épitenék vagy kompletten vennék
http://www.hobbielektronika.hu/forum/index.php?sf=stroboszkóp&h=c
A HE keresője adta.... :eek2:
Ez roppant egyszerüen +valósítható, egy többlépcsős komparátorral. Ekkor csak a felbontást kell eldöntened, h. merrora legyen a lépésköz a fényerőváltozások között (ideális esetben végtelen
). Egy másik változatban a jelet egyenirányítani kell, és egy kondira kell vezetni. A kondin jelenlévő feszültség egyenesen arányos a bemenő jel nagyságával. OPA-s emiterkövetővel lenne célszerű leválaszani és úgy meghalytani a ledet... Harmadik változatban egy potit kellene ráépíteni a gázpedálra (vagy annak valamely mechanikus részére), és a ledet a poti értékváltozása közvetlenűl szabályozhatná... Persze a potimak elég masszívnak és tömítettnek kellene lenni, a szélsőséges viszonyok miattt. Remélem tudtam ötletet adni a további munkához! _jani_ S itt egy demó az OPA-s verzió megvalósítására. Persze a led áramát egyedileg kell méretezni, mert nagyon sok mulik az alkalmazott LED paraméterétől... :awink: |
Bejelentkezés
Hirdetés |






