Fórum témák
» Több friss téma |
Fórum » Ki mit épített?
Ez a téma ha úgy tetszik a mi "kiállítótermünk", nem pedig a ki mit csinált volna másképpen, mások helyett, és legfőképpen nem javítós téma.
Minden készüléknek van saját témája, ott kell kitárgyalni a részleteket!
FONTOS! A kapcsolási rajzok keresésére is van saját téma, ott keressetek rajzokat!
Mi az már az sem publikus hogy melyik meglévő rajz az alapja ?! Szánalmas.
Hááát, ez sem egy otthon készült nyák. Inkább valamiféle kit. Láthatnánk az alját is...?
No comment..
Vicsys, valóban nem otthon készült nyák, és nem valamiféle kit (ha csak én nem hozom forgalomba KIT-ként, egyenlőre nem tervezem. Bemérés alatt van, jelenleg, igény szerint lesz több kép is.
Szerintem meg egy gyári erősítőből van kibelezve ! sny: Mutass róla hihető dokumentumokat aztán elfogják neked hinni hogy ez a mű az totálisan saját gyártmányú. Egy kép alapján nehéz erről meggyőződni ? Reméllem nem sértettelek ezzel meg?
No látod ez is egy bizonyíték a mű létrehozásáról ! De mivel hogy nem publikus a dolog így értelmetlen volt ezt ide föltenni , hisz sok -sok embert azért nem egy kép érdekelne . Annál inkább is ez hobbi fórum ezért az építő jellegű dolgok jobban megmaradnának mint egy fénykép látványa!
Amúgy jól néz ki!
Használd légyszi a válasz gombot!
Jajaj! Srácok! Valaki! Hívjatok mentőt, orvost, tűzoltót, polgárőrt, vagy valakit, Vic barátom nagyon beteg!
Sehol benne egy ÓRA! :hehe:
Hello!
Ez a végén úgy is egy óra lesz, erősítővel
Kicsit olyan retrósan néz ki kivülről
De ennek ellenére nekem tetszik (tudniillik nem szeretem a retrós dolgokat [főleg a retró zenéket]) Pláne a hűtőborda rajta. A torzításjelzőről tudnál kapcsirajzot mutatni?
Elkezdtem végre megtanulni a PIC programozást. Az első szárnypróbálgatásom:
Bővebben: KÉP Az egész programot én írtam meg, a konvertáló szubrutint is.
Gratula! Látod, megy ez, csak akarni kell!
(Miért nem ide töltöd fel a képeket? Ezek a linkek el fognak veszni egy idő után... )
Azért, hogy ne csak 800*600-as képeket tölthessek fel.
De itt van:
Hello!
Jól gondolom, hogy a fejlesztő környezetet is magad készítetted, ha így van azt mért nem mutatod be ?
Tegnap elkészült a 2digites termosztátom 57mm -es kijelzőkkel
lm75 analóg hőérzékelővel 0-99c' ig beállítható kapcsolási hőmérséklettel .
Szia
Nagyon jó lett, a kapcsolási rajz érdekelne ha publikus, valami hasonlót kellene nekem is építeni. Bari
ide is lehet 800x600 nal nagyobbat feltenni, de nem mindig van értelme
Maga a kapcsolás nem egy nagy durranás , az egyetlen érdekesség benne a kijelző meghajtás : mivel volt elég
kimenet a pic16f876 on így közösanódos kijelzőket használok , az anódok fixen a bejövő15v ra vannak kötve és a szegmenseket 2db uln2003 kapcsolja .Így elhagyhattam a multiplex vezérlést és egyszerűbb lett a program .
Igen, azt is én készítettem. De ez bár úgy néz ki, de nem egy univerzális fejlesztőpanel. Azt az áramkört szimulálja amibe majd bele fog kerülni a PIC. (Ott a LED-ek helyett egy marék relé lesz.)
Itt van: Bővebben: Hozzászólás
Sziasztok!
Ismét egy félkész projekt... Youtube-on láttam egy órát, ami megtetszett, elhatároztam, hogy én is építek egyet, de hogy legyen benne kihívás, saját fejlesztésű a program... Aki a HDD LED clock-ra rákeres, sok szép darabot talál! Nos az enyém az órát jelen pillanatban távolról sem érinti, de úgy érzem elég látványos a közzétételhez! Később lehet linkelek párat, remélem nem gond. :pirul:Csak az a fránya telefonminőség... Bővebben: Link Bővebben: Link
Sziasztok!
Készítettem egy LCD vezérlést számítógépre. Vezérlést RS232-n keresztül kapja. Bátyám karácsonyi ajándéka ez, így fontosabb dolgokat ki tudja rá írni, nem szükséges monitor a szerverhez.
Hali
Jó lett, grat.
Sziasztok!
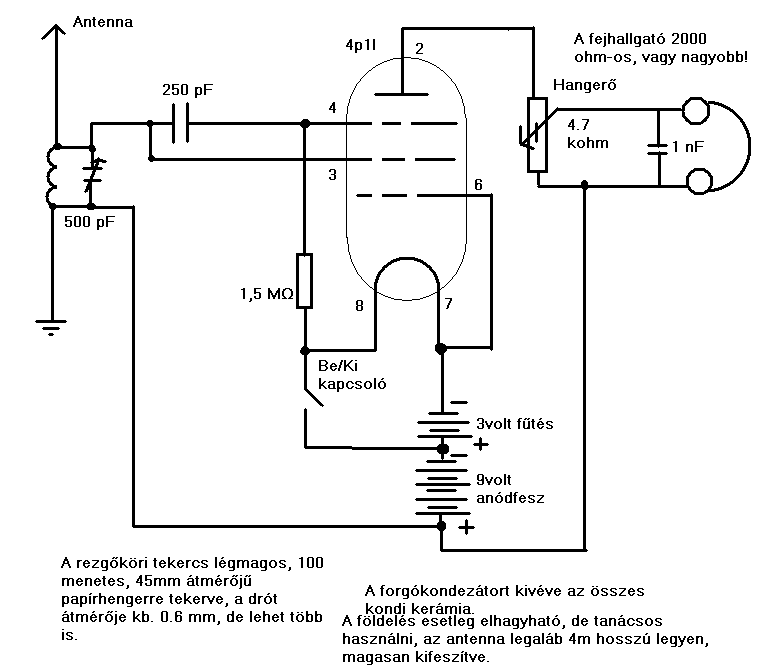
Tegnap összeraktam egy egycsöves, telepes (3 volt fűtés+ 9 volt anódfesz.) rádiót. 4p1l cső van benne, a kapcsolást a '06-os Rádiótechnika Évkönyvében találtam, és egy kicsit módosítottam. A Kossuth rádiót elég jól veszi, kérésre teszek fel kapcs. rajzot.
Szia.
Köszi. A torzításjelzőről fent van minden infó Bővebben: Link , de alatta olvass még egy kicsit, mert próbálunk egy korrekt clip jelzést készíteni, taláén jó irányba indultunk el ![]() Üdv!
Helló!
Jó lett. Jöhet a rajz. Van nekem is egy ilyen csövem, kipróbálnám, hogy mit tud.
Szia!
Itt a rajz, bocsi, hogy painttal rajzoltam! Sok sikert a kipróbáláshoz!
c-ben haladósabb, 18f család nagy segítség. igaz bizonyos esetekben kénytelen az ember pár sort asm-ben írni...
|
Bejelentkezés
Hirdetés |





) 














