Fórum témák
» Több friss téma |
Üdv............. B.U.É.K mindenkinek!
Már jó ideje bajlódom egy kapcsolás megtervezésével ami egy 3 szint között működő teherfelvonót vezérelne. Az elvárás hasonló lenne a panelházaknál ismert felvonók működéséhez (ez már bevált + biztonságos) a baj csak az hogy az elektronikai ismereteim eléggé "analógra" korlátozódnak, márpedig ez kissé bonyolulttá teszi számomra a dolgot. Szerintem egy digitális vezérlés lenne a legideálisabb. A szintenkénti pozicionálást reed relékkel gondolnám, és szeretném ha az 1, 2, 3, szinteket bármilyen sorrendben lehessen elérni kőzvetlenül, pld. 1- ről 3 - ra megállás nélkül stb. A felvonót gyári 220v/1t csörlő működtetné, amit a mellékelt képen bizonyára felismerhető. Nagyon megköszönök minden segítséget.
Buék .
A teher Személy felvonók egy picit másképp működnek de ha nem akarsz különösebb programokat (lefele gyűjtő felfele gyűjtő) akkor a legegyszerűbb a relés vezérlésnél maradni a ma működő liftek fele ma is igy működik a pozicionálás mikrókapcsolókkal van megoldva stb. Aknában működne ? Külső vezérlés ? Fülkéből vezérlés ? egy csomó kérdés van itt
Üdv! Csatlakozom az előttem szólóhoz. Ilyen feladatra a relés megoldás a legegyszerűbb.A vezérlési módokat tisztázni kell. Ha valóban teherfelvonó lesz akkor a külső hívó-küldő vezérlés ami ide való. Ha leírod a konkrét elképzelést küldök hozzá rajzot.
Kösz a gyors választ. Nos semmilyen extra müködésre nem gondoltam, csupán arra gondoltam egyszerűbb néhány IC kapuval megoldani azt a néhány feladatot ami jelenesetben megoldásra vár,ami majd működtené a reléket vagy mágneskapcsolókat. Külső vezérlésre gondoltam ( küldöm, hívom - fogadják, küldik)és semmi program, minél egyszerübre (kissebb a hibalehetőség). Nen ragaszkodom a digihez, ha relésen egyszerűbb. A jótanácsok is jóljönnek. Ja és aknában müködne.
És mégegyszer kösz.
Elég sok kérdés felmerül még...
"Az elvárás hasonló lenne a panelházaknál ismert felvonók működéséhez (ez már bevált + biztonságos)" Ezt egy emelőszerkezettel sohasem tudod teljesíteni, a teheremelő berendezésekre egyébként is más előírások vonatkoznak. Kategorikusan kijenthető, hogy személyek szállítása kizárt olyan szerkezettel, amely kötélszakadás esetén lezuhanni képes. Tudom, hogy nem is ez a cél, de ezt mindenképp le kellett írnom. A következő dolog az aknaajtók reteszelése - azaz kinyitásuk csak a "fülke" szintben történt megállásakor lehetséges. Erre is vannak előírások: +,- 15cm-en belül kell lennie a "fülkének" ahhoz, hogy a nyitás lehetővé váljon. Ez azért kényes pont, mert nem tudom zsigerből, hogyan viselkedik az emelőgéped megálláskor, ha a terhelése nulla, illetve max. Gondolok itt a fékezés szükségességére, mivel a megállítást automatikusan szeretnéd. (mert ugye kézzel bármikor nyom az ember egy rövidet és máris jó helyen áll...) Szóval itt nem magának a vezérlésnek a megvalósíthatóságát látom fő gondnak.
Ez a csörlő egy zsirúj gyári egyfázisú 1tonna/500 kg teherbírású 15m/sec emelő sebességű készülék. Feltételezem megfelel minden a készülékre vonatkozó Biztonsági előírásnak. A terhelhetőség láttán könnyen feltételezhető hogy szinte soha nem fogja megközelíteni a terhelhetőségi határt. A felső végállás gyárilag a csőrlőre van építve. Ez a készülék alapból erre a célra lett gyártva. A kérés csupán , olyan kapcsolás amiben van fülke pozíció érzékelés (1,2,3 szint) ez az adott forgásirány módhoz szükséges, és szintre állítás. Azért nem vagyok annyira dilettáns, gépész vagyok, némi vill. ismerettel. És valóban nem szükséges padlónyomás érzékelés, szintajtó mágneszár (elég egy retesz ami nyitásnál stop - ot produkál, ezt mechanikusan megoldom, belsővilágítás , stb. ) mint a személyfelvonóknál. Tehát csupán A B C pontok közötti tetszőleges választás, ami megállás nélkül megy pld. A - C pont között . Csak 1. szintről való vezérlést kell megoldani, a többi szinten már lehet ennek a nyomógombsori panelnek a párhuzamosított klónját alkalmazni. Az nem gond hogy az utolsó parancs felülbírálja az előzőt. Hát már nem is tudom még milyen instrukciót adhatnék ha még így sem elég világos meg kell keressek egy " szakmabelit ".
Ezen átrágod magad meg is oldődott a problémádBővebben: Link
Díjazom a politikusi ambícióidat gondolok itt a probléma vagy inkább kifogás keresése vagy viszzahárítása az adott probléma megoldása helyett. Ne vedd sértésnek de az előtted szólóak kapásból rátapintottak a lényegre, " fejtsd ki bővebben és küldöm a rajzot " Hát ez az a híres magyar kreativitás ami már úgy látszik kiveszőben van. És köszönöm értékes hozzászólásod , de tányleg sokat segített hogy megismerjelek.
Üdv - Toxik.
Helló már azt hiszem leginkább csak rád számíthatok. Meg aztán Sajószentpéter sincs tőlünk messze. Csináltam még egy rajzot ha segít valamiben várom válaszod, kérdésed.
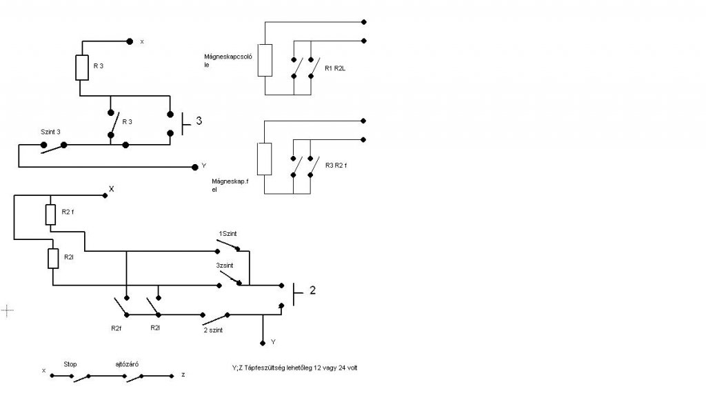
Rajzoltam egy relés vezérlést a célodnak megfelelően.
Indításkor mindig az 1. szintre rakja le a felvonót, ez az alapállapot. Az első áramútrajzon lévő öntartások azért kellenek, hogy egyszerre két gomb lenyomása, és a pergések ne okozzanak problémát. A második egy összehasonlító, amely leállítja a motort, ha el van érve a kívánt szint. A 3. is egy kombinációs áramkör, amely a szintérzékelők és a gombok alapján dönt, hogy fel, vagy leengedi a felvonót. 4. motorvezérlés. 5. felvonó állapotjelzése. De én nem relékből építeném meg a helyedben, hanem egy olcsó plc-vel (schneider zelio), az általam rajzolt áramúttervet simán be lehet rajzolni létradiagrammba, és ezzel kész lenne a program.
"Ez a csörlő egy zsirúj gyári egyfázisú 1tonna/500 kg teherbírású 15m/sec emelő sebességű készülék. Feltételezem megfelel minden a készülékre vonatkozó Biztonsági előírásnak."
Ezt a 15m/sec sebesség kivételével elhiszem. "Ez a készülék alapból erre a célra lett gyártva." Ki van zárva! Csak a saját kézi működtetés megengedett, a függő teher folyamatos figyelésével. "A kérés csupán , olyan kapcsolás amiben van fülke pozíció érzékelés (1,2,3 szint) ez az adott forgásirány módhoz szükséges, és szintre állítás." "Csupán" : ezen van a hangsúly! Ugyanis, ha kettőnél több a szint, a vezérlés módja már nem különbözik az - akár 15 szintes - kialakítástól, csak a relék számában. Azonban már három szinthez is legalább 9db relé kell, a mágneskapcsolókon kívül. "nem vagyok annyira dilettáns, gépész vagyok, némi vill. ismerettel." Nem vitatom, de a felvonó, emelőgép más téma. "nem szükséges padlónyomás érzékelés" Valóban nem. "szintajtó mágneszár (elég egy retesz ami nyitásnál stop - ot produkál, ezt mechanikusan megoldom," Na itt a probléma, ebben az elgondolásban. NEM elég egy retesz, amit bárki, bármilyen üzemi körülmények között nyithat, még akkor sem, ha az elektromosan képes megállítani a hajtást. Az ajtónak csak akkor szabad nyithatóvá válni, ha a "fülke" (vagy inkább kas) mögötte áll. Ugyanez a zár képes arra is, hogy a - nálad középső - szinten áthaladó kas ne tegye nyithatóvá az aknaajtót. "belsővilágítás , stb." Még függőkábeles hozzávezetéssel is bajlódnál, hogy a dobozok ne sötétben utazzanak? "Csak 1. szintről való vezérlést kell megoldani, a többi szinten már lehet ennek a nyomógombsori panelnek a párhuzamosított klónját alkalmazni. Az nem gond hogy az utolsó parancs felülbírálja az előzőt." Ilyen nincs... Ha egy parancsot kiadsz, annak teljesülésééig a STOP-on kívül semmit nem hajthat végre a vezérlés. "Hát már nem is tudom még milyen instrukciót adhatnék ha még így sem elég világos meg kell keressek egy " szakmabelit ". " Teljesen világos... hogy nem tudod mibe vágsz bele, mivel 5 évet eltöltöttem fejlesztőként ilyen cégnél. Ha valóban szakmabelit keresel, felelősséggel ő is el fogja Neked mondani ugyanezeket. Láttam sok családi házban engedélyek nélkül kivitelezett szerkezeteket, némelyiktől a hajam is égnek állt. És ilyet le se írj, hogy "nincs gyerek a közelben" (értsem ez alatt, hogy nem kell a biztonsági funkciók nagy része), mert a felnőtt is ugyanolyan lesz egy idő után, ha megszokta a használatát, már nem "fél" tőle. Jó hogy azt nem írod, hogy az árut pizzalapáttal fogjuk kiszedni, ha a kas elmászik, akkor se legyen baleset... Beszkennelhetem neked a gyári rajzot, de hozzáértés nélkül semmire nem mész vele, nem 3 relé és pár mikrokapcsoló alkot egy ilyen áramkört. "A jótanácsok is jóljönnek." A fentieket főként annak szánom, ne gondold gúnyolódásnak. Moderátorként pedig egy kicsit pozitívabb hozzáállást várok a válaszadókhoz, bár látom, hogy érdemben nem tudtak segíteni.
Hello. Itt egy 3 megállós kisteher felvonó rajza. Van rajta néhány dolog ami elhagyható. ( visszahozó menet, hangjelzés...). A felvonó ipar háromfázisú meghajtást használ, ezért a főáramköri részt is át kell dolgozni.
Az előírások és szabványok betartására én is fölhívnám a figyelmedet, a felvonó veszélyes üzem!.Egyébként a felvonók építése építési engedély köteles, ha pedig emelőgépet szeretnél belőle kialakítani akkor a vezérlés nem tartalmazhat öntartást. Figyelmedbe ajánlom az MSZ EN 81-1 villamos üzemű felvonókra vonatkozó szabványt.Szólj ha segítségre van szükséged.
Nagyon ötletes a megoldásod még gondolkodom a kivitelezésén, egy ablaktörlő motorral megpróbálom szimulálni a kapcsolást , amit nagyon köszönök.
Én már az elején is utaltam a digitális vezérlés előnyeire amivel Te is úgy látom egyet értesz. Ha ismereteim nem csalnak néhány IC kapu képes megoldani ezt, pld. TTL , CMOS ( és, vagy, nem, igen, kapuk felhasználásával.) Na és ez az ami nekem nem megy. A kivitelezés már menne de a meg tervezése a gond. Ez a vezérlési mód véleményem szerint a megépítést és kivitelezést nagyban le egyszerűsíti nem beszélve 2 db irányrelét működtetve kevesebb érintkezőkkel kisebb a hibalehetőség is. És hogy ne érjen az a vád hogy lenyúlom mások szellemi termékét, egy komplett működő részletes kapcsolási rajzért szívesen szponzorálnám akár egy jelképes összeggel is az illető éppen futó projektjeit.
A kedélyek lecsillapítása miatt azt hiszem el kell mondjam van vill.szerelő ismerősöm néhány akik bevonásával képzelem kivitelezni a dolgot. Az + hogyha egy kapcsolópanelt (ha kapok IC- s kapcsolást) én készítek el maximum legrosszabb esetben a lefüstölt kategória rovatba lehet írni és senki nemhal bele. Ha komoly aggodalmat okoztam volna valakinek elnézést kérek. Nem gondoltam hogy ennyire rágós a téma.
Köszönöm a kritikát de azért összehoztam egy a lehető legegyszerűbb kapcsolást 4 reléből két mágneskapcsolóból ami benne van a csörlő vezérlőszekrényiben meg kell szintenként két mikrókapcsoló egy a helyzetjelzéshez egy a leállításhoz amit még beraknék az két szintező gomb ez általában teherlifteknél van mert a szintbeállítást akárhogy csinálod tehertől függően vagy előbb áll meg vagy túlszalad hivatalosan is 5 cm a megengedett és van amikor elég bosszantó átemelni nem beszélve arról hogy ez a kapcsolás szerint ha netán félúton megáll akkor a 2 szint nem hívható
ennyit tudtam de ha a kollégák átnézik megköszönöm lehet hiba is benne x z közé berakhatsz bármilyen léállítót ne feledd a hívó gombokat párhuzamosan a léállítókat sorban kell kötni (az egyes szint ugyanúgy néz ki mint a hármas azért nincsen külön rajz róla)
Fogalmad nincs arról mit csinálsz és úgy tűnik azokra sem hallgatsz akik értenek hozzá. Akik neked segítenek bármilyen kókány áramkörökkel, azok bűnrészesek lesznek azok halálában, csonkulásában akik beszorulnak, lezuhannak a lifted miatt.
Borzasztó, hogy milyen szinten nem értik az emberek hogy az egyszerűnek tűnő dolgok mögött mekkora felelősség és tudás rejlik!
Szeretném mindenkinek megköszönni a feladat megoldására tett törekvését. Az eddig érkezett megoldásokból harald megoldása tetszett a legjobban. A témát lezártnak tekintem kivéve ha v.ki a korábban már leírt IC-s megoldású kapcsolást megtudja csinálni.
Mindekinek üdvözlettel: Toxik
Valóban " hihetetlen milyen emberek vannak "
*** Osztom a véleményedet, ezért is töröltem !
A felvonó tervezésére, gyártására, szerelésére külön jogszabályok vonatkoznak, mert az veszélyes üzem. (Villanyszerelők nem jogosultak felvonót szerelni, arra van egy külön szakma, a felvonószerelő (OKJ 33 521 03 0000 00 00.)
Én is simán tudnék neked egy működő felvonóvezérlést csinálni, akár diszkrét elemekkel, IC-vel, PLC-vel. Viszont nem ismerem a felvonókkal kapcsolatos szabályokat, nincsenek tapasztalataim, hogy milyen buktatók fordulhatnak elő, amiket csak a felvonóvezérlésben tapasztaltak tudnak. (Hogy mennyi ilyen lehet, arra akkor jöttem rá, mikor a régi cégemnél gyújtószikramentes rádiót kellett tervezni, és elbeszélgettünk a bányaműszaki felügyelőség szakértőjével.) Tervezési jogosultságom sincs felvonóvezérlés tervezésére, ezért a saját érdekemben (egy baleset esetén nem óhajtok börtönbe vonulni, de még bíróságra járni sem), és a Te éredekedben is, én sem fogok neked felvonóvezérlést tervezni, csinálni, mert annak nem csak működőnek, hanem biztonságosnak és szabályszerűnek is kellene lennie. (Ezek után engem is besorolhatsz a rosszindulatú felhasználók közé...)
Szoval még utoljára annyit hogy ezt az egész szerkezetet nem nevezném felvonónak max egy nagyobb méretü ételliftnek de ki mit gondol rólla első nekifutásra én is komolyabb szerkezetre gondoltam de ez végső soron egy csőrlő vezérlésének a módositása Off
Lehet, hogy furcsán hangzik, de szerintem sokkal egyszerűbb egy mikrovezérlővel megoldani az egészet.
-Hogy mire gondoltam? -Nem kell mindent agyonrelézni, mert az a kontakthibák melegágya. A Reed-relés szintérzékelés jónak tűnik. A problémák ott kezdődnek, hogy van egy áramszünet és két szint között nincs érzékelő,vagy elromlik egy érzékelő így a lift nem tudja, hogy hol van. Mivel nem lenne szerencsés, ha pl. a legalsó szinten lefelé, a legfelsőn felfelé menne, ezért ide külön végállásokat kell tenni. Az elgondolásom szerint kell 2db relé a motorvezérléshez. Az egyik az irányt adja meg, a másik meg rákapcsolja a feszültséget a motorra. (Esetleg egy 3.relé külön működtetheti a féket, ha esetleg nem a motorral együtt szeretnénk működtetni, bár sok értelme nincs.) A Szintérzékelő reed reléket az ajtó mellé, vagy alá/fölé tenném attól függően hol van elég hely, de a lift kabinra 2db állítható mágnest tennék, mivel a motor nem azonnal állítja meg a kabint, így a felfelé/lefelé való haladáskor nem ugyanott állna meg. Az ajtó nyitását szintén 2db relével oldanám meg (bár ez lehet 1db is, ha a mozgató motor áramkörét végállásokkal szakítjuk meg). 3db hívógomb kell és 1db stop gomb. Hogy mindegyik szintre ki van-e vezetve, az részletkérdés. -A szinteken lévő ajtónyitáshoz csak azt kell tudni, hogy áll-e a motor és, hogy az adott szinten van-e a kabin. Ha csak csomagok szállításáról van szó, akkor a kabinban nincs szükség semmilyen nyomógombra. Ha bármelyik ajtó nyitva van, akkor a lift azonnal meg kell, hogy álljon. A célállomásra érkezve kb.10 másodpercig várni kell, hogy legyen idő az ajtó kinyitására, illetve a ki/bepakolásra. Tehát a szükséges ki/bemenetek: Kimenet: 0:Felvonó motor fel 1:Felvonó motor le 2:Ajtó nyitás 3:Ajtó zárás Bemenet: 0:1.szint hívógomb 1:2.szint hívógomb 2:3.szint hívógomb 3:Stop gomb 4:Bármelyik ajtó nyitva 5:1.szint érzékelő 6:2.szint érzékelő 7:3.szint érzékelő 8:Akna teteje végállás 9:akna alja végállás remélem nem hagytam ki semmit. Szóval ezt mind agyonrelézni nem egyszerű. A többi már csak programozás kérdése. -Erre én egy ATMEGA8-ast használnék fel, mert elég sok ki/bemenete van és elég nagy a memóriája is. -A zuhanásgátló beépítése azért erősen ajánlott. A legegyszerűbb, ha a drótkötél egy laprugón keresztül tartja a liftet és ha elszakad, akkor a laprugó kiegyenesedik és két oldalt kinyomja a fékpofákat. Ezen kívül a csörlőre tekernék a másik irányból is drótkötelet és egy kis ellensúllyal segíteném a dolgát, hogy kevesebb terhet kelljen emelnie. Az ellensúly legalább akkora legyen, mint az üres kabin. Sok sikert, az építéshez.
Kb igy néz ki egy lift ajtó reteszelő a valóságban is
csak a végén van még egy kapcsoló ami érzékeli a zárást az elektromos azért nem ló mert áramszünet esetén nem működik és most már tényleg nem szólok többet
A hozzászólást azért írtam, hogy jelezzem, felelőtlenség hozzáértés és jogosultság nélkül felvonóvezérlést tervezni! Te, ahogy látom, úgysem fogadod meg, de lesznek még, akik fogják később olvasni ezt a topikot, azok hátha elgondolkodnak, hogy nem minden olyan egyszerű, mint amilyennek kinéz. Ha meg egyszerű (előző hozzászólásodban a felvonóaknákban lévő primitív megoldásokról beszéltél), lehet, hogy nem véletlenül az. Minél egyszerűbb valami, annál kevesebb a hibalehetőség benne.
Az sem véletlen például, hogy atomreaktorok szabályzórúdjai alacsony olvadáspontú fémre vannak felfüggesztve. Ha túlmelegedés van, nem kell hozzá se villany, se számítógép, se motor, se hajtómű, hogy működjön. Két dolog kell a működéséhez: gravitáció és fix olvadáspont. Na valami ilyen szemlélettel kellhet felvonókat is tervezni, ahol gondolni kell egy hiba esetén is működő további védelemre. Persze, majd mondod erre, hogy az a teherfelvonó nem atomerőmű, de azt kívánom, hogy ne kelljen ezen akkor elgondolkodni, ha netán valakinek a kezét csonkolja le egy hiba miatt, vagy csak lezúg egy teher, és kár keletkezik belőle.
Üdv!
Én az OTIS Kft-nél dogozom mint területi műszaki vezető (ami azt takarja, hogy több mint kétezer darab lif mozgólépcső és mozgójárda karbiját és szervizelését felügylem ) Nos a felvonó létesítése és üzemeltetése, csak külön jogszabályi megfelelőségek vizsgálata után lehetséges, de ha csak a technikai oldalát nézem akkor az alábbiak nak kell megfelenie egy felvónónak: 1: túlterhelés esetén nem induhat el 2: sebesség határoló és fogókészülék feszerelése kötelező, a fülke lezuhanásának megakadályozása érdekében 3: nem indulhat el a fülke bármely szinten nyitott aknajtóval 4: a vezélésnek meg kel különböztetni két funkciót: A-karbantartási menet B-Normál menet 5: aknajtók midegyikének rendelkeznie kel külön kulcsal nyitható biztonsági zármechanizmussal 6: áramszünet esetén is működtetthető mozgató mechanizmus 7: tűzjelzésre azonnal a földszintre kell hogy beáljon nyitott ajtóval. 8: végállás kapcsolókkal kel felszereni, hogy megakadályozza a felvonó túlfutását. stb...stb...stb... Ezek csak a főbb irány elvelek melyek be kel tartani ahoz, hogy a felvonód biztonságosan működtesd. Ezen kívű l még legalább 20 biztonsági volanak lenie kel egy hivatalos EMI-TÜV által elfogadott felvonónak. Én a helyedbe rábiznám egy felvonós cégre az egész megtervezését és kivitelezését, mielőtt arra ébrednél , hogy lesitteltek. :no:
Sziasztok,
Bocs, hogy így évekkel később, de most akadtam a topic-ra... Azért én nem felejteném ki a szinthez közeledést jelző érzékelőt vagy speciális kas külső kapcsolót, ami lassított tempó mellett részben biztosítja a teljes felvonószerkezet stabilitását és biztonságát, továbbá a szintezés jóval egyszerűbb így a kisebb sebességgel történő szintbeérés miatt. Ez személyi és teherfelvonó berendezésnél egyaránt fontos szereplő. Természetesen így már a kimeneteid száma is nő egy motor lassú és motor gyors paranccsal, ezt sem árt ellátni egy forgásfigyeléssel, ami nem engedi az áttételt hirtelen gyorsítani/lassítani, hanem azt is fokozatosan tenné a motor.
Olyan kérdésem lenne, hogy teherfelvonó kezelésére jogosító tamfolyamot hol tudok Budapesten elvégezni? Ismerőssel kaptunk bérbe egy helyiséget, amihez tartozik egy karos működtetésű teherfelvonó, amit szeretnénk ,,bármikor" igénybevenni, de jelenleg még kisérő kell mellénk, mivel nincs ilyen ,,végzettségünk" ! Előre is köszönöm a választ!
Például itt.
Sziasztok!
Segítségetekre lenne szükségem. Iskolai beadandóként egy egyszerű Kétszintes teherliftet kéne megvalósítanom relékkel/mágneskapcsolókkal a WSCAD program segítségével de sajnos nagyon kevés ismeretem van hozzá. Ha bárki tud segíteni, hogyan kezdjek neki vagy esetleg valami hasonló munkát mutatni, annak nagyon örülnék. Válaszokat előre is köszönöm!
Ha olvasni is hajlandó lennél akkor fel sem kellett volna tenned a kérdést ! Itt a témában (1 oldal) van 3 rajz . Szami PDF je tökéletes ..
A hozzászólás módosítva: Máj 5, 2018
A kérdésem át lett rakva ebbe a témába. Én nem láttam ezt, teljesen új témában nyitottam meg a kérdést.
|
Bejelentkezés
Hirdetés |














