Fórum témák

» Több friss téma
Fórum » Index javítása, építése
Lapozás: OK   1 / 5
(#) Swat hozzászólása Jan 14, 2007 /
 
Helló


Segítséget szeretnék kérni
hogyan is müködik az indexrelé és hogy van a kapcsolása


A motoromnak az indexreléje kiégett és nem akarok másikat venni(mellesleg ugy tul könnyü lenne )

Egy autóból kivettem egy indexrelét és egy lámpával kiprobóltam hogy müködik e de nem müködött nem tom hogy én kapcsoltam rosszul vagy eredetileg rossz volt
(#) Balu válasza Swat hozzászólására (») Jan 14, 2007 /
 
Hát hány darab lába van? Mert ha kettő akkor valszeg sorba kell kötni... nekem ilyen volt :yes:
(#) Müszi válasza Swat hozzászólására (») Jan 14, 2007 /
 
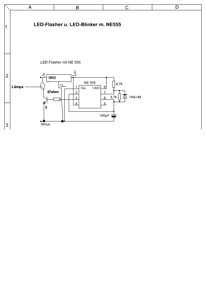
Sztem 555-tel csinálj egy 1ledes villogót tégy rá egy tranyót --@>irányváltó kapcsoló és mehet a lámpákra
(#) Müszi válasza Müszi hozzászólására (») Jan 14, 2007 /
 
(#) Krisz03 válasza Müszi hozzászólására (») Jan 14, 2007 /
 
Hali!
Én ezt az elektronikus indexrelét használom. Jó LED-hez, és izzóhoz is, tehát nem függ a villogási sebesség a terheléstől.
Ha két kivezetéses az a relé is, akkor nyugodtan lehet ezt is használni helyette.
(#) Feri hozzászólása Jan 14, 2007 /
 
Az előző hozzászolásokban körölt rajzok bármelyike jól használható. Én a bekötésben próbálok segíteni.
Az elektronikus reléknek három kivezetése van.
szabványos jelölések:
49 számú csatlakozó ( álltalában fekete) +
31 számú csatlakozó ( álltalában barna) -
49a számú csatlakozó ( álltalában fekete szines csikkat)
lámpákra menő +

Jó kisérletezést.
(#) Swat válasza Feri hozzászólására (») Jan 14, 2007 /
 
3 lábas a relé



én ezt a relét akarom felhasználni nem akarok más alkatrész venni!!!

3 lába van akkor hogy kell kötni?
(#) Feri hozzászólása Jan 14, 2007 /
 
Van valami jelőlés rajta esetleg gyártmány.
a csatlakozóinál milyen jelölések vannak?
(#) Feri válasza Swat hozzászólására (») Jan 14, 2007 /
 
Van valami jelőlés rajta esetleg gyártmány.
a csatlakozóinál milyen jelölések vannak?
(#) Slope válasza Swat hozzászólására (») Jan 14, 2007 /
 
tudom ajánlani a keresőt!

Ledes index
http://www.hobbielektronika.hu/forum/topic_970.html

Egyébként az a gond az autós relével, hogy kevés az index izzókon átfolyó áram (kisebb teljesítményű izzók vannak motorban) a relé működéséhez...
(#) krisztianszep hozzászólása Jan 15, 2007 /
 
sziasztok index kapcsolást keresek 24V os áramkörbe vagyis egy olyan kapcsolást keresek amivel az irányjelzőrelé kiválátása lenne a cél.
Tisztelettel Szép Krisztián
krisztianszep@freemail.hu
(#) Müszi válasza krisztianszep hozzászólására (») Jan 15, 2007 /
 
555-tel csinálsz egy 1 Ledes villogót, a kimenetét egy 47 ómos ellenálláson keresztül egy BD243C-t a bázisára, emmiter a földre kollektor a választókapcsolóra, és úgy a lámpákra.
Az 555 tápja elé tegyél egy 7812-t!

Üdv.: Müszi
(#) Müszi válasza Müszi hozzászólására (») Jan 15, 2007 /
 
Ez lesz a neked való!
Tranyó: BD243C!
(#) Swat válasza Müszi hozzászólására (») Jan 16, 2007 /
 
DE MONDOMTAm én a meglévö relémet akarom felhasználni


ez van ráirva:
-DOT/SAE
J590b/J945
A (be van karikázva) 71 90 41



másik oldalán
ford 68125
8566 13350 AA
Blinkeber
12V-
2(4) x 21W + 4 W


a 3 lábhoz 49, 49a , 31


kiprobáltam a kocsiban müködik de ha csak simán kapcsolom egy izzoval ugy nem müködik
(#) Müszi válasza Swat hozzászólására (») Jan 16, 2007 /
 
Krisztianszep-nek válaszoltam!
(#) Feri válasza Swat hozzászólására (») Jan 16, 2007 /
 
Nézd meg ezt a hozzászólást (#59576) ebban pontosan leírtam mit kell csinálnod. A pontos bekötést is itt írtam le.
(#) krisztianszep hozzászólása Jan 16, 2007 /
 
sziasztok
nos hogy az elképzelésemhez kicsit közelitsek
alap helyezetbe n ajarmun 24 V feszültség van egyébként 600 V üzemi feszültség. mert ez egy villamos eddig relével van megoldva a jobb és a bal oldali indexelés megoldhato egy elektronikával?? mert a relé azt sürüben 2-3 havonta kell cseélni...

Ötlet??
(#) Swat hozzászólása Jan 16, 2007 /
 
De én az index müködését és a kpacsolsát kérdeztem hogy hogy kapcsoljam és hogy a számok mit jelentenek!!!!!!!!!!!!!!!!!!!!!!!!!!!!!!!!!!!!!!!!!!!!!!!
(#) Slope válasza Swat hozzászólására (») Jan 17, 2007 /
 
Bár vasárnap már írtam, hogy van egy másik ugyanilyen topik és abban egyszer már leírtam, most mégegyszer elmondom (mielőtt még eldurransz )

Szóval az index relében van egy kis szál, ezen a szálon folyik át az index izzóinak árama. Ahogy felfűt a szál megnől a hossza és elejt egy érintkezőt, az érintkező egy relét működtet. Alapesetben a szál rövid tehát az érintkezők zártak, az index izzó világít. Az izzókon átfolyó áram a szálon megy át, aminek következtében az felmelegszik és a hossza megnő (hőtágulás) ez elejti a kapcsolót és kikapcsolja a relét, a relé meg az izzót. Ha a szál visszahűlt újra bekapcsolja az index izzókat.
Már rég szedtem szét index relét, így elképzelhető hogy néhány dologban tévedtem, de az alap működés ez. (lehet hogy kikapcsolt állapotban fűti a szálat, majd az elejtett kapcsoló húzza be a relét(már nem emlékszem pontosan ))
A 2(4)×21W azt jelenti, hogy 2 21W-os izzót működtet irányjelzésnél, 4 izzót elekadásjelzőnél. A +4W a visszajelző izzó a műszerfalon.
A 49-re kösd a +12V-ot, a 31-re a testet (0V). A 49a a kapcsolt szál, vagyis ide kösd az izzó egyik felét, az izzó másik felét megint a testre. Ha ezek után sem villogtat, akkor kicsi az izzón átfolyó áram, aminek következtében a szál nem melegszik fel eléggé, hogy elejtse a kapcsolót. Motoroknál nem 2×21W az index izzó teljesítménye, szóval elképzelhető...
Ebben az esetben tehetsz be nagyobb izzókat, vagy söntölheted a relét a nagyobb áram miatt, de ezt nem ajánlom, mert nem fogja bírni a generátor (a motorban nincsenek akkora áramok mint egy kocsiban... nincs rá szükség)
Üdv!
(#) Feri válasza Swat hozzászólására (») Jan 17, 2007 /
 
Nem értem akérdést SLOPE és én is egyértelmüen leírtuk, hogyan kell bekötni az index relét,
ha ebből nem tudod bekötni, ne is próbálkozz mert lehet hogy több kárt csinálsz mint hasznot.
Inkább kéj meg valakit aki ért hozzá, hogy segítsen.
(#) Feri válasza Slope hozzászólására (») Jan 17, 2007 /
 
Majdnem teljsen igazad van .
A régebbi relék úgy működtek, hogy volt bennük egy bimetál kontaktus ami zárt kapcsoló estén az izzon keresztül felmelegedett és nyitott a nyitás után megszakadt azáramkör és a bimetál elkezdett visszahülni.
Amikoz lehült ujra zárt ez a folyamat ismétlődött mindaddig mig a kapcsló zárva volt. Ezért itt elég volt két érintkezőre a bekötéshez a hrmadik ebben az estben C jelöléssel egy kontrol lámpa pont volt .
A mai relék elektronikusak és egy ütemadó áramkör van bennük, de vannak mindenféle extrákkal bővitettek ezeknek már öt-hat kivezetése van és jelzik az égők hibáit is.
(#) Peti.Janka hozzászólása Jan 30, 2007 /
 
Sziasztok! nekem eggy olyan kérdésem van hogy át lehet e alakítani úgy eggy index relét hogy ha csak eggy pillanatra megnyomom az indexkart akkor mondjuk 3at-4et villan még magátol, illetve hogyan lehetne ezt megoldani?
(#) phc hozzászólása Jan 30, 2007 /
 
hát hogyne!
fogsz egy tranzisztort egy kondit és egy ellenálást.

az inexkar feltölti a kondit ami től a "bázis kinyit".
legyen a kondi pl 10µF a tranyó bc182
de mivel a tranyót a kondi hosszú ideig nyitvatartaná ezért kell az ellenállás ami megfelelő idő alatt kisüti.
Ja és a bc182 nem bírja el az indexet, ezért vagy darlingtonba kötöd egy telljesítménytranyóval (BD249 BD250) vagy köcc rá egy relét.
(#) Feri válasza phc hozzászólására (») Jan 30, 2007 /
 
Bocs, hogy beleszolok csak arra hívom fel a figyelmet, hogy ez gyári kapcsolásnál nem müködik.
Mert ott a relé kap direkt áramot és a reléről megy a kapcsoéóra. Itt már a szaggatott jel van.


(#) phc válasza Feri hozzászólására (») Jan 30, 2007 /
 
A ffranc igazd van. Elcse** tem bocsi
de hogy a ...
Na mind egy tévedni emberi dolog.
(#) Peti.Janka hozzászólása Feb 7, 2007 /
 
Sziasztok! nekem van eggy olyan gondom hogy 2 darab 24v 5W os égőt kellene vilogtatnom 24 voltos aksirol tudnátok ebben segíteni? előre is köszi a válaszokat!!!
(#) Frankye válasza Peti.Janka hozzászólására (») Feb 7, 2007 /
 
Akkor egy 555-ös köré épített, relés megoldást javaslok. (Ha megmondod, hogy a 2 izzót felváltva, vagy együtt szeretnéd villogtatni, és hogy milyen frekvenciával, akkor esetleg tudok kapcsrajzot is készíteni. De a neten kismilliót lehet találni.)
(#) Peti.Janka válasza Frankye hozzászólására (») Feb 7, 2007 /
 
Hali! egyszerre kellene villognia a két égőnek! kb olyan frekivel mint eggy irányjelző. Eggy Iveco darujára kellene szélességjelzőnek viszont bírnia kella tartós üzemelést is mert lehet olyan hogy orákig villognia kell.
előre is köszi a segítséget!
(#) Feri hozzászólása Feb 7, 2007 /
 
Csinálj egy 555 ic-vel ütemadót 1s ciklussal csa arra figyelj ,hogy ne relét hanem teljesítménytranzisztoros véggel mert a relé hamar tönkremegy a fojamatos üzemtől.
(#) Peti.Janka válasza Feri hozzászólására (») Feb 7, 2007 /
 
Hali! az a baj hogy én annyira nem értek ezekhez hogy magamtol kitaláljam csak valami kapcsrajz alapján meg tudnám csinálni. találtam sok ijet csak mind 12 v ra volt nekemn viszont 24v-ra kellene.
Következő: »»   1 / 5
Bejelentkezés

Belépés

Hirdetés
XDT.hu
Az oldalon sütiket használunk a helyes működéshez. Bővebb információt az adatvédelmi szabályzatban olvashatsz. Megértettem