Fórum témák
» Több friss téma |
Fórum » LED-es kivezérlésjelzők
Témaindító: KeserűCukor, idő: Márc 27, 2006
Témakörök:
Nem is láttam még ezt a Google felületet,de nagyon tetszik
Nem azoknak fejlesztették ki,akik nem szoktak keresni rajtuk?
Szia
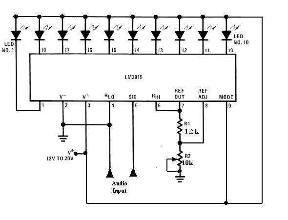
Ha nem haragszol én az alábbi kapcsolást javasolnám. Az általad csatolt fájlok két kis egyszerű kapcsolást rejtenek,amikről én személy szerint nem tudom,hogy működnek-e. Amit Én tudok Neked ajánlani az ugyancsak lm3915-el felépített kapcsolást,és ugyanolyan egyszerű,mint az általad csatolt kapcsolás. És ez működik,mert megépítettem. Ha bekapcsolás után világítana az első két led(holott a többi nem,mikor nincs is audio jel),akkor tegyél az ic 1-es,és hármas lába közé egy 10K ohm os elllenállást. Tomi Neked is Búék
Ebben a témában biztosan van. Olvass vissza, listázd ki a képeket. De saját magadnak sem tart sokáig megcsinálni, esetleg össze is lehet pókolni, vagy lyukraszteres nyákon is összedobhatod, ez utóbbi talán a legjobb megoldás, mondjuk attól függ, hogy milyen használatra lesz. Ha csak kipróbálni, akkor lyukraszteres nyák! Üdv!
Az erositombe kene , es valami profit akarok
Akkor pedig ne bízz senkiben, tervezd meg magad. Az lesz a tuti. Sok hibás nyákterv terjeng a neten. 10percbe telik kb, amíg leírtad ezeket a sorokat, már félig készen lenne. Üdv!
Az LM3915 IC-vel vezérelt kivezérlésjelzőt úgy akarnám megoldani hogy 20 ledet tudjon meghajtani...
Ha valaki tudna segíteni a kapcsolásban nagyon megköszönném mert kezdő vagyok még.
Benne van az adatlapjában. Ha nem világos, kérdezz.
sziasztok kaptam egy motort amin van egy tachogenerátor. a motor max 3100 at forog ekkor 31 voltot ad a tg. 10 es ledsorral szeretném nézni a fordulatszámot. milyen megoldást javasoltok?
Idézet: „milyen megoldást javasoltok?” Hogy előbb tanulj meg írni, légy szíves, és majd utána, normálisan (nagy mondatkezdő betűk, írásjelek, szóközök) tedd fel a kérdésed!
Köszönöm kritikus hozzászólásodat, annak ellenére hogy kioktató hangnemű. A hozzászólásoknak szerintem nem a fórumozók irodalmi nyelvvel való megismertetése a célja, hanem problémáik megoldása.
Tehát Frankye kérésére újra.
Sziasztok. Kaptam egy motort, amin van egy tachogenerátor. 1000-es fordulatra 10V-tal válaszol. A motor maximális fordulatszáma 3100 1/min. Ebből adódóan 31 Volt feszültséget kapok. Azt szeretném megoldani valahogyan, hogy egy 10-es ledsorból annyi világítson, amennyi éppen a motor fordulata, tehát 3,1 voltonként eggyel több világítson.
UAA180-as IC-t használhatsz (lin). 12 Ledes. Ha ez probléma, akkor LM3914-15 (lin / log), ami 10 LED-es. A 31V-ot egy 10-es ellenállásosztóval csökkented, így a maximum 3.1V lesz. Az IC referenciafeszültségekre pedig beállítod a határokat: Ref_min olyan 0.1V (A zavarok miatt), Ref_max=3.1V . Egy kis teszt, akár egy változtatható feszültségforrással, és kész. Sok kapcsolás van ebben a topicba, csak át kell nézni őket. UAA olcsóbb, azért ajánlottam. Üdv.
Bővebben: Link
Irodalmi nyelvről szó sincs, csak elemi szabályokról. Meg ugyan már, műszaki emberként ne menjünk le egy adott szint alá! Ne duzzogj! Tudsz Te rendesen is írni!
És ennek összesen mennyi feszültség kell?
Az van ott, hogy "10V full scale", azaz 10V-nál fog az utolsó LED is világítani.
(Meg kellene nézni azt is, hogy mit jelent a csillag, meg a kereszt a rajzon.)
Hello!
Ebből az LM3915-ből kettőnél többet is össze lehet kapcsolni ? Ha igen, hogyan ? Köszönöm előre is Bővebben: Link
Hello!
Természetesen többet is össze lehet kötni, de azért vannak határai (meg aztán értelmetlen is). Az adatlapon megnézheted, hogy mekkora a maximális és minimális feszültség és főleg feszültség különbség, a Ref-hi és Ref-lo lábak között. Viszont az LM3915 logaritmikus skálájú és a mellékelt kapcsolásban -40dB az alsó lépcső. Az alatt mit szeretnél látni? (1:100 feszültségben) 3db lineáris LM3914 kapcsolást, Vicsys tett már fel a hőmérőknél, ott megnézheted. üdv! proli007
Sziasztok.
Az LM3915 IC "Audio Power Meter" funkcióját szeretném használni 8 Ohm-ra. Tudja valaki,hogy milyen értékeket kell megváltoztatnom ahhoz,hogy ne 0-100W-os skálázásban hanem x-200W-os intervallumban mérjen? Már, ha egyáltalán lehetséges.(remélem érthető volt )
De a rajzon van egyszer a 10V meg van olyan is hogy 12-20V...
Hello!
Az IC alapvetően feszültséget és nem teljesítményt mér. Az adatlapi kapcsolásban a referencia feszültség 10V. Tehát a kijelző utolsó diódája akkor fog világítani, ha az R2 ellenálláson 10V mérhető. Mivel 8-ohm-on 40V feszültség adja a 200W-ot (P=U^2*R), R2/R1 osztásarányának 1:4 arányúnak kell lenni. Ha R2 10kohm, akkor R1-hez 30kohm-ot kell választani. Ha az R-Lo feszültségét nem a GND-re kapcsolod, hanem a referencia feszültség leosztott pontjára, akkor nem nullától, hanem magasabb feszültség (teljesítmény) értékről kezd el mutatni. üdv! proli007
Vááá
![]() Köszönöm szépen a segítségedet. Sejtettem,hogy valami ilyesmi lesz. :taps:
Köszönöm. A 3914-re gondoltam, csak rosszul írtam
![]() üdv
A 10V a bemenő fesz, a 12-20V meg a táp.
és akkor ezt lehetne működtetni valamilyen ellenállással 12V-os szimetrikus trafóról?
Hello!
Most látom, hogy a képletet elírtam. Természetesen a P=U^2/R a helyes. üdv! proli007
Szia.
Akkor így helyesebb igaz? ![]() Marha jó ötlet ez a képletszerkesztő. |
Bejelentkezés
Hirdetés |












