Fórum témák
» Több friss téma |
Na leltem egy multiplexes kapcsolást. a stroboszkópos részt valaki megtervezni nekem? az a lényeg hogy az ic-től a jelet kapja és külön 12 volt hajtsa a ledeket (persze oda illő ellenállással). (Nem vagyok nagyon jártas az elektronikába, de nagyon érdekel
)
Működött a deluxével szóval az elképzelésem OK.
![]() most már csak a stroboszkópot kell megtervezni ![]() ![]()
Meg van a probléma
Elvittem a gépet egy pc-s csávóhoz és azt mondta hogy nem kompatibilis a viszta az egész rendszerrel... úgy hogy olyan megoldással csináltam meg mint a ledes srtoboszkópom hogy rá van kötve az erősítőmre és basszusra villog.Sajnos így nem olyan mit az eredeti hogy külön külön villannak fel a ledek,hanem egyszerre. De végülis olcsóbb mint ha megvenném az xp-t. Köszönet a segítségekért:peppejoe,georgee,és zenetomnak Idézet: Na erre nem mondok semmit „De végülis olcsóbb mint ha megvenném az xp-t.”
Most kivételesen zenetom mellé kell álljak.
hát igen. mibe nem kerül egy JOGTISZTA ÉRVÉNYES LICENSZEL RENDELKEZŐ XP.
mondjuk igaz hogy az egyik legstabilabb rendszer amit a microsoft gyártott. De ne offoljunk tovább Idézet: „mondjuk igaz hogy az egyik legstabilabb rendszer amit a microsoft gyártott” Szerintem meg ne mondjuk
Nekem csak a gondok vannak az XP vel.
Nekem bajom nincs az XP-vel. ellentétben a vistával és a többivel (95-98-2000-milleneum-vista) mondjuk sose lesz olyan egyik oprendszer se mint a LINUX
nekem 1 évig működött az xp egyhuzamban formázás nélkül, akkor is vírus végett kellett újrarakni
Nekem sincs. A legtöbb programot XP alá írták (sajnos a vírusokat is), viszont hiába szidjuk így-úgy, mégis ezt használják a legtöbben (bár elég sokan állnak át mostanság a win7-re), nade tényleg ne offoljunk.
Na vége off-nak
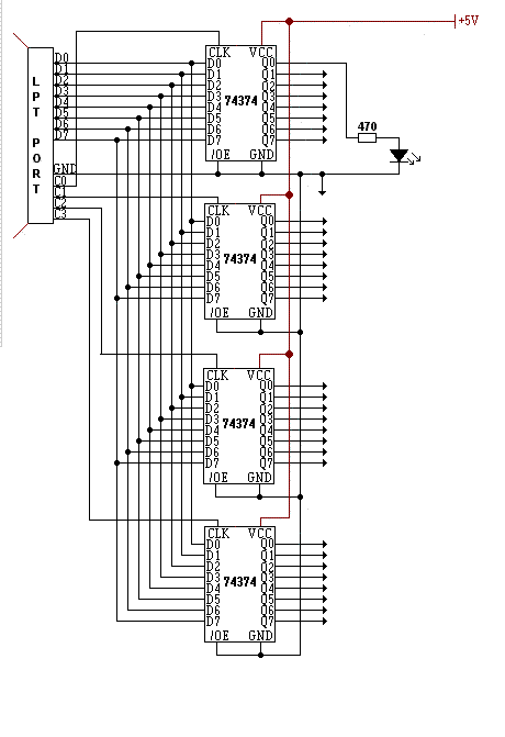
szóval hogy lehetne megcsinálni azt hogy: lptről vezérlek 50db ledet ami máshonnan kap feszt ami 12volt hogy én mennyit gondolkodtam ezen a mondaton
Az 50db LED-et egyenként akarod vezérelni?
nem. 50db-ot egyszerre. engem nem is az lpt-s része izgat hanem az hogy leválasszam azt az 50db ledet és máshonnan adjak tápot mert az lpt édeskevés ennyi lednek
De ha már nekünk van 8 db adatvonalunk (van még plusszba 4 de ebbe nem akarok belemenni), akkor szerintem jobb lenne 8x6 db-ot villogtatni, és akkor így 8 "csoportot" tudsz külön-külön villogtatni, vagyis uyganaz mint a LEDshine, csak a tranyó után 6 db LED-et raksz és nem BC182-t, hanem valami izmosabb BD tranyót használsz
Hát most nézem meg jobban ezt a kapcsolást. az a +5v adná a ledeknek a tápfeszt?
Kell hozzá tranzisztor is! Ha erős fényű ledre gondolsz.
Valamiből fénynek is kell lenni
Konkréten ha power ledet akarok hozzárakni (1w) akkor mi kell hozzá? milyen tranzisztor? egyáltalán van ami ekkora teljesítményt elbír?
Attól függ mekkora feszű (ill. áramú a LED), bár szeritem ehhez már valami komolyabb táp (áramgenerátor?) kéne.
Egyet értek veled! Amugy szerintem kis fejszámolás, meg valamilyen izmosabb BD *** tipusú tranzisztor
sziasztok
lenne egy kérdésem... van ez a led shine progi, szeretnék ezzel meghajtani simán 8 ledet. meg van hozzá minden, annyi a gond hogy nekem nem volt már a gépembe integrálva LPT kártya így vettem egyet amit PCI slotba be is raktam. Viszont a program nem kezeli ezt a kártyát ahogy én észre vettem. Van a programnak egy Hardware Output gombja ott lehet kiválasztani a kimenetet, gondolom én , de ami nekem van kártya ahhoz nincs DLO most mi tévő legyek légyszi segítsetek! ezt írja ki az eszköz kezelő:
ha jól tudom, akkor a biosban kell megpiszálni a kártyát! Nem vagyok benne biztos.
Sziasztok
Én is építettem egy ilyet jól működik. ![]() Csak múltkor kiéget egy tranyó. :S ![]() Nem tudnátok megmondani hogy a usb->LPT átalakító működik-e? Kipróbálta már valaki? mert láttam 2800,- Csak ha nem működik akkor nem dobnám ki rá a pénzt. Meg azt szeretném megtudni hogy lehet kezelni ezt a winamp plugint.:S Valaki Képekben megtudja mutatni a lépéseket?:$ Meg hogy lehet pl Laptopra kötni ezt? (tudom van ilyen kártya amiből LPT jön ki csak az elég drága dolog) Mert szilveszterkor csak egy laptopról menne a zene és valahogy arra szeretném.:$ Sikerült már valakinek USB-re átalakítani ezt a ördögi masinát? ![]() Egy TIPP: Nemtudom hányan probálták már meg. ![]() Ha valaki kevesli a fényt akkor pl: alufóliával meglehet csinálni hogy tükrözze a fényt így sokkal erősebb lesz ![]() CSAK ÜGYELNI KELL HOGY EGYIK ALKATRÉSZHEZ SE ÉRJEN HOZZÁ!!! Elöre is köszi mindenkitől a válaszokat ![]()
Heló. Megépítettem a ledshine-t és szépen működik.
Most az lenne a kérdésem hogy hogyan lehetne 230voltos izzókat vezérelni a nyomtatóportról? Válaszokat köszöni eter
Leltem kapcsolást
Ráadásul itt a HE-n. 220voltos vezérlés topikba. Szünetben ha lesz időm meg is építem További szép napot
Hát nem tudom milyen kapcsolás az de szerintem meglehetne oldani egyszerüen hogy a ledek elé egy fényérzékelő diodát tennénk ami összevan kötve egy 230V égővel.
SzerinteteK?
Helló!szerintem ő úgy gondolta hogy a fényérzékelő diodát beteszi a led mellé elé és ezáltal kapcsolja a 230as ágat...legalábbis szerintem!
|
Bejelentkezés
Hirdetés |




)



Konkréten ha power ledet akarok hozzárakni (1w) akkor mi kell hozzá? milyen tranzisztor? egyáltalán van ami ekkora teljesítményt elbír?


eter 



