Fórum témák
» Több friss téma |
elöször is elnézést kérnék ha már a téma létezik, kerestem a keresöben de nem találtam.
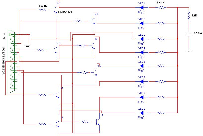
Led shine kapcsolása megtalálható a kapcsolások->Fényefeffeltek-en belül. Az lenne kérdésem hogy miért nem villog??? jel az van lpt portól mert mikor a gépet bekapcsolom akkor felvillanak a ledek, de mikor a ledhez ajánlott programmal szeretném meghajtani a ledeket akkor sajnos nem villognak, csak 1 led villog egy folytában. Ha valaki megcsinálta ezt a kis fényt és van valamilyen tapasztalata az légyszi irjon. köszi
Nekem működöt annó!
Ugyan azt a kapscolást csináltad meg? Vagy újratervezted schematic alapján?
ugyanazt csináltam meg. meilyk az a schematic???
én anno nem azt csináltam meg ammi ott fent van... hanem ujraterveztem ez alapján eagle-be!
devil jó neked hogy sikerült. én már nem is tudom mit csináljak. Neked az a program hajtotta rendesen??
Mekkora táppal működteted? Lehet csak a ledek nem bírnak kinyitni....
vagy eseteg meg kéne nézni hogy a tranyók nyitnak-e...
hát két táppal próbáltam . volt egy 6v 450ma de kipróbáltam 12v 600ma, de ugyanez volt a hatás. már vagy 100szor átnéztem de minden ugyvan ahogy a kapcsolási rajzon,
Eagle help: Eagle NYÁKTERVEZŐ
hát igen.... sztem a táppal lesz a baj akkor... 12-15V között ajánlott.. de ki lehetne számolni pontossan sztem!
hűha. gép 12 v-ja jó lenne vajon??? abba már van amper rendesen!!!
???????
na megpróbálom ezzel az áttervezett cuccal hátha. köszi
Nem lehet, hogy aza "port95nt" kéne? Vagy már fel van telepítve?
port 95 nincs feltelepitve. az az lpt portot rakja fel??? honnan tudom letölteni?
Az "LCD kijelző a PC-re" című kapcsolás szoftver oldalán van. Ez engedélyezi XP alatt az LPT használatát. Asszem.
hali mindenkinek
csak szeretnék szólni hogy a hozzá ajánlot progi nem épp arra való, Ehhez . csak azért mondom mert mi már több gépen is próbáltuk de nem ment, port95nt -vel se ![]() inkább ezt: ez vagy ezt ajánlanám hozzá( ez tök jó): ez csatoltam egy sémát a relais timer-hez amit én csináltam, nagyon jó! hayabusa: nemtudom írta-e már valaki, de először próbáld ki csak simán 1 ellenállat + 1 ledel. ha ok, jöhet a többi led meg a tranyók. üdv
Hali mindenkinek, nem a jószággal van a baj hanem a programmal. amikor fel tettem rosszul csomagoltam, ezért én kérek elnézést.... A PROGRAM
Szia!
Azért nem működik mert a kapcsolási rajzon elvan írva, ne 1-től 8-ig (portra) kösd a gépedre, hanem a 2-es porttól a 9-esig!!! Mert ezekene a portokon tudsz adatokat küldeni, ha így átforrasztod, akkor működni fog! Én is megcsináltam azt a kapcsolást, én is inne szedtem és ugyanez volt a bajom mint neked, én nem változtattam a kapcsoláson semmit, cask amit az előbb leírtam, hogy 2-től 9-es portra kell kötnöd a ledket!!!
Igen amikorterveztem a kapcsit akkor volt az h reflexből az 1re tettem, mert be volt jelölve. Amugy agnd 19-25ig van
Hali!
Tudom hogy ez nem volt kérés... de án átterveztem anno magamnak... nem éppen discofény de látványossan megvalósítható a programban létrehozott effektek nem csináltam mást mint Dj George tervét terveztem át 1 sorban felépített led panelra.Végtelen sok variációban felépíthető ez a fényeffekt! köszöntem az eredeti terveket
Sztem nem lenne hülyeség 1 ilyet kivitelezni RGB ledekkel is
nagyon frankó lenne sztem...
sőt.. lehetne egy mikrovezérlővel csinálni neki pár saját progit is.... és nem szükséges hozzá így álandó PC kapcsolat
nagyon beindultam.. asszem meg is tervezem
hmm.... igazából lehet elnagyoltam... de ennyivel megoldható 1 külön vezérlés is sztem neki... szóljatok ha tévedek vagy ha valamit lehagytam... ezt az LPT oprt helyett lehetne csatlakoztatni... meg külön ráadni a 12V-t és mehet is
Egyenlőre ez így tudna 1 prg-t... de kis okosságal... belevihető lenne 1 nyomógomb vagy 1 infrás távirányító... és a prg-k között lehetne választani is Jah: amúgy ez 1 PIC16f628...
Sziasztok!
Szerintetek megoldható az, hogy megépítem ezt a kapcsolást és a ledek helyére optokaput tennék nem ledet. Egy másik egyszerű kapcsolással meg lehetne azt oldani, hogy ne ledek villogjanak, hanem nagy refik. (amúgy ha elcseszek valamit nem nyírja ki a gépet? )
Psze,megoldhato.A Te baratod a szilardtest rele.
sikerült megcsinálnom. a dj george által ujraküldött programok segitettek, ugyhogy nem a masinával volt a baj. müködik szépen. az 1es portot már nem használom. köszönöm mindenkinek aki segitett
Van valakinek 5 lete hogy USB-re hogy lehetne megoldani a fényt??? Mert ez az LPT sok helyet foglal....
|
Bejelentkezés
Hirdetés |








) 




