Fórum témák
» Több friss téma |
Fórum » Fényorgona
Szia!
Ezek szerint a 10k-s ellenállások is potik? Köszönet!Üdv!
Nézd el a sok kérdést, de most már jó lenne a dolog végére járni.
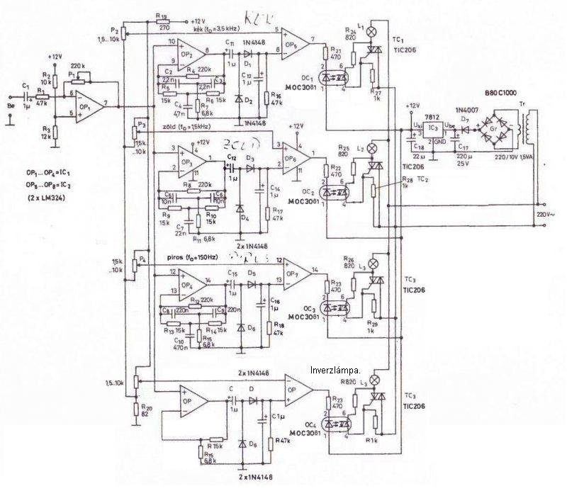
1. Kicsit belerondáztam a kapcsolásba, nézd meg légyszíves így képzelted-e? 2. Hogyan lehet a szünetlámpa szintjét állítani? 3. Tetszőleges OP-ot használhatok, vagy csak az LM358 jó ide (az egy elég specifikus műveleti erősítő, mint arra Attila86 már felhívta a figyelmem)? 4. Gondolom nem indokolt feltétlenül hálózati feszültségről járatni a triakokat, adhatok nekik 12 vagy 24V-ot is? Ez azért lenne érdekes, mert LED-ekhez talán kényelmesebb lenne a kisebb feszültség. 5. Mivel nem értek a Triakok lelkéhez, ezért talán bárgyú a kérdés, de akkor se tudom. Egyenáramról is táplálhatom (ez szintén praktikusabb lenne a LED-ek miatt)? Persze akkor már a nullátmenet figyelő részre nem is lenne szükség
Hello!
Dehogy - kissé túlkomplikálod a dolgot... Ennek az erősítőnek az erősítését, a 22kohm és a 10kohm hányadosa határozza meg. Tehát itt 2,2-szeres egy-egy bemeneti csatornára nézve. A két csatorna közötti erősítést nem érdemes állítgatni (mert az egyfajta "balansz szabályzó" lenne), az R és L jelszintjének egyformának kell lenni. Az invertáló kapcsolás, tulajdonképpen egy összeadó, így a sztereó bemenetből egy mono kimenet lesz. Ha az első fokozat erősítése helyesen van megválasztva a jelforráshoz képest, akkor az nem vezérelődik túl, de elégséges jelet ad a szűrők meghajtásához. Azoknak a bementi jele pedig külön-külön már állítva van a potikkal. A Line kimenetek jelszintje készülékeknél közel azonos nagyságúnak kell lenni. Tehát az erősítést a 22kohm egyszeri cseréjével a készülékhez lehet állítani. üdv! proli007
Hello!
Őszintén szólva, már eltévedtem... - Ebben a kapcsolásban az optót meghajtó IC-k komparátor üzemmódban működnek. Tehát, pld. ha a jelszint a D1/D2 demodulátor után meghaladja a P2 potin beállított értéket, az L1 lámpa bekapcsol. Ha alatta van, kikapcsol. (azaz a zene dinamikájának ütemében "villog") - Az általam rajzolt kis áramköri rész, tulajdonképpen egy analóg IC-vel megvalósított, negatív logikájú "VAGY" kapcsolás, hogy bármely lámpa bekapcsolása esetén a "sötét lámpa" kapcsoljon ki. Csak egy kis időbeli integrálással kiegészítve, hogy ez ne azonnal történjen, hanem amikor már "csend" van. Hiszen valahol ez volt a cél. - A triac-os rész, csak ki-be kapcsolja a lámpákat, a nullponti kapcsolás, csak az izzónak és a hálózati zavarok csökkentésének jó. Tehát az izzóra jutó teljesítmény nincs szabályozva, azaz nincs fázishasításos vezérlés itt!! - Te viszont úgy látom, nem ezt szeretted volna, így nem értem, miért erről a kapcsolásról beszélünk. De szerintem nem győződtél meg arról, hogy a Led-ek fényereje mennyire szabályozható, és hogy annak kialakításának meg lesz-e az érdemleges eredménye. Tehát nyújt-e valami többletet vagy sem. Szerintem ezeket a kérdéseket kellene először tisztázni, és ez után szívesen válaszolok a többi kérdésedre is.. üdv! proli007
Most már tényleg nem látom én se a fényt a homályban. Mindösszesen annyit tettem, hogy EZT a hozzászólásodat belerajzoltam a kapcsolásba a leírásod szerint. Majd megkérdeztem így képzelted-e?. Ebben nem látok semmi bűbájt, vagy sikerült a gondolatod átvinnem a rajzra, vagy nem.
A ledek ügye egészen más kérdés, abban majd még végzek kísérleteket, de alaphelyzetben az említett rajzon lévő konstrukció a kiindulópont (égőkkel vagy ledekkel az most mindegy), no meg a "csend lámpa". Akkor ezek fényében újra kérdem: Sikerült a rajzra hűen átvezetnem a gondolataidat? Így képzelted a fent említett hozzászólásodban?
Én erre a kapcsolásra jutottam...
Ez eltér proli007 elképzelésétől. Remélem majd Ő is állást-foglal, melyik lenne az eredményes megoldás.
Te kipróbáltad ezt a kapcsolást? Van tapasztalat a működés sajátosságairól? Ha jól látom, még egy csatornát hozzátettél, csak a kimeneti opa bemeneteit megfordítottad, és a visszacsatolást frekvenciafüggetlenné tetted. Így van?
Ismétlem a kérdést: Te kipróbáltad ezt a kapcsolást? Van tapasztalat a működés sajátosságairól?
Hello!
Bocs, akkor más-más malomban őröltünk. Jó amit berajzoltál, csak az első műveleti erősítő bemenetét kell felcserélni, mert itt a lámpák (opto) akkor égnek, mikor a hátsó erősítő kimeneti jele nulla. De Jani megoldását is szellemesnek tartom.. üdv! proli007
Sziasztok!
Megépítettem próbapanelen a kapcsolást a proli007 féle módosításokkal, illetve csak a HIGH PASS ágat, de azt tapasztalom, hogy a LEDek folyamatosan égnek hiába tekergetem bármerre is a 22K-s illetve a 10K-s potit. Az alkatrészek a kapcsoláson szereplő értékűek, leszámítva az N csatornás MOSFET-et, ami nálam egy IRF540. Szerintetek mi lehet a probléma,ha jól kötöttem be mindent? Ha esetleg nem jó a bekötés, akkor mi környékén keressem a hibát? Mi az ami a jelenséget produkálja? Köszönet! Üdv!
Dobd össze próbakapcsolásban az a "bonyolult" kiegészítést s kiderül...
Idézet: „Tulajdonképpen egyszerű a megoldás! Kell még egy csatorna, aminek nincs frekvenciaszűrése, s a LED-meghajtó OPA bemeneteit fel kell cserélni egymással. A csúcsegyenirányító jelét a + bemenetre, és a potenciométer által beállított referenciajelet a - bemenetre kell kötni. A LED áramköri környezete az eredeti rajz szerint lesz bekötve.” Lehet világosabban kellett volna fogalmaznom. ![]() Idézet: „Te kipróbáltad ezt a kapcsolást?” Nekem még nem kellett inverz villogó...
A mellékelt rajzon próbáltam értelmezni amit mondasz. Átjavítottam a Te korábbi ajánlásodat. Így gondoltad?
Hello!
Igen így gondoltam, mert az optó akkor világít, mikor a kimenet alacsony. Így meg meginvertálódik. üdv! proli007
Hi
Megépítettem ezt a mini ledes orgonát. De a piros és a sárga egyszerre villog, semmi külömbség nincsen közte. A zöld sor meg meg se villan csak ha a táp feszt fentebb állítom 14-15V, vagy amikor már bömböl a hangszóró amire rákötöm Segítséget előre is köszönöm. Vagy ha valakinek van olyan rajza ami tuti hogy megyen, azt is megköszönném.
Egy jó fényorgona lelke egy jó szűrő. Attól látványos hogy a zene frekvenciáit különböző színek jelenítik meg. Ettől a kapcsolástól nem várjunk sokat. Az alábbi linken lévő 3 utas aktív hangváltóval, azt kiegészítve akár ledeket akár izzókat meghajtó elektronikával igen jó eredmény érhető el. Állítható a sáv szélesség, ezáltal jól megkülönböztethető sávok jönnek létre. Próbálkozz valami komolyabbal!!Bővebben: Link
A téma képei között is vannak használható kapcsolások. S nem is kell messzire menni. ... Jelerősítés nélkül szerintem abból a kapcsolásból nem lesz életképes áramkör. ( Egyéni véleményem. ) Remélem sikerül találni egy neked tetsző áramkört.
Hello!
Első körben bemeneti jel nélkül, mérd meg a tranzisztorok kollektor és bázis feszültségét (Fetnél Drain és Gate) a GND-hez képest.. üdv! proli007
Szia!
Megmértem az értékeket: Először a vezérlőjel rákapcsolása nélkül: Első tranyó kollektor:2.6v bázis:590mV, második kollektor: 0.12V bázis:750mV fet G:0.26V D:2.4V úgy, hogy 3db 3.4Vos ledet kötöttem előtte sorba egy 100ohmos ellenállással. Vezérlőjellel: első collector: 2.58-2.6v között ugrál, első bázis: 606mV,második coll:0.12V,bázis:753-754mV feten ugyan azok. Köszönet! Üdv!
Hello!
Kissé érdekes.. - Ha csak abból indulunk ki, hogy a Fet Gate feszültsége közel nulla volt, akkor már egy Led sem éghetne. Tehát, vagy zárlatos a Fet, vagy zárlatot csináltál. Avagy nem jól van bekötve... (A Drain feszültség most nem sokat mond, mert nem írtad hogy a tápfeszültség tényleg 12V-e, de ha a Fet zárva is van, akkor is levonódhat a mérésnél a tápból a 3*3..3,4V feszültség.) - Alapban a Q1-nek zárva kell lenni. (nem túl szép, hogy a C8-on nincs párhuzamosan egy ellenállás, Legalább egy 100kohm) Így a kollektorában az R6/R7 által leosztott feszültség lenne mérhető, ami közel 10V lenne. (De mivel nincs bázis-emitter ellenállás, így a C7-en keresztül a tranyó valamennyire nyitva van. Főleg, ha a C7 fordítva lenne az áramkörben) - De azért látható, hogy a Q2 (helyesen) nyitva van, mert bázisában 750mV és kollektorában 0,12V van. Így a D6 semmi képen nem vezethet, és a Fet-re nem jut Gate feszültség. Az alapvető hiba azért a Fet-nél van. Mert ha a Gate feszültség nulla, akkor nem vezethetne. Tehát a Led-ek nem éghetnének. Amíg vezérlés nélkül nincs rend, nem érdemes továbblépni.. üdv! proli007
Hi
Ez a kapcsolás jó lesz bemeneti jel erősítésére?
Jól gondolom, hogy triakok esetében az MT1 és MT2 (MT=main terminál) kivezetések tetszőlegesen felcserélhetőek?
Vagy a szimbólumnak megfelelően, mindig a "Gate" oldali kivezetés az MT1?
Szia. Nem egészen!
Ha külső feszültségről vezérled a triakot, akkor az MT1-hez képest kell a GATE-ra adni a vezérlő feszültséget. PL: Link1. Kicsit megtévesztő az amikor a GATE az MT2 oldalról kapja a begyújtáshoz szükséges feszültséget. Ilyenkor nincs külső feszültségforrás. Az ilyen vezérlési módot nagyon jól szemléltetik a DIAK-os, fázishasításos teljesítményszabályzók. PL: Link2. Az, hogy egyik TOK lábkiosztása megegyezik-e egy másik hasonló tok lábkiosztásával, inkább szerencse kérdése. Az adatlapok ellenőrzésével viszont biztosra lehet menni...
S igen. Az elvi rajzon mindég a GATE kivezetés melletti az MT1-es kivezetés...
Hello!
Megépítettem az alábbi fényorgonát, de az izzók egyfolytában világítanak. Még akkor is világit, ha 12V-os tápfeszt leveszem róla. Nem igazán értem miért van ez, hiszen így az optócsatolón nincs is feszültség.
A MOC 4-es lába és az M1 kivezetés közé kellene egy 330ohm körüli ellenállás. Ez ez ellenállás söntöli le a Gate elektródát. S ez egyben terhelést ad a a MOC optotriaknak is...
Gondolom a triak lábai jó helyen vannak. |
Bejelentkezés
Hirdetés |




Vagyis meg lehet valósítani... 











