Fórum témák
» Több friss téma |
oké. kipróbálom az lm317t-t
Neki fogtam uj dobozba beépíteni a szerkezetet. fejleményekről írok. és lesznek képek is. Pc táp doboza lesz az áldozat. Remélem minden belefog férni.
Na átépítettem a tápot. Sokkal kisebbre sikerült a doboza
Külsó tápot kapott. 12v-os, 2.5A-es táppal hajtom az egészet. Eddig hibátlanul megy. Lassan bele is kezdek az x y alapú winyós lézershowba Jöjjenek a képek.
Nekem még most sem világos mi ez a sok vezeték.Szerintem inkább használj szalag kábelt vagy CD\DVD-romoknak az audió kábelét,az úgy is 3 az 1ben.Bár még nem láttam kartonpapír és fémlemez ötvözését.De felesleges ezzel a táppal bíbelődnöd,hiszen elmegy az egész egy adapterről.
mivel minden külön panelon van (fesz szabályzó, lézer táp, meg végfokok) ezért sok vezeték kelett ahhoz hogy összekössem. de nem gerjed be és igy nekem jó. Viszont lesz még bővítve is valamikor. Egyenlőre ennyi mert nincs pénz most rá
Az x/y vinyóm az zenével van vezérelve.
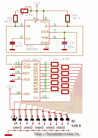
Ez egy effekt, de én többet szeretnék egy gépen elhelyezni, és a három darab vinyó szedőfejére erősített tükörrel akarom rájuk terelni a lézernyalábot felváltva, bizonyos időközönként amit az 555-ös kapcsolással állítok be! Az 555-öt úgy akarom beállítani hogy kb. fél vagy egy percenként váltsa az effekteket, így nem kell ott ülni kézzel váltogatni. Kivitelezhető ez szerintetek?
Hy All!
Olvasgattam itt a fórumban és én is csináltam egy ilyen kis lasert! Küldök képeket még ha teljesen kész lesz most félkész állapotban!
Milyen szögbe kell rakni a két tükröt?
|
Bejelentkezés
Hirdetés |




Neki fogtam uj dobozba beépíteni a szerkezetet. fejleményekről írok. és lesznek képek is. Pc táp doboza lesz az áldozat. Remélem minden belefog férni.
Jöjjenek a képek. 














